Содержание страницы
- 1. Фундаментальная структура и принцип действия
- 2. Режимы работы и Вольт-амперная характеристика
- 3. Динамические процессы: Включение тиристора
- 4. Динамические процессы: Выключение тиристора
- 5. Разновидности тиристоров
- 6. Сравнительная таблица полупроводниковых ключей
- 7. Преимущества и недостатки
- 8. Интересные факты о тиристорах
- 9. Часто задаваемые вопросы (FAQ)
- Заключение
1. Фундаментальная структура и принцип действия
Переключатели с p—n—p—n-структурой, широко известные как тиристоры, представляют собой класс полупроводниковых приборов, чей механизм действия базируется на внутренней положительной обратной связи. В отличие от транзистора, который работает в линейном режиме, тиристор работает в ключевом режиме, подобно реле.
1.1. Анатомия тиристора
Базовая структура тиристора представляет собой монокристалл полупроводника (обычно кремния), в котором сформированы четыре чередующихся слоя с различным типом проводимости: p-тип и n-тип. Эти слои образуют структуру p—n—p—n и три p—n-перехода, последовательно расположенных друг за другом.
Для удобства анализа и понимания работы переходы и выводы имеют специальные названия:
- Анодный переход (J1): Переход между внешним p-слоем (анодным слоем) и внутренней n-базой.
- Центральный переход (J2): Переход между внутренней n-базой и внутренней p-базой. Это основной блокирующий переход.
- Катодный переход (J3): Переход между внутренней p-базой и внешним n-слоем (катодным эмиттером).

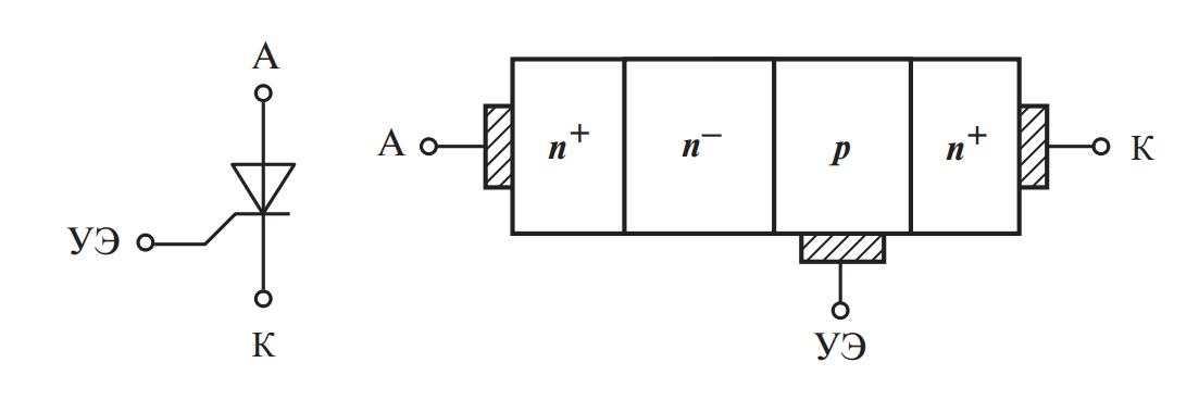
Рисунок 1. Обозначение и структура тиристора.
На схеме показана последовательность слоев: анодный p-слой, n-база, p-база, катодный n-слой. Вывод А (анод) подключен к внешнему p-слою, вывод К (катод) — к внешнему n-слою, а УЭ (управляющий электрод) — к внутренней p-базе.
Внешние выводы подключаются к крайним слоям: «Анод» (А) к p-слою и «Катод» (К) к n-слою. Управляющий электрод (Gate, УЭ) подключается к одному из внутренних слоев, чаще всего к p-слою, ближайшему к катоду (так называемое катодное управление).
1.2. Двутранзисторная модель
Для глубокого понимания физики процессов тиристор удобно рассматривать не как единый четырехслойный кристалл, а как составную схему из двух взаимосвязанных транзисторов разной проводимости: n—p—n и p—n—p.

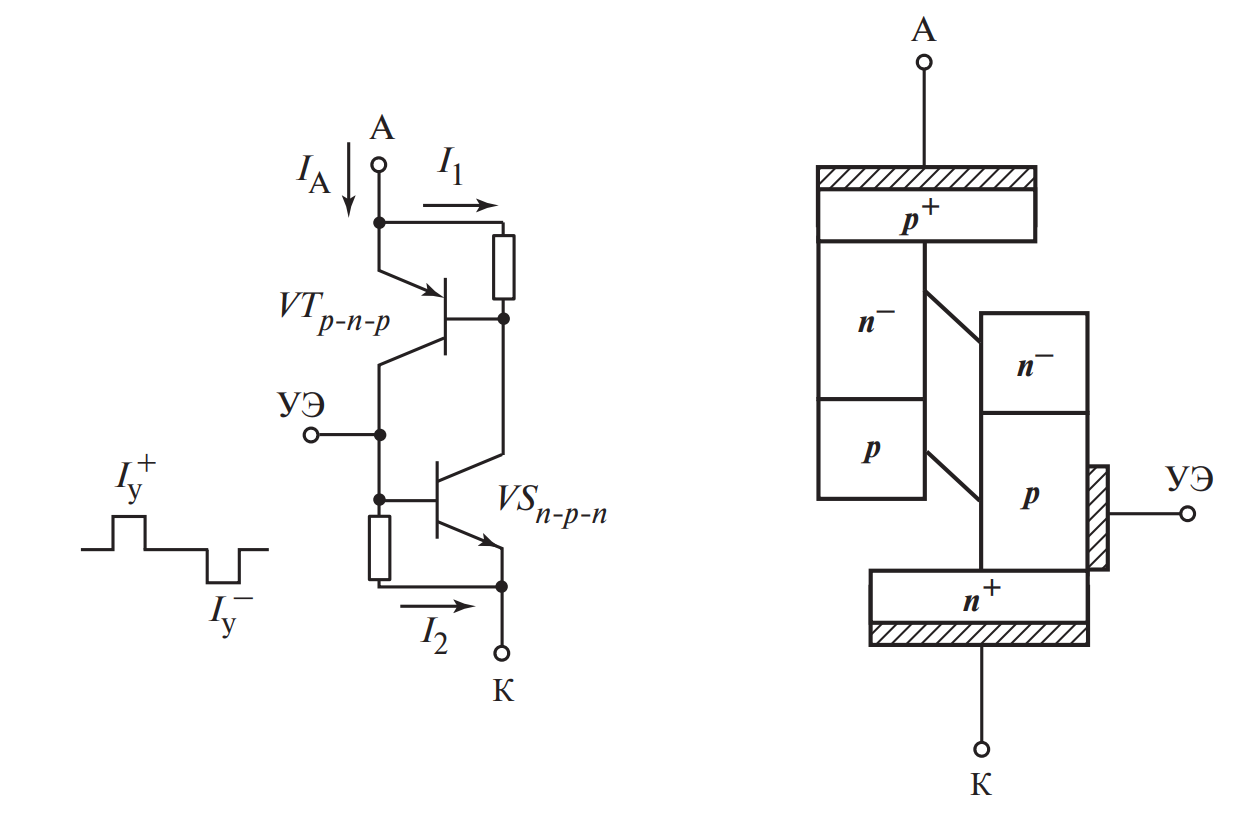
Рисунок 2. Составная схема тиристора.
Представлена модель, где структура разделена на две части: транзистор VT1 (p-n-p) и транзистор VT2 (n-p-n). Коллектор одного транзистора электрически соединен с базой другого и наоборот, образуя петлю положительной обратной связи. Ток управления \(I_y\) подается в базу n-p-n транзистора.
В этой модели:
- Коллектор p-n-p транзистора соединен с базой n-p-n транзистора.
- Коллектор n-p-n транзистора соединен с базой p-n-p транзистора.
Такое соединение создает петлю положительной обратной связи. Если в одну из баз впрыснуть ток, он усилится первым транзистором, попадет в базу второго, усилится вторым и вернется в базу первого, еще больше открывая его.
Математически это описывается уравнением для анодного тока \(I_A\). Анодный ток является суммой токов, протекающих через центральный переход (который является коллекторным для обоих условных транзисторов):
где:
- \(I_A\) — полный анодный ток тиристора;
- \(I_y\) — ток управления, втекающий в p-слой (базу n-p-n транзистора);
- \(\alpha_{n-p-n}\) — коэффициент передачи тока эмиттера n—p—n-транзистора (обычно зависит от тока эмиттера);
- \(\alpha_{p-n-p}\) — коэффициент передачи тока эмиттера p—n—p-транзистора;
- \(I_{K0}\) — тепловой ток утечки центрального перехода (ток при разомкнутой цепи управления).
Из формулы видно, что если сумма коэффициентов передачи \(\alpha_{n-p-n} + \alpha_{p-n-p}\) приближается к единице, знаменатель дроби стремится к нулю, и анодный ток \(I_A\) теоретически стремится к бесконечности (на практике ограничивается внешней цепью). Это и есть момент лавинообразного включения.
2. Режимы работы и Вольт-амперная характеристика
Поведение тиристора полностью описывается его вольт-амперной характеристикой (ВАХ), которая имеет резко нелинейный характер и состоит из нескольких участков.

Рисунок 3. Вольт-амперная характеристика тиристора.
На графике показаны: \(U_{BR}\) — напряжение лавинного пробоя; \(U_{вкл}\) — напряжение переключения; \(I_{уд}\) — ток удержания; \(U_{АК}\) — напряжение анод-катод. Видно, что при подаче тока управления \(I_{УЭ}\) напряжение включения снижается.
2.1. Закрытое состояние (Режим блокирования)
В выключенном состоянии тиристор должен выдерживать высокое напряжение, не пропуская ток. Это характеризуется двумя режимами:
Прямое блокирование
Если на анод подан «плюс», а на катод «минус» (прямое смещение), крайние переходы (J1 и J3) смещены в прямом направлении, но центральный переход J2 смещен в обратном направлении. Он оказывается закрытым и воспринимает все приложенное напряжение. Область пространственного заряда (ОПЗ) расширяется преимущественно в сторону низколегированного n-слоя (n-базы).
Обратное блокирование
Если на анод подан «минус», а на катод «плюс» (обратное смещение), то переходы J1 и J3 закрыты, а центральный J2 открыт. Однако, так как катодный переход J3 обычно сильно легирован и имеет низкое напряжение пробоя (не более 15–20 В), основную нагрузку по блокированию берет на себя анодный переход J1. ОПЗ снова расширяется в глубь n-слоя.
Важно: Именно параметры n-слоя (его толщина \(W_n\) и удельное сопротивление \(\rho_n\)) определяют класс тиристора по напряжению. Чем толще и чище этот слой, тем большее напряжение выдержит прибор.
Предельная ширина области пространственного заряда \(W_0\) перед пробоем может быть оценена эмпирической формулой (для кремния):
где \(\rho_n\) — удельное сопротивление n-базы (Ом·см), а \(U_{BR}\) — напряжение лавинного пробоя (В). Если ширина базы \(W_n\) окажется меньше \(W_0\), произойдет «прокол» базы (punch-through), и прибор выйдет из строя.
Рассмотрим силовой тиристор класса 20 (на 2000 В). Технологический запас требует \(U_{BR} \approx 2700\) В. При использовании кремния с удельным сопротивлением \(\rho_n = 80\) Ом·см, минимальная толщина n-слоя должна быть:
$$ W_n \geq 0.52 \cdot 80 \cdot \sqrt{2700} \approx 216 \text{ мкм} $$
На практике делают еще толще (около 250-290 мкм) для надежности.
2.2. Условие включения
Чтобы перевести тиристор в проводящее состояние, необходимо подать импульс тока в цепь управления. Это вызывает инжекцию носителей заряда в базы. Коэффициенты передачи тока \(\alpha\) у транзисторов сильно зависят от тока эмиттера (при малых токах они малы из-за рекомбинации). С ростом тока они растут.
Используя дифференциальные коэффициенты передачи \(\alpha^* = \Delta I_K / \Delta I_E\), условие регенеративного переключения (точка, где процесс становится необратимым) записывается как:
Как только это условие выполняется, тиристор самопроизвольно открывается полностью, даже если убрать управляющий сигнал.
2.3. Включенное состояние (Режим проводимости)
В открытом состоянии все три p-n перехода смещены в прямом направлении (центральный переход инвертируется за счет огромной концентрации накопленных носителей заряда). Тиристор ведет себя как диодная структура \(p^+ — i — n^+\) с глубокой модуляцией проводимости баз.
Падение напряжения \(U_{VS}\) на открытом приборе мало (обычно 1.2 – 2.5 В для высоковольтных приборов) и рассчитывается по сложной физической формуле, учитывающей падение на переходах и омическое падение в базах:
Для инженерных расчетов часто используют линейную аппроксимацию ВАХ:
\( U_{VS} \approx U_{VS0} + I_A \cdot r_T \), где \(U_{VS0}\) — пороговое напряжение, \(r_T\) — динамическое сопротивление.
3. Динамические процессы: Включение тиристора
Тиристор не может включиться мгновенно. Процесс перехода из закрытого состояния в открытое — это сложный физический процесс распространения электронно-дырочной плазмы по кристаллу.

Рисунок 4. Диаграммы переходного процесса при включении тиристора.
Показаны этапы: \(t_{зд}\) — время задержки (пока ток не начал расти), \(t_{нар}\) (регенерации) — крутой фронт тока, \(t_{расп}\) — время распространения включенного состояния. Напряжение на тиристоре \(U_{AK}\) падает по мере роста тока.
Процесс включения делится на 4 этапа:
- Задержка включения (\(t_{зд}\)):
Время от подачи импульса управления до момента, когда анодный ток достигнет 10% от максимума. В это время заряжаются барьерные емкости переходов эмиттеров и электроны проходят транзит через базу. Для мощных приборов это время составляет 0.1–0.2 мкс. Критически важно, чтобы ток управления имел крутой фронт и достаточную амплитуду (\(I_y \geq 1\) А для мощных тиристоров), чтобы минимизировать это время. - Регенерация (Нарастание тока):
Лавинообразный процесс. Ток растет экспоненциально:$$ I_A(t) \approx B_0 I_y \exp(t/\tau_0) $$Здесь \(\tau_0\) — постоянная времени нарастания (0.1–0.2 мкс). На этом этапе напряжение на тиристоре резко падает, но плотность тока в области первичного включения (возле управляющего электрода) колоссальна.
- Установление стационарного состояния:
Напряжение продолжает спадать, так как модуляция проводимости (насыщение базы носителями) продолжается.
Напряжение на n-слое спадает по закону:$$ U_{AK}(t) \approx U_{VS0} + [U_n(t_{рег}) — U_{VS0}] \exp \left( — \frac{t — t_{рег}}{\tau_y} \right) $$ - Распространение включенного состояния (\(t_{расп}\)):
Сначала ток течет только узким шнуром около управляющего электрода (площадь \(S_0 \approx 0.1 \text{ см}^2\)). Затем проводящая область («плазма») начинает расползаться по всей площади кремниевой пластины. Скорость распространения невелика (0.05–0.1 мм/мкс) и зависит от плотности тока.
Опасность dI/dt: Если анодный ток нарастает быстрее, чем расширяется включенная область, плотность тока в начальной точке («шнуре») превысит критическую. Это приведет к локальному перегреву и разрушению кристалла. Это называется выходом из строя по скорости нарастания тока (\(dI/dt\)).
Площадь включения во времени растет по формуле:
Время полного включения для мощных тиристоров с диаметром пластины 50-100 мм может достигать сотен микросекунд!
4. Динамические процессы: Выключение тиристора
Выключить обычный тиристор сложнее, чем включить. Просто снять управление недостаточно — процесс регенерации поддерживает сам себя. Чтобы выключить прибор, нужно принудительно снизить ток анода ниже тока удержания (\(I_{уд}\)) или подать обратное напряжение.
4.1. Время выключения (\(t_q\))
Это интервал времени от момента прохождения анодного тока через ноль до момента, когда тиристор снова способен выдерживать прямое напряжение.
Физически в это время происходит рекомбинация избыточных носителей заряда, накопленных в базах. Пока заряд не рассосется, повторная подача прямого напряжения приведет к самопроизвольному включению.
Расчет времени выключения:
где \(\tau_p\) — время жизни неосновных носителей (дырок) в n-базе. Для быстрых тиристоров \(\tau_p\) искусственно уменьшают (легированием золотом или облучением), но это увеличивает прямое падение напряжения. Это вечный компромисс силовой электроники.
Тиристор 2000В/250А. Время жизни \(\tau_p = 5.2\) мкс, ток удержания \(I_{уд} = 0.75\) А.
При выключении тока 250 А время восстановления составит:
$$ t_q = 5.2 \cdot \ln(250 / 0.75) \approx 5.2 \cdot 5.8 \approx 30 \text{ мкс} $$
4.2. Эффект dU/dt
Если на закрытый тиристор подать прямое напряжение с очень высокой скоростью нарастания (\(dU/dt\)), через барьерную емкость центрального перехода \(C_{KB}\) потечет ток смещения:
Этот ток работает как ток управления. Если он превысит порог отпирания, тиристор самопроизвольно включится. Это может привести к аварии. Для защиты используют демпфирующие RC-цепи (снабберы).
5. Разновидности тиристоров
В зависимости от способа управления и характеристик различают:
- SCR (Silicon Controlled Rectifier): Классический однооперационный тиристор. Выключается только снятием тока анода. Самый мощный и высоковольтный.
- GTO (Gate Turn-Off): Двухоперационный (запираемый). Выключается подачей мощного отрицательного импульса тока в управляющий электрод.
- Симистор (Triac): Симметричный тиристор, проводящий ток в обе стороны. Идеален для сетей переменного тока (диммеры, плавный пуск двигателей).
- Фототиристор: Включается потоком света. Используется в высоковольтных развязках и оптронах.
6. Сравнительная таблица полупроводниковых ключей
Чтобы понять место тиристора в современной электронике, сравним его с конкурентами.
| Параметр | Тиристор (SCR) | Транзистор IGBT | Транзистор MOSFET | Запираемый тиристор (GTO/IGCT) |
|---|---|---|---|---|
| Управление | Импульс (только вкл) | Напряжение (вкл/выкл) | Напряжение (вкл/выкл) | Ток (вкл/выкл) |
| Рабочее напряжение | До 12 кВ (Очень высокое) | До 6.5 кВ (Высокое) | До 1 кВ (Среднее) | До 6-10 кВ |
| Рабочий ток | До 5000 А и выше | До 3600 А | До 200-300 А | До 4000 А |
| Частота коммутации | Низкая (< 1 кГц) | Средняя (до 20-50 кГц) | Высокая (> 100 кГц) | Низкая (< 2 кГц) |
| Сложность драйвера | Простая | Средняя | Простая | Очень сложная |
7. Преимущества и недостатки
Преимущества:
- Самая высокая плотность мощности среди всех полупроводниковых ключей.
- Способность выдерживать огромные перегрузки по току (ударные токи) в течение короткого времени (до 10 крат от номинала).
- Низкое падение напряжения в открытом состоянии при высоковольтных исполнениях (высокий КПД).
- Высокая надежность и долговечность при правильной эксплуатации.
- Относительно низкая стоимость за киловатт коммутируемой мощности.
Недостатки:
- Неполная управляемость (для SCR): нельзя выключить по желанию без дополнительных силовых цепей коммутации в цепях постоянного тока.
- Низкая скорость работы (килогерцовый диапазон), что делает невозможным создание компактных высокочастотных преобразователей.
- Склонность к самопроизвольному включению при высоких \(dU/dt\).
- Сложная защита от сверхтоков (предохранители должны быть быстродействующими).
8. Интересные факты о тиристорах
- Космическая надежность. Тиристоры являются одними из немногих приборов, способных работать в системах электропитания космических аппаратов и ядерных реакторов благодаря своей устойчивости к радиации (радиационно-стойкие исполнения) и импульсным помехам.
- Размеры гигантов. Самые мощные промышленные тиристоры имеют диаметр кремниевой пластины более 150 мм (как блюдце) и коммутируют токи, способные мгновенно испарить толстый лом. Для прижатия контактов к таким «таблеткам» используется усилие в несколько тонн.
- Эффект памяти. В ранних компьютерных системах 60-х годов тиристоры рассматривались как элементы памяти, так как они могут хранить состояние «включено» или «выключено».
- Световое управление. В высоковольтных линиях передач постоянного тока (HVDC) используются тиристоры с прямым световым управлением (LTT), где вместо электрического провода к затвору идет оптоволокно. Это решает проблему изоляции на напряжениях в сотни тысяч вольт.
- Золотое легирование. Для ускорения работы тиристоров в кремний диффундируют атомы золота или платины. Эти атомы создают центры рекомбинации («ловушки»), которые быстро «убивают» свободные носители заряда при выключении, хотя это и повышает нагрев прибора.
- Отрицательное сопротивление. На участке включения ВАХ тиристора обладает отрицательным дифференциальным сопротивлением, что теоретически позволяет строить на них генераторы, хотя на практике это применяется редко (динисторы).
- Убийца ртути. Изобретение тиристора практически полностью уничтожило индустрию ртутных выпрямителей (игнитронов), которые были токсичными, хрупкими и занимали целые комнаты.
9. Часто задаваемые вопросы (FAQ)
1. Почему тиристор не выключается, если убрать напряжение с управляющего электрода?
Это связано с механизмом внутренней положительной обратной связи (регенерации). Как только прибор открылся, два внутренних транзистора (p-n-p и n-p-n) подпитывают базы друг друга током коллектора. Этот процесс самоподдерживающийся до тех пор, пока внешний ток через анод достаточно велик для поддержания этой подпитки (больше тока удержания \(I_{уд}\)).
2. Можно ли использовать тиристор в цепях постоянного тока?
Да, можно, но с ограничениями. Включить его легко, а вот чтобы выключить, придется принудительно разорвать цепь, создать искусственное короткое замыкание параллельно тиристору или использовать резонансный контур для создания обратного напряжения. Поэтому в DC-цепях чаще используют транзисторы или запираемые тиристоры (GTO).
3. Как проверить тиристор мультиметром?
В режиме прозвонки диодов: Анод-Катод должны показывать обрыв в обе стороны. Управляющий электрод-Катод должны звониться как диод (в одну сторону). Чтобы проверить на открытие, можно собрать простую схему с батарейкой и лампочкой: кратковременное касание управляющего электрода плюсом батареи должно зажечь лампу, и она должна гореть после размыкания управляющей цепи (если ток лампы выше тока удержания).
4. Что такое снаббер (snubber) и зачем он нужен?
Снаббер — это RC-цепочка (резистор и конденсатор), подключенная параллельно тиристору. Она защищает прибор от самопроизвольного включения при резких скачках напряжения (эффект \(dU/dt\)), поглощая энергию всплеска и ограничивая скорость нарастания напряжения.
5. Чем симистор отличается от тиристора?
Тиристор пропускает ток только в одну сторону (как диод), а симистор — в обе. Конструктивно симистор представляет собой два тиристора, включенных встречно-параллельно в одном кристалле. Это делает симистор идеальным для управления нагрузкой в сетях переменного тока (220В).
Заключение
Тиристоры остаются «рабочими лошадками» силовой энергетики. Несмотря на активное вытеснение IGBT-транзисторами в диапазоне средних мощностей, в области сверхвысоких токов и напряжений (мегаваттный класс, линии электропередач, электролиз алюминия) тиристоры не имеют конкурентов по надежности и эффективности. Понимание физики их работы, динамических процессов включения и выключения, а также ограничений по \(dI/dt\) и \(dU/dt\) является обязательным навыком для любого инженера силовой электроники.
Нормативная база
При проектировании и эксплуатации устройств с тиристорами необходимо руководствоваться следующими стандартами (проверьте актуальность статуса для вашего региона):
- ГОСТ 20859.1-89 — Приборы полупроводниковые силовые. Общие технические условия. (Базовый стандарт для силовых приборов в странах СНГ).
- ГОСТ 15133-77 — Приборы полупроводниковые. Термины и определения. (Содержит корректные определения параметров \(t_q\), \(U_{TM}\) и др.).
- ГОСТ 24461-80 — Приборы полупроводниковые силовые. Методы измерений и испытаний.
- IEC 60747-6 — Международный стандарт (International Electrotechnical Commission) для тиристоров (Thyristors).
Рекомендуемая литература:
- Розанов Ю.К. «Силовая электроника». Учебник для вузов. — М.: МЭИ, 2005.
- Семенов Б.Ю. «Силовая электроника: от простого к сложному». — М.: Солон-Пресс, 2005.
- Флоренцев С.Н. «Силовые полупроводниковые приборы: Проблемы и решения».
