Содержание страницы
- 1. Принцип действия и классификация МДП-структур
- 2. Оценка качества и добротность транзистора
- 3. Технологии короткого канала: DMOS и VMOS
- 4. Высоковольтные характеристики и сопротивление \( R_{DS(\text{on})} \)
- 5. Оптимизация структуры: UMOS-технология
- 6. Внутренний (паразитный) диод
- 7. Динамические характеристики и переходные процессы
- 8. Сравнение технологий
- 9. Преимущества и недостатки MOSFET
- 10. Интересные факты о MOSFET
- 11. FAQ: Часто задаваемые вопросы
- Заключение
Что представляет собой современный силовой ключ в электронике? Чаще всего это мощный МДП-транзистор (металл—диэлектрик—полупроводник), известный в зарубежной литературе как MOSFET (Metal-Oxide-Semiconductor Field-Effect Transistor). Это полупроводниковый прибор, управляемый электрическим полем, который произвел революцию в силовой электронике, позволив создавать высокоэффективные импульсные источники питания, инверторы и системы управления двигателями.
В данной статье мы подробно разберем физику работы мощных МДП-транзисторов с коротким каналом, их статические и динамические характеристики, особенности схемотехники и методы расчета параметров.
1. Принцип действия и классификация МДП-структур
Транзисторы со структурой металл—диэлектрик—полупроводник (МДП) могут выполняться в двух основных конфигурациях: со встроенным каналом и с индуцированным каналом. Это фундаментальное различие определяет поведение прибора при отсутствии управляющего сигнала.
Примечание: Транзисторы МДП большой мощности для силовой электроники изготавливают исключительно с индуцированным каналом. Это требование безопасности: при пропадании управляющего напряжения (например, обрыве цепи затвора) силовой ключ должен гарантированно закрыться, прекратив подачу энергии в нагрузку.
В классической структуре такого прибора управляющий электрод — затвор (Gate) — электрически изолирован от полупроводникового кристалла тончайшим слоем диэлектрика. В подавляющем большинстве случаев в качестве диэлектрика используется диоксид кремния \( \text{SiO}_2 \), обладающий великолепными изолирующими свойствами и технологичностью формирования.
1.1. Физика образования канала
Транзистор МДП с индуцированным каналом является «нормально закрытым» прибором. При отсутствии напряжения на затворе \( U_{GS} = 0 \) ток между стоком (Drain) и истоком (Source) не протекает, так как в структуре отсутствуют свободные носители заряда, способные переносить ток через области с различными типами проводимости.
Чтобы перевести транзистор в проводящее состояние, необходимо выполнить следующие действия:
- Подать на затвор напряжение той же полярности, что и знак основных подвижных носителей заряда в предполагаемом канале.
- Под действием электрического поля затвора в приповерхностном слое полупроводника начинают скапливаться носители заряда.
- При достижении определенного порогового напряжения \( U_{th} \) концентрация притянутых носителей становится настолько велика, что происходит инверсия типа проводимости полупроводника под затвором.
Таким образом, формируется токопроводящий канал, соединяющий области истока и стока. Промышленность выпускает приборы двух типов полярности:
- N-канальные (N-channel): Основные носители — электроны. На затвор подается положительное напряжение. Самый распространенный тип в силовой электронике из-за более высокой подвижности электронов.
- P-канальные (P-channel): Основные носители — дырки. На затвор подается отрицательное напряжение относительно истока. Используются реже, в основном в верхних ключах мостовых схем для упрощения драйвера.

Рис. 1. Обозначение транзистора МДП с индуцированным каналом.
Слева — структура типа P-МДП, справа — структура типа N-МДП. Стрелка указывает направление p-n перехода подложки, что определяет тип проводимости канала.
2. Оценка качества и добротность транзистора
Для объективного сравнения различных типов МДП-транзисторов, особенно при выборе компонента для высокочастотных приложений, используют комплексный параметр — добротность (Figure of Merit). Этот показатель связывает усилительные свойства прибора с его быстродействием.
Математически добротность \( D \) определяется как отношение коэффициента усиления прибора к длительности фронта импульса на выходе. Чем выше это значение, тем ближе транзистор к «идеальному ключу».
Где:
- \( b \) — удельная крутизна передаточной характеристики транзистора;
- \( C_G \) — паразитная емкость затвора (между затвором и каналом), которую необходимо перезаряжать при переключении.
2.1. Расчет удельной крутизны
Крутизна (Transconductance) характеризует, насколько сильно изменяется выходной ток при изменении управляющего напряжения. Удельная крутизна \( b \) рассчитывается по следующей фундаментальной формуле физики полупроводников:
Расшифровка параметров формулы:
- \( \varepsilon \) — относительная диэлектрическая проницаемость материала диэлектрика (для \( \text{SiO}_2 \approx 3.9 \));
- \( \varepsilon_0 \) — электрическая постоянная (\( \approx 8.85 \cdot 10^{-12} \) Ф/м);
- \( \mu \) — подвижность основных носителей заряда (для кремния подвижность электронов примерно в 3 раза выше подвижности дырок, что объясняет преимущество N-канальных транзисторов);
- \( Z \) — ширина канала (геометрический параметр, перпендикулярный току);
- \( L \) — длина канала (расстояние, которое должны пройти носители от истока к стоку);
- \( d \) — толщина слоя диэлектрика затвора.
2.2. Емкость затвора
Затвор транзистора по сути является одной из обкладок конденсатора. Емкость между затвором и каналом описывается классическим выражением для плоского конденсатора:
Аналогия: Представьте канал транзистора как автомобильную трассу. Ширина канала (\( Z \)) — это количество полос: чем их больше, тем больше машин (тока) проедет. Длина канала (\( L \)) — это длина участка дороги: чем она меньше, тем быстрее машины проедут этот участок. Толщина диэлектрика (\( d \)) — это высота шлагбаума: чем он тоньше (ниже), тем легче им управлять, но выше риск, что его сломают (пробой).
Подставив выражения (2) и (3) в формулу добротности (1) и выполнив алгебраические преобразования, получаем финальное выражение для добротности МДП-транзистора:
Вывод: Из формулы (4) видно, что добротность зависит обратно пропорционально квадрату длины канала (\( L^2 \)). Это означает, что даже незначительное уменьшение длины канала приводит к колоссальному росту быстродействия и эффективности прибора. Именно поэтому основным вектором развития современной микроэлектроники является миниатюризация и создание короткоканальных структур.
3. Технологии короткого канала: DMOS и VMOS
Создание короткого канала методами стандартной фотолитографии имеет физические ограничения. Для силовых приборов применяют специальные технологические приемы, такие как метод двойной диффузии (Double-Diffused MOS — DMOS).
Суть метода заключается в последовательной диффузии примесей разного типа проводимости (p-типа и n-типа) через одно и то же технологическое окно маски. Разница в глубине проникновения примесей и формирует длину канала, которая может составлять микрометры и даже доли микрометров, что недостижимо для прямой литографии того времени.
Короткий канал обеспечивает важнейший физический эффект — насыщение скорости носителей. Благодаря сильному электрическому полю, создаваемому напряжением стока на коротком участке, электроны разгоняются до предельных скоростей, обеспечивая высокое быстродействие.
3.1. Горизонтальные и вертикальные структуры
Существует два основных архитектурных подхода:
- Горизонтальная (латеральная) структура: Ток течет параллельно поверхности кристалла. Применяется для транзисторов на напряжения не более 100 В. Преимущество — малая емкость и высокое быстродействие.
- Вертикальная структура (VDMOS): Ток течет от истока на поверхности сквозь кристалл к стоку на дне подложки. Это позволяет эффективно использовать объем кремния и выдерживать высокие напряжения.

Рис. 2. Вертикальная структура транзистора МДП с коротким каналом.
Обозначения областей:
n+ — высоколегированные области истока и стока;
p — область «тела» (body), формирующая канал;
n– — низколегированная дрейфовая область (эпитаксиальный слой);
G — Затвор (Gate); S — Исток (Source); D — Сток (Drain).
Обратите внимание на вертикальное протекание тока через дрейфовую область.
4. Высоковольтные характеристики и сопротивление \( R_{DS(\text{on})} \)
Сток N-канального силового транзистора МДП имеет сложную структуру. Он содержит:
- Высоколегированную подложку (\( n^+ \)) для обеспечения омического контакта с выводом стока.
- Низколегированную эпитаксиальную область (\( n^- \)), называемую областью дрейфа.
Именно область дрейфа определяет способность транзистора выдерживать высокое напряжение. При запертом состоянии область пространственного заряда (обедненный слой) распространяется преимущественно в эту низколегированную область \( n^- \). Чем толще эта область и чем выше ее удельное сопротивление, тем большее напряжение пробоя (\( U_{BR} \)) может выдержать прибор.
4.1. Проблема сопротивления открытого канала
Однако за высокое пробивное напряжение приходится платить. Увеличение толщины и сопротивления дрейфовой области неизбежно ведет к росту активного сопротивления транзистора во включенном состоянии (\( R_{DS(\text{on})} \)).
Сопротивление дрейфовой области \( R_D \)
связано с пробивным напряжением эмпирической зависимостью:
Где:
- \( k \approx 8.3 \cdot 10^{-9} \, \text{Ом} \cdot \text{В}^{1/n} \) — коэффициент пропорциональности для кремниевого кристалла площадью 1 см²;
- \( n = 2.4 \div 2.6 \) — показатель степени.
Внимание: Зависимость от напряжения степенная с показателем около 2.5! Это означает, что при попытке удвоить рабочее напряжение транзистора, сопротивление его кристалла (при той же площади) вырастет примерно в \( 2^{2.5} \approx 5.6 \) раз. Это фундаментальное ограничение кремниевых высоковольтных MOSFET.
Пример расчета:
Рассмотрим транзистор МДП, рассчитанный на пробивное напряжение \( U_{BR(DSS)} = 600 \) В. Площадь кристалла \( S = 0.5 \) см².
Используем коэффициенты \( n = 2.4 \) и скорректированный \( k = 1.66 \cdot 10^{-8} \) (с учетом площади).
Расчетное значение сопротивления дрейфовой области составит примерно 0.08 Ом.
Полное сопротивление открытого прибора \( R_{DS(on)} \) складывается из сопротивления канала, сопротивления контактов, сопротивления подложки и, главное, сопротивления дрейфовой области.
- В низковольтных транзисторах (до 100 В) вклад дрейфовой области невелик, и сопротивление распределяется между каналом и дрейфом сопоставимо.
- В высоковольтных транзисторах (вертикальная структура) параметр \( R_{DS(on)} \) практически полностью определяется сопротивлением области дрейфа (\( R_D \)).
Для снижения сопротивления производители идут по пути распараллеливания миллионов элементарных ячеек на одном кристалле. Однако это увеличивает площадь кристалла, его емкости и стоимость. На практике предельные напряжения для эффективных кремниевых MOSFET редко превышают 800-900 В (выше используются IGBT).
5. Оптимизация структуры: UMOS-технология
Для дальнейшего уменьшения размеров и сопротивления была разработана технология с U-образной канавкой (Trench MOS).

Рис. 3. Структура транзистора МДП с U-образной канавкой затвора.
Затвор заглублен в тело полупроводника, что позволяет формировать вертикальные каналы вдоль стенок канавки.
В этой конструкции затвор формируется не на поверхности, а внутри вытравленной канавки (траншеи). Это позволяет:
- Устранить паразитное сопротивление JFET-области (сужение тока между ячейками в планарной структуре).
- Значительно увеличить плотность упаковки каналов на единицу площади кристалла.
- Снизить удельное сопротивление.
Такие монолитные структуры идеальны для низковольтных приложений с огромными токами. Современные транзисторы на 30–100 В могут коммутировать токи 100–300 А и иметь сопротивление \( R_{DS(on)} \) всего в единицы миллиом (и даже меньше 1 мОм).
6. Внутренний (паразитный) диод
Технологическая особенность производства MOSFET — необходимость соединения p-области «тела» транзистора с истоком. Это делается для того, чтобы заблокировать работу паразитного биполярного n-p-n транзистора, который иначе мог бы самопроизвольно открываться и вызывать выход прибора из строя.
Следствием этого соединения является образование встроенного диода между истоком и стоком, включенного встречно-параллельно основному току.

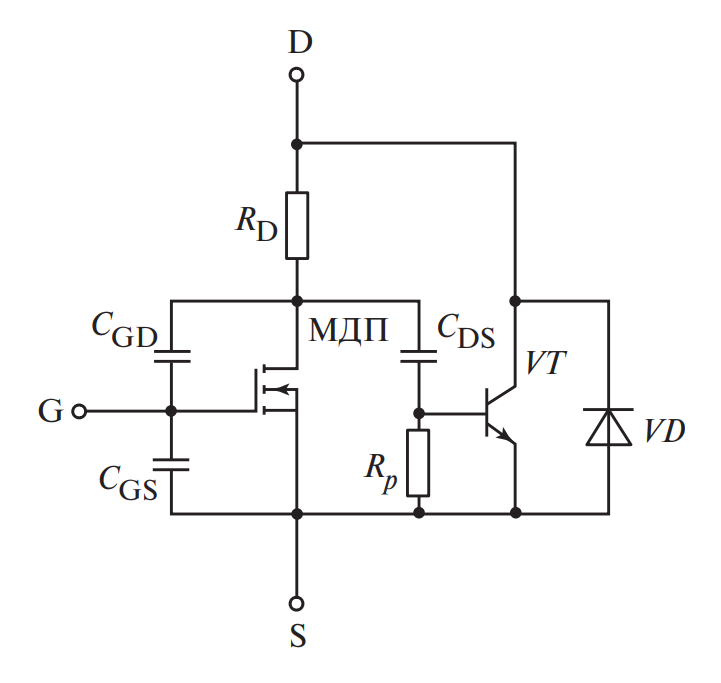
Рис. 4. Эквивалентная схема транзистора МДП.
Обозначения:
VD — внутренний (паразитный) диод;
C_GD — проходная емкость (затвор-сток);
C_GS — входная емкость (затвор-исток);
C_DS — выходная емкость (сток-исток);
R_D — сопротивление дрейфа.
Особенности внутреннего диода:
- Он способен пропускать ток, равный номинальному току транзистора.
- Используется для защиты от обратных напряжений и для рекуперации энергии в индуктивных нагрузках (например, в мостовых схемах).
- Недостаток: Обладает посредственными динамическими характеристиками. Время обратного восстановления (\( t_{rr} \)) может достигать 100 нс и более, что создает большие потери при переключении в схемах жесткой коммутации.
7. Динамические характеристики и переходные процессы
Скорость переключения МДП-транзистора определяется не движением носителей в канале (оно очень быстрое), а скоростью перезаряда паразитных межэлектродных емкостей.
7.1. Емкости транзистора
В справочных листах (datasheets) обычно указывают не физические емкости (\( C_{GS},\; C_{GD},\; C_{DS} \)), а измеренные приведенные параметры:
\begin{cases}
C_{iss} = C_{GS} + C_{GD} & \text{(Входная емкость / Input Capacitance)} \\
C_{rss} = C_{GD} & \text{(Проходная емкость / Reverse Transfer Capacitance)} \\
C_{oss} = C_{DS} + C_{GD} & \text{(Выходная емкость / Output Capacitance)}
\end{cases} \quad (6)
\]
7.2. Переключение на индуктивную нагрузку
Наиболее тяжелым и распространенным режимом работы силового ключа является коммутация индуктивной нагрузки (обмотки двигателей, трансформаторов). Рассмотрим процесс включения и выключения в схеме с индуктивностью, шунтированной обратным диодом.

Рис. 5. Ключ на транзисторе МДП с индуктивной нагрузкой, шунтированной диодом.
В цепи затвора установлен резистор \( R_G \), ограничивающий ток драйвера. \( L \) — индуктивная нагрузка, которая поддерживает ток \( I_n \) постоянным на интервале переключения.
Фаза 1: Задержка включения (\(t_{d(ON)}\))
Начинается с подачи импульса \(E_G\). Напряжение на затворе растет экспоненциально, заряжая емкость \(C_{iss}\) через резистор \(R_G\). Пока напряжение не достигнет порогового уровня \(U_{th}\), ток стока отсутствует. Время задержки рассчитывается как:
t_{d(ON)} = R_G C_{iss} \ln \left( \frac{E_G}{E_G — U_{th}} \right) \quad (7)
\]
Фаза 2: Нарастание тока (\(t_{rI}\))
После превышения порога \(U_{th}\) транзистор открывается, и ток стока начинает расти. При работе на индуктивную нагрузку напряжение на стоке все еще остается равным напряжению питания (диод нагрузки открыт). Время нарастания тока до уровня тока нагрузки \(I_n\):
t_{rI} = \frac{R_G C_{iss} I_n}{E_G S_0} \quad (8)
\]
где \(S_0\) — крутизна передаточной характеристики.
При высокой скорости нарастания тока (\(di/dt\)) проявляется влияние паразитной индуктивности монтажа \(L_s\), вызывающее просадку напряжения на кристалле:
\[
\Delta U = L_s \frac{di}{dt}.
\]
Фаза 3: Спад напряжения и эффект Миллера (\(t_{fU}\))
Как только ток стока достигает значения тока нагрузки, диод закрывается, и напряжение на стоке начинает падать. В этот момент вступает в действие отрицательная обратная связь через емкость \(C_{GD}\) (эффект Миллера). Напряжение на затворе замирает на уровне «плато Миллера» (\(U_{pl} = U_{th} + I_n/S_0\)), а весь ток затвора расходуется на перезарядку емкости \(C_{GD}\).
Время спада напряжения оценивается формулой:
t_{fU} \approx \frac{0.8 R_G C_{GD} E_n}{E_G — \left(U_{th} + \frac{I_n}{S_0}\right)} \quad (9)
\]
где \(E_n\) — напряжение питания силовой цепи.
Фаза 4: Выключение (\(t_{d(OFF)}\) и \(t_{fI}\))
Процесс выключения зеркален. Сначала разряжается входная емкость до напряжения плато Миллера — это задержка выключения \(t_{d(OFF)}\).
t_{d(OFF)} = R_G C_{iss} \ln \left( \frac{E_G}{U_{cr}} \right) \quad (10)
\]
Где \(U_{cr}\) — критическое напряжение (напряжение плато).
Затем происходит нарастание напряжения на стоке (\(t_{rU}\)), и только после этого — спад тока (\(t_{fI}\)).

Рис. 6. Осциллограммы переходного процесса в схеме ключа.
Сверху вниз:
1. Управляющий импульс генератора \(E_G(t)\).
2. Напряжение затвор-исток \(U_{GS}(t)\) — видно характерное «плато Миллера» на уровне \(U_{cr}\).
3. Напряжение сток-исток \(U_{DS}(t)\) — спадает только после окончания нарастания тока.
4. Ток стока \(I_D(t)\) — нарастает линейно в фазе \(t_{rI}\).
8. Сравнение технологий
Сравнительная таблица: MOSFET vs BJT vs IGBT
| Параметр | Биполярный транзистор (BJT) | MOSFET (МДП) | IGBT (БТИЗ) |
|---|---|---|---|
| Управление | Током (базы) | Напряжением (полем) | Напряжением (полем) |
| Входное сопротивление | Низкое | Очень высокое | Очень высокое |
| Быстродействие | Среднее | Очень высокое | Среднее/Высокое |
| Падение напряжения (вкл) | Низкое (Vce_sat) | Зависит от тока (Rds_on * I) | Фиксированное + резистивное |
| Область применения | Устаревшие линейные схемы | ВЧ источники питания, Низкое/Среднее напряжение | Электропривод, Высокое напряжение (>1000В) |
9. Преимущества и недостатки MOSFET
- Плюсы:
- Высокая скорость переключения (сотни кГц и МГц).
- Отсутствие вторичного пробоя (положительный температурный коэффициент сопротивления облегчает параллельное включение).
- Простота управления (почти нулевой статический ток затвора).
- Минусы:
- Резкий рост сопротивления \( R_{DS(\text{on})} \) с увеличением максимального напряжения.
- Чувствительность к статическому электричеству (ESD).
- Проблемный паразитный диод (медленное восстановление).
10. Интересные факты о MOSFET
- Самый массовый объект: MOSFET — это самый производимый объект в истории человечества. Ежегодно выпускаются септиллионы (\( 10^{24} \)) транзисторов (в основном в составе процессоров).
- Закон Мура: Именно уменьшение размеров канала MOSFET лежит в основе закона Мура об удвоении числа транзисторов на кристалле каждые 2 года.
- Космическая защита: Существуют специальные Rad-Hard (радиационно-стойкие) MOSFET для космоса, где обычный оксид кремния быстро накапливает заряд от радиации и транзистор перестает закрываться.
- Парадокс нагрева: В отличие от биполярных транзисторов, MOSFET при нагреве увеличивает свое сопротивление. Это защищает его от «теплового разгона» при параллельном соединении.
- Размер вируса: Длина затвора современных низковольтных транзисторов в процессорах уже сравнима с размером вируса гриппа (единицы нанометров).
- Алмазные перспективы: Ученые экспериментируют с алмазными MOSFET, которые теоретически могут работать при высоких температурах и напряжениях, недоступных кремнию.
- Карбид кремния (SiC): Современная «убийца» кремниевых MOSFET — технология SiC, позволяющая работать при напряжениях свыше 1200В с мизерными потерями.
11. FAQ: Часто задаваемые вопросы
Идеальных проводников не бывает. У открытого транзистора есть сопротивление \( R_{DS(\text{on})} \). Мощность тепловых потерь равна \[P = I^2 \cdot R_{DS(\text{on})}.\]
Даже при сопротивлении 0.01 Ом и токе 50 А выделяется 25 Вт тепла, что требует радиатора.
Теоретически да, если это «Logic Level» транзистор. Но практически — нет. Микроконтроллер не сможет выдать достаточный ток для быстрого заряда емкости затвора, что приведет к затягиванию фронтов и перегреву транзистора. Нужен драйвер затвора.
Это эффект «залипания» напряжения на затворе во время переключения. Из-за паразитной емкости между стоком и затвором изменение напряжения на стоке «мешает» драйверу заряжать затвор, временно останавливая процесс открытия.
Индуктивность не терпит резкого прерывания тока. При закрытии транзистора она создаст выброс напряжения самоиндукции (сотни вольт), который пробьет транзистор. Диод создает путь для протекания этого тока и гасит выброс.
Резистор \( R_G \) (обычно 10-100 Ом) ограничивает ток заряда емкости затвора, защищая выход драйвера, и подавляет высокочастотный «звон» в контуре, образованном индуктивностью ножек и емкостью затвора.
Заключение
Мощные МДП-транзисторы с коротким каналом стали краеугольным камнем современной силовой электроники. Сочетание высокого входного импеданса, отличного быстродействия и тепловой стабильности делает их незаменимыми в диапазоне напряжений до 600-800 В. Понимание физики процессов, происходящих в структуре кристалла — от формирования инверсного слоя до эффекта Миллера — позволяет инженерам грамотно выбирать компоненты, проектировать надежные драйверы и создавать энергоэффективные устройства завтрашнего дня.
Нормативная база
- ГОСТ 20398.1-74 — Транзисторы полевые. Метод измерения модуля полной проводимости прямой передачи
Список литературы
- Зи С. Физика полупроводниковых приборов. — М.: Мир, 1984.
- Семенов Б.Ю. Силовая электроника: от простого к сложному. — М.: СОЛОН-Пресс, 2005.
- International Rectifier (Infineon). Power MOSFET Application Notes (AN-937, AN-944).
