Содержание страницы
- 1. Устройство и принцип действия: Сплав технологий
- 2. Эквивалентная схема замещения
- 3. Статические характеристики: Откуда берется тепло?
- 4. Эффект «Защелкивания»: Ахиллесова пята IGBT
- 5. Динамические характеристики: Скорость имеет значение
- 6. Энергетические потери и расчет тепла
- 7. Поколения IGBT и эволюция технологий
- 8. Сравнение: IGBT против MOSFET
- 9. Преимущества и недостатки
- 10. Интересные факты о IGBT
- 11. FAQ (Часто задаваемые вопросы)
- Заключение
Что такое IGBT? Если отвечать кратко, то это «рабочая лошадка» современной силовой электроники. Аббревиатура расшифровывается как Insulated-Gate Bipolar Transistor — биполярный транзистор с изолированным затвором. Это гибридный полупроводниковый прибор, который объединил в себе лучшие качества двух миров: простоту управления полевых транзисторов и способность коммутировать огромные токи биполярных структур.
До 1980-х годов инженерам приходилось выбирать. Либо использовать биполярные транзисторы (BJT), которые выдерживали высокие напряжения, но требовали громоздких схем управления с большими токами базы, либо полевые транзисторы (MOSFET), которые управлялись легко, но имели высокое сопротивление в открытом состоянии при высоковольтном применении.
Революция произошла в начале 1980-х, когда Б. Джалант Балига (General Electric) и инженеры RCA независимо друг от друга предложили структуру IGBT. Это позволило создать компактные частотные преобразователи, сварочные инверторы и, в конечном итоге, сделало возможным появление современных электромобилей.
Аналогия для понимания
Представьте, что вам нужно открыть тяжелые ворота (пропустить большой ток).
Биполярный транзистор (BJT) — это как тяжелая дверь, которую нужно толкать плечом всё время, пока она открыта. Вам нужно тратить много сил (ток базы), чтобы удерживать её.
Полевой транзистор (MOSFET) — это легкая автоматическая дверь с кнопкой. Нажал (подал напряжение) — она открылась. Но сама дверь хлипкая и не выдержит ураган (высокое напряжение).
IGBT — это огромные стальные ворота, к которым приделали электрический моторчик с кнопкой. Вы нажимаете кнопку (легкое управление затвором), а мощный механизм открывает тяжелые ворота (коммутация огромной мощности).
1. Устройство и принцип действия: Сплав технологий
Интеграция функций полевого управления и биполярной проводимости реализуется в уникальной монолитной структуре IGBT. Чтобы понять, как это работает, необходимо заглянуть внутрь кремниевого кристалла.
1.1. Внутренняя структура
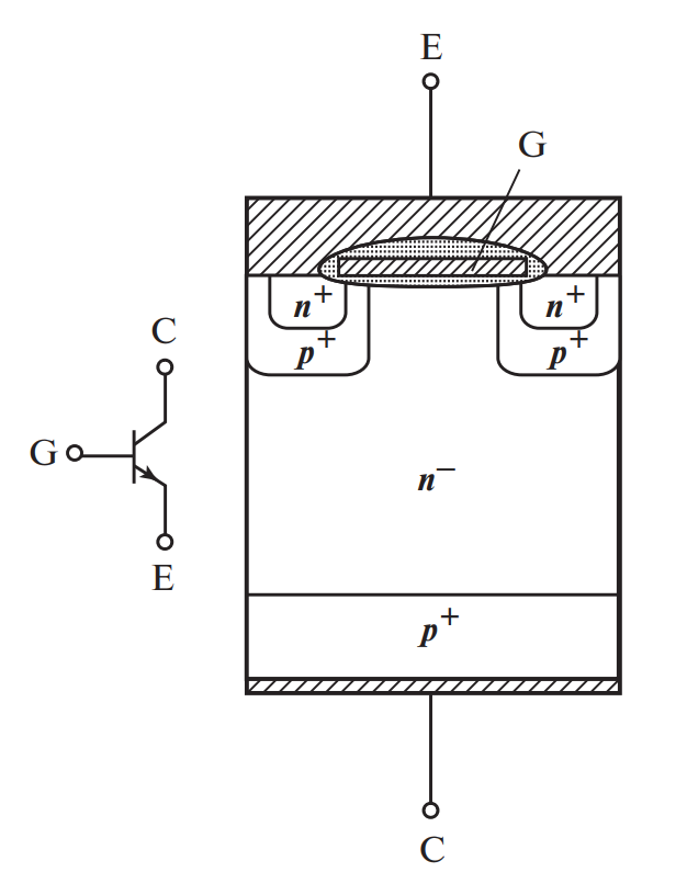
Структура IGBT во многом напоминает мощный МДП-транзистор (MOSFET). Она содержит низколегированный дрейфовый \( n^- \)-слой. Размеры и степень легирования именно этого слоя определяют класс напряжения прибора — то есть максимально допустимое напряжение, которое транзистор может выдержать в закрытом состоянии без пробоя.
На поверхности этого \( n^- \)-слоя сформирована классическая управляющая структура МОП (Металл-Окисел-Полупроводник) с изолированным затвором. Это «мозг» прибора, отвечающий за переключение.
Однако, главное отличие кроется в нижней части. Нижняя сторона дрейфового слоя контактирует с дополнительным высоколегированным \( p^+ \)-слоем дырочного типа проводимости. Именно этот слой превращает обычный полевой транзистор в IGBT.

Рис. 1. Обозначение и структура транзистора IGBT.
а) Условное графическое обозначение; б) Разрез полупроводниковой структуры.
На рисунке показана вертикальная структура: сверху расположен эмиттер и затвор, изолированный окислом кремния. Внизу — коллектор. Ключевая особенность — инжектирующий слой \( p^+ \) на подложке.
1.2. Физика процесса включения
Рассмотрим процесс отпирания IGBT пошагово:
- На затвор подается положительное напряжение относительно эмиттера (обычно +15В).
- Электрическое поле затвора индуцирует (притягивает электроны) канал \( n \)-типа в p-области (канальной области), расположенной непосредственно под затвором.
- Через этот канал образуется электрический контакт между \( n^+ \)-эмиттером структуры и \( n^- \)-дрейфовой областью. Электроны начинают поступать в дрейфовую область.
- Самый важный этап: Положительное смещение на эмиттере внутреннего \( p-n-p \)-транзистора вызывает инжекцию неосновных носителей заряда (дырок) из нижнего высоколегированного \( p^+ \)-слоя в дрейфовую область.
Примечание: Модуляция проводимости
Описанный выше процесс инжекции дырок навстречу потоку электронов приводит к явлению, называемому модуляцией проводимости. Дрейфовая область \( n^- \), которая изначально имеет высокое сопротивление, буквально насыщается носителями заряда (электронно-дырочной плазмой). Её сопротивление падает в десятки и сотни раз.
Именно это позволяет IGBT выдерживать огромные токи при малом падении напряжения, что невозможно для высоковольтных MOSFET.
Таким образом, в монолитной структуре IGBT гениально совмещены функции управления напряжением при высоком входном сопротивлении (ток затвора практически равен нулю в статике) и перенос прямого тока с высокой допустимой плотностью, характерной для биполярных приборов.
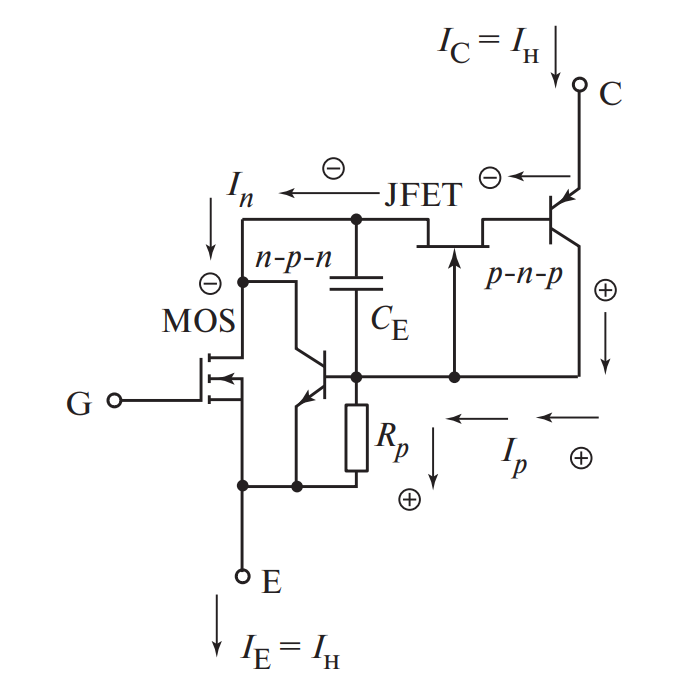
2. Эквивалентная схема замещения
Для инженера важно представлять прибор не только как кусок кремния, но и как схему. Эквивалентная схема IGBT показана на рисунке 2. Это сложная композиция паразитных и активных элементов.

Рис. 2. Эквивалентная схема замещения транзистора IGBT.
Схема демонстрирует внутренние связи: входной полевой транзистор управляет базой мощного высоковольтного биполярного транзистора.
Схема содержит три ключевых компонента:
- Управляющий МДП-транзистор (MOSFET): Обеспечивает высокое входное сопротивление.
- Биполярный \( p-n-p \)-транзистор: Основной силовой элемент, проводящий ток.
- Полевой n-канальный транзистор с управляющим \( p-n \)-переходом (JFET): Образуется конструктивно между ячейками. Он обеспечивает блокирование внешнего напряжения, приложенного к IGBT в закрытом состоянии, эффективно «экранируя» низковольтную МОП-структуру от высокого потенциала коллектора.
Коллекторный ток IGBT (\( I_C \)) фактически имеет две составляющие:
Где основная — электронная составляющая, проходящая по каналам полевых транзисторов, и дырочная составляющая в выходной цепи \( p-n-p \)-транзистора.
Почему структура не идеальна? Падение напряжения на сопротивлениях каналов вызывает отрицательное смещение в цепи коллектор—база внутреннего \( p-n-p \)-транзистора, переводя его в активный режим работы. Этот факт является главной причиной повышенного напряжения насыщения в структуре монолитного IGBT по сравнению с тиристорами. Смещенный в обратном направлении коллекторный переход обеспечивает интенсивный захват дырок из базовой области, несколько увеличивая её сопротивление.
3. Статические характеристики: Откуда берется тепло?
Самый важный вопрос для практика: насколько сильно будет греться транзистор? Ответ кроется в параметре \( U_{CE(sat)} \) — напряжение насыщения.
Представьте, что ток, протекающий через IGBT, — это бегун, преодолевающий полосу препятствий. Каждое препятствие отнимает у него энергию, превращая её в тепло. Чем больше препятствий, тем горячее будет прибор.
Просто о сложном: Три барьера для тока
В отличие от полевого транзистора (MOSFET), который работает просто как резистор (чем толще канал, тем легче току), внутри IGBT ток вынужден преодолеть последовательно три разных физических барьера:
- «Турникет» (PN-переход): Ток должен сначала «открыть» внутренний диод. На это тратится фиксированная энергия (около 0.7–1.0 В), даже если ток совсем маленький.
- «Узкая дверь» (Канал MOSFET): Ток должен протиснуться через канал управления. Здесь потери зависят от того, насколько широко мы «открыли дверь» (напряжение на затворе).
- «Вязкое болото» (Дрейфовая область): Самый длинный участок пути через толщу кремния. К счастью, благодаря эффекту модуляции (насыщения дырками), это «болото» становится более проходимым при больших токах.
Итог: Напряжение насыщения — это сумма потерь на всех трех этапах.
Для инженеров и разработчиков важно уметь точно рассчитать эти потери, чтобы выбрать правильный радиатор. Ниже приведена математическая модель, описывающая физику этого процесса.
3.1. Математическая модель
Полная формула для расчета напряжения насыщения объединяет логарифмическую зависимость PN-перехода и омические потери на сопротивлениях материалов:
Где:
- \( \phi_T \) — тепловой потенциал (при комнатной температуре \( T=300K \) составляет примерно \( 0.026 \) В);
- \( I_C \) — полный ток коллектора;
- \( I_S \) — ток насыщения (утечки) перехода;
- \( \alpha_{pnp} \) — коэффициент передачи тока внутреннего \( p-n-p \)-транзистора;
- \( r_{MOS} \) — сопротивление канала управляющей МОП-структуры;
- \( r_{n^-} \) — сопротивление промодулированного \( n^- \)-дрейфового слоя.
Пример расчета
Проведем расчет напряжения насыщения для мощного IGBT транзистора на класс напряжения 1200 В при рабочем токе 100 А. Рассчитаем каждое слагаемое отдельно, чтобы понять вклад каждого элемента структуры.
Дано:
- Ток коллектора: \( I_C = 100 \) А
- Ток насыщения перехода: \( I_S = 7,0 \cdot 10^{-14} \) А
- Коэффициент передачи тока: \( \alpha_{pnp} = 0,2 \)
- Сопротивление канала МОП: \( r_{MOS} = 7,1 \) мОм (\( 0,0071 \) Ом)
- Сопротивление дрейфового слоя: \( r_{n^-} = 15 \) мОм (\( 0,015 \) Ом)
- Тепловой потенциал: \( \phi_T \approx 0,0259 \) В
Шаг 1. Расчет падения напряжения на p-n переходе (диодная часть)
$$ U_{pn} = 0,0259 \cdot \ln \left( \frac{100}{7,0 \cdot 10^{-14}} \right) $$
$$ U_{pn} = 0,0259 \cdot \ln(1,428 \cdot 10^{15}) \approx 0,0259 \cdot 34,89 \approx \mathbf{0,904 \text{ В}} $$
Шаг 2. Расчет падения напряжения на канале МОП-транзистора
Здесь важно учесть, что через канал течет не весь ток, а лишь его часть, уменьшенная на величину тока, протекающего через биполярную часть (коэффициент \( 1 — \alpha \)):
$$ U_{MOS} = 100 \cdot (1 — 0,2) \cdot 0,0071 = 100 \cdot 0,8 \cdot 0,0071 = \mathbf{0,568 \text{ В}} $$
Шаг 3. Расчет падения на дрейфовом слое
$$ U_{drift} = 100 \cdot 0,015 = \mathbf{1,500 \text{ В}} $$
Шаг 4. Итоговое суммирование
Анализ результата: Расчетное значение (2,97 В) практически совпадает с типовым справочным значением (2,94 В), указанным в документации.
Вывод по теплу:
Мощность тепловых потерь составит \( P = U \cdot I = 2,97 \text{ В} \cdot 100 \text{ А} = \mathbf{297 \text{ Вт}} \).
Именно поэтому транзистор размером со спичечный коробок требует радиатора весом в несколько килограммов. Основной вклад в потери (более 50%) в данном случае вносит высокоомный дрейфовый слой (\( U_{drift} = 1,5 \) В).
4. Эффект «Защелкивания»: Ахиллесова пята IGBT
У любой мощной технологии есть свои слабости. Для IGBT это паразитная тиристорная структура. Взгляните на разрез транзистора еще раз. Мы видим последовательность слоев: \( n^+ \) (эмиттер) — \( p \) (тело) — \( n^- \) (дрейф) — \( p^+ \) (коллектор). Это образует структуру \( n-p-n-p \), то есть тиристор.
4.1. Механизм возникновения
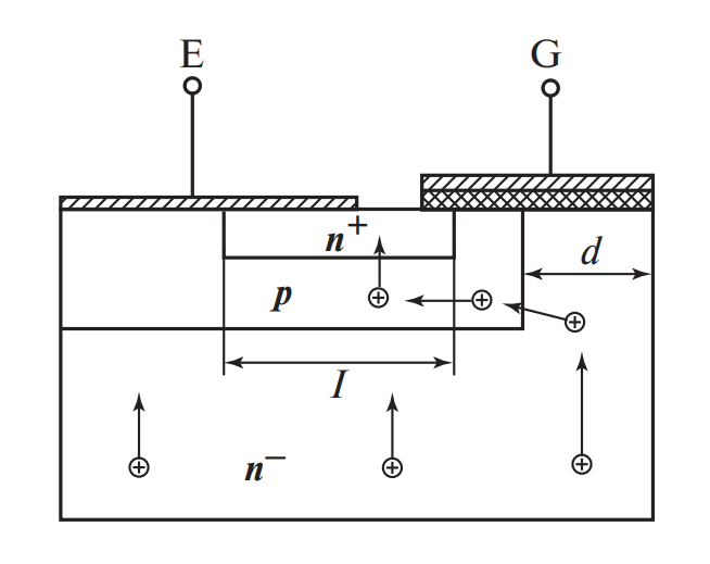
Захваченный коллекторным переходом \( n-p-n \)-транзистора поток дырок протекает не сразу в эмиттерный контакт, а вдоль продольного сопротивления участка p-слоя, расположенного непосредственно под \( n^+ \)-слоем эмиттера (см. рис. 3).

Рис. 3. Область структуры транзистора IGBT под \( n^+ \)-эмиттером.
Показан путь протекания дырочного тока под эмиттерной областью \( n^+ \). Падение напряжения на сопротивлении \( R_p \) может сместить переход в прямом направлении.
В режимах перегрузки по току, когда плотность дырочного тока достигает критической величины, происходит следующее:
- Падение напряжения на продольном сопротивлении p-слоя превышает порог открывания (около 0.6-0.7 В).
- Паразитный переход \( n^+ — p \) смещается в прямом направлении.
- В работу вступает паразитный \( n-p-n \)-транзистор.
- Поскольку этот паразитный транзистор и основной \( p-n-p \) транзистор образуют петлю положительной обратной связи (триггерную схему), происходит лавинообразное открытие.
Возникает так называемый эффект «защелкивания» (Latch-up). В этом состоянии IGBT перестает реагировать на напряжение затвора. Даже если вы подадите -15В на затвор, транзистор останется открытым до тех пор, пока внешний ток не прервется или (что чаще) прибор не сгорит от перегрева.
4.2. Критический ток защелкивания
Значение тока коллектора, при котором происходит катастрофа, определяется формулой:
где:
\( S \) — активная площадь кристалла;
\( R^*_p \) — удельное сопротивление p-слоя (базы);
\( l \) — ширина полоски \( n^+ \)-слоя эмиттера;
\( d \) — полуширина подзатворной области.
Инженерный пример
Для структуры на 1200В и 100А с параметрами: \( S = 1 \) см\(^2\), \( R^*_p = 13 \) кОм, \( l = 6 \) мкм, \( d = 5 \) мкм — критический ток составляет около 500 А.
Это означает, что транзистор имеет 5-кратный запас по току до потери управления. Это хороший показатель надежности (SCSOA — Short Circuit Safe Operating Area).
4.3. Способы борьбы с защелкиванием
Исходя из формулы критического тока, инженеры применяют следующие методы для повышения устойчивости IGBT:
- Снижение удельного сопротивления p-слоя: Высокое легирование области под эмиттером.
- Уменьшение ширины эмиттера (\( l \)): Наиболее эффективный метод. Современные технологии позволяют делать этот размер субмикронным.
- Внедрение ячеистой структуры (Cellular design): Разбиение эмиттера на тысячи мелких ячеек вместо сплошной полосы.
- Использование Trench-Gate технологии: Вертикальный затвор устраняет паразитное сопротивление JFET и оптимизирует распределение токов.
5. Динамические характеристики: Скорость имеет значение
IGBT не является идеально быстрым ключом. Динамика его переключения сложнее, чем у MOSFET, из-за наличия неосновных носителей заряда (дырок) в базе.
5.1. Хвостовой ток (Current Tail)
При выключении первым запирается канал МОП-транзистора, разрывая цепь электронов. Однако, в дрейфовом слое накоплен огромный заряд дырок. Базовый вывод внутреннего \( p-n-p \)-транзистора оказывается «висящим в воздухе».
Накопленный заряд не может исчезнуть мгновенно. Он рассасывается только благодаря процессу рекомбинации. Это порождает характерный «хвост» тока на графике выключения (см. рис. 4).

Рис. 4. Диаграммы переключения IGBT.
Слева: Ток коллектора при выключении (виден «хвост»). Справа: Напряжение при включении (динамическое насыщение).
Время существования «хвоста» составляет от 3 до 5 времен жизни носителей (\( \tau_B \)) и может длиться от 200 нс до нескольких микросекунд. Начальная амплитуда тока хвоста \( I_t(0) \) оценивается по формуле:
где \( D \) — коэффициент амбиполярной диффузии (для кремния ок. 20 см\(^2\)/с или 2000 мкм\(^2\)/мкс), а \( W_n \) — эффективная ширина базы, зависящая от напряжения.
5.2. Динамическое насыщение
В переходном процессе включения напряжение на транзисторе падает не мгновенно до нуля. Наблюдается стадия «динамического насыщения»: напряжение быстро снижается, но затем кратковременно «зависает» на уровне 10–50 В (вместо положенных 2–3 В).
Физика процесса: Это связано с инерционностью процесса модуляции проводимости. Дрейфовой области транзистора требуется время (сотни наносекунд), чтобы наполниться носителями заряда и снизить свое сопротивление.
Важно:
Пока длится этот процесс, через транзистор уже течет большой ток нагрузки, а напряжение все еще остается повышенным (десятки вольт).
Это приводит к всплеску выделяемой мгновенной мощности. Именно этот эффект вносит основной вклад в энергию потерь при включении (\( E_{on} \)), которую необходимо учитывать при тепловом расчете радиатора.
6. Энергетические потери и расчет тепла
В силовой электронике всё упирается в тепло. Потери в IGBT делятся на статические (проводимость) и динамические (коммутация).
Наибольший интерес представляет оценка динамических потерь \( W_{dyn} \).
В документации (Datasheet) производители указывают энергии \( E_{on} \) (включение) и \( E_{off} \) (выключение) при определенных тестовых условиях. Для реальной схемы используется формула пересчета:
Где показатель степени \( n \) обычно лежит в диапазоне 1.5…1.8. Это говорит о том, что потери растут быстрее, чем линейно, с увеличением напряжения питания.
7. Поколения IGBT и эволюция технологий
Технология не стоит на месте. Развитие шло по пути снижения потерь и увеличения устойчивости.
| Поколение | Технология | Особенности | Применение |
|---|---|---|---|
| 1-2 (1980-е) | PT (Punch Through) | Эпитаксиальный рост, наличие «хвоста» тока, паразитный тиристор сильно мешал. | Устарели |
| 3 (1990-е) | PT / NPT (Non-Punch Through) | Планарный затвор. Прямоугольная зона безопасной работы (RBSOA). | Приводы двигателей (старые серии) |
| 4 (2000-е) | Trench-Gate | Канавочный (вертикальный) затвор. Снижение \( V_{CE(sat)} \) за счет устранения JFET-области. Высокая плотность ячеек. | Бытовая техника, инверторы |
| 5-7 (Современные) | Field Stop (FS), CSTBT | Слой остановки поля. Тонкие пластины (Thin Wafer). Оптимальный баланс между проводимостью и переключением. | Электромобили, Ветроэнергетика, Солнечные инверторы |
Примечание: Современные приборы 5-го поколения (и новее), такие как SPT-IGBT (Soft Punch Through) и FS-IGBT, используют сверхтонкие пластины без эпитаксии, что резко снижает стоимость и улучшает теплоотвод.
8. Сравнение: IGBT против MOSFET
Вечный вопрос силовой электроники: что выбрать — полевой транзистор (MOSFET) или биполярный с изолированным затвором (IGBT)? Оба прибора управляются напряжением и имеют изолированный затвор, но физика их работы кардинально отличается.
Таблица сравнения характеристик
| Характеристика | MOSFET (Полевой) | IGBT (Биполярный с изол. затвором) |
|---|---|---|
| Тип носителей | Униполярный (только электроны или дырки). | Биполярный (электроны и дырки). |
| Главный плюс | Огромная скорость переключения. | Способность коммутировать огромные токи и напряжения. |
| Падение напряжения | Резистивное (\( R_{DS(on)} \)). Линейно зависит от тока. При больших токах потери растут квадратично (\( P = I^2 R \)). | Диодное (\( V_{CE(sat)} \)). Почти постоянно (около 2В). При больших токах потери растут линейно (\( P \approx U \cdot I \)). |
| Скорость работы | Очень высокая (от 100 кГц до МГц). | Средняя (обычно до 20–50 кГц). Ограничена «хвостом» тока. |
| Рабочее напряжение | Идеальны для низких напряжений (< 250 В). При высоком напряжении сопротивление канала резко растет. | Идеальны для высоких напряжений (> 600 В). |
| Встроенный диод | Есть (технологический паразитный диод), но часто медленный. | Нет (в самой структуре). Обычно быстрый диод монтируется в тот же корпус отдельным кристаллом (Co-pack). |

Рис. 5. Области применения.
График показывает, что MOSFET доминируют в области высоких частот и низких напряжений, а IGBT — в области высоких напряжений и больших токов.
Как сделать выбор?
Выбор компонента зависит от двух главных факторов: напряжения питания и частоты переключения.
- Выбирайте MOSFET, если:
- Напряжение в схеме ниже 250 В (блоки питания компьютеров, зарядки, низковольтные приводы).
- Требуется частота переключения выше 100 кГц.
- Нужна работа при малых токах нагрузки (здесь MOSFET выигрывает за счет отсутствия падения напряжения 0.7В).
- Выбирайте IGBT, если:
- Напряжение в схеме выше 600 В (электропривод 380В, сварочные инверторы, электротранспорт).
- Частота переключения ниже 20-30 кГц.
- Ожидаются большие рабочие токи (сотни ампер). Здесь \( V_{CE(sat)} \) дает меньшие тепловые потери, чем \( R_{DS(on)} \).
Зона неопределенности: В диапазоне напряжений 400–600 В выбор неочевиден и зависит от конкретной топологии схемы и требований к КПД.
9. Преимущества и недостатки
✅ Преимущества
- Высокое входное сопротивление: Управляется напряжением, драйверы компактны.
- Высокая токовая нагрузка: Доступны модули на токи до 3600 А и напряжения до 6500 В.
- Низкое падение напряжения: По сравнению с высоковольтными MOSFET.
- Устойчивость к КЗ: Многие современные IGBT выдерживают короткое замыкание в течение 10 мкс.
❌ Недостатки
- Наличие «хвоста» тока: Ограничивает частоту переключения (обычно до 20-30 кГц, редко до 100 кГц).
- Отсутствие встроенного обратного диода: (В отличие от MOSFET). Однако в модули часто встраивают отдельный быстрый диод (Co-pack).
- Эффект защелкивания: Теоретическая возможность потери управления при сверхтоках.
10. Интересные факты о IGBT
- Электротранспорт: Именно IGBT сделали возможным создание Tesla и поезда «Сапсан». Без них инверторы были бы слишком громоздкими.
- Звук троллейбуса: Характерный высокий писк при разгоне современного троллейбуса или электропоезда — это «пение» обмоток двигателя на частоте ШИМ-модуляции IGBT (обычно 2-4 кГц).
- Борьба с теплом: Плотность теплового потока в кристалле IGBT может превышать плотность потока на поверхности Солнца (в пересчете на площадь активной зоны в момент КЗ).
- Гибридность: Это единственный массовый прибор, который использует физику и биполярных, и полевых транзисторов одновременно.
- Размеры: Один кристалл размером с ноготь (1 см²) способен коммутировать мощность, достаточную для питания целого коттеджа (100А * 600В = 60 кВт).
- Война форматов: В 90-х годах шла битва между GTO-тиристорами и IGBT за железные дороги. IGBT победили благодаря простоте управления.
- SiC революция: Сейчас у кремниевых IGBT появился серьезный конкурент — карбид кремния (SiC), который работает быстрее и при более высоких температурах.
11. FAQ (Часто задаваемые вопросы)
Заключение
Транзистор IGBT по праву считается краеугольным камнем современной энергетики. Объединив в себе низкие потери биполярных структур и удобство управления полевых транзисторов, он позволил создать эффективные, компактные и надежные преобразователи энергии. Понимание физических процессов, таких как модуляция проводимости, эффект защелкивания и динамическое насыщение, необходимо любому инженеру для грамотного выбора и применения этих приборов. Несмотря на появление новых материалов (SiC, GaN), кремниевые IGBT остаются наиболее экономически эффективным решением для мощностей от единиц киловатт до мегаватт.
Нормативная база
- ГОСТ IEC 60747-9-2019 — Приборы полупроводниковые. Часть 9. Транзисторы биполярные с изолированным затвором (IGBT). (Идентичен международному стандарту IEC 60747-9:2019). Это основной документ, регламентирующий терминологию и методы измерений.
- ГОСТ 20859.1-89 — Приборы полупроводниковые силовые. Термины и определения.
Список рекомендуемой литературы:
- Б. Дж. Балига. «Силовые полупроводниковые приборы». Москва, Техносфера, 2010. (Фундаментальная «библия» от создателя IGBT).
- Флоренцев С.Н. «Силовая электроника. Современное состояние и перспективы развития».
- Application Notes (Руководства по применению) от ведущих производителей: Infineon, Semikron, Mitsubishi Electric.
