Содержание страницы
Биполярный транзистор с изолированным затвором (IGBT — Insulated-Gate Bipolar Transistor) — это «рабочая лошадка» современной силовой электроники. Представьте себе гибрид, который взял лучшие качества от двух родителей: высокое входное сопротивление и простоту управления от полевого транзистора (MOSFET) и способность коммутировать огромные токи с малыми потерями от биполярного транзистора (BJT).
Появившись в 1980-х годах, IGBT совершили революцию в преобразовательной технике, вытеснив громоздкие тиристоры и неэффективные биполярные транзисторы из диапазона средних и высоких мощностей. Они управляют поездами, электромобилями, индукционными печами и ветрогенераторами.
Однако IGBT не одинаковы. Существует две фундаментально разные технологии их изготовления, определяющие их характеристики, надежность и сферу применения:
- PT-IGBT (Punch-Through) — сквозной пробой, или эпитаксиальная технология.
- NPT-IGBT (Non-Punch-Through) — без сквозного пробоя, или гомогенная (однородная) технология.
В данной статье мы подробно разберем, как атомная структура подложки влияет на то, сгорит ли транзистор при коротком замыкании и насколько сильно он будет греться при работе.
1. Эпитаксиальные структуры: Технология PT-IGBT
1.1. Особенности производства: «Слоеный пирог»
Транзисторы структуры PT-IGBT исторически появились первыми. Их название связано с технологией изготовления, основанной на процессе эпитаксии. Эпитаксия — это процесс наращивания монокристаллических слоев на подложку, при котором кристаллическая решетка нарастающего слоя повторяет структуру подложки.
Основой (фундаментом) для такого транзистора служит толстая, механически прочная пластина сильнолегированного кремния p-типа проводимости (обозначается как \( p^+ \)). Толщина этой подложки обычно составляет несколько сотен микрон, и она выполняет роль коллектора (в терминологии IGBT часто говорят «коллектор», хотя физически это анодная область).
1.2. Архитектура слоев PT-IGBT
На \( p^+ \)-подложке последовательно выращиваются два ключевых слоя (см. Рис. 1):
- Буферный слой (\( n^+ \)): Тонкий слой (около 15 мкм) с высокой концентрацией электронов.
- Дрейфовый слой (\( n^- \)): Высокоомный слой с низкой концентрацией примесей. Именно здесь происходит падение высокого напряжения, когда транзистор закрыт.
Размеры дрейфового слоя (\( n^- \)) напрямую зависят от требуемого класса напряжения прибора. Для транзисторов на 600–1200 В толщина этого слоя составляет 100–120 мкм. Сверху на этом «пироге» формируется стандартная ячеистая структура управляющего затвора (МОП-структура), аналогичная мощным полевым транзисторам.

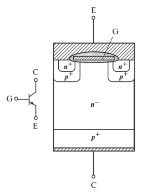
Рис. 1. Структура транзистора PT—IGBT (Эпитаксиальная технология).
Описание схемы: Основой служит массивная \( p^+ \)-подложка. На ней расположен буферный слой \( n^+ \), поверх которого выращен дрейфовый слой \( n^- \). В верхней части структуры сформированы области \( p^+ \) и \( n^+ \), образующие эмиттер и канал, а также изолированный затвор. Контакт коллектора (EGC) расположен снизу.
1.3. Роль буферного слоя \( n^+ \)
Наличие буферного слоя — это «визитная карточка» PT-технологии. Зачем он нужен?
- Контроль электрического поля: В закрытом состоянии электрическое поле распространяется через дрейфовый слой. Форма поля имеет вид трапеции. Буферный слой \( n^+ \) резко останавливает распространение поля, не давая ему достичь \( p^+ \)-коллектора. Это явление называется «смыканием» или «проколом» (Punch-Through), но благодаря буферу пробой предотвращается контролируемым образом. Это позволяет сделать дрейфовый слой \( n^- \) тоньше, а значит, снизить потери проводимости.
- Регулировка инжекции дырок: Уровень легирования \( n^+ \)-слоя определяет, насколько эффективно дырки (положительные носители заряда) инжектируются из подложки в базу. Это критически важно для управления временем жизни носителей заряда.
- Борьба с эффектом защелкивания (Latch-up): Внутри любого IGBT паразитно существует тиристорная структура \( p-n-p-n \). Если ток превысит критическую плотность, этот тиристор может самопроизвольно открыться («защелкнуться»), и транзистор перестанет управляться затвором, что приведет к его тепловому разрушению. Буферный слой помогает повысить порог этого тока.
1.4. Недостатки PT-технологии
Главный минус эпитаксиальных приборов — высокая стоимость производства (выращивание слоев — дорогой процесс) и специфические тепловые характеристики. Остаточный ток («хвост» тока при выключении) сильно зависит от температуры. Чем горячее кристалл, тем дольше он выключается и тем выше потери энергии \( E_{off} \). Это затрудняет параллельное включение таких приборов.
2. Гомогенные структуры: Технология NPT-IGBT
2.1. Однородность как преимущество
В 1990-х годах развитие технологии производства сверхчистого кремния (Float Zone Silicon) позволило создать NPT-IGBT (Non-Punch-Through). Здесь подход кардинально меняется.
Вместо выращивания слоев на толстой подложке, берется гомогенная (однородная) пластина слаболегированного кремния \( n^- \)-типа. Эта пластина и является дрейфовым слоем. Ее толщина для приборов на 1200 В составляет порядка 200 мкм, что почти в два раза больше, чем дрейфовый слой у PT-IGBT.
2.2. Технологический процесс NPT
Процесс изготовления выглядит так:
- Берется пластина \( n^- \)-типа (будущая база).
- На верхней стороне формируется МОП-структура затвора и эмиттера.
- Пластина шлифуется снизу до нужной толщины (очень тонкая операция!).
- С обратной стороны методом ионной имплантации создается тонкий слой эмиттера \( p^+ \).

Рис. 2. Структура транзистора NPT—IGBT (Гомогенная технология).
Описание схемы: Основу составляет широкий однородный слой \( n^- \). Буферный слой отсутствует. Снизу методом ионного легирования сформирован тонкий слой коллектора \( p^+ \). Верхняя структура (затвор, эмиттер) аналогична PT-типу. Контакт коллектора обозначен как EGC.
2.3. Физика работы без буфера
В NPT-структуре нет буферного слоя \( n^+ \). Как же обеспечивается стойкость к пробою?
- Треугольное поле: Электрическое поле в дрейфовой базе имеет треугольную форму. Чтобы поле успело затухнуть до достижения коллектора (чтобы не произошел прокол), базу приходится делать существенно толще.
- Высокое напряжение насыщения: Из-за более толстой базы сопротивление открытого канала выше, следовательно, падение напряжения \( V_{CE(sat)} \) у NPT-транзисторов выше, чем у PT.
2.4. Ключевые преимущества NPT-IGBT
1. Устойчивость к короткому замыканию (SCSOA): Благодаря толстой базе и отсутствию огромного коэффициента усиления \( p-n-p \) транзистора, NPT-структуры могут выдерживать режим короткого замыкания в течение до 10 мкс, что дает драйверу управления время на обнаружение аварии и безопасное отключение.
2. Положительный температурный коэффициент: Это важнейшее свойство. При нагреве сопротивление канала растет, и ток уменьшается. Это позволяет легко соединять NPT-транзисторы параллельно. Если один транзистор перегреется, он «возьмет» на себя меньше тока, и нагрузка перераспределится на более холодные. PT-транзисторы, напротив, склонны к тепловому разгону при параллельном включении.
3. Стабильный «хвост» тока: При выключении остаточный ток (tail current) длится дольше (единицы микросекунд), но его амплитуда мала, и главное — она не зависит от температуры. Это делает потери при переключении предсказуемыми.
3. Сравнительный анализ PT и NPT технологий
Для наглядности сведем основные характеристики в таблицу. Это поможет инженерам и студентам быстрее выбрать подходящий тип прибора.
| Характеристика | PT-IGBT (Эпитаксиальный) | NPT-IGBT (Гомогенный) |
|---|---|---|
| Структура подложки | Толстая \( p^+ \) подложка + эпитаксия | Тонкая однородная \( n^- \) пластина (Float Zone) |
| Буферный слой | Есть (\( n^+ \)) | Отсутствует |
| Напряжение насыщения \( V_{CE(sat)} \) | Низкое (тонкая база) | Выше (толстая база) |
| Температурный коэффициент | Отрицательный (риск теплового пробоя) | Положительный (легкое парал. включение) |
| Потери переключения (\( E_{off} \)) | Растут с температурой | Почти не зависят от температуры |
| Стойкость к КЗ | Низкая | Высокая (до 10 мкс) |
| Стоимость производства | Высокая | Более низкая |
4. Математическое описание потерь
Понимание потерь мощности необходимо для расчета теплоотвода. Общие потери \( P_{tot} \) складываются из потерь проводимости и потерь переключения.
Падение напряжения на открытом транзисторе можно аппроксимировать формулой:
Где:
\( V_{PN} \) — падение на p-n переходе (около 0.7 — 1.0 В),
\( R_{drift} \) — сопротивление дрейфовой области (у NPT оно выше из-за толщины \( W \)),
\( V_{MOS} \) — падение на канале МОП-структуры.
Сопротивление дрейфовой области зависит от толщины базы \( W \) и подвижности носителей \( \mu \):
Именно квадрат толщины \( W^2 \) показывает, почему разработчики так стремятся сделать базу тоньше (как в PT), но вынуждены делать ее толще в NPT для удержания напряжения пробоя.
5. Интересные факты об IGBT
- Битва патентов. Концепция IGBT была предложена разными учеными в конце 70-х, но практическую реализацию и коммерческий успех обеспечил Б. Джаянт Балига, работавший в General Electric. В то же время похожие разработки вели инженеры в СССР, но термин IGBT закрепился за западной школой.
- Скорость против Мощности. Первые IGBT были очень медленными и имели большие потери при выключении («хвосты» тока), из-за чего их называли «медленными тиристорами». Современные IGBT работают на частотах до 100 кГц, вплотную приближаясь к MOSFET.
- Эволюция до FS-IGBT. Современные транзисторы часто используют технологию Field Stop (FS), которая объединяет плюсы PT и NPT: тонкая пластина (как у NPT) с «останавливающим полем» слоем (как у PT), но без дорогой эпитаксии.
- Космические частицы. Высоковольтные IGBT чувствительны к космическому излучению. Одиночная тяжелая частица, попав в структуру под высоким напряжением, может вызвать лавинный пробой и выход прибора из строя даже в выключенном состоянии.
- Трамваи и IGBT. Характерный «писк» при разгоне и торможении современных трамваев и поездов метро — это звук магнитострикции в дросселях двигателя, вызванный ШИМ-модуляцией IGBT-инвертора на частоте несколько килогерц.
- Парадокс размера. Один мощный IGBT модуль размером с обувную коробку может коммутировать мощность, достаточную для энергоснабжения целого многоквартирного дома.
- «Умные» модули (IPM). Современные IGBT часто выпускаются в виде интеллектуальных силовых модулей, где драйвер затвора и схемы защиты встроены прямо в корпус транзистора.
6. FAQ: Часто задаваемые вопросы
О: Для сварочных инверторов, работающих на частотах 30-50 кГц, часто предпочитают современные версии PT или Field Stop транзисторов из-за меньших потерь на переключение. Однако NPT надежнее при жестких режимах работы и перегрузках.
О: При перегреве ток утечки растет, что вызывает еще больший нагрев. В NPT структуре этот процесс самостабилизируется, а в старых PT может произойти «защелкивание» паразитного тиристора — транзистор открывается неуправляемо и сгорает от сверхтока.
О: Обычно да, но нужно учитывать схему управления (драйвер). У NPT транзисторов часто выше заряд затвора и другое напряжение насыщения. Также нужно проверить «dead time» (мертвое время), так как хвост тока выключения может отличаться.
О: Это остаточный ток коллектора после выключения затвора. Он возникает из-за того, что неосновные носители заряда, накопленные в базе, не могут исчезнуть мгновенно — им нужно время на рекомбинацию. Это главный источник потерь при выключении \( E_{off} \).
О: Ресурс определяется термоциклированием. Механические напряжения из-за разного расширения кремния и медной подложки со временем разрушают пайку. Современные модули выдерживают миллионы циклов «нагрев-остывание».
Заключение
Выбор между PT и NPT технологиями — это всегда поиск компромисса. Эпитаксиальные PT-IGBT обеспечивают низкое напряжение насыщения при тонкой базе, но дороги в производстве и сложны в параллельном включении. Гомогенные NPT-IGBT предлагают непревзойденную надежность, устойчивость к коротким замыканиям и простоту масштабирования мощности, но имеют более толстую базу и чуть большие потери проводимости.
Сегодня эволюция продолжается в сторону технологий Trench-Gate и Field-Stop, которые стремятся объединить лучшие качества рассмотренных нами классических структур.
Нормативная база
- ГОСТ IEC 60747-9-2019 — Приборы полупроводниковые. Часть 9. Транзисторы биполярные с изолированным затвором (IGBT). (Идентичен международному стандарту IEC 60747-9:2019). Основной документ, регламентирующий терминологию и методы испытаний.
- ГОСТ 20859.1-89 — Приборы полупроводниковые силовые. Термины и определения.
Рекомендуемая литература:
- Б. Джаянт Балига. «Эволюция силовой электроники: IGBT». Техносфера, Москва.
- Семенов Б.Ю. «Силовая электроника: от простого к сложному». Солон-Пресс.
- Флоренцев С.Н. «Силовые IGBT-модули: материалы и конструкции».
