Содержание страницы
- 1. Проблематика высоких напряжений и структура транзистора
- 2. Расчет параметров высоковольтной структуры
- 3. Статические режимы: Насыщение и потери
- 4. Динамические характеристики и быстродействие
- 5. Эффекты квазинасыщения и эффект Кирка
- 6. Эффект вытеснения тока эмиттера
- 7. Схемотехнические решения улучшения характеристик
- 8. Сравнительная таблица: BJT, MOSFET и IGBT
- 9. Преимущества и недостатки силовых BJT
- 10. Интересные факты о биполярных транзисторах
- 11. FAQ: Часто задаваемые вопросы
- Заключение
История биполярного транзистора началась в 1947 году в лабораториях Bell Labs, где физики Уильям Шокли, Джон Бардин и Уолтер Браттейн продемонстрировали первый точечный транзистор. Это открытие, удостоенное Нобелевской премии, навсегда изменило мир электроники. Однако переход от первых германиевых приборов к мощным кремниевым ключам, способным управлять киловаттами энергии, занял десятилетия. Современные силовые BJT — это вершина инженерной мысли в области физики твердого тела, сочетающая в себе компромиссы между быстродействием, высоковольтностью и эффективностью управления.
В данном материале мы глубоко разберем физику работы высоковольтных транзисторов, проблемы их быстродействия, схемотехнические решения для улучшения характеристик и тонкости проектирования.
1. Проблематика высоких напряжений и структура транзистора
При проектировании силовой электроники инженеры сталкиваются с фундаментальным противоречием. С одной стороны, для обеспечения высоких рабочих напряжений (сотни и тысячи вольт) требуется широкая база и коллекторная область. С другой стороны, для обеспечения быстродействия и высокого коэффициента усиления эти слои должны быть максимально тонкими.
1.1. Конфликт частоты и напряжения
В классической структуре \( n^+ — p — n^+ \) с тонкой базой приложение высокого напряжения приведет к так называемому «проколу» базы — смыканию областей обеднения эмиттера и коллектора. Если же сделать базу толстой, резко ухудшаются частотные свойства прибора, в частности, предельная частота усиления \( f_t \).
Предельная частота \( f_t \), при которой коэффициент усиления тока падает до единицы, определяется выражением:
где:
- \( |h_{21Э}| \) — модуль коэффициента усиления тока (справочный параметр);
- \( f \) — частота измерения параметра.
Снижение \( f_t \) критично для ключевых режимов работы, так как это напрямую увеличивает динамические потери при переключении.
1.2. Дрейфовая структура \( n^+ — p — n^- — n^+ \)
Для разрешения этого противоречия силовые биполярные транзисторы изготавливают по модифицированной технологии. Вместо простого коллектора используется сложная структура, где введен дополнительный высокоомный (низколегированный) слой \( n^- \).
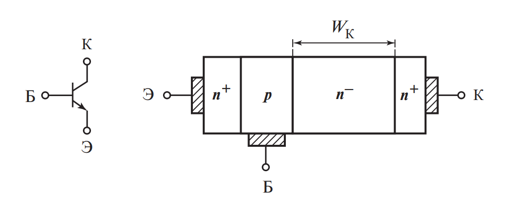
Этот участок низколегированного \( n^- \)-слоя является высокоомной областью коллектора. На рисунке 2 показана схематичная структура такого прибора.

Рис. 1. Обозначение и физическая структура силового биполярного транзистора: Э — эмиттер, Б — база, К — коллектор. Видна область \( W_K \) (высокоомный слой).
Как видно из рисунка 1, структура включает:
- Эмиттер (\( n^+ \)): Сильно легированная область для инжекции электронов.
- База (\( p \)): Тонкий управляющий слой.
- Коллектор (\( n^- \)): Протяженная дрейфовая область, воспринимающая основную часть приложенного обратного напряжения.
- Контактный слой коллектора (\( n^+ \)): Для создания омического контакта с выводом.
2. Расчет параметров высоковольтной структуры
Силовые транзисторы работают преимущественно в ключевых режимах (схемы с общим эмиттером). Критически важным параметром является максимально допустимое постоянное напряжение коллектор-эмиттер \( U_{K\ni \max} \).
2.1. Лавинный пробой и коэффициенты запаса
Напряжение лавинного пробоя \( U_{K\ni0} \) рассчитывается с учетом коэффициента запаса \( k_0 \), который для надежности всегда выбирается больше или равным единице:
$$ U_{K\ni0} = k_0 \cdot U_{K\ni \max} \quad $$
Напряжение пробоя перехода коллектор-база \( U_{K\mathcal{B}0} \) связано с пробоем коллектор-эмиттер через коэффициент усиления транзистора \( \beta_N \):
$$ U_{K\mathcal{B}0} = U_{K\ni0} \cdot (1 + \beta_N)^{\frac{1}{n}} \quad (1) $$
где \( n \approx 3 \div 6 \) — эмпирический коэффициент для кремниевых структур.
2.2. Толщина области объемного заряда (ООЗ)
При запирании транзистора зона обеднения распространяется преимущественно в слаболегированный \( n^- \)-слой коллектора. Толщина этой зоны \( W_{K0} \) определяется удельным сопротивлением материала \( \rho_n \):
$$ W_{K0} \approx 0,52 \cdot \rho_n \cdot \sqrt{U_{K\mathcal{B}0}} \quad (2) $$
Примечание: В формуле выше предполагается, что \( \rho_n \) в Ом·см, а напряжение в Вольтах, результат в микрометрах (мкм).
Реальная толщина высокоомной области \( W_K \) выбирается примерно равной половине расчетной \( W_{K0} \), так как электрическое поле ограничивается высоколегированным слоем \( n^+ \).
Пример расчета:
Рассмотрим силовой транзистор с рабочим напряжением \( U_{K\ni \max} = 500 \) В и коэффициентом усиления \( \beta_N = 20 \) (в исходном тексте было 2, возьмем реалистичнее или оставим для строгости учебного примера).
Пусть \( \beta_N = 2 \) (как в условии задачи). Пластина кремния имеет \( \rho_n = 30 \) Ом·см.
1. Рассчитаем напряжение пробоя К-Э (с запасом 1.5): \( U_{K\ni0} = 750 \) В.
2. Напряжение пробоя К-Б (при \( n=4 \)): \( U_{K\mathcal{B}0} \approx 900 \) В.
3. Расчетная ширина ООЗ: \( W_{K0} \approx 95 \) мкм.
4. Конструктивная ширина слоя: \( W_K \approx 45 \) мкм.
3. Статические режимы: Насыщение и потери
В открытом состоянии (режим насыщения) оба перехода транзистора — эмиттерный и коллекторный — смещены в прямом направлении. Это обеспечивает минимальное падение напряжения, однако в силовых приборах оно все равно значительно.
3.1. Остаточное напряжение
Напряжение насыщения коллектор-эмиттер описывается сложной формулой, учитывающей омические сопротивления слоев:
$$ U_{K\ni \text{нас}} = \phi_T \ln \left( \frac{\alpha_I (1 — I_K / \beta_I I_B)}{1 + (I_K / I_B)(1 — \alpha_N)} \right) + (I_K + I_B) r_Э + I_K r_K \quad (3) $$
где:
- \( \phi_T \) — температурный потенциал (около 26 мВ при комнатной температуре);
- \( r_Э, r_K \) — объемные сопротивления эмиттерного и коллекторного слоев;
- \( \beta_I \) — коэффициент усиления при инверсном включении;
- \( \alpha_I = \beta_I / (1 + \beta_I) \).
Для высоковольтных приборов основной вклад вносит слагаемое \( I_K r_K \) из-за высокого сопротивления дрейфовой области \( n^- \). В то время как у низковольтных транзисторов \( U_{K\ni \text{нас}} \) составляет 1–2 В, у высоковольтных оно может достигать 4–5 В, что ведет к значительным тепловым потерям в статическом режиме.
4. Динамические характеристики и быстродействие
Переключение силового транзистора — это не мгновенный процесс. Это сложная последовательность перераспределения зарядов в базовой и коллекторной областях.
4.1. Временные параметры
По предельной частоте усиления \( f_t \) можно вычислить фундаментальные временные константы:
$$ \tau_K = \frac{1}{2\pi f_t} $$
$$ \tau_B = \beta_N \cdot \tau_K \quad (4) $$
где \( \tau_K \) — время пролета носителей через базу, \( \tau_B \) — время жизни носителей в базе.
4.2. Коэффициент насыщения и глубина управления
Для надежного включения транзистора ток базы задают с запасом. Степень этого запаса характеризует коэффициент насыщения \( N \):
$$ N = \frac{I_B}{I_{B\text{гр}}} \quad (5) $$
где \( I_{B\text{гр}} = I_H / \beta_N \) — граничный ток базы, необходимый для начала насыщения при заданном токе нагрузки \( I_H \).
Динамика переключения оценивается по следующим формулам:
Время включения (\( t_{\text{вкл}} \)):
$$ t_{\text{вкл}} \approx \tau_0 \ln \left( \frac{N}{N — 1} \right) \quad (6) $$
Время рассасывания (\( t_{\text{расс}} \)): Интервал задержки выключения, когда транзистор все еще проводит ток, несмотря на снятие управляющего сигнала. Это происходит из-за накопленного в базе избыточного заряда.
$$ t_{\text{расс}} \approx \tau_0 \ln \left( \frac{N + N_{off}}{1 + N_{off}} \right) \quad (7) $$
(Здесь формула немного обобщена для учета запирающего тока, в простейшем случае \( t_{\text{расс}} \approx \tau_0 \ln N \)).
Время выключения (спада) (\( t_{\text{выкл}} \)):
$$ t_{\text{выкл}} \approx \tau_0 \ln 2 \quad (8) $$
Здесь \( \tau_0 = \tau_B + (1 + \beta_N)C_{K\mathcal{B}}R_H \) — эквивалентная постоянная времени, учитывающая эффект Миллера (влияние проходной емкости \( C_{K\mathcal{B}} \)).
5. Эффекты квазинасыщения и эффект Кирка
Наличие высокоомного слоя \( n^- \) приводит к появлению специфической области на вольт-амперной характеристике (ВАХ) — области квазинасыщения (преднасыщения).

Рис. 2. Вольт-амперные характеристики силового биполярного транзистора. Штриховая линия показывает траекторию переключения через область преднасыщения.
Граница между активным режимом и преднасыщением определяется омическим сопротивлением исходного коллекторного слоя:
$$ I_K = \frac{U_{K\ni}}{r_{K0}} \quad (9) $$
где \( r_{K0} = \rho_n W_K / S \) — сопротивление немодулированного слоя коллектора.
5.1. Модуляция проводимости и расширение базы
При входе в насыщение в высокоомный коллектор инжектируются дырки из базы. Это снижает его сопротивление (модуляция проводимости), но одновременно приводит к эффекту Кирка (эффект расширения базы). Эффективная ширина базы увеличивается, захватывая часть коллектора.
- Последствия: Резко падает коэффициент \( \beta_N \) и растет время жизни \( \tau_B \).
- Результат: Замедление фронтов переключения. Появляются «хвосты» тока при выключении.
6. Эффект вытеснения тока эмиттера
Еще одна серьезная проблема мощных биполярных структур — неравномерное распределение тока по площади эмиттера. Ток базы течет параллельно переходу эмиттер-база, создавая падение напряжения на распределенном сопротивлении полупроводника.
Если это падение напряжения превышает \( 2\phi_T \), центр эмиттера перестает открываться, и весь ток концентрируется на краях (периферии) эмиттера. Это явление называют эффектом вытеснения тока.
Рабочая ширина эмиттера \( \Delta X_Э \) оценивается как:
$$ \Delta X_Э \approx \frac{0,54}{W_B} \quad (10) $$
Для борьбы с этим явлением топологию мощных транзисторов делают сложной: эмиттеры выполняют в виде гребенок, колец или эвольвентных спиралей. Это позволяет максимизировать периметр эмиттера при сохранении его площади, обеспечивая равномерное включение всей структуры.
7. Схемотехнические решения улучшения характеристик
Недостатки одиночных биполярных транзисторов компенсируются применением составных схем включения.
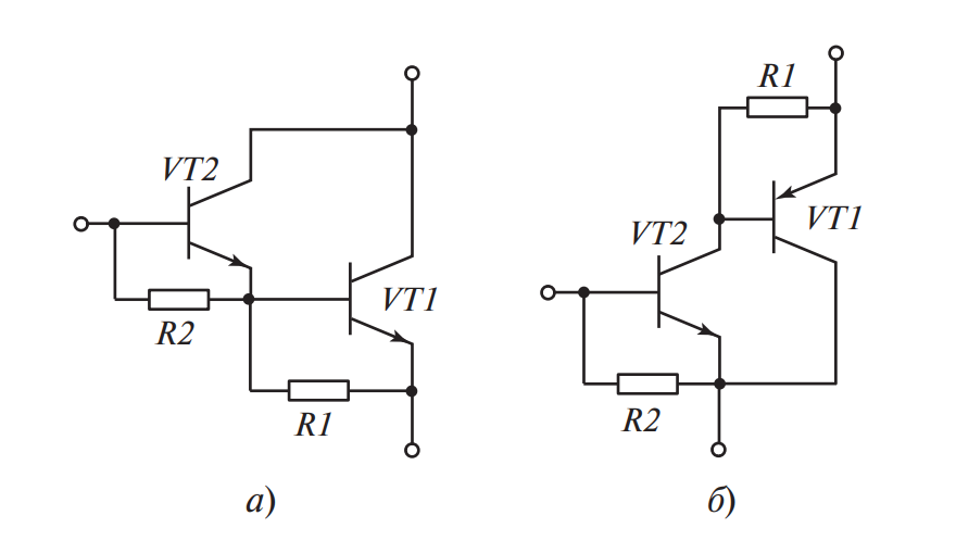
7.1. Составные транзисторы (Схема Дарлингтона)

Рис. 3. Составные транзисторы: а — схема Дарлингтона; б — схема Шиклаи.
Схема Дарлингтона (два транзистора, включенных каскадно) позволяет получить гигантский коэффициент усиления по току: \( \beta_{\Sigma} \approx \beta_1 \cdot \beta_2 \). Однако платой за это является удвоенное падение напряжения в открытом состоянии и пониженное быстродействие при выключении.
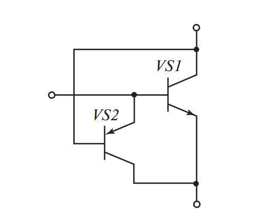
7.2. Каскодное включение

Рис. 4. Каскодная схема коммутации.
Каскодная схема (общий эмиттер + общая база) радикально улучшает частотные свойства. В такой схеме «верхний» транзистор работает в режиме с общей базой, что устраняет эффект Миллера. Кроме того, предельное напряжение такой связки стремится к \( U_{K\mathcal{B}0} \), что в 1,5–2 раза выше, чем \( U_{K\ni0} \).
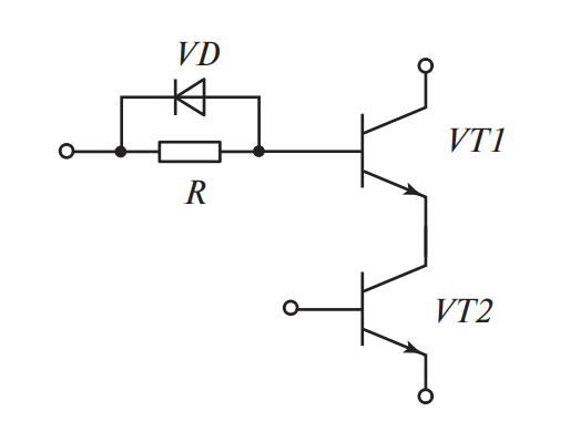
7.3. Ненасыщенные ключи (Диод Бэйкера)

Рис. 5. Схема ненасыщенного ключа с нелинейной обратной связью.
Для исключения глубокого насыщения и, как следствие, уменьшения времени рассасывания, применяют схемы с диодной фиксацией уровня (диод Бэйкера). Это нелинейная обратная связь не дает напряжению коллектора опуститься ниже напряжения базы, удерживая транзистор на границе активной области и насыщения.
8. Сравнительная таблица: BJT, MOSFET и IGBT
Для понимания места биполярных транзисторов в современной электронике сравним их с полевыми (MOSFET) и биполярными транзисторами с изолированным затвором (IGBT).
| Параметр | Биполярный транзистор (BJT) | MOSFET | IGBT |
|---|---|---|---|
| Управление | Токовое (сложное, требует мощности) | Напряжением (легкое, емкостное) | Напряжением (легкое, емкостное) |
| Падение напряжения (On-state) | Низкое (при глубоком насыщении) | Зависит от тока (\( I \cdot R_{DS(on)} \)) | Фиксированное + омическое (как у BJT) |
| Быстродействие | Среднее (проблема рассасывания) | Очень высокое | Среднее/Высокое |
| Вторичный пробой | Склонен (эффект шнурования тока) | Практически отсутствует | Устойчив (в пределах SOA) |
| Стоимость | Низкая | Средняя | Средняя/Высокая |
9. Преимущества и недостатки силовых BJT
Преимущества:
- Очень низкое напряжение насыщения для высоковольтных приборов (меньше потерь проводимости при больших токах по сравнению с высоковольтными MOSFET).
- Низкая стоимость производства зрелой технологии.
- Высокая надежность при правильном проектировании драйвера.
Недостатки:
- Управление током требует громоздких драйверов с большими потерями мощности.
- Явление вторичного пробоя ограничивает область безопасной работы (SOA).
- Положительный температурный коэффициент тока (риск теплового разгона при параллельном включении).
- Низкая скорость переключения по сравнению с полевыми транзисторами.
10. Интересные факты о биполярных транзисторах
- Нобелевская премия. Изобретатели транзистора Шокли, Бардин и Браттейн получили Нобелевскую премию по физике в 1956 году.
- Эффект шнурования. В мощных BJT существует опасный эффект «шнурования тока», когда весь ток собирается в узкий канал (шнур), локально расплавляя кристалл за микросекунды.
- Космос. Биполярные транзисторы часто более устойчивы к радиации (одиночным сбоям), чем полевые транзисторы с тонким окислом затвора, поэтому их любят применять в космической аппаратуре.
- Размеры. Кристалл мощного биполярного транзистора на 1000 А может занимать площадь, сравнимую с почтовой маркой, и рассеивать тепло, как утюг.
- Германий против Кремния. Первые силовые транзисторы были германиевыми. Они имели меньшее падение напряжения, но не выдерживали температур выше 75°C.
- Дарлингтон в одном корпусе. Транзисторы Дарлингтона часто выпускаются в виде монолитного кристалла, где оба транзистора и резисторы смещения интегрированы на одной подложке.
- Аудиофилы. Многие любители качественного звука (Hi-End) до сих пор предпочитают усилители на биполярных транзисторах за их специфическую «теплоту» и линейность в определенном диапазоне, в отличие от класса D.
11. FAQ: Часто задаваемые вопросы
1. Почему силовые BJT сегодня используются реже, чем IGBT?
IGBT (Insulated Gate Bipolar Transistor) объединяет входные характеристики MOSFET (легкое управление напряжением) и выходные характеристики BJT (высокий ток). Это устраняет главный недостаток BJT — необходимость большого тока базы для управления.
2. Что такое область безопасной работы (SOA)?
SOA (Safe Operating Area) — это график в координатах «Ток-Напряжение», определяющий границы, в которых транзистор может работать без разрушения. Для BJT критически важна область, ограниченная вторичным пробоем.
3. Можно ли включать биполярные транзисторы параллельно?
Можно, но сложно. Из-за положительного температурного коэффициента тока (при нагреве ток растет) один транзистор может «перетянуть» на себя весь ток и сгореть. Требуются выравнивающие резисторы в цепях эмиттеров (эмиттерная дегенерация).
4. Зачем нужен диод, включенный встречно-параллельно транзистору?
При работе на индуктивную нагрузку (моторы, трансформаторы) при выключении транзистора возникает выброс ЭДС самоиндукции обратной полярности. Диод замыкает этот ток, защищая транзистор от пробоя обратным напряжением.
5. Как проверить мощный транзистор мультиметром?
В режиме «прозвонки диодов» проверяются переходы Б-Э и Б-К (должны звониться как диоды в одну сторону). Переход К-Э не должен звониться ни в одну сторону (если нет встроенного диода). Важно помнить, что мультиметр не проверит пробой под высоким напряжением.
Заключение
Силовые биполярные транзисторы остаются важным классом полупроводниковых приборов. Несмотря на экспансию MOSFET и IGBT, понимание физики работы BJT — процессов накопления заряда, модуляции проводимости, теплового пробоя — является фундаментом для любого специалиста в области силовой электроники. Сложная структура с дрейфовым коллектором \( n^- \), методы борьбы с вытеснением тока и схемотехнические ухищрения вроде каскодного включения демонстрируют глубину инженерных решений, заложенных в эти компоненты.
В будущем развитие BJT продолжится в нишевых применениях, а также в составе интегральных гибридных сборок и как часть структуры IGBT, доказывая, что классические технологии эволюционируют, а не исчезают.
Нормативная база
- ГОСТ 2.730-73 — Единая система конструкторской документации. Обозначения условные графические в схемах. Приборы полупроводниковые.
- ГОСТ 18604.4-74 — Транзисторы. Метод измерения обратного тока коллектора и эмиттера.
- ГОСТ IEC 60747-7-2015 — Приборы полупроводниковые. Часть 7. Биполярные транзисторы. (Идентичен международному стандарту IEC).
Список литературы
- Флоренцев С.Н. Силовая электроника. Современное состояние и перспективы развития. — М.: МЭИ, 2018.
- Семенов Б.Ю. Силовая электроника: от простого к сложному. — М.: Солон-Пресс, 2015.
- Розанов Ю.К. Основы силовой электроники. — М.: Энергоатомиздат, 2012.
- Уильямс Б.В. Силовая электроника: приборы, драйверы, применение. — М.: Додэка-XXI, 2008.
