Содержание страницы
Силовой фототиристор (LTT — Light Triggered Thyristor) — это мощный полупроводниковый прибор, ключевой элемент современной высоковольтной энергетики. По сути, это управляемый диод, который переходит в проводящее состояние не под действием электрического импульса тока, а благодаря вспышке света, поданной непосредственно на кристалл полупроводника.
1. Силовые фототиристоры: Физика и конструкция
Фототиристор представляет собой однонаправленный четырехслойный \( p-n-p-n \) переключатель тока. Ключевой особенностью данного класса приборов является механизм перевода во включенное (проводящее) состояние: генерация электронно-дырочных пар происходит в результате фотоэлектрического эффекта при поглощении квантов света в полупроводниковой структуре.
В современной силовой электронике различают два основных типа конструкций по месту ввода оптического сигнала:
- С освещаемым эмиттером: менее распространен в высоковольтных применениях из-за меньшей эффективности использования световой энергии для запуска глубоких слоев.
- С освещаемой базой: доминирующая конструкция для мощных приборов [4], обеспечивающая оптимальное сочетание чувствительности и стойкости к помехам.
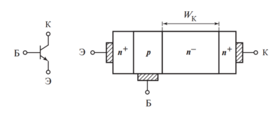
Структура и принцип работы (Анализ Рис. 1)
Фототиристор с освещаемой базой является фундаментальным элементом для построения вентилей преобразователей сверхвысокого напряжения. Рассмотрим его устройство более детально.

На рисунке 1 представлена структура прибора. Важно отметить физический нюанс: структура фототиристора реагирует не на освещенность (люксы) как таковую, а на поток излучения (мощность света), проникающий в кристалл. Это принципиальное отличие позволяет инженерам повысить чувствительность прибора к сигналу управления без необходимости существенного увеличения коэффициентов передачи (\(\alpha\)) составных транзисторов внутренней структуры.
Оптимизация чувствительности к потоку излучения приводит к двум важнейшим эксплуатационным преимуществам:
- Повышение критической скорости нарастания напряжения (\(dV/dt\)): Прибор не включается самопроизвольно при быстрых скачках напряжения в сети.
- Термостабильность: Снижается зависимость напряжения переключения от температуры кристалла, что критично для работы в экстремальных условиях.
Регенеративный управляющий электрод
Для обеспечения стойкости фототиристора к высоким скоростям нарастания анодного тока (\(dI/dt\)) применяется сложная архитектура управляющего электрода. В конструкции используется вспомогательная (пилотная) \(p-n-p-n\) структура. Это своего рода «тиристор внутри тиристора».
Процесс включения происходит каскадно:
- Свет падает на чувствительную область вспомогательной структуры.
- Вспомогательная структура открывается, и через нее начинает протекать начальный анодный ток.
- Этот ток направляется в \(p\)-слой (базу) основной, более мощной структуры, действуя как мощный электрический импульс управления.
- Основная структура открывается по всей площади.
Такой механизм называется внутренним усилением управления, что позволяет включать приборы на тысячи ампер слабым световым импульсом.
Математическая модель: Вольт-амперная характеристика
Для глубокого понимания процессов управления рассмотрим двухтранзисторную модель фототиристора. Вольт-амперную характеристику (ВАХ) прибора с освещаемой базой можно описать следующим уравнением:
Где:
- \( I_A \) — анодный ток тиристора.
- \( I_{\Phi1} \) — фототок, генерируемый через анодный \( p-n \) переход.
- \( I_{\Phi2} \) — фототок, генерируемый через центральный (коллекторный) переход.
- \( \alpha_{npn} \) — коэффициент передачи тока эмиттера \( n-p-n \) транзистора (нижняя часть структуры).
- \( \alpha_{pnp} \) — коэффициент передачи тока эмиттера \( p-n-p \) транзистора (верхняя часть структуры).
Физический смысл формулы: Уравнение (2.34) наглядно показывает условие переключения. Пока сумма коэффициентов передачи \( (\alpha_{npn} + \alpha_{pnp}) \) меньше 1, ток анода мал и пропорционален фототоку. Но как только под действием протекающего тока (инжекции носителей) сумма альф стремится к единице, знаменатель дроби стремится к нулю, а ток \( I_A \) лавинообразно возрастает, ограничиваясь только внешней нагрузкой. Это и есть момент включения.
Согласно этому уравнению, структуру фототранзистора с освещаемой базой можно рассматривать как композитную систему, где:
- В \(p\)-слой поступает коллекторный ток \(p-n-p\)-транзистора (схема с общим эмиттером).
- В \(n\)-слой (базу) принудительно инжектируется суммарный фототок \( I_{\Phi 1} + I_{\Phi 2} \).
Качественно ВАХ фототиристора полностью соответствует характеристике обычного электрически управляемого \(p-n-p-n\) прибора, с той лишь разницей, что роль тока управления \(I_G\) играет фототок.
2. Конструктивное исполнение и оптический интерфейс
Конструктивно мощный фототиристор практически идентичен стандартному «таблеточному» (puck-type) тиристору высокого напряжения. Основа — это кремниевая шайба (диаметром до 150 мм и более), заключенная в герметичный металлокерамический корпус. Керамика обеспечивает изоляцию пути утечки, а массивные медные основания служат для отвода тепла и подвода тока.
Главное отличие кроется в центре. Вместо металлического вывода затвора (Gate), в центре катодного основания расположено специальное оптическое окно из кварцевого стекла или сапфира, прозрачное для инфракрасного излучения.
Система управления (Анализ Рис. 2)
Надежность передачи управляющего сигнала — критический параметр. Для управления прибором применяется специализированный оптический интерфейсный кабель, показанный на рисунке 2.16.

Рассмотрим процесс стыковки и управления детально, сохраняя важные конструктивные нюансы:
- Механическое соединение: Один конец оптического кабеля имеет специальную форму («крюк»). Этот крюк вставляется в конструктивный паз, выточенный в катодном основании таблетки тиристора. Такое решение обеспечивает надежную фиксацию в условиях сильных вибраций и электромагнитных сил, возникающих в силовых шкафах.
- Оптический тракт: Второй конец кабеля через стандартный оптический разъем (например, типа ST или SMA) соединяется с источником света — лазерным диодом.
- Прохождение сигнала: Импульс света генерируется лазерным диодом, проходит через оптоволоконный кабель, затем через специальный адаптер (встроенный в корпус) и оптическое окно попадает непосредственно в фоточувствительную область кремниевой структуры.
Характеристики оптического сигнала
Фототиристор управляется мощными световыми импульсами ИК-диапазона (инфракрасного). Почему именно ИК? Кремний имеет пик чувствительности именно в ближней инфракрасной области, что обеспечивает глубину проникновения фотонов в толщу кристалла для эффективной генерации носителей заряда.
Типичные параметры системы управления:
- Источник излучения: Лазерный диод (например, серия SPL-PL90 от компании OSRAM).
- Длина волны: \(\lambda = 0,88 \dots 0,98\) мкм (микрометра).
- Среда передачи: Оптоволоконный световод.
- Затухание: Экстремально низкое, порядка 1 дБ на 1 км. Это позволяет размещать драйверы управления (электронику) на значительном удалении от силовой части (в безопасной зоне), так как длина световода практически не ограничена потерями.
Лазерный диод выполняет функцию электрооптического преобразователя: он трансформирует электрический сигнал от драйвера (системы управления) в световой импульс, который с высокой точностью повторяет форму и длительность исходного электрического импульса. Это гарантирует синхронность переключения вентилей.
3. Сравнение технологий управления
В мире силовой электроники идет постоянная конкуренция между фототиристорами (LTT) и тиристорами с электрическим управлением (ETT — Electrically Triggered Thyristor). Сравним их:
| Параметр | Фототиристор (LTT) | Электрический тиристор (ETT) |
|---|---|---|
| Гальваническая развязка | Встроенная (через оптоволокно). Идеальная изоляция высоковольтной цепи. | Требует внешнего импульсного трансформатора или сложной высоковольтной развязки. |
| Помехозащищенность | Абсолютная к электромагнитным помехам (свет не подвержен наводкам ЭМП). | Подвержен наводкам на провода управления, требует экранирования. |
| Количество компонентов | Минимальное. Меньше деталей — выше надежность на уровне системы (меньше отказов «обвязки»). | Высокое. Требуются платы управления на высоком потенциале, питание для них. |
| Стоимость прибора | Высокая (сложная технология производства кристалла и окна). | Ниже. Стандартная технология. |
| Мощность сигнала управления | Требуется мощный лазер (до 4-10 Вт в импульсе). | Достаточно обычного импульсного тока (1-3 А). |
Преимущества и недостатки
✅ Преимущества
- Упрощение конструкции высоковольтного вентиля (меньше плат электроники).
- Возможность прямого мониторинга исправности тиристора через обратный оптический канал (функция BOD — Break Over Diode protection).
- Высочайшая надежность в системах сверхвысокого напряжения (UHVDC).
❌ Недостатки
- Более сложный процесс замены вышедшего из строя прибора (требуется чистка оптики).
- Ограниченный ресурс лазерных диодов (деградация со временем).
- Высокая стоимость самого полупроводникового элемента.
4. Интересные факты о фототиристорах
- Свет вместо проводов. В одной опоре ЛЭП постоянного тока может использоваться до нескольких километров оптоволокна только для управления тиристорами.
- Гигантские масштабы. Самые мощные современные фототиристоры способны коммутировать ток до 6000 А при напряжении блокировки до 8500 В в одном корпусе.
- Скорость света. Задержка срабатывания фототиристора составляет всего несколько микросекунд, что позволяет точно контролировать фазу напряжения в сети.
- Чистый кремний. Для производства высоковольтных фототиристоров используется кремний нейтронного легирования (NTD), обеспечивающий невероятную однородность сопротивления по всему объему пластины.
- Защита «Break-over». Некоторые фототиристоры имеют встроенную защиту от перенапряжения: при критическом росте вольт на аноде, в структуре происходит безопасный локальный лавинный пробой в управляющей области, который включает тиристор, спасая его от разрушения.
- Япония и Европа. Основными пионерами и лидерами в производстве LTT являются японские (Mitsubishi, Toshiba) и европейские (Infineon, ABB/Hitachi Energy) компании.
- Оптическая обратная связь. Современные системы не только «светят» в тиристор, чтобы включить его, но и могут получать свет обратно от кристалла при возникновении аварийных режимов, используя тот же кабель.
5. Часто задаваемые вопросы (FAQ)
1. Можно ли включить фототиристор обычным током?
В большинстве промышленных фототиристоров внешний электрический вывод управления отсутствует конструктивно (корпус герметичен, есть только окно). Однако физически структура \(p-n-p-n\) сохраняет способность управляться током. Если бы вывод был, это было бы возможно, но на практике — нет.
2. Что произойдет, если оптоволоконный кабель загрязнится?
Загрязнение оптического стыка («крюка» или разъема) приведет к затуханию светового импульса. Если мощность света упадет ниже порога срабатывания, тиристор либо не включится, либо включится с задержкой и только частью площади кристалла (так называемое «пятно включения»). Это чрезвычайно опасно и почти всегда ведет к тепловому пробою и взрыву прибора. Чистота оптики — залог жизни LTT.
3. Почему используются лазеры, а не обычные светодиоды?
Обычные светодиоды не могут обеспечить необходимую плотность мощности и когерентность излучения для быстрой генерации достаточного количества носителей заряда в толще кремния за наносекунды. Лазерный диод дает мощный, сфокусированный «удар» фотонами.
4. Как выключить фототиристор? Светом?
Нет. Фототиристор, как и обычный тиристор, является неполностью управляемым ключом. Свет может его только включить. Выключается он сам, когда ток в силовой цепи падает до нуля (естественная коммутация) или меняет направление.
5. Где чаще всего применяются эти приборы?
Основная ниша — передача электроэнергии постоянным током сверхвысокого напряжения (HVDC / ППТ) и статические компенсаторы реактивной мощности (СТК / SVC). Там, где напряжения достигают ±800 кВ и выше, фототиристоры незаменимы.
Заключение
Силовые фототиристоры представляют собой вершину эволюции классической тиристорной технологии. Сочетая в себе мощь высоковольтных полупроводников и точность фотоники, они позволили создать энергосистемы континентального масштаба с минимальными потерями.
Использование оптического канала управления решило главную проблему высоковольтной электроники — проблему гальванической изоляции цепей управления. Несмотря на сложность производства и высокую стоимость, фототиристоры остаются безальтернативным решением для самых ответственных узлов мировой энергетической сети. Понимание физики их работы (уравнение 2.34) и конструктивных особенностей (оптический интерфейс) является обязательным для современного инженера-энергетика.
Нормативная база
- ГОСТ 24461-80 «Приборы полупроводниковые силовые. Термины и определения». Определяет базовую терминологию, включая фототиристоры.
- ГОСТ 20859.1-89 «Приборы полупроводниковые силовые. Общие технические условия». Регламентирует общие требования к силовым ключам.
- ГОСТ Р 54828-2011 «Комплектные устройства распределения и управления высоковольтные». Косвенно затрагивает требования к элементам HVDC вставок.
- IEC 60747-6 «Semiconductor devices — Part 6: Thyristors». Международный стандарт, описывающий методы испытаний тиристоров, включая LTT.
Список литературы
- Флоренцев С.Н. Силовая электроника. Современное состояние и перспективы развития. — М.: МЭИ, 2008.
- Розанов Ю.К. Силовая электроника. Учебник для вузов. — М.: Издательский дом МЭИ, 2017.
- Воронин П.А. Силовая полупроводниковая техника. — М.: Додэка-XXI, 2009.
- Техническая документация и Application Notes компаний Infineon, ABB, Hitachi Energy по компонентам LTT.
