Содержание страницы
- 1. Общая архитектура и принципы работы
- 2. Полумостовой однофазный инвертор: Базовая топология
- 3. Работа на активно-индуктивную (RL) нагрузку
- 4. Входной емкостной делитель: Скрытые угрозы
- 5. Однофазный мостовой инвертор (Full-Bridge)
- 6. Инвертор со средней точкой трансформатора (Push-Pull)
- 7. Практический пример: Полный расчет мостового инвертора
- 8. Типовые неисправности и диагностика
- 9. FAQ для инженера
- Заключение
Автономный инвертор напряжения (АИН) — это фундаментальный узел современной силовой электроники, устройство, выполняющее обратное преобразование энергии: из постоянного тока (DC) в переменный (AC). В отличие от инверторов тока, АИН питается от источника с жесткой внешней характеристикой — источника напряжения (например, аккумуляторной батареи или выпрямителя с мощным емкостным фильтром).
Представьте, что источник постоянного напряжения — это водохранилище с постоянным давлением воды. Инвертор напряжения — это система из четырех быстродействующих кранов, которые открываются и закрываются в определенной последовательности. Управляя этими кранами, мы заставляем поток воды в трубе (нагрузке) менять направление туда и обратно, создавая «переменный поток».
Краткая история технологии
История инвертирования тока началась задолго до появления полупроводников. В начале XX века использовались электромашинные преобразователи (мотор-генераторы) и вибропреобразователи — механические коммутаторы, которые физически переключали контакты с частотой 50 Гц. Это были шумные, ненадежные и искрящие устройства. С появлением тиристоров в 1950-х годах началась эра статических преобразователей, однако настоящая революция произошла с изобретением полностью управляемых ключей — силовых транзисторов MOSFET и IGBT. Сегодня АИН — это «сердце» источников бесперебойного питания, частотных электроприводов и систем солнечной энергетики.
1. Общая архитектура и принципы работы
Прежде чем углубляться в схемотехнику, рассмотрим обобщенную структуру устройства.

Любой качественный инвертор состоит из следующих функциональных блоков:
- Источник питания: Первичное звено постоянного тока (DC-link). Обладает низким внутренним сопротивлением.
- Входной фильтр: Обычно это батарея электролитических конденсаторов, которая компенсирует реактивную мощность и подавляет пульсации напряжения.
- Ключевой блок: Матрица силовых транзисторов (коммутатор), формирующая переменное напряжение.
- Выходной фильтр: LC-цепи, сглаживающие прямоугольные импульсы до синусоидальной формы.
- Система управления (СУ): «Мозг» инвертора, генерирующий алгоритмы переключения (ШИМ).
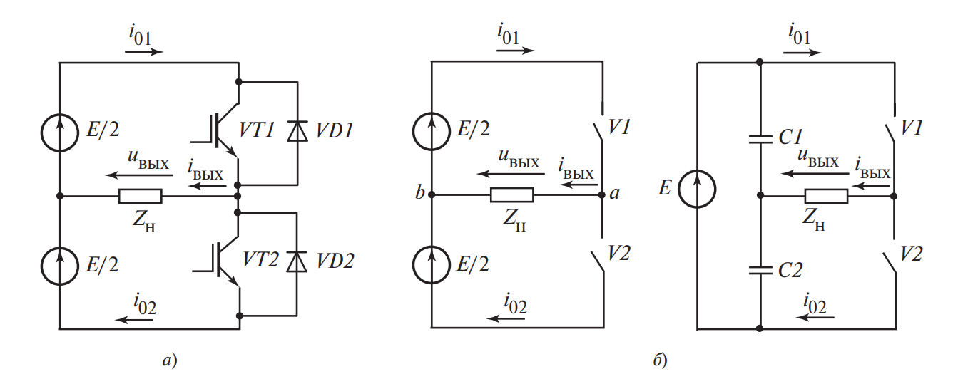
2. Полумостовой однофазный инвертор: Базовая топология
Полумостовая схема (Half-Bridge) является базовым «кирпичиком» для построения более сложных топологий. Она используется там, где не требуется высокое выходное напряжение, либо как часть трехфазных мостов.

2.1. Логика коммутации и переключающие функции
Для математического описания работы инвертора вводится понятие переключающей функции \( F_i \). Это бинарная переменная, описывающая состояние силового ключа:
- \( F_i = 1 \): На \( i \)-й транзистор подан отпирающий сигнал (ключ замкнут).
- \( F_i = 0 \): Сигнал отсутствует (ключ разомкнут).
В полумостовой схеме с двумя ключами (VT1 и VT2) возможны четыре комбинации состояний. Рассмотрим их физический смысл:
| Состояние | Логика (\(F_1, F_2\)) | Выходное напряжение (\(u_{out}\)) | Физический процесс |
|---|---|---|---|
| 1. Верхний ключ | \(1, 0\) | \(+E/2\) | Ток течет от «плюса» источника через VT1 в нагрузку. Потенциал точки выхода становится равен потенциалу плюсовой шины. |
| 2. Нижний ключ | \(0, 1\) | \(-E/2\) | Ток течет от нагрузки через VT2 к «минусу» источника. Полярность на выходе меняется. |
| 3. Сквозной ток | \(1, 1\) | Неопределено | АВАРИЙНЫЙ РЕЖИМ! Короткое замыкание источника через два открытых транзистора. Мгновенное разрушение кристаллов полупроводников. |
| 4. Пауза | \(0, 0\) | Зависит от нагрузки | Оба транзистора закрыты. Ток нагрузки замыкается через обратные диоды VD1/VD2. |
2.2. Проблема «Мертвой паузы» (Dead Time)
В идеальной математической модели переключение происходит мгновенно. В реальности транзисторы инерционны: процесс рассасывания неосновных носителей заряда занимает время (от сотен наносекунд до микросекунд).
Если снять сигнал управления с VT1 и одновременно подать на VT2, возникнет ситуация, когда VT1 еще не закрылся, а VT2 уже открылся. Это приведет к короткому замыканию (состояние №3). Для предотвращения этого вводится «мертвое время» (dead time) — интервал задержки, когда оба ключа гарантированно закрыты.
2.3. Математическая модель полумоста
Пренебрегая мертвым временем, мы можем связать функции управления верхним и нижним ключом жесткой зависимостью:
Это уравнение означает, что ключи работают строго в противофазе. Рассмотрим потенциалы точек схемы. Пусть общая точка конденсаторов (рис. 2, б) имеет потенциал \( \phi_b = E/2 \) (половина напряжения питания). Потенциал выходной точки инвертора \( \phi_a \) зависит от состояния ключа \( F_1 \):
Тогда выходное напряжение определяется разностью потенциалов:
Подставив значения \( F_1 \), получаем:
- При \( F_1 = 1 \rightarrow u_{вых} = E(1 — 0.5) = +E/2 \)
- При \( F_1 = 0 \rightarrow u_{вых} = E(0 — 0.5) = -E/2 \)
3. Работа на активно-индуктивную (RL) нагрузку
Большинство реальных нагрузок (электродвигатели, трансформаторы) имеют индуктивный характер. Это означает, что ток в нагрузке не может измениться мгновенно и отстает по фазе от напряжения. Это явление порождает обмен реактивной энергией между нагрузкой и источником.

3.1. Детальный разбор цикла работы
Рассмотрим процессы на одном периоде выходной частоты. Период разбивается на четыре интервала (см. Рис. 3):
Интервал \( t_1 — t_2 \) (Рекуперация энергии)
В момент \( t_1 \) включается верхний транзистор VT1. Однако ток нагрузки \( i_{вых} \) из-за индуктивности все еще отрицательный (продолжает течь в старом направлении). Транзистор VT1 проводить ток в обратном направлении не может. Ток вынужден течь через обратный диод VD1.
Физика процесса: Нагрузка возвращает энергию, накопленную в магнитном поле, обратно в источник питания (заряжает конденсатор). Ток источника \( i_{01} \) отрицателен.
Интервал \( t_2 — t_3 \) (Активный режим)
Ток нагрузки проходит через ноль и меняет знак на положительный. Теперь ток течет через открытый канал транзистора VT1.
Физика процесса: Источник питания отдает энергию в нагрузку. Происходит потребление активной мощности.
Интервал \( t_3 — t_4 \) (Рекуперация отрицательной полуволны)
В момент \( t_3 \) VT1 выключается, включается VT2. Но индуктивность стремится поддержать положительный ток. Ток замыкается через диод VD2.
Физика процесса: Снова возврат энергии в источник, но уже через нижнее плечо.
3.2. Математическое доказательство: Спектральный анализ (Ряд Фурье)
Выходное напряжение полумостового инвертора представляет собой меандр (прямоугольные импульсы) с амплитудой \( E/2 \). Разложим эту функцию в тригонометрический ряд Фурье для анализа гармонического состава.
Общая формула ряда Фурье:
В силу симметрии функции относительно начала координат (нечетная функция), коэффициенты \( a_k = 0 \). Найдем коэффициенты \( b_k \):
Решая интеграл, получаем выражение для выходного напряжения:
Важные выводы из формулы:
- В спектре присутствуют только нечетные гармоники (1-я, 3-я, 5-я…).
- Амплитуда гармоник убывает пропорционально их номеру \( 1/k \).
- Амплитуда первой (основной) гармоники равна:
$$ U_{m(1)} = \frac{2E}{\pi} \approx 0.637 E $$
Коэффициент гармоник (THD):
Характеризует степень отличия формы сигнала от синусоиды. Для меандра он является константой:
$$ k_г = \frac{\sqrt{\sum_{k=2}^{\infty} U_k^2}}{U_1} = \sqrt{\frac{U_{rms}^2 — U_1^2}{U_1^2}} \approx 48.34\% $$
(В исходном тексте приведено значение 0.467 или 46.7%, что является приближенным значением для фильтрованного сигнала).
4. Входной емкостной делитель: Скрытые угрозы
В схеме на Рис. 2,в используется делитель напряжения на конденсаторах \( C_1, C_2 \). Это экономичное решение, но оно имеет серьезные недостатки.
4.1. Проблема разбаланса средней точки
Токи, протекающие через ключи, замыкаются через эти конденсаторы. Низкочастотная составляющая тока (равная частоте инвертора) вызывает перезаряд конденсаторов. Это приводит к колебаниям потенциала средней точки.
Если емкость недостаточна, напряжение на одном конденсаторе может превысить допустимый предел, а на другом — просесть, что приведет к несимметрии выходного напряжения.
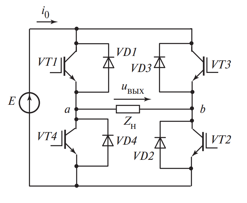
5. Однофазный мостовой инвертор (Full-Bridge)
Для повышения мощности и улучшения качества выходного напряжения используется мостовая схема (H-Bridge), состоящая из двух полумостов.

5.1. Преимущества мостовой схемы
- Удвоение напряжения: Амплитуда выходного напряжения равна полному напряжению источника \( E \), а не \( E/2 \).
$$ u_{вых} = \phi_a — \phi_b = E(F_1 — F_3) $$
При разнополярном включении (\( F_1=1, F_3=0 \)) напряжение равно \( E \).
- Трехуровневая модуляция: Мост позволяет формировать три уровня напряжения: \( +E, 0, -E \).
- Режим «нулевой паузы»: Если включить оба верхних ключа (\( VT1, VT3 \)) или оба нижних, напряжение на нагрузке станет равным нулю (закоротка нагрузки). Это позволяет реализовать более сложные алгоритмы ШИМ и снизить гармонические искажения.
5.2. Спектр выходного напряжения моста
Поскольку амплитуда импульсов вдвое выше, коэффициенты ряда Фурье также удваиваются:
Действующее значение первой гармоники:
Это уравнение показывает, что мостовой инвертор гораздо эффективнее использует напряжение источника питания.
5.3. Анализ входного тока и «отравление» источника (Missing Link)
Часто инженеры сосредотачиваются только на качестве выходного напряжения, забывая, что происходит на входе. В мостовой схеме ток \( i_0 \), потребляемый от источника, не является гладким постоянным током, даже если нагрузка идеально линейна.
Поскольку ключи переключаются с частотой выхода, а ток нагрузки также является переменным, их произведение порождает новые частотные составляющие. В спектре входного тока появляется мощная вторая гармоника (для 50 Гц выхода это 100 Гц пульсации на входе).

Физический смысл и последствия:
- Нагрев конденсаторов: Входной конденсатор фильтра (C1 на схемах) вынужден замыкать на себя эту переменную составляющую. Если его ESR (эквивалентное последовательное сопротивление) велико, конденсатор перегреется и взорвется.
- Влияние на батарею: Если инвертор питается от аккумуляторов, низкочастотная пульсация тока (Ripple Current) ускоряет химическую деградацию пластин, снижая срок службы АКБ.
6. Инвертор со средней точкой трансформатора (Push-Pull)
При работе от низковольтных источников (например, автомобильный аккумулятор 12В или 24В) потери на полупроводниковых ключах становятся критичными. Каждое падение напряжения на 1-2 вольта существенно снижает КПД.

6.1. Особенности работы
В этой схеме (Рис. 7) используется трансформатор с отводом от середины первичной обмотки.
- Средняя точка подключена к «плюсу».
- Ключи VT1 и VT2 поочередно коммутируют края обмотки на «минус».
Это позволяет иметь в цепи протекания тока только один транзистор, что снижает статические потери вдвое по сравнению с мостовой схемой (где ток течет через два транзистора).
6.2. Проблема выбросов напряжения
Главный недостаток схемы Push-Pull — наличие индуктивности рассеяния трансформатора. При резком выключении транзистора энергия \( L_{s} i^2 / 2 \), запасенная в индуктивности рассеяния, не может мгновенно передаться во вторичную цепь. Это вызывает высоковольтный выброс на коллекторе транзистора:
Транзистор должен быть рассчитан на напряжение как минимум \( 2E \), а с учетом выбросов — на \( 3E \dots 4E \).
7. Практический пример: Полный расчет мостового инвертора
Проведем расчет однофазного мостового инвертора (схема на Рис. 4), работающего на активно-индуктивную нагрузку. Это типичная задача при проектировании источника бесперебойного питания (ИБП) для насоса отопления или электродвигателя.
Исходные данные
| Параметр | Обозначение | Значение | Комментарий |
|---|---|---|---|
| Напряжение питания | \( E \) | 200 В | Звено постоянного тока (DC-Link) |
| Частота выхода | \( f_{out} \) | 50 Гц | Стандартная промышленная частота |
| Активное сопротивление нагрузки | \( R \) | 10 Ом | Активная часть (обмотка) |
| Индуктивность нагрузки | \( L \) | 10 мГн | Индуктивная часть (обмотка) |
Шаг 1. Расчет выходного напряжения (Гармонический анализ)
Мы знаем, что инвертор выдает прямоугольные импульсы амплитудой \( E = 200 \) В. Нам нужно найти амплитуду и действующее значение первой гармоники (полезного сигнала), так как именно она совершает полезную работу.
Используем формулу (1) для первой гармоники (\( k=1 \)):
Действующее значение первой гармоники (то, что показал бы вольтметр True RMS, если бы мы отфильтровали гармоники):
Шаг 2. Расчет импеданса нагрузки
Нагрузка имеет индуктивный характер, поэтому ее сопротивление зависит от частоты. Рассчитаем полное сопротивление (импеданс) \( Z_k \) для 1-й и 3-й гармоник.
Для 1-й гармоники (50 Гц):
$$ X_{L(1)} = \omega_1 L = 314 \cdot 0.01 = 3.14 \text{ Ом} $$
$$ Z_1 = \sqrt{R^2 + X_{L(1)}^2} = \sqrt{10^2 + 3.14^2} = \sqrt{109.86} \approx 10.48 \text{ Ом} $$
$$ \varphi_1 = \arctan\left(\frac{X_{L(1)}}{R}\right) = \arctan(0.314) \approx 17.4^\circ $$
Шаг 3. Расчет тока нагрузки
Теперь по закону Ома найдем ток первой гармоники:
Для проверки рассчитаем ток 3-й гармоники (150 Гц):
Амплитуда напряжения 3-й гармоники в 3 раза меньше первой:
Индуктивное сопротивление растет пропорционально частоте:
$$ Z_3 = \sqrt{10^2 + 9.42^2} \approx 13.74 \text{ Ом} $$
Ток 3-й гармоники:
Заметьте: напряжение 3-й гармоники составляет 33% от основной, а ток 3-й гармоники — всего 25% (6.17А против 24.3А).
Индуктивность работает как естественный фильтр, «душащий» высокочастотные токи. Чем больше индуктивность нагрузки, тем чище (синусоидальнее) будет форма тока, даже если напряжение — квадратное.
Шаг 4. Выбор силовых ключей
Инженер должен выбрать транзисторы с запасом. Максимальный пиковый ток в цепи будет суммой гармоник, но для грубой оценки берем амплитуду первой гармоники + 20% запаса на пульсации высших порядков:
Требования к транзистору:
- Напряжение сток-исток (\( V_{DS} \)): \( E + 30\% \) (запас на выбросы) = \( 200 \cdot 1.3 = 260 \text{ В} \). Выбираем стандарт 400 В или 600 В.
- Постоянный ток стока (\( I_D \)): Не менее 40-50 А (с учетом пусковых токов и нагрева).
8. Типовые неисправности и диагностика
Таблица ниже поможет инженеру быстро локализовать проблему в схеме АИН.
| Симптом | Вероятная причина | Метод диагностики |
|---|---|---|
| Мгновенное сгорание предохранителя при пуске | Пробой силовых ключей (сквозной ток), пробой диодов моста. | Проверка транзисторов мультиметром в режиме «прозвонки» (сток-исток д.б. разомкнут). |
| Перегрев конденсаторов фильтра | Высокий ESR (эквивалентное последовательное сопротивление), превышение пульсаций тока. | Замер ESR-метром, проверка температуры пирометром. |
| Искаженная форма синусоиды на выходе | Неисправность драйвера управления («мертвое время» слишком велико), высыхание конденсаторов выходного фильтра. | Осциллографирование сигналов на затворах транзисторов. |
| Взрыв варистора на входе | Перенапряжение в сети питания. | Проверка входного напряжения. |
9. FAQ для инженера
Вопрос 1: Почему нельзя использовать обычные выпрямительные диоды в качестве обратных диодов инвертора?
Ответ: Обычные диоды имеют слишком большое время обратного восстановления (\( t_{rr} \)). В момент включения транзистора диод еще не успевает закрыться, что создает кратковременное короткое замыкание. Необходимо использовать диоды Fast Recovery или Ultrafast.
Вопрос 2: В чем отличие «чистого синуса» от «модифицированного синуса»?
Ответ: Модифицированный синус — это фактически трехуровневый меандр (ступеньки). Он дешев в реализации, но вызывает перегрев трансформаторных нагрузок и помехи. Чистый синус формируется высокочастотной ШИМ (20 кГц и выше) с последующей фильтрацией, он идеален для любой нагрузки.
Вопрос 3: Как рассчитать мощность потерь на транзисторе?
Ответ: Потери складываются из статических (проводимость: \( I^2 \cdot R_{ds(on)} \)) и динамических (переключение: \( E_{on} + E_{off} \) умноженное на частоту). В высоковольтных схемах динамические потери часто преобладают.
Вопрос 4: Почему для управления верхними ключами (VT1, VT3) нельзя использовать обычный сигнал 15В относительно земли?
Ответ: Это классическая проблема «плавающей земли». Исток (или эмиттер) верхнего транзистора не подключен к «минусу» питания (GND), он подключен к средней точке, потенциал которой меняется от 0 до \( E \) (например, 310В).
Чтобы открыть N-канальный MOSFET или IGBT, напряжение на затворе должно быть выше напряжения истока на 10-15В. Если исток «улетел» на 310В, то на затвор нужно подать \( 310 + 15 = 325 \)В.
Решение: Используются драйверы с бутстрепным (bootstrap) питанием или гальванически развязанные DC-DC преобразователи, которые создают «плавающее» напряжение управления, привязанное к истоку конкретного транзистора.
Вопрос 5: Почему асинхронный двигатель греется и гудит при работе от простого инвертора без синус-фильтра?
Ответ: Виной всему высшие гармоники (см. спектр на Рис. 3д).
- Нагрев: Гармоники высоких порядков (3-я, 5-я, 7-я…) не создают полезного вращающего момента, но вызывают огромные потери в стали (вихревые токи Фуко и гистерезис) и в меди (скин-эффект). Двигатель может сгореть даже на холостом ходу, если не снизить выходную мощность (Derating) на 10-20%.
- Гум (Шум): Гармонические токи создают пульсирующие магнитные поля, которые вызывают магнитострикцию (деформацию) пластин статора с частотами \( 300 \) Гц, \( 500 \) Гц и выше. Это слышно как характерный «трансформаторный» гул или писк.
Заключение
Однофазные автономные инверторы напряжения прошли путь от простейших электромеханических устройств до сложнейших микропроцессорных систем с ШИМ-управлением. Понимание физики процессов коммутации, роли реактивных элементов и математического аппарата спектрального анализа позволяет инженерам создавать надежные устройства с высоким КПД, которые обеспечивают энергией наш современный мир — от зарядки смартфона до питания загородного дома.
Нормативная база
- ГОСТ IEC 62477-1-2022 — Требования безопасности к системам силовых полупроводниковых преобразователей.
- ГОСТ 24607-88 — Преобразователи полупроводниковые. Методы измерения электрических параметров.
- ГОСТ 32144-2013 — Нормы качества электрической энергии.
Рекомендуемая литература:
- Розанов Ю.К. «Силовая электроника: учебник для вузов» — М.: МЭИ, 2021.
- Семёнов Б.Ю. «Силовая электроника: от простого к сложному».
- Mohan, Undeland, Robbins «Power Electronics: Converters, Applications, and Design».
