Содержание страницы
- 1. Физическая природа и принцип действия
- 2. Математическая модель резистивного элемента
- 3. Установившийся синусоидальный режим (AC Analysis)
- 4. Мощность резистора
- 5. Практический пример: Полный расчет резистора для светодиода
- 6. Разбор компонентов и выбор элементной базы
- 7. Интересные факты о резисторах и сопротивлении
- 8. Часто задаваемые вопросы (FAQ)
Резистор — это пассивный элемент электрической цепи, обладающий определенным или переменным значением электрического сопротивления, предназначенный для линейного преобразования силы тока в напряжение и напряжения в силу тока, а также для ограничения тока и поглощения электрической энергии. Это фундаментальный «кирпич» любой электронной схемы, от простейшего фонарика до суперкомпьютера. В отличие от реактивных компонентов (конденсаторов и катушек индуктивности), резистор не накапливает энергию в электрическом или магнитном поле, а безвозвратно рассеивает её.
Историческая справка: Открытие сопротивления
Понятие электрического сопротивления и фундаментальный закон, связывающий ток и напряжение, были открыты немецким физиком Георгом Симоном Омом в 1826 году. В то время это было революционным открытием. Ом проводил эксперименты, используя гальванические батареи и проводники различной длины и толщины. Интересно, что научное сообщество того времени встретило его труды с холодом и даже враждебностью, считая подход «слишком математическим» для физики. Только спустя десятилетия закон Ома был признан базовым законом электродинамики, а единица измерения сопротивления (Ом) была названа в его честь в 1881 году.
1. Физическая природа и принцип действия
В основе работы резистора лежит физический процесс рассеяния носителей заряда (электронов в металлах) на неоднородностях кристаллической решетки проводника. Когда электрическое поле ускоряет электроны, они приобретают кинетическую энергию. Сталкиваясь с ионами решетки, электроны передают им часть своей энергии, что приводит к увеличению амплитуды колебаний ионов. Макроскопически это проявляется как нагрев проводника.

Этот процесс является необратимым преобразованием электрической энергии в тепловую (диссипация). В частных случаях, в зависимости от конструкции и назначения, энергия может преобразовываться в механическую (пьезорезисторы) или химическую, но в контексте классической электротехники мы говорим именно о тепле.
Аналогия: Гидравлическая система
Представьте электрический ток как поток воды в трубе. Напряжение — это давление воды, а резистор — это участок трубы, забитый песком или губкой. Воде (электронам) трудно просачиваться сквозь препятствие. Трение воды о песок (сопротивление) заставляет воду терять напор (падение напряжения) и нагревать песок (выделение тепла). Чем плотнее песок или чем длиннее этот участок, тем выше сопротивление и тем меньше воды протечет при том же давлении.

2. Математическая модель резистивного элемента
Рассмотрим схему замещения, где резистор представлен как идеализированный элемент. При выбранных положительных направлениях (см. Рис. 2) ток и напряжение на резисторе связаны фундаментальным соотношением, вытекающим из закона Ома для участка цепи.

Базовые уравнения
Напряжение на резисторе \( u_R \) определяется разностью потенциалов между его выводами (точками подключения «а» и «б»):
$$ u_R = u_{ab} = \phi_a — \phi_b = i \cdot R $$
Где:
- \( \phi_a, \phi_b \) — электрические потенциалы точек «а» и «б» соответственно (измеряются в Вольтах, В). Потенциал характеризует потенциальную энергию единичного заряда в данной точке поля.
- \( i \) — мгновенное значение тока, протекающего через резистор (Амперы, А).
- \( R \) — электрическое сопротивление резистора (Омы, Ом).
Понятие линейности
Если величина сопротивления \( R = \text{const} \), то есть она является константой и не зависит от:
- Величины протекающего тока;
- Приложенного напряжения;
- Времени протекания тока;
То такой резистор называется линейным. В линейных электрических цепях выполняется принцип суперпозиции, что значительно упрощает расчеты.
Для линейного резистора связь между мгновенными значениями напряжения и тока описывается линейным алгебраическим уравнением:
$$ u_R(t) = R \cdot i(t) $$
Это уравнение (обозначим его как формула 1) говорит нам о том, что форма кривой напряжения полностью повторяет форму кривой тока, отличаясь только масштабом (множителем \( R \)). Если ток постоянный (DC), то и напряжение постоянно. Если ток — треугольный импульс, напряжение будет иметь форму треугольника.
3. Установившийся синусоидальный режим (AC Analysis)
Наибольший интерес для электроэнергетики и радиотехники представляет поведение резистора в цепях переменного гармонического (синусоидального) тока. Рассмотрим случай, когда ток изменяется по периодическому закону.
Математическое описание тока
Пусть ток в цепи описывается функцией времени:
$$ i(t) = I_m \sin(\omega t + \psi) $$
Разбор компонентов формулы:
- \( I_m \) — Амплитуда тока (максимальное значение). Единица: Ампер.
- \( \omega t + \psi \) — Полная фаза колебаний.
- \( \psi \) — Начальная фаза (значение фазы при \( t=0 \)). На Рис. 2 для упрощения принято \( \psi = 0 \).
- \( \omega \) — Угловая частота, показывающая скорость изменения фазы. Связана с периодом \( T \) и частотой \( f \) соотношением:
$$ \omega = 2\pi f = \frac{2\pi}{T} $$ - \( T \) — Период синусоиды (время одного полного колебания).
Вывод уравнения напряжения
Подставим выражение для тока в основное уравнение линейного резистора (формула 1):
$$ u_R(t) = R \cdot i(t) = R \cdot [I_m \sin(\omega t + \psi)] $$
Используя ассоциативность умножения, сгруппируем константы:
$$ u_R(t) = (R \cdot I_m) \sin(\omega t + \psi) $$
Обозначим произведение \( R \cdot I_m \) как амплитуду напряжения \( U_{mR} \). Тогда получаем финальное уравнение:
$$ u_R(t) = U_{mR} \sin(\omega t + \psi) $$

Физический смысл результата
Из полученного вывода следуют два критически важных заключения для инженеров:
1. Совпадение по фазе: Аргумент синуса \( (\omega t + \psi) \) одинаков и для тока, и для напряжения.
Это означает, что фазовый сдвиг \( \varphi \) между ними равен нулю:
$$ \varphi = \psi_u — \psi_i = 0 $$
Визуально (см. Рис. 3) это значит, что график напряжения и график тока одновременно пересекают ось времени (нулевое значение) и одновременно достигают своих максимумов и минимумов.
Резистор — это активное сопротивление, он не вносит инерции в систему.
2. Закон Ома для амплитуд: Амплитуды связаны простейшим линейным соотношением:
$$ U_{mR} = R \cdot I_m $$
Это соотношение справедливо и для действующих (среднеквадратичных) значений: \( U = I \cdot R \), где \( U = U_m/\sqrt{2} \).
4. Мощность резистора
Мгновенная мощность, поступающая в резистор, определяется произведением мгновенных значений напряжения и тока:
$$ p(t) = u_R(t) \cdot i(t) $$
Для синусоидального режима, учитывая совпадение фаз:
$$ p(t) = U_m \sin(\omega t) \cdot I_m \sin(\omega t) = U_m I_m \sin^2(\omega t) $$
Используя тригонометрическую формулу понижения степени \( \sin^2\alpha = \frac{1 — \cos 2\alpha}{2} \), получаем:
$$ p(t) = \frac{U_m I_m}{2} (1 — \cos 2\omega t) $$
Вывод: Мгновенная мощность пульсирует с двойной частотой \( 2\omega \) относительно частоты тока. При этом график мощности всегда находится в положительной области (выше нуля). Это математически подтверждает, что резистор всегда потребляет энергию, никогда не возвращая её обратно в источник. Среднее значение этой мощности за период называется активной мощностью \( P \):
$$ P = \frac{U_m I_m}{2} = \frac{U_m}{\sqrt{2}} \cdot \frac{I_m}{\sqrt{2}} = U \cdot I = I^2 R $$
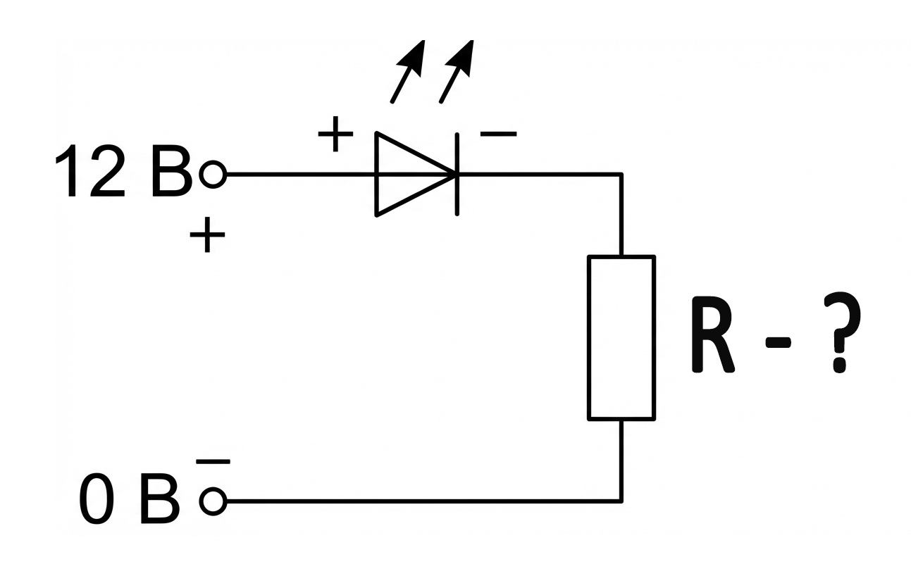
5. Практический пример: Полный расчет резистора для светодиода
Самая частая задача — расчет токоограничивающего резистора. Светодиод (LED) — это нелинейный элемент, и если подключить его к источнику напряжения напрямую, он сгорит практически мгновенно из-за лавинообразного роста тока. Резистор в этой цепи выступает в роли «узкого горлышка», ограничивающего ток на безопасном уровне.
Рассмотрим классическую задачу: нужно подключить стандартный красный светодиод к бортовой сети автомобиля (12 Вольт).
Дано:
- Напряжение источника питания (\( U_{pit} \)): 12 В (Вольт).
- Прямое падение напряжения на светодиоде (\( U_{led} \)): Для обычного красного светодиода это справочная величина, обычно составляющая около 2.0 В.
- Рабочий ток светодиода (\( I_{rab} \)): Типовое значение для индикаторных светодиодов — 20 мА (миллиампер). Для расчетов переводим в Амперы: \( 0.02 \, \text{А} \).
Шаг 1: Расчет падения напряжения на резисторе
Согласно второму закону Кирхгофа, сумма напряжений на элементах последовательной цепи равна напряжению источника. Резистор должен погасить «лишнее» напряжение, которое не нужно светодиоду.
$$ U_R = U_{pit} — U_{led} $$
Подставляем значения:
$$ U_R = 12 \, \text{В} — 2 \, \text{В} = 10 \, \text{В} $$
Вывод: Резистор должен взять на себя 10 Вольт и рассеять их в виде тепла.
Шаг 2: Расчет сопротивления (Закон Ома)
Теперь, зная напряжение на резисторе и ток, который должен через него протекать (тот же, что и через светодиод, так как цепь последовательная), применяем закон Ома:
$$ R = \frac{U_R}{I_{rab}} $$
$$ R = \frac{10 \, \text{В}}{0.02 \, \text{А}} = 500 \, \text{Ом} $$
Шаг 3: Выбор номинала из стандартного ряда (E24)
Если вы посмотрите в таблицу стандартных значений резисторов (ряд E24), вы увидите, что резистора ровно на 500 Ом не существует. Ближайшие значения:
- 470 Ом (Ток будет чуть больше: \( I = 10/470 \approx 21.2 \, \text{мА} \)).
- 510 Ом (Ток будет чуть меньше: \( I = 10/510 \approx 19.6 \, \text{мА} \)).
Совет
В электронике хорошим тоном считается выбирать номинал в большую сторону (ближайшее большее значение — 510 Ом). Незначительное снижение тока (на 0.4 мА) глаз не заметит, зато это продлит жизнь светодиоду («бережный режим») и снизит нагрев.
Итак, предварительно выбираем \( R = 510 \, \text{Ом} \).
Шаг 4: Расчет мощности и выбор корпуса
Это критический этап, который новички часто пропускают, из-за чего резисторы чернеют и пахнут гарью. Нам нужно узнать, сколько тепла выделится на корпусе резистора.
Формула мощности:
$$ P = U_R \cdot I_{rab} $$
или
$$ P = I_{rab}^2 \cdot R $$
Используем первый вариант (он проще для расчетов в уме):
$$ P = 10 \, \text{В} \cdot 0.02 \, \text{А} = 0.2 \, \text{Вт (Ватт)} $$
Анализ результата:
Стандартные выводные резисторы имеют мощностные ряды: 0.125 Вт, 0.25 Вт, 0.5 Вт, 1 Вт и т.д.
- 0.125 Вт: Слишком мало (\( 0.125 < 0.2 \)), резистор сгорит мгновенно.
- 0.25 Вт: Формально подходит (\( 0.25 > 0.2 \)), но запас слишком мал. Резистор будет работать на 80% от предела своих возможностей, будет очень горячим (>70°C), что со временем может повредить плату.
- 0.5 Вт: Идеальный вариант. Запас по мощности более чем двукратный. Резистор будет чуть теплым.
6. Разбор компонентов и выбор элементной базы
При проектировании реальных устройств недостаточно знать формулу \( U=IR \). Необходимо правильно выбрать тип компонента.
Сравнительная таблица технологий резисторов
| Тип резистора | Материал | Преимущества | Недостатки | Область применения |
|---|---|---|---|---|
| Углеродистые (Carbon Film) | Пленка углерода на керамике | Дешевизна, доступность, высокая импульсная стойкость. | Высокий уровень шумов, низкая точность, дрейф от температуры. | Бытовая электроника, неответственные цепи. |
| Металлопленочные (Metal Film) | Тонкий слой металла | Низкий шум, высокая точность (до 0.1%), стабильность. | Меньшая стойкость к импульсным перегрузкам по сравнению с проволочными. | Аудиоаппаратура, измерительные приборы, точная электроника. |
| Проволочные (Wirewound) | Проволока (манганин, константан) | Огромная рассеиваемая мощность, высочайшая точность, термостабильность. | Имеют паразитную индуктивность (работают как катушка), большие габариты. | Силовые цепи, шунты тока, прецизионные делители. |
Критические параметры при выборе
- Номинальная мощность рассеяния \( (P_{nom}) \): Самый важный параметр после сопротивления. Если мощность, выделяемая на резисторе \( (P = I^2R) \), превысит номинальную, резистор перегреется и сгорит.
- ТКС (Температурный коэффициент сопротивления): Показывает, насколько изменится сопротивление при нагреве на 1 градус. Для точных приборов нужен минимальный ТКС.
- Предельное рабочее напряжение: Даже если мощность не превышена, высокое напряжение может вызвать электрический пробой по поверхности корпуса.
7. Интересные факты о резисторах и сопротивлении
Мир пассивных компонентов гораздо увлекательнее, чем кажется на первый взгляд. Вот 7 фактов, которые расширят ваше инженерное понимание:
- Глобальный стандарт E. Вы когда-нибудь задумывались, почему существуют резисторы на 4.7 кОм, но нет ровно на 5 кОм? Это связано с рядами предпочтительных чисел (ряды E6, E12, E24 и т.д.), разработанными еще в начале 20 века. Значения в них распределены по логарифмическому закону, чтобы перекрывать весь диапазон сопротивлений с учетом погрешности (допуска). Это гениальная математическая оптимизация производства.
- Шум Джонсона — Найквиста. Даже если резистор просто лежит на столе и никуда не подключен, внутри него генерируется электрический шум. Хаотичное тепловое движение электронов создает флуктуации напряжения на выводах. Чем выше температура и сопротивление, тем сильнее этот «белый шум». Это физическое ограничение чувствительности любого приемника во Вселенной.
- Самый мощный резистор. В электровозах и трамваях используются гигантские тормозные реостаты. При торможении двигатели переключаются в режим генераторов, и вся кинетическая энергия многотонного поезда превращается в электричество, которое сжигается на огромных резисторах на крыше, нагревая атмосферу. Это наглядная демонстрация закона сохранения энергии.
- Отрицательное сопротивление. Существуют экзотические приборы (например, туннельные диоды), которые на определенном участке вольт-амперной характеристики ведут себя вопреки закону Ома: при увеличении напряжения ток через них уменьшается. Это явление называют дифференциальным отрицательным сопротивлением, и оно используется для создания генераторов частоты.
- Человек-резистор. Сопротивление сухой кожи человека может достигать 100 кОм, но стоит коже вспотеть или получить повреждение, как оно падает до 1 кОм и ниже. Именно поэтому низкие напряжения (до 40-50 В) считаются условно безопасными в сухих помещениях, но смертельно опасными во влажных. Полиграфы (детекторы лжи) работают именно на измерении изменения сопротивления кожи (КГР).
- Нулевой предел. При охлаждении некоторых материалов (ртуть, свинец, ниобий) до температур, близких к абсолютному нулю, их электрическое сопротивление исчезает полностью. Ток в замкнутом кольце сверхпроводника может циркулировать годами без затухания. Это единственное исключение из правила, что «резистор всегда греется».
- Лазерная подгонка. Внутри прецизионных микросхем резисторы создаются методом напыления. Чтобы добиться точности в 0.01%, на заводе специальный лазер выжигает часть проводящего слоя (делает L-образный надрез), физически удлиняя путь тока и повышая сопротивление до идеального значения уже после сборки кристалла.
8. Часто задаваемые вопросы (FAQ)
Нормативная база
- ГОСТ 2.728-74 — Обозначения условные графические в схемах. Резисторы, конденсаторы.
- ГОСТ 28883-90 — Резисторы постоянные и переменные. Термины и определения.
- ГОСТ Р 50463-92 — Резисторы постоянные для электронной аппаратуры. Общие технические условия.
Рекомендуемая литература:
- Бессонов Л. А.* Теоретические основы электротехники. Электрические цепи. — М.: Юрайт, 2020. (Классический вузовский учебник).
- Хоровиц П., Хилл У.* Искусство схемотехники. — М.: Мир, 2018. (Библия современной электроники, глава 1).
- Матханов П. Н.* Основы анализа электрических цепей. — М.: Высшая школа, 1981.
