Содержание страницы
- 1. Теоретические основы и необходимость двухтактных схем
- 2. Структурная схема и принцип действия
- 3. Выбор топологии силовой части
- 4. Подробный анализ работы схемы Push-Pull (со средней точкой)
- 5. Математический расчет и регулировочная характеристика
- 6. Проблемы эксплуатации: Индуктивность рассеяния и Снабберы
- 7. Проблема «одностороннего подмагничивания»
- 8. Практический пример: расчет силовой части двухтактного преобразователя
- 9. Интересные факты о двухтактных преобразователях
- 10. FAQ: Часто задаваемые вопросы
- Заключение
Двухтактные преобразователи (Push-Pull converters) — это класс импульсных источников питания, в которых энергия передается от первичного источника в нагрузку в течение обоих полупериодов работы трансформатора. Это ключевое отличие от однотактных схем (обратноходовой, прямоходовой преобразователь), позволяющее достигать мощностей от 1 кВт до десятков мегаватт с высоким КПД и эффективным использованием магнитного сердечника.
История преобразования постоянного напряжения берет свое начало задолго до появления полупроводников. В начале XX века использовались электромашинные преобразователи (умформеры) и вибропреобразователи, работавшие на частотах 50–100 Гц. Они были громоздкими, шумными и имели низкий КПД.
Революция произошла в 1950-х годах с появлением тиристоров и биполярных транзисторов, что позволило повысить частоту преобразования до единиц килогерц. Однако настоящий прорыв случился в 1980-х с внедрением мощных полевых транзисторов (MOSFET) и IGBT. Это позволило поднять частоты коммутации до сотен килогерц, радикально уменьшить габариты магнитных элементов и создать современные компактные импульсные блоки питания (ИБП), которые сегодня питают всё: от серверов до сварочных аппаратов.
1. Теоретические основы и необходимость двухтактных схем
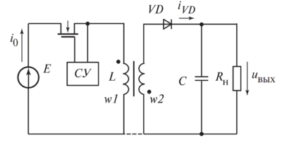
В силовой электронике существует четкое разделение по мощностям. Однотактные преобразователи (например, обратноходовые или прямоходовые) отлично справляются с задачами малой мощности (зарядные устройства, питание логики), обычно до 100–300 Вт, иногда до 1 кВт с применением сложных технических решений. Однако при попытке масштабировать однотактную топологию возникают физические ограничения:
- Неэффективное использование гистерезиса магнитного сердечника (работа только в одном квадранте кривой намагничивания).
- Огромные пиковые токи через единственный ключ.
- Необходимость в габаритных фильтрах из-за больших пульсаций.
Аналогия: Представьте, что вы накачиваете колесо автомобиля.
Однотактный преобразователь похож на работу ручным насосом одной рукой: вы давите вниз (рабочий ход), а потом тратите время, чтобы поднять ручку вверх (холостой ход). Поток воздуха прерывистый.
Двухтактный преобразователь работает как поршневая группа в двигателе или как два человека, пилящих бревно двуручной пилой: пока один тянет, другой толкает. Работа совершается непрерывно, эффективность удваивается, а движение полотна (тока) становится более плавным.
Практически все мощные (более 1 кВт) преобразователи строятся по схемам с промежуточным звеном переменного тока. Это позволяет использовать трансформатор для гальванической развязки и масштабирования напряжения.
2. Структурная схема и принцип действия
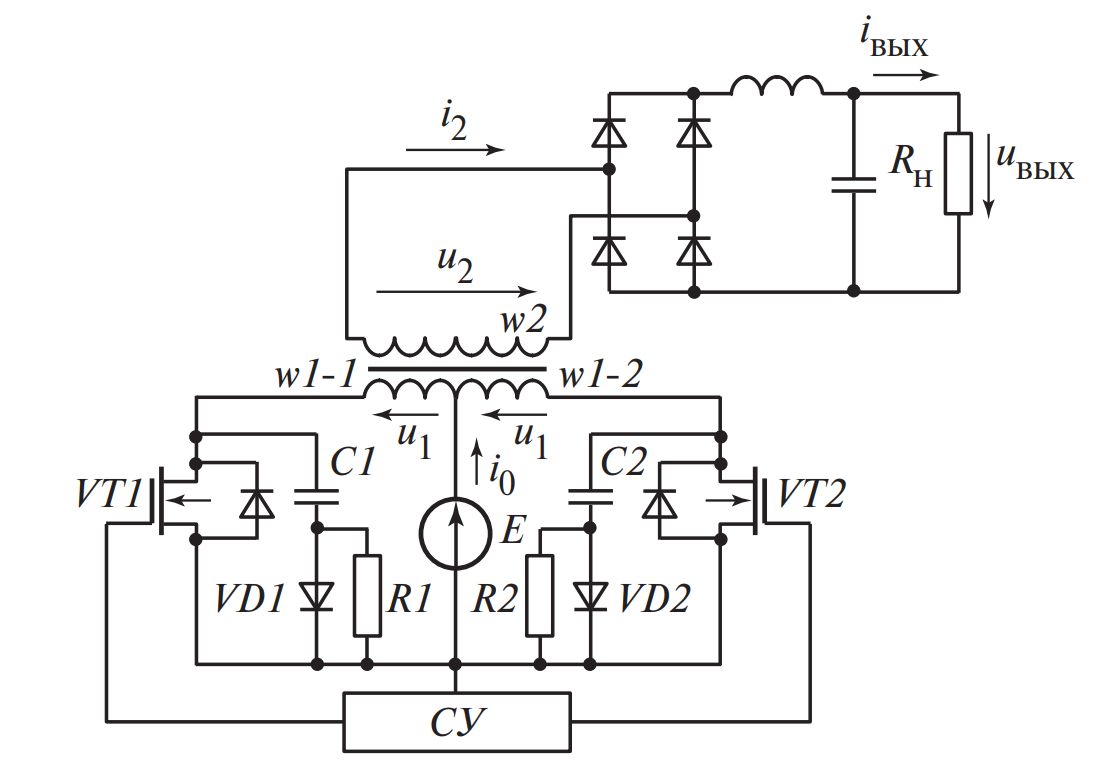
Рассмотрим обобщенную структуру двухтактного преобразователя, представленную на рисунке 1. Система состоит из инвертора, который «нарезает» постоянный ток, трансформатора и выпрямителя.

Разбор функциональных узлов:
- Инвертор: Преобразует постоянное входное напряжение \(E\) в переменное напряжение \(u_и\) прямоугольной формы. Это «сердце» схемы. Ключи инвертора коммутируются с частотой, задаваемой системой управления (СУ).
- Трансформатор: Выполняет две функции: гальваническую развязку (безопасность) и изменение амплитуды напряжения (коэффициент трансформации \(k\)). В отличие от однотактных схем, здесь трансформатор работает в симметричном режиме, перемагничиваясь от \(-B_{max}\) до \(+B_{max}\), что позволяет уменьшить габариты сердечника вдвое.
- Неуправляемый выпрямитель: Преобразует переменное напряжение вторичной обмотки обратно в пульсирующее постоянное.
- Фильтр (обычно LC): Сглаживает пульсации, выдавая потребителю чистое постоянное напряжение \(u_{вых}\).
Регулирование выходного напряжения \(U_{вых}\) осуществляется методом широтно-импульсной модуляции (ШИМ). СУ изменяет отношение длительности импульса \(T_и\) к периоду \(T_п\), тем самым меняя среднее значение энергии, передаваемой в нагрузку.
3. Выбор топологии силовой части
Выбор конкретной схемы инвертора критически зависит от входного напряжения \(E\) и требуемой надежности. Необходимо руководствоваться следующим правилом оптимизации КПД:
| Топология | Диапазон входного напряжения | Особенности силовых ключей | Преимущества | Недостатки |
|---|---|---|---|---|
| Push-Pull (Со средней точкой) | Низкое (12В, 24В, 48В) | Напряжение на закрытом ключе: \(2 \cdot E\) | Всего 2 ключа; простое управление затворами (истоки на земле); малые потери проводимости. | Сложный трансформатор (требует строгой симметрии обмоток); высокие требования к пробивному напряжению ключей. |
| Полумост (Half-Bridge) | Среднее/Высокое (220В, 380В) | Напряжение на закрытом ключе: \(E\) | Нет подмагничивания сердечника (разделительные конденсаторы); дешевле для сетей 220В. | Ток ключей в 2 раза выше, чем в мосте; требуется емкостной делитель напряжения. |
| Полный мост (Full-Bridge) | Высокое / Очень высокая мощность | Напряжение на закрытом ключе: \(E\) | Минимальные требования к напряжению и току ключей при больших мощностях; лучший КПД. | 4 ключа + 4 драйвера; сложная схемотехника; дороговизна. |
4. Подробный анализ работы схемы Push-Pull (со средней точкой)
Рассмотрим классическую схему двухтактного преобразователя с низким напряжением питания \(E\), представленную на Рисунке 2. Эта схема часто применяется в автомобильных инверторах 12/220В и мощных автомобильных усилителях.

4.1. Описание элементов схемы
Схема построена на базе однофазного инвертора по «нулевой» схеме. Трансформатор имеет отвод от середины первичной обмотки. Входное напряжение \(E\) подается на среднюю точку. Концы обмоток через транзисторы \(VT1\) и \(VT2\) коммутируются на землю.
На вторичной стороне используется мостовой выпрямитель (для более высоких выходных напряжений) или схема со средней точкой (для низких напряжений и больших токов), нагруженный на \(LC\)-фильтр.
4.2. Этапы работы (Физика процессов)
Для анализа допустим, что элементы идеальны, а ток в дросселе фильтра непрерывен. Временные диаграммы процессов показаны на Рисунке 3.

Интервал \(t_1 — t_2\) (Рабочий ход плеча 1)
Система управления подает отпирающий сигнал на затвор транзистора \(VT1\). Транзистор открывается, соединяя вывод обмотки \(w_{1-1}\) с «землей».
Весь потенциал источника питания \(E\) прикладывается к полуобмотке \(w_{1-1}\). Ток течет от источника через среднюю точку, обмотку \(w_{1-1}\) и транзистор \(VT1\).
В сердечнике наводится магнитный поток. На вторичной обмотке \(w_2\) индуцируется напряжение:
Это напряжение открывает диоды выпрямительного моста. Энергия передается от источника \(E\) через трансформатор в дроссель фильтра \(L\) и конденсатор \(C_{вых}\), а также в нагрузку \(R_н\). Ток дросселя линейно нарастает, накапливая энергию магнитного поля.
Интервал \(t_2 — t_3\) (Пауза / Dead Time)
Это критически важный интервал. Транзистор \(VT1\) закрывается, а \(VT2\) еще не открыт. Оба ключа заперты. Напряжение на обмотках трансформатора падает до нуля (\(u_1 = u_2 = 0\)).
Что происходит с током? Ток в дросселе фильтра \(L\) не может исчезнуть мгновенно (закон коммутации). Дроссель переходит в режим источника тока, и этот ток замыкается через все диоды выпрямительного моста одновременно (так называемый режим свободного выбега). Напряжение на входе фильтра равно нулю, энергия в нагрузку поступает за счет разряда дросселя и выходного конденсатора.
Интервал \(t_3 — t_4\) (Рабочий ход плеча 2)
Открывается транзистор \(VT2\). Ток течет через полуобмотку \(w_{1-2}\). Направление магнитного потока в сердечнике меняется на противоположное (перемагничивание).
На вторичной обмотке снова появляется напряжение, но другой полярности. Благодаря выпрямителю, на входе фильтра снова формируется положительный импульс напряжения. Дроссель \(L\) снова начинает накапливать энергию.
5. Математический расчет и регулировочная характеристика
Основная задача инженера — рассчитать выходное напряжение. При пренебрежении потерями на диодах и транзисторах (идеальная модель), среднее выходное напряжение определяется вольт-секундным балансом.
Регулировочная характеристика двухтактного преобразователя выражается формулой:
Где:
- \(E\) — входное напряжение питания (В).
- \(k\) — коэффициент трансформации (\(k = w_2 / w_1\)).
- \(\gamma\) — коэффициент заполнения (Duty Cycle).
В двухтактных схемах коэффициент заполнения определяется как отношение суммарного времени включенного состояния ключей к периоду преобразования \(T_{к}\) (обратите внимание, частота пульсаций на выходе в 2 раза выше частоты работы ключей):
Максимально теоретически возможное значение \(\gamma\) стремится к 1 (без учета защитных пауз). На практике \(\gamma_{max} \approx 0.9 \dots 0.95\).
6. Проблемы эксплуатации: Индуктивность рассеяния и Снабберы
В реальном трансформаторе не весь магнитный поток сцепляется со вторичной обмоткой. Часть силовых линий замыкается по воздуху. Этот паразитный параметр называется индуктивностью рассеяния (\(L_s\)).
В момент закрытия транзистора (например, \(VT1\)), ток через обмотку должен прерваться. Однако энергия, накопленная в \(L_s\) (равная \( \frac{L_s I^2}{2} \)), не может мгновенно исчезнуть и не может быть передана во вторичную цепь.
Последствия: На коллекторе (или стоке) закрывающегося транзистора возникает высоковольтный выброс напряжения. Без защиты этот выброс может превысить пробивное напряжение кристалла полупроводника, что приведет к его выходу из строя (лавинный пробой).
Решение: RCD-снаббер
Для борьбы с выбросами применяют пассивные демпфирующие цепочки (снабберы). На Рисунке 2 показана цепочка \(C1—VD1—R1\), подключенная параллельно обмотке (или транзистору).
- Заряд: При закрывании \(VT1\) ток рассеяния течет через быстрый диод \(VD1\) и заряжает конденсатор \(C1\). Выброс напряжения «срезается» (клемпируется) уровнем напряжения на конденсаторе.
- Хранение: Когда ток падает до нуля, диод \(VD1\) закрывается, «запирая» энергию в конденсаторе.
- Сброс: При следующем открытии транзистора \(VT1\), конденсатор \(C1\) разряжается через резистор \(R1\) и сам транзистор. Энергия переходит в тепло на резисторе \(R1\).
7. Проблема «одностороннего подмагничивания»
Одной из главных проблем Push-Pull топологии является эффект, известный как «Flux Walking» (уход потока). Если длительность импульса \(T_и\) для \(VT1\) и \(VT2\) будет отличаться даже на наносекунды (из-за разброса параметров драйверов или ключей) или если сопротивление открытого канала \(R_{ds(on)}\) транзисторов будет разным, возникнет постоянная составляющая напряжения на первичной обмотке.
Это приведет к тому, что рабочая точка на кривой гистерезиса будет смещаться (ползти) в сторону насыщения с каждым циклом. Насыщение сердечника (\(\mu \to 0\)) превращает трансформатор в кусок провода с низким сопротивлением, что вызывает катастрофический рост тока и взрыв ключей.
Методы борьбы (Current Mode Control):
Современные контроллеры используют управление по току (Current Mode). Они следят не за временем открытия, а за пиковым током каждого ключа, принудительно выравнивая магнитные потоки в тактах, что устраняет эффект несимметрии.
8. Практический пример: расчет силовой части двухтактного преобразователя
Проведем расчет силовой части двухтактного преобразователя (Push-Pull). Это типичная задача при проектировании источника питания для автомобильного усилителя или инвертора для солнечной панели.
Исходные данные (Техническое задание)
| Параметр | Обозначение | Значение |
|---|---|---|
| Диапазон входного напряжения | \(V_{in}\) | 10.5 В … 14.5 В (Номинал 12 В) |
| Выходное напряжение | \(V_{out}\) | 48 В |
| Выходная мощность | \(P_{out}\) | 240 Вт (Ток \(I_{out} = 5 А\)) |
| Частота преобразования (на ключ) | \(f_{sw}\) | 50 кГц |
| Максимальный коэффициент заполнения | \(\gamma_{max}\) | 0.9 (или 90% суммарно, по 45% на плечо) |
| Предполагаемый КПД | \(\eta\) | 85% |
Шаг 1. Определение коэффициента трансформации
Расчет всегда ведется для наихудшего случая: минимальное входное напряжение (\(V_{in(min)} = 10.5В\)) при максимальной нагрузке. Нам необходимо обеспечить выходные 48 В даже когда аккумулятор «подсел».
Учтем падение напряжения на диодах выпрямителя (\(V_d \approx 1В\)) и сопротивлении обмоток/ключей.
Необходимое напряжение на вторичной обмотке:
Теперь найдем требуемый коэффициент трансформации \(n\) (отношение витков вторичной обмотки к первичной):
Где \(\Delta V_{sw}\) — падение на открытом MOSFET (примем 0.5 В).
Округлим целевой коэффициент до 5.5.
Шаг 2. Расчет первичной обмотки трансформатора
Для мощности 240 Вт выберем распространенный ферритовый сердечник формы ETD-39 из материала N87 или PC40.
Эффективная площадь сечения сердечника ETD-39 составляет \(A_e \approx 125 \text{ мм}^2 = 1.25 \cdot 10^{-4} \text{ м}^2\).
Используем закон электромагнитной индукции Фарадея для прямоугольных импульсов. Чтобы избежать насыщения, выберем размах индукции \(\Delta B\) не более 0.3 Тл (для двухтактной схемы рабочий диапазон от -0.15 до +0.15 Тл).
Минимальное число витков первичной полуобмотки:
Длительность импульса \(T_{on}\) при 50 кГц и заполнении 0.45 (на плечо):
\( T_{on} = \frac{1}{f_{sw}} \cdot 0.45 = 20 \text{ мкс} \cdot 0.45 = 9 \text{ мкс} \).
Результат: Округляем до целого числа в большую сторону. Примем 3 витка для каждой половины первичной обмотки. (Схема намотки: 3 витка + 3 витка с отводом от середины).
Шаг 3. Расчет вторичной обмотки
Используя полученный ранее коэффициент трансформации \(n = 5.5\):
Округляем до 17 витков. Это обеспечит необходимый запас по напряжению для стабилизации.
Шаг 4. Расчет выходного дросселя фильтра
Дроссель — ключевой элемент, превращающий ШИМ-импульсы в постоянный ток. Расчет ведется исходя из допустимых пульсаций тока \(\Delta I_L\). Обычно задают пульсации в размере 20-30% от номинального тока нагрузки.
- Ток нагрузки: \(I_{out} = 5 \text{ А}\).
- Пульсации тока: \(\Delta I_L = 0.2 \cdot 5 = 1 \text{ А}\).
- Частота пульсаций на дросселе: \(f_{out} = 2 \cdot f_{sw} = 100 \text{ кГц}\) (особенность двухтактной схемы!).
Индуктивность рассчитывается для момента паузы (когда дроссель отдает энергию), либо для момента импульса. Возьмем формулу для фазы накопления энергии при максимальном входном напряжении (худший режим для дросселя):
Напряжение вторичной обмотки при \(V_{in(max)} = 14.5В\):
\( V_{sec} \approx 14.5 \cdot \frac{17}{3} \approx 82 \text{ В} \).
Коэффициент заполнения при этом напряжении снизится, чтобы удержать 48В на выходе:
\( \gamma = \frac{48}{82} \approx 0.58 \) (или 0.29 на плечо).
Время включенного состояния: \( T_{on} = \frac{1}{100000} \cdot 0.58 \approx 5.8 \text{ мкс} \).
Выбор: Выбираем ближайший стандартный номинал или наматываем дроссель индуктивностью 200 мкГн на сердечнике из распыленного железа (Iron Powder) или материала Kool Mµ, способного работать с постоянным подмагничиванием 5А.
Итоговая спецификация силовой части
- Трансформатор: Сердечник ETD-39 N87. Первичная обмотка: 3+3 витка. Вторичная: 17 витков.
- Ключи: MOSFET с напряжением \(V_{ds} > 2 \cdot V_{in(max)} + \text{выброс} \approx 40…50\text{В}\). Подойдут транзисторы на 55В или 60В (например, IRFZ44N или современные аналоги с низким \(R_{ds}\)).
- Выходной дроссель: 200 мкГн, ток насыщения > 6-7 А.
- Выходной конденсатор: Рассчитывается из допустимых пульсаций напряжения (обычно Low ESR, 470-1000 мкФ).
9. Интересные факты о двухтактных преобразователях
- Парадокс двойного напряжения. В схеме Push-Pull (со средней точкой) закрытый транзистор должен выдерживать напряжение, минимум в два раза превышающее напряжение питания (\(2 \cdot E\)). Это происходит из-за автотрансформаторного эффекта первичной обмотки: пока одно плечо «тянет» к земле, второе «подпрыгивает» вверх относительно средней точки.
- Магнитная эффективность. В отличие от обратноходовых (Flyback) преобразователей, где сердечник работает только в первом квадранте петли гистерезиса, двухтактные схемы используют полный цикл перемагничивания (от \(-B_{max}\) до \(+B_{max}\)). Это позволяет передавать ту же мощность через трансформатор, который в 2 раза меньше по габаритам.
- «Лестница в небо». Существует опасный эффект, называемый Flux Walking («уход потока»). Если длительность импульсов на плечах отличается хотя бы на доли процента, остаточная намагниченность накапливается с каждым тактом, словно по ступеням, пока сердечник не войдет в насыщение, что гарантированно сжигает силовые ключи.
- Автозвуковой стандарт. 99% всех мощных автомобильных усилителей звука используют именно Push-Pull топологию для повышения бортовых 12 вольт до двуполярного напряжения ±30…80 вольт. Это связано с тем, что истоки транзисторов удобно «сидят» на минусе питания, упрощая схему драйверов.
- Удвоение частоты. Частота пульсаций на выходном фильтре двухтактного преобразователя всегда равна удвоенной частоте коммутации транзисторов. Если ключи работают на 50 кГц, фильтр рассчитывается на 100 кГц, что позволяет существенно уменьшить размеры дросселей и конденсаторов.
- Космическое наследие. Первые двухтактные преобразователи (на основе мультивибратора Ройера) широко использовались в космических аппаратах 1960-70х годов (включая программу «Вояджер») благодаря своей способности к самовозбуждению и простоте, что обеспечивало высокую надежность в условиях радиации.
- Мертвая зона. Понятие Dead Time (мертвое время) родилось именно из двухтактных топологий. Это искусственная пауза между выключением одного транзистора и включением другого, необходимая для того, чтобы исключить «сквозной ток» — ситуацию, когда оба ключа открыты одновременно, создавая короткое замыкание источника.
10. FAQ: Часто задаваемые вопросы
1. Почему транзисторы в схеме Push-Pull греются неравномерно?
Это классический признак несимметрии схемы. Причиной может быть разброс параметров самих транзисторов (разное сопротивление канала \(R_{ds(on)}\)), разная длина дорожек на печатной плате или, что чаще всего, разная индуктивность рассеяния половинок первичной обмотки. Это приводит к перекосу намагничивания и тому, что одно плечо берет на себя большую токовую нагрузку.
2. Можно ли использовать схему со средней точкой (Push-Pull) для напряжения сети 220В?
Теоретически да, но практически — нет. В такой схеме к закрытому ключу прикладывается напряжение \(2 \cdot U_{вх}\). Для сети 220В (где амплитуда достигает 310В) транзисторы должны выдерживать более 650–700В, а с учетом выбросов — 900–1000В. Высоковольтные транзисторы дороги и имеют большое сопротивление канала, поэтому для сетевого питания выгоднее использовать полумостовую (Half-Bridge) топологию.
3. Зачем нужен снаббер, если используются современные транзисторы с лавинным пробоем?
Хотя современные MOSFET способны поглощать некоторую энергию в режиме лавинного пробоя, делать это циклически (50-100 тысяч раз в секунду) недопустимо — кристалл перегреется и деградирует. Снаббер (RC или RCD цепочка) перехватывает энергию паразитной индуктивности рассеяния трансформатора и рассеивает её на резисторе, защищая транзистор от высоковольтных иголок и продлевая срок его службы.
4. Как правильно мотать трансформатор для двухтактного преобразователя?
Главное правило — бифилярная намотка первичной обмотки. Провода для обоих плеч складываются вместе и мотаются одновременно, равномерно распределяясь по каркасу. Только после намотки концы фазируются так, чтобы получить среднюю точку. Это единственный способ обеспечить максимально близкие активные сопротивления и индуктивности рассеяния для обоих плеч.
5. Чем Current Mode (управление по току) лучше Voltage Mode (управление по напряжению)?
Для двухтактных схем Current Mode является спасением от эффекта «ухода потока» (Flux Walking). Контроллер в каждом такте следит за пиковым током ключа и отключает его при достижении порога. Это автоматически симметрирует магнитный поток в сердечнике, даже если длительность импульсов получается немного разной. Voltage Mode не видит перекоса токов и может привести к насыщению трансформатора.
Заключение
Двухтактные преобразователи постоянного напряжения являются «рабочими лошадками» в мире силовой электроники средней и большой мощности. Топология Push-Pull обеспечивает оптимальное соотношение цены и эффективности для низковольтных входных цепей, в то время как мостовые схемы доминируют в высоковольтных применениях.
Нормативная база
- ГОСТ IEC 61204-7-2014 — «Источники питания низковольтные импульсные. Требования безопасности». (Действующий, аутентичный текст международного стандарта).
- ГОСТ 26567-85 — «Преобразователи электроэнергии полупроводниковые. Методы испытаний». (Базовый стандарт для проверки параметров).
Список рекомендуемой литературы
- Мелешин В. И. «Транзисторная преобразовательная техника». — М.: Техносфера, 2005.
- Семенов Б. Ю. «Силовая электроника: от простого к сложному». — М.: СОЛОН-Пресс, 2011.
- Мэк Р. «Импульсные источники питания. Теоретические основы проектирования и руководство по практическому применению». — М.: Додэка-XXI, 2008.
