Содержание страницы
- 1. Фундаментальные основы ферромагнетизма
- 2. Гистерезис: Магнитная память и потери
- 3. Материаловедение: Чем заполнить сердечник?
- 4. Потери в магнитопроводе: Математика тепла
- 5. Работа в импульсном режиме и подмагничивание
- 6. Высокочастотные эффекты в обмотках
- 7. Паразитные параметры и современные технологии
- 8. Практический пример: Расчет силового импульсного трансформатора
- 9. Интересные факты о ферромагнетизме и трансформаторах
- 10. FAQ: Часто задаваемые вопросы
- Заключение
Данный материал представляет собой глубокое погружение в мир магнитных материалов и пассивных компонентов, являющихся сердцем любого источника питания, инвертора или преобразователя частоты. Мы пройдем путь от фундаментальной физики доменов и спинов до инженерных расчетов высокочастотных трансформаторов. Вы узнаете, почему сталь греется, как «память» металла (гистерезис) влияет на КПД устройства, и почему на высоких частотах обычный провод перестает работать эффективно. Мы рассмотрим эволюцию от массивного железа 19-го века до современных нанокристаллических сплавов и планарных технологий.
1. Фундаментальные основы ферромагнетизма
1.1. Природа магнитной индукции и напряженности
В основе работы любого индуктивного элемента лежит взаимодействие магнитного поля с веществом. Ключевыми характеристиками здесь выступают вектор магнитной индукции \( B \) и вектор напряженности магнитного поля \( H \). Ферромагнитные материалы — это особый класс веществ (железо, никель, кобальт и их сплавы), которые обладают уникальной способностью многократно усиливать внешнее магнитное поле.
Связь между индукцией и напряженностью в вакууме линейна, но в ферромагнетиках она носит сложный нелинейный характер. Это описывается фундаментальными уравнениями:
$$ B = \mu_0 (H + M) $$
Где:
- \( \mu_a \) — абсолютная магнитная проницаемость среды.
- \( \mu_0 = 4\pi \cdot 10^{-7} \) Гн/м — магнитная постоянная (проницаемость вакуума).
- \( M \) — намагниченность вещества, показывающая вклад самого материала в итоговое поле.
На практике инженеры чаще оперируют понятием относительной магнитной проницаемости \( \mu_r \), которая показывает, во сколько раз материал «лучше» вакуума проводит магнитный поток:
1.2. Кривая намагничивания и насыщение
Процесс намагничивания не бесконечен. Зависимость индукции \( B \) от напряженности \( H \) называется основной кривой намагничивания (КН). Она представляет собой геометрическое место вершин частных циклов перемагничивания. Для магнитомягких материалов эта кривая практически совпадает с начальной кривой намагничивания, которую получают при первом включении поля для абсолютно размагниченного образца.

Рассмотрим Рисунок 1. При увеличении напряженности \( H \) индукция сначала растет круто (область легкого смещения доменных границ), затем рост замедляется. Пологий участок кривой соответствует режиму насыщения.
В конкретной рабочей точке \( a \) с координатами \( H_a \) и \( B_a \) (см. Рис. 1) поведение материала при малых сигналах описывается дифференциальной магнитной проницаемостью:
Это значение не является константой и меняется по мере движения вдоль кривой, стремясь к минимуму в зоне насыщения. Также различают статическую проницаемость (для постоянного поля) и динамическую (для переменного), о чем мы поговорим ниже.
2. Гистерезис: Магнитная память и потери
2.1. Статическая петля гистерезиса (СПГ)
Ферромагнетики «помнит» свою историю. Если намагнитить материал до насыщения, а затем начать снижать поле до нуля, индукция не вернется к нулю по той же траектории. Она пойдет «выше», сохраняя остаточную индукцию \( B_r \). Это явление называется гистерезисом (от греч. «отставание»).

На Рисунке 2 изображена предельная статическая петля гистерезиса (СПГ). Она получается при очень медленном изменении поля (\( dH/dt \approx 0 \)).
Основные параметры петли:
- Индукция насыщения (\( B_s \)): Максимально достижимое значение индукции.
- Остаточная индукция (\( B_r \)): Значение индукции при выключенном внешнем поле (\( H=0 \)). Именно благодаря \( B_r \) существуют постоянные магниты.
- Коэрцитивная сила (\( H_c \)): Напряженность поля обратного знака, которую нужно приложить, чтобы полностью размагнитить материал (довести \( B \) до нуля).
Участки от \( B_m \) до \( -H_c \) соответствуют размагничиванию, а от \( -H_c \) до \( B_m \) — намагничиванию. Чем «квадратнее» петля, тем лучше материал подходит для запоминающих устройств или магнитных усилителей. Это оценивается коэффициентом прямоугольности:
2.2. Динамическая петля гистерезиса (ДПГ)
В реальной силовой электронике процессы протекают быстро. Частоты коммутации достигают сотен килогерц и мегагерц. В этих условиях статическая петля уже не описывает реальность корректно. Используется понятие Динамической петли гистерезиса (ДПГ).

Как видно из Рисунка 3, с ростом частоты петля «раздувается». Это происходит по двум основным причинам:
- Магнитная вязкость: Домены имеют инерцию. Они не успевают мгновенно развернуться вслед за быстро меняющимся полем. Это создает эффект запаздывания фазы индукции относительно напряженности.
- Вихревые токи (Токи Фуко): Переменное магнитное поле, согласно закону Фарадея, наводит электрические токи в самом теле сердечника. Эти токи создают собственное контрмагнитное поле (правило Ленца), которое препятствует проникновению внешнего поля внутрь материала.
3. Материаловедение: Чем заполнить сердечник?
Выбор материала зависит от рабочей частоты и требуемой индукции. Современная промышленность предлагает широкий спектр решений.
3.1. Электротехнические стали и Пермаллои (Низкие частоты)
В диапазоне от 50 Гц до 5 кГц королем остается железо.
- Кремнистая сталь (Electrical Steel): Добавка кремния (Si) повышает удельное сопротивление железа, снижая вихревые токи. Бывает изотропной (для моторов) и анизотропной (текстурированной, для трансформаторов), где зерна ориентированы вдоль проката.
- Пермаллои (Fe-Ni): Сплавы железа с никелем. Обладают феноменально высокой проницаемостью (до 100 000 и выше) и очень узкой петлей гистерезиса (\( H_c < 4 \) А/м). Идеальны для датчиков тока, экранирования и прецизионных трансформаторов.
3.2. Ферриты (Высокие и Сверхвысокие частоты)
Когда частота превышает 10-20 кГц, вихревые токи в металлах становятся катастрофическими. Решением стали ферриты — оксидная керамика.
- MnZn (Марганец-Цинк): Рабочие лошадки силовой электроники. Высокая проницаемость, высокая индукция насыщения (0.3-0.5 Тл). Работают до 1-2 МГц.
- NiZn (Никель-Цинк): Имеют очень низкую проницаемость, но огромное сопротивление. Работают на частотах 10 МГц и выше, но чувствительны к температуре и имеют низкий \( B_s \).
3.3. Магнитодиэлектрики и Порошковые материалы
Для дросселей фильтров и реакторов коррекции коэффициента мощности (PFC) нужны материалы, которые тяжело насытить (пологая кривая намагничивания). Раньше для этого пилили физический зазор в феррите. Сейчас используют распределенный зазор.
Альсифер (Sendust): Сплав Al-Si-Fe, размолотый в порошок и склеенный диэлектриком. Каждая частичка металла изолирована, что создает миллионы микрозазоров. Материал имеет низкую проницаемость \( \mu_r \), но линейно работает при огромных токах подмагничивания. Ссылка на стандарты: ГОСТ 19693-74 «Материалы магнитные».
3.4. Аморфные и Нанокристаллические сплавы
Вершина эволюции материалов. Их получают методом быстрой закалки (литье расплава на вращающийся холодный барабан), скорость охлаждения — миллион градусов в секунду. Атомы не успевают построить кристаллическую решетку, застывая в хаосе («металлическое стекло»).
- Экстремально низкие потери (в разы меньше ферритов и стали).
- Высокая индукция насыщения (1.2 — 1.5 Тл).
- Идеальны для миниатюрных, но мощных преобразователей.
Сравнительная таблица магнитных материалов
| Материал | Состав | \( B_{sat} \) (Тл) | \( \mu_r \) | Частотный диапазон | Применение |
|---|---|---|---|---|---|
| Электротехническая сталь | Fe + Si (3-4%) | 1.8 — 2.0 | ~1 000 — 40 000 | 50 Гц — 1 кГц | Сетевые трансформаторы, двигатели |
| Пермаллой | Fe + Ni (~80%) | 0.7 — 0.8 | 50 000 — 100 000+ | до 20 кГц | Датчики, экраны, УЗО |
| Феррит MnZn | Fe, Mn, Zn oxides | 0.3 — 0.5 | 1 000 — 15 000 | 10 кГц — 2 МГц | Импульсные трансформаторы SMPS |
| Альсифер (Kool Mµ) | Al, Si, Fe | ~1.0 | 26 — 125 | до 500 кГц | Дроссели групповой стабилизации, PFC |
| Нанокристаллические | Fe, Cu, Nb, Si, B | 1.2 — 1.3 | 20 000 — 80 000 | до 100-200 кГц | Компактные трансформаторы, EMI фильтры |
4. Потери в магнитопроводе: Математика тепла
Расчет потерь — критический этап проектирования. Перегрев может привести к пробою изоляции или переходу материала через точку Кюри (потеря магнитных свойств).
Классическая эмпирическая формула Штейнмеца (с модификациями) используется повсеместно для оценки удельных объемных потерь \( P_{vol} \) (Вт/см³):
В тексте стандарта часто встречается нормированная запись, например формула (2.76):
Где \( \alpha \) (обычно 1.2-1.7) и \( \beta \) (обычно 2.0-2.7) — коэффициенты материала. Из формулы видно, что потери растут нелинейно. Удвоение частоты увеличивает потери более чем в два раза, а удвоение индукции — почти в четыре!
При несинусоидальном сигнале (например, ШИМ) спектр напряжения богат высшими гармониками. Потери нужно считать суммированием вклада каждой гармоники:
5. Работа в импульсном режиме и подмагничивание
В импульсных источниках питания (однотактных прямоходовых и обратноходовых) трансформатор работает в сложных условиях однополярного намагничивания.

5.1. Динамика намагничивания (Физика процесса)
Рассмотрим схему на Рис. 4. Когда ключ \( S \) замыкается, к обмотке прикладывается постоянное напряжение \( E \). Согласно закону индукции, поток в сердечнике начинает линейно нарастать. За время импульса \( t_u \) индукция изменится на величину:
Где \( N_1 \) — число витков, \( S_m \) — сечение керна.
На графике (Рис. 4в) рабочая точка движется из \( O \) в \( A_1 \).
5.2. Проблема размагничивания (Reset)
Когда ключ размыкается, магнитный поток должен куда-то деться. Если не обеспечить путь для разрядки энергии (цепь размагничивания или кламп), возникнет огромный выброс напряжения, пробивающий ключ. При наличии цепи сброса, рабочая точка возвращается из \( A_1 \) в \( O_1 \).
Если время паузы недостаточно или цепь размагничивания неэффективна, к началу следующего импульса точка не вернется в ноль. С каждым тактом индукция будет «шагать» вверх (из \( O_1 \) в \( A_2 \), из \( O_2 \) в \( A_3 \)), пока сердечник не влетит в насыщение.
6. Высокочастотные эффекты в обмотках
Потери в меди на высоких частотах часто превышают потери в сердечнике. Виной тому два эффекта: скин-эффект и эффект близости.
6.1. Скин-эффект (Поверхностный эффект)
Переменный ток стремится протекать по поверхности проводника, так как в центре вихревые токи компенсируют основной ток. Эффективное сечение провода падает, сопротивление растет. Глубина проникновения тока (скин-слой) \( \delta \) определяется формулой:
Для меди при 100°C:
- 50 Гц: \( \delta \approx 9 \) мм
- 50 кГц: \( \delta \approx 0.3 \) мм
- 1 МГц: \( \delta \approx 0.07 \) мм
Использовать провод толще \( 2\delta \) бессмысленно — середина не работает. Решение — литцендрат (жгут из множества тонких изолированных жил).
6.2. Эффект близости (Proximity effect)
Магнитное поле от соседних витков также наводит вихревые токи. Это явление часто более губительно, чем скин-эффект, особенно в многослойных обмотках.

Как показано на Рис. 5, правильное чередование слоев (Первичная-Вторичная-Первичная) радикально снижает потери за счет уменьшения локальной напряженности поля.
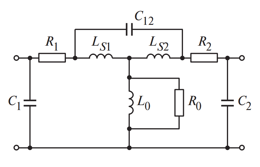
7. Паразитные параметры и современные технологии
7.1. Эквивалентная схема с паразитными элементами
На высоких частотах трансформатор — это не просто индуктивность. Это сложная колебательная система (Рис. 6).

- Индуктивность рассеяния (\( L_s \)): Энергия поля, которая не сцепилась со вторичной обмоткой. Она вызывает выбросы напряжения при коммутации.
- Межвитковая емкость: При резких фронтах напряжения ток течет через изоляцию (ток смещения), минуя индуктивность.
7.2. Планарные трансформаторы
Современный тренд — отказ от намоточных проводов в пользу печатных плат (PCB) или штампованных медных пластин. Планарная технология позволяет «впечатать» обмотки внутрь многослойной платы, а сердечник надеть поверх (конструкции E-Planar).
Преимущества:
- Идеальная повторяемость параметров (индуктивности рассеяния).
- Низкий профиль (плоские).
- Отличный теплоотвод на радиатор.
- Высокая механическая прочность.
Это ключевая технология для создания DC/DC преобразователей высокой плотности мощности (сотни ватт на кубический дюйм).
8. Практический пример: Расчет силового импульсного трансформатора
Чтобы закрепить теоретический материал, проведем полный цикл расчета реального трансформатора для импульсного источника питания (ИИП).
8.1. Техническое задание (ТЗ)
Спроектируем трансформатор для классического полумостового преобразователя (Half-Bridge), который часто используется в блоках питания компьютеров и мощных зарядных устройствах.
- Входное напряжение: Сеть 230 В (после выпрямителя на конденсаторах полумоста будет делиться пополам: \( U_{in} \approx 155 \) В).
- Выходное напряжение (\( U_{out} \)): 24 В.
- Выходная мощность (\( P_{out} \)): 500 Вт (Ток нагрузки \( I_{out} \approx 21 \) А).
- Рабочая частота (\( f \)): 50 кГц.
- Максимальная температура перегрева: +40°C относительно среды.
8.2. Шаг 1: Выбор материала и сердечника
Поскольку частота 50 кГц, электротехническая сталь не подходит из-за огромных потерь на вихревые токи. Выбираем феррит марки N87 (или аналог PC40, 3C90) — это стандартный марганец-цинковый (MnZn) материал для силовой электроники.
Для мощности 500 Вт на частоте 50 кГц необходимо выбрать сердечник с достаточной габаритной мощностью. Используем популярную методику оценки произведения площадей \( A_p \) (произведение площади окна на площадь сечения керна).
Опытным путем для 500 Вт выбираем сердечник типоразмера ETD 44/22/15.
Эффективное сечение магнитопровода: \( A_e = 173 \, \text{мм}^2 \).
Площадь окна для намотки: \( A_w = 213 \, \text{мм}^2 \).
8.3. Шаг 2: Расчет витков первичной обмотки
Это самый критический этап. Нам нужно найти баланс: мало витков — сердечник войдет в насыщение (взрыв ключей); много витков — перегрев обмотки и лишние потери меди.
Используем фундаментальный закон электромагнитной индукции Фарадея для прямоугольного импульса:
Где:
- \( U_{in(min)} \) — минимальное амплитудное напряжение на первичной обмотке (учитываем просадки сети). Возьмем \( 140 \) В.
- \( t_{on} \) — время длительности импульса. При частоте 50 кГц период \( T = 20 \) мкс. В полумосте макс. коэффициент заполнения \( D \approx 0.45 \) (оставляем «мертвое время» для защиты от сквозных токов).
\( t_{on} = 20 \cdot 0.45 = 9 \) мкс. - \( \Delta B \) — размах индукции. Феррит N87 насыщается при \( 0.39 \) Тл (при 100°C). Для надежности и снижения потерь на гистерезис выбираем рабочую амплитуду \( B_{max} = 0.15 \) Тл. Так как схема двухтактная, индукция меняется от \( -0.15 \) до \( +0.15 \), итого размах \( \Delta B = 0.3 \) Тл.
Подставляем значения:
Округляем до ближайшего целого. Примем \( N_1 = 24 \) витка.
Проверим реальную амплитуду индукции: \( B_{real} = \frac{140 \cdot 9}{24 \cdot 173} \approx 0.303 \) Тл (размах), или \( \pm 0.151 \) Тл амплитуды. Это безопасный режим, далекий от насыщения (0.39 Тл).
8.4. Шаг 3: Расчет вторичной обмотки
Определяем коэффициент трансформации \( n \). Нам нужно получить 24 В на выходе.
Однако нужно учесть падение напряжения на выпрямительных диодах Шоттки (\( V_d \approx 0.6 \) В) и падение на дросселе и проводах (\( V_{loss} \approx 1 \) В).
Требуемое напряжение вторички: \( U_2 = 24 + 0.6 + 1 = 25.6 \) В.
Номинальное напряжение на первичке принимаем 155 В.
Число витков вторичной обмотки:
Округляем до 4 витков.
Уточнение: Так как выход 24 В двухполупериодный (со средней точкой), нам нужно мотать 4 + 4 витка.
8.5. Шаг 4: Борьба со скин-эффектом (Выбор провода)
Теперь определим диаметр провода. Вспоминаем про скин-эффект. Глубина проникновения тока \( \Delta \) в медь при 50 кГц:
Это значит, что использовать провод диаметром более \( 2 \cdot \Delta \approx 0.6 \) мм бессмысленно — его центр не будет проводить ток, а будет только греться.
Оптимальный диаметр жилы выбираем 0.5 мм.
8.6. Шаг 5: Расчет сечения обмоток по току
Зададимся плотностью тока \( J \). Для импульсных трансформаторов с естественным охлаждением нормой считается \( J = 4 \dots 5 \) А/мм². Возьмем \( 4 \) А/мм².
Для первичной обмотки:
- Мощность 500 Вт. Средний ток потребления: \( I_{in} \approx 500 / 155 \approx 3.2 \) А.
- Эффективный ток (RMS) с учетом формы импульса будет выше, примерно 4 А.
- Требуемое сечение: \( S_{cu1} = 4 / 4 = 1 \, \text{мм}^2 \).
- Сечение одного провода Ø0.5 мм: \( S_{wire} = \pi \cdot 0.25^2 \approx 0.196 \, \text{мм}^2 \).
- Количество жил в жгуте (литцендрат): \( 1 / 0.196 \approx 5.1 \). Берем 5 жил по 0.5 мм.
Для вторичной обмотки:
- Ток нагрузки 21 А.
- Требуемое сечение: \( S_{cu2} = 21 / 4 = 5.25 \, \text{мм}^2 \).
- Количество жил в жгуте: \( 5.25 / 0.196 \approx 26.7 \).
- Берем 27 жил по 0.5 мм (или готовую «косичку»).
8.7. Шаг 6: Проверка на собираемость (Коэффициент заполнения окна)
Влезет ли вся эта медь в окно сердечника ETD 44?
- Площадь меди первички: \( 24 \text{ витка} \cdot 5 \text{ жил} \cdot 0.196 \approx 23.5 \, \text{мм}^2 \).
- Площадь меди вторички: \( (4+4) \text{ витка} \cdot 27 \text{ жил} \cdot 0.196 \approx 42.3 \, \text{мм}^2 \).
- Итого «чистой» меди: \( 23.5 + 42.3 = 65.8 \, \text{мм}^2 \).
Площадь окна \( A_w = 213 \, \text{мм}^2 \).
Коэффициент заполнения по меди:
Вывод: \( K_{fill} = 0.31 \) — это отличный результат. Реально с учетом изоляции проводов (лак), межслойной изоляции (майларовая лента) и неплотности намотки (круглое к круглому) окно будет заполнено примерно на 60-70%. Трансформатор собирается легко.
Результат расчета
| Параметр | Значение |
|---|---|
| Сердечник | Ferrite ETD 44 (Material N87) |
| Первичная обмотка (230В) | 24 витка, жгут 5×0.5 мм |
| Вторичная обмотка (24В) | 4 + 4 витка, жгут 27×0.5 мм |
| Зазор | 0 мм (сердечник смыкается плотно, без прокладки) |
| Максимальная индукция | 0.15 Тл (далеко от насыщения) |
9. Интересные факты о ферромагнетизме и трансформаторах
- Магнитный «голос». Характерное гудение мощных трансформаторов, которое мы слышим на подстанциях, вызвано явлением магнитострикции. Под действием переменного магнитного поля геометрические размеры кристаллической решетки сердечника меняются (материал то сжимается, то расширяется) с частотой сети, заставляя воздух вибрировать.
- Замораживание хаоса. Производство аморфных сплавов (металлических стекол) напоминает сцену из научной фантастики: расплавленный металл выливают на вращающийся барабан, охлаждая его со скоростью миллион градусов в секунду. Атомы просто не успевают выстроиться в решетку, застывая в хаотичном состоянии, что дает материалу уникальные магнитные свойства.
- Немецкие корни. Термин «литцендрат» (многожильный провод для борьбы со скин-эффектом) происходит от немецких слов Litzen (пряди) и Draht (проволока). Эта технология, разработанная еще в начале XX века для радио, сегодня является стандартом для сверхбыстрых зарядок электромобилей.
- Точка невозврата. У каждого ферромагнетика есть своя температура Кюри. Если нагреть обычный магнит выше этой температуры (для железа это 770°C), тепловое движение атомов разрушит порядок магнитных доменов, и материал мгновенно превратится в парамагнетик, полностью потеряв свои магнитные свойства.
- Космическая память. До эры полупроводниковой памяти компьютеры использовали ферритовые сердечники для хранения данных. Петля гистерезиса с высокой прямоугольностью позволяла кольцу «помнить» состояние намагниченности (0 или 1) даже при отключении питания. Такие системы памяти летали на ранних космических кораблях «Аполлон».
- Парадокс пустоты. Введение воздушного зазора в сплошной магнитный сердечник, казалось бы, должно ухудшать его свойства. Однако в силовой электронике это осознанная необходимость: «разрыв» магнитной цепи предотвращает насыщение сердечника при протекании постоянного тока, позволяя дросселю накапливать огромную энергию в самом объеме этого зазора.
- Плоский мир. Современные планарные трансформаторы могут быть тоньше монеты. Вместо проволоки в них используются дорожки многослойной печатной платы, а сам сердечник часто «прошивает» плату насквозь. Это позволило создать адаптеры питания для ноутбуков, которые помещаются в карман рубашки.
10. FAQ: Часто задаваемые вопросы
Заключение
Электромагнитные компоненты остаются фундаментом силовой электроники. Несмотря на развитие полупроводников (GaN, SiC), именно магнитные элементы определяют габариты, вес и КПД преобразователей. Понимание физики процессов — от доменной структуры до скин-эффекта в обмотках — позволяет инженерам создавать устройства, о которых полвека назад можно было только мечтать: сварочные инверторы размером с книгу и зарядки для ноутбуков размером со спичечный коробок. Будущее за интеграцией магнетиков, повышением частот до десятков мегагерц и применением новых композитных наноматериалов.
Список нормативной базы и литературы
- ГОСТ R 52002-2003 «Электротехника. Термины и определения основных понятий».
- ГОСТ 19693-74 «Материалы магнитные. Термины и определения».
- ГОСТ IEC 60076-1-2011 «Трансформаторы силовые. Часть 1. Общие требования».
- ГОСТ 20906-75 «Средства измерений магнитных величин».
- Семенов Б.Ю. «Силовая электроника: от простого к сложному».
- Мелешин В.И. «Транзисторная преобразовательная техника».
- Magnetics Inc. «Ferrite Core Design Guide».
