Содержание страницы
- 1. Формирователи импульсов управления (ФИУ): Задачи и проблематика
- 2. Классификация методов гальванической развязки
- 3. Трансформаторные ФИУ с совместной передачей
- 4. ФИУ с раздельной передачей энергии и информации
- 5. Интегральные драйверы (Gate Drivers IC)
- 6. Расчет параметров драйвера: Ток, Энергия, Мощность
- 7. Интересные факты о драйверах
- 8. FAQ: Часто задаваемые вопросы
- Заключение
1. Формирователи импульсов управления (ФИУ): Задачи и проблематика
Часть системы управления преобразователем, ответственная за формирование логически верной последовательности импульсов и их последующее усиление, именуется формирователем импульсов управления (ФИУ). В современной технической литературе этот узел чаще называют драйвером затвора (Gate Driver).
Проблема помех и электромагнитная совместимость
Основным источником агрессивных электромагнитных помех для системы управления является сама силовая часть преобразователя. Процесс коммутации токов нагрузки большой амплитуды (сотни ампер) за микросекунды создает мощные импульсные поля. Кроме того, собственный усилительный блок ФИУ также вносит вклад в генерацию шумов.
Именно поэтому фундаментальным требованием при проектировании надежной силовой электроники является наличие гальванической (потенциальной) развязки между силовой цепью (где напряжения могут достигать киловольт) и управляющей частью (где рабочее напряжение обычно 3.3 В или 5 В).
Управление ключами верхнего уровня
Помимо защиты от помех, гальваническая развязка решает еще одну критическую задачу — управление ключами «верхнего плеча» (High-Side Switch). В мостовых и полумостовых схемах эмиттер (или исток) верхнего транзистора не соединен с землей (общим проводом). Его потенциал «плавает» от нуля до напряжения питания шины постоянного тока (например, 600 В или 1200 В) в зависимости от состояния нижнего ключа. Без плавающего питания и изолированного управления открыть такой транзистор невозможно.
2. Классификация методов гальванической развязки
По принципу построения гальванической развязки ФИУ глобально делятся на две категории:
- Трансформаторные с совместной передачей энергии и информации. В этом случае один и тот же импульсный трансформатор передает и команду на включение, и энергию, необходимую для открытия ключа.
- С раздельной передачей. Здесь информационный сигнал передается через отдельный изолированный канал (оптопара, цифровой изолятор), а энергия для работы выходного каскада драйвера поступает от отдельного изолированного DC/DC преобразователя.
3. Трансформаторные ФИУ с совместной передачей
Формирователи импульсов управления с совместной передачей энергетической и информационной составляющих сигнала управления исторически применялись для силовых ключей, управляемых током или зарядом. К таковым относятся классические силовые биполярные транзисторы и тиристоры.
Преимущества трансформаторной связи
- Автономность: Отсутствие необходимости в дополнительных изолированных источниках питания (DC/DC) для каждого канала. Энергия берется непосредственно из управляющего сигнала.
- Высокая изоляция: Качественный трансформатор может обеспечивать напряжение изоляции до 6.5 кВ и выше, что критично для тягового привода и высоковольтной энергетики.
- Надежность: Высокая устойчивость к скачкам напряжения (\(dV/dt\)) по сравнению с простыми оптопарами.
Недостатки и физические ограничения
Однако физика магнитного сердечника накладывает ограничения:
- Зависимость от скважности: При использовании простых схем амплитуда выходного напряжения зависит от коэффициента заполнения импульсов. Это требует схем восстановления постоянной составляющей.
- Насыщение сердечника: Магнитный материал не может накапливать энергию бесконечно. Это ограничивает максимальную длительность импульса включения. Нельзя держать ключ открытым «вечно» через простой трансформатор.
Решение проблемы длительности: Пакетный режим
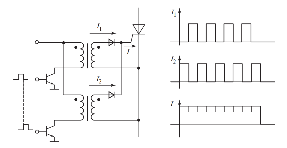
В силовых схемах на тиристорах, работающих на индуктивную нагрузку (двигатели, электромагниты), требуется длительный импульс управления. Чтобы обойти ограничение насыщения трансформатора, применяют пакетный режим (см. Рис. 1). Вместо одного длинного импульса на управляющий электрод подается серия коротких высокочастотных импульсов (пачка). Тиристор открывается первым импульсом и остается открытым, пока протекает анодный ток, а серия импульсов гарантирует надежное удержание даже при прерывистом токе нагрузки.

На Рисунке 1 представлена схема, где первичная обмотка трансформатора коммутируется транзисторными ключами, формируя ток \(I_1\). Во вторичной обмотке индуцируется ток \(I_2\), который через выпрямительные элементы поступает на управляющий электрод силового прибора. Такая топология позволяет передавать импульсы длительностью вплоть до единиц миллисекунд без насыщения сердечника за счет высокочастотного заполнения.
4. ФИУ с раздельной передачей энергии и информации
Это современный стандарт для управления IGBT и MOSFET. Система состоит из трех функционально независимых блоков:
- Схема гальванической развязки информационного канала: передает логическую «1» или «0».
- Усилитель мощности (буферный каскад): обеспечивает большие пиковые токи для заряда/разряда емкости затвора.
- Изолированный источник питания: питает усилитель мощности на стороне высокого потенциала.
Дополнительно такие драйверы оснащаются интеллектуальными функциями: защитой от короткого замыкания (Desaturation protection), защитой от пониженного напряжения питания (UVLO — Under Voltage Lock Out) и функцией активного ограничения Миллера (Active Miller Clamp).
Сравнение технологий развязки
Развязка реализуется либо на оптронах, либо на импульсных трансформаторах (в том числе планарных, встроенных в чип).
| Тип развязки | Преимущества | Недостатки |
|---|---|---|
| Оптронная (Оптопары) | Низкая стоимость, простота применения, возможность передачи постоянного сигнала (DC). | Деградация светодиода со временем (старение), сильная зависимость от температуры, большая задержка распространения сигнала (особенно у транзисторных оптронов), низкий \(dV/dt\) иммунитет. Напряжение изоляции обычно до 2.5–3.75 кВ. |
| Трансформаторная (Магнитная) | Высочайшая скорость, очень низкая задержка, стабильность параметров во времени, отличная устойчивость к \(dV/dt\), высокий температурный диапазон. | Невозможность прямой передачи DC-сигнала (требуется модуляция), большие габариты (для дискретных решений), возможность магнитного насыщения. |
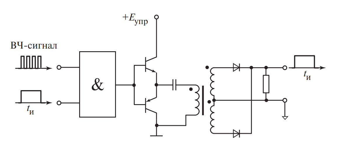
Модуляция сигнала для трансформаторной развязки
Так как трансформатор не пропускает постоянный ток, для передачи длинных логических сигналов (например, длительного открытия ключа) используют модуляцию. Исходный управляющий сигнал \(E_{упр}\) смешивается с высокочастотной несущей (ВЧ-сигнал) через логический элемент «И» (AND). Полученная пачка импульсов передается через трансформатор, а на вторичной стороне детектируется и восстанавливается обратно в прямоугольный импульс. Этот процесс проиллюстрирован на Рисунке 2.

5. Интегральные драйверы (Gate Drivers IC)
Формирователи импульсов управления с раздельной передачей энергии и информации, изготовленные в виде единой микросхемы, называют драйверами. Это наиболее технологичное решение на сегодняшний день.

Промышленность выпускает широкую номенклатуру драйверов для ключей с изолированным затвором (MOSFET, IGBT, SiC MOSFET). Существуют различные конфигурации:
- Low-Side Driver: Для управления нижним ключом (исток на земле).
- High-Side Driver: Только для верхнего ключа (требует бутстрепного питания или изолированного DC/DC).
- Half-Bridge Driver: Двухканальный драйвер для полумостовой стойки, включающий логику «мертвого времени» (Dead Time) для предотвращения сквозных токов.
Организация питания драйверов
Правильное питание выходного каскада драйвера критично для надежности:
- Однополярное (Unipolar): Обычно +10…15 В. Применяется для MOSFET транзисторов небольшой и средней мощности. При выключении на затвор подается 0 В.
- Двуполярное (Bipolar): Например, +15 В для включения и -10 В (или -5 В, -15 В) для выключения. Это стандарт для мощных IGBT и SiC модулей.
6. Расчет параметров драйвера: Ток, Энергия, Мощность
Выбор драйвера — это не гадание, а строгий математический расчет. Ключевым параметром является не столько «ампераж» драйвера, сколько его способность быстро перезарядить входную емкость транзистора. Стандартные значения пиковых токов драйверов варьируются: 6 А, 12 А, 15 А, 35 А, 50 А и даже 65 А для гигантских модулей.
Заряд затвора — главный параметр
Расчет требуемого среднего тока драйвера \(I_{ср}\) нельзя проводить, опираясь только на входную емкость \(C_{iss}\), указанную в даташите, так как эта емкость нелинейна и зависит от напряжения. Правильный метод — использование динамической характеристики затвора (Gate Charge Characteristic), которая показывает зависимость напряжения на затворе \(U_{GS}\) от закачанного заряда \(Q_G\).

Математическая модель расчета
Энергию \(W\), затрачиваемую драйвером за один цикл переключения (включение + выключение), определяют как работу по перемещению заряда в поле потенциала. Исходя из графика заряда затвора:
Где:
\(\Delta Q\) — полный размах изменения заряда затвора при переключении от отрицательного напряжения питания до положительного.
\(\Delta U\) — полный размах управляющего напряжения (swing voltage).
Если драйвер питается от двуполярного источника (например, +15 В и -10 В), то размах напряжения вычисляется по формуле:
Где:
\(E_{G+}\) — напряжение положительной полярности (включение);
\(E_{G-}\) — напряжение отрицательной полярности (выключение).
Средняя мощность \(P\), потребляемая драйвером от источника питания (и, соответственно, рассеиваемая в системе управления), прямо пропорциональна частоте коммутации \(f_k\):
С другой стороны, мощность можно выразить через средний ток потребления \(I_{ср}\):
Приравнивая (2) и (3), получаем финальную формулу для расчета необходимого среднего тока драйвера (то есть тока, который должен обеспечить блок питания драйвера):
Эта простая, но фундаментальная формула показывает: ток потребления зависит только от полного заряда затвора и частоты.
Практический пример расчета:
Рассмотрим IGBT модуль на 1200 В.
Параметры питания драйвера: \(E_{G+} = 15\) В, \(E_{G-} = -10\) В.
Из даташита на транзистор берем значения заряда: для достижения +15 В нужно закачать заряд, а для -10 В — выкачать. Полный размах заряда \(\Delta Q = Q_{G-} + Q_{G+}\).
Пусть полный заряд \(\Delta Q = 1500\) нКл (1.5 мкКл).
Частота коммутации \(f_k = 20\) кГц.
Расчет:
\( I_{ср} = 1.5 \cdot 10^{-6} \, \text{Кл} \times 20 \cdot 10^{3} \, \text{Гц} = 30 \cdot 10^{-3} \, \text{А} = 30 \, \text{мА}. \)
Это средний ток на один канал. Пиковый же ток будет определяться резистором затвора \(R_g\) и может достигать ампер: \(I_{peak} \approx \Delta U / R_g\).
7. Интересные факты о драйверах
- Эффект Миллера — это паразитное явление, при котором емкость между коллектором и затвором (Cres) как бы увеличивается в разы во время переключения напряжения. Именно из-за него на графике заряда затвора появляется горизонтальная полка (плато).
- Оптоволокно используется в самых мощных высоковольтных преобразователях (HVDC) вместо обычных оптопар. Свет передается по стекловолоконному кабелю на метры, обеспечивая изоляцию в сотни киловольт.
- Бутстрепный конденсатор — это дешевый способ создать плавающее питание для верхнего ключа без отдельного DC/DC преобразователя. Но он не работает, если транзистор долго не переключается (заряд стекает).
- Активный Clamping — технология, когда драйвер принудительно «коротит» затвор на эмиттер специальным транзистором, чтобы помеха не открыла ключ, когда он должен быть закрыт.
- SiC драйверы должны иметь более быстрое срабатывание защиты от КЗ (менее 2-3 микросекунд), чем драйверы для IGBT (где допустимо 10 мкс), так как кристалл карбида кремния меньше и перегревается мгновенно.
- Desaturation (Desat) — метод обнаружения короткого замыкания путем контроля напряжения насыщения \(V_{CE(sat)}\) на включенном транзисторе. Если оно выше нормы (напр., >7В), драйвер понимает, что ток аварийный, и отключается.
- Soft Turn-Off — функция мягкого выключения при аварии. Если просто резко выключить гигантский ток КЗ, перенапряжение на индуктивности (\(L \cdot dI/dt\)) пробьет транзистор. Драйвер при аварии закрывает ключ медленно.
8. FAQ: Часто задаваемые вопросы
Пиковый ток протекает лишь доли микросекунды в момент перезаряда емкости затвора и определяет скорость переключения (фронты). Средний ток — это усредненное потребление от блока питания, зависящее от частоты и полного заряда затвора. Блок питания выбирают по среднему току, а сам драйвер (микросхему) и транзисторы выхода — по пиковому.
Только в маломощных низковольтных схемах, где общий провод управления и силовой части соединены, и только для нижнего ключа. В сетевых преобразователях (220/380В) отсутствие развязки смертельно опасно и приведет к выгоранию всей электроники управления при первой же аварии.
Это короткая пауза (обычно 0.5–2 мкс) между выключением одного транзистора в полумосте и включением другого. Она необходима, потому что транзисторы не выключаются мгновенно. Без этой паузы оба ключа могут оказаться открыты одновременно, что создаст сквозной ток короткого замыкания (Shoot-through).
Это компромисс. Маленький \(R_g\) дает быстрое переключение и малые потери, но высокий \(dI/dt\) и \(dV/dt\), что создает помехи и перенапряжения. Большой \(R_g\) снижает помехи, но увеличивает потери на нагрев транзистора (динамические потери). Подбирается экспериментально или моделированием.
Это связано со структурой транзистора. У мощных IGBT и стандартных MOSFET полное открытие канала наступает при 10–12 В, поэтому 15 В берут с запасом. Logic-Level MOSFET имеют более тонкий оксид затвора и открываются от низкого напряжения, но они реже применяются в высоковольтной силовой технике.
Заключение
Нормативная база
- ГОСТ IEC 60747-9-2019 — Приборы полупроводниковые. Дискретные приборы. Часть 9. Транзисторы биполярные с изолированным затвором (IGBT).
- ГОСТ IEC 61800-5-1-2015 — Системы силовых электроприводов. Требования безопасности. Электрические, тепловые и энергетические требования.
Список литературы
- Семенов Б.Ю. «Силовая электроника: от простого к сложному».
- Воронин П.А. «Силовые полупроводниковые ключи: семейства, характеристики, применение».
- Application Notes от ведущих производителей (Infineon, Semikron, Texas Instruments) по расчету Gate Driver.
