Содержание страницы
- 1. Однотактный обратноходовой преобразователь (Flyback Converter)
- 2. Однотактный прямоходовой преобразователь (Forward Converter)
- 3. Сравнительный анализ и критерии выбора топологии
- 4. Практический пример: Расчет силовой части обратноходового преобразователя
- 5. Интересные факты об однотактных преобразователях
- 6. FAQ: Часто задаваемые вопросы
- Заключение
Однотактный преобразователь напряжения с гальванической развязкой (Single-Ended Isolated DC-DC Converter) — это импульсное устройство преобразования электрической энергии, в котором передача энергии от первичного источника в нагрузку осуществляется через индуктивный элемент (трансформатор или многообмоточный дроссель) при униполярном (однополярном) протекании тока через первичную обмотку.
Ключевой особенностью данной топологии является использование одного силового ключа (как правило, высоковольтного полевого транзистора MOSFET), который коммутирует первичную обмотку. Магнитный поток в сердечнике при этом изменяется только в одном квадранте петли гистерезиса, что требует обязательного наличия механизмов размагничивания или сброса энергии для предотвращения насыщения сердечника.
В зависимости от фазы передачи энергии во вторичную цепь, однотактные преобразователи делятся на два основных типа:
- Обратноходовой преобразователь (Flyback Converter):
Принцип «накопление — отдача». Энергия накапливается в магнитном поле сердечника (в зазоре) во время проводящего состояния ключа (импульс) и передается в нагрузку во время запертого состояния ключа (пауза). Здесь магнитный элемент выступает в роли многообмоточного накопительного дросселя. - Прямоходовой преобразователь (Forward Converter):
Принцип «прямая трансформации». Энергия передается из первичной цепи во вторичную непосредственно во время проводящего состояния ключа (импульс). Здесь магнитный элемент работает как классический трансформатор, не накапливая энергию (идеально), а накопление происходит в отдельном выходном дросселе фильтра.
Это различие можно сравнить с наполнением ведра водой:
- Прямоходовой: Вы льете воду через воронку прямо в ведро. Вода течет в ведро ровно тогда, когда вы льете.
- Обратноходовой: Вы набираете воду в шприц (накопление), а затем выдавливаете её в ведро (отдача). Наполнение ведра происходит после того, как вы совершили действие по забору воды.
1. Однотактный обратноходовой преобразователь (Flyback Converter)
1.1. Принцип действия и схемотехника
Обратноходовой преобразователь (преобразователь с передачей энергии в паузе) является, по сути, модификацией инвертирующего импульсного регулятора (Buck-Boost), где дроссель заменен на многообмоточный накопительный элемент. Важно понимать: компонент, который мы часто называем «трансформатором» в этой схеме, с физической точки зрения является двухобмоточным дросселем (реактором), так как он накапливает энергию в магнитном поле, а не просто передает её напрямую.
Представьте лучника. Процесс работы обратноходового преобразователя похож на стрельбу из лука:
- Этап 1 (Натяжение): Лучник натягивает тетиву. Энергия мышц переходит в потенциальную энергию упругости плеч лука. Стрела (ток в нагрузку) при этом никуда не летит.
- Этап 2 (Выстрел): Лучник отпускает тетиву. Накопленная энергия резко высвобождается, отправляя стрелу в цель.
В схеме роль «плеч лука» играет магнитный зазор сердечника трансформатора.
Рассмотрим базовую схему устройства. Реактор \( L \) выполняют расщепленным, то есть имеющим как минимум две обмотки: первичную \( w_1 \) и вторичную \( w_2 \). Соотношение витков в обмотках определяет коэффициент трансформации \( k \):

Рис. 1. Схема электрическая принципиальная однотактного обратноходового преобразователя напряжения.
Описание работы схемы (Рис. 1):
При включении обмоток согласно маркировке (обратите внимание на точки у начал обмоток), полярность напряжения инвертируется. Однако, благодаря диоду \( VD \), напряжение на нагрузке формируется положительным относительно общей точки вторичной цепи.
Фаза накопления энергии (Интервал \( 0 \dots t_1 \))
При замыкании транзисторного ключа (на рисунке это может быть биполярный транзистор, MOSFET или IGBT), к первичной обмотке \( w_1 \) прикладывается напряжение источника питания \( E \). В этот момент:
- Диод \( VD \) во вторичной цепи оказывается смещен в обратном направлении напряжением, трансформированным во вторичную обмотку. Ток через вторичную обмотку не течет.
- Ток первичной обмотки (ток источника \( i_0 \)) начинает линейно нарастать. Скорость нарастания зависит от индуктивности первичной обмотки \( L_1 \) и приложенного напряжения: \( \frac{di}{dt} = \frac{E}{L_1} \).
- Энергия накапливается в магнитном поле сердечника, преимущественно в немагнитном зазоре. Это критически важный момент: без зазора феррит быстро вошел бы в насыщение.
- В это время нагрузка \( R_н \) питается исключительно энергией, запасенной в конденсаторе \( C \) на предыдущем такте.
Фаза передачи энергии (Интервал \( t_1 \dots t_2 \))
В момент времени \( t_1 \) система управления запирает транзисторный ключ. Происходят следующие процессы:
- Ток через первичную обмотку \( w_1 \) резко прерывается.
- Согласно закону Ленца, на обмотках возникает ЭДС самоиндукции, препятствующая изменению магнитного потока. Полярность напряжений на всех обмотках меняется на противоположную.
- Напряжение, наведенное на вторичной обмотке \( w_2 \), открывает диод \( VD \).
- Энергия, накопленная в сердечнике, «выстреливает» во вторичную цепь. Ток дросселя (теперь уже протекающий через вторичную обмотку) заряжает конденсатор \( C \) и питает нагрузку.
- Ток диода \( i_{VD} \) снижается линейно по мере расхода энергии магнитного поля.

Рис. 2. Временные диаграммы токов и напряжений: \( i_0 \) — ток транзистора, \( i_{VD} \) — ток диода.
Как видно из временных диаграмм (Рис. 2), передача энергии в нагрузку осуществляется в паузе (Flyback), то есть когда транзисторный ключ разомкнут.
1.2. Математическая модель и расчетные соотношения
Если мы хотим привести параметры вторичной цепи к первичной (объединить обмотки для анализа), преобразователь ведет себя идентично классическому инвертирующему (Buck-Boost) регулятору. Основная регулировочная характеристика при работе в режиме непрерывных токов (CCM — Continuous Conduction Mode) описывается формулой:
Где:
\( E \) — входное напряжение;
\( \gamma = \frac{t_{имп}}{T} \) — коэффициент заполнения (Duty Cycle), отношение времени включенного состояния ключа к периоду;
\( k \) — коэффициент трансформации.
Если пренебречь потерями на диодах и ключах, данная формула (5.26 в оригинальной классификации) точно описывает зависимость выходного напряжения. Обратите внимание: теоретически при \( \gamma \to 1 \) напряжение стремится к бесконечности, но на практике это ограничено паразитными параметрами и насыщением.
1.3. Режимы работы дросселя (CCM vs DCM)
На диаграммах (Рис. 2) показан режим, когда ток во вторичной обмотке успевает упасть до нуля перед следующим включением транзистора (или находится на грани). Это так называемый граничный режим или режим разрывных токов (DCM).
На интервале \( t_1 — t_2 \) ток течет только по обмотке \( w_1 \) (намагничивание), а на остальной части периода — только по \( w_2 \) (размагничивание). Граничное значение тока нагрузки, разделяющее режимы непрерывного и прерывистого тока, определяется выражением:
где \( f \) — частота преобразования, \( L \) — индуктивность первичной обмотки. В современных контроллерах частота \( f \) может достигать 100-500 кГц и выше.
1.4. Недостатки и технические вызовы
Обратноходовой преобразователь, несмотря на популярность, имеет врожденные недостатки:
- Пульсации тока: Ток источника \( i_0 \) и ток диода \( i_{VD} \) имеют ярко выраженный прерывистый характер. Это создает огромную нагрузку на входные и выходные электролитические конденсаторы, требуя применения компонентов с низким ESR (Low ESR).
- Проблема индуктивности рассеяния: Невозможно создать идеальный трансформатор. Всегда есть часть магнитного потока, которая не сцепляется со вторичной обмоткой — индуктивность рассеяния \( L_s \). Энергия, накопленная в \( L_s \), не может уйти в нагрузку при закрытии транзистора. Она выбрасывается обратно на коллектор/сток транзистора в виде высоковольтного выброса (Spike).
1.5. Решение проблемы выбросов: Схема с рекуперацией
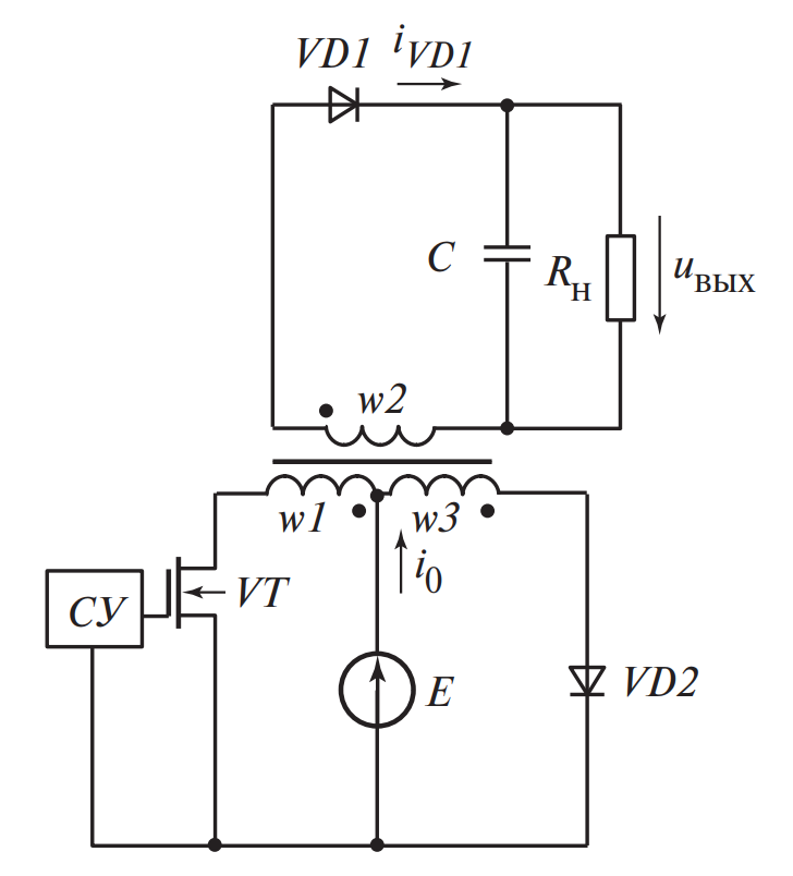
Для повышения КПД и защиты ключа используют схему с дополнительной рекуперационной обмоткой (Рис. 3).

Рис. 3. Схема обратноходового преобразователя с дополнительной рекуперационной цепью (обмотка \( w_3 \) и диод \( VD_2 \)).
Принцип работы рекуперации:
В схему вводится третья обмотка \( w_3 \), обычно имеющая то же число витков, что и первичная (\( w_1 = w_3 \)), и очень сильную магнитную связь с ней (намотка в два провода).
- На интервале \( t_1 — t_2 \) (накопление) транзистор открыт, диоды заперты.
- При запирании транзистора энергия индуктивности рассеяния, которая не ушла во вторичную цепь, открывает диод \( VD_2 \) и возвращается (рекуперируется) обратно в источник питания \( E \).
Это жестко ограничивает напряжение на коллекторе транзистора на уровне \( 2E \) (при условии \( w_1=w_3 \)), что позволяет использовать транзисторы с меньшим запасом по напряжению и снижает потери.
Условие выбора коэффициента трансформации для такой схемы:
2. Однотактный прямоходовой преобразователь (Forward Converter)
2.1. Концепция прямой передачи энергии
Прямоходовой преобразователь фундаментально отличается от обратноходового тем, что передача энергии в нагрузку происходит одновременно с открытием транзисторного ключа. Здесь трансформатор работает как классический трансформатор, а не как накопитель.

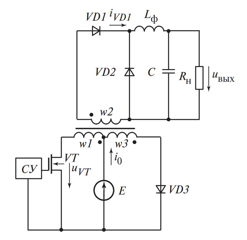
Рис. 4. Схема однотактного прямоходового преобразователя напряжения с размагничивающей обмоткой \( w_3 \).
2.2. Детальный разбор цикла работы (Рис. 4)
Такт 1: Передача энергии (Транзистор VT открыт)
При отпирании ключа к обмотке \( w_1 \) прикладывается напряжение \( E \). Оно трансформируется во вторичную обмотку \( w_2 \) (обратите внимание: точки начала обмоток стоят с одной стороны, фазировка прямая).
- Диод \( VD_1 \) открывается.
- Ток течет через дроссель фильтра \( L_ф \) в нагрузку.
- Дроссель \( L_ф \) накапливает энергию. Это ключевой элемент схемы — именно он выполняет роль основного накопителя энергии, аналогично понижающему (Buck) преобразователю.
Такт 2: Пауза и размагничивание (Транзистор VT закрыт)
Когда ключ закрывается:
- Вторичная обмотка обесточивается.
- Энергия, накопленная в дросселе фильтра \( L_ф \), поддерживает ток в нагрузке через замыкающий («flywheel») диод \( VD_2 \). Диод \( VD_1 \) при этом закрывается.
Проблема намагничивания: Так как ток в первичной обмотке протекает только в одном направлении, сердечник трансформатора постоянно подмагничивается. Без специальных мер он войдет в насыщение за несколько циклов, индуктивность упадет до нуля, и транзистор сгорит.
Для решения этой проблемы используется обмотка рекуперации (размагничивания) \( w_3 \) с диодом \( VD_3 \).
Во время паузы полярность на обмотках меняется, открывается диод \( VD_3 \), и остаточная магнитная энергия сердечника возвращается в источник питания. Это «сбрасывает» магнитный поток к начальному состоянию.
2.3. Характеристики прямоходового преобразователя
Среднее значение выходного напряжения:
Эта формула идентична формуле понижающего (Buck) преобразователя с учетом коэффициента трансформации.
Выбор коэффициента трансформации осуществляют по формуле:
3. Сравнительный анализ и критерии выбора топологии
Выбор между обратноходовой (Flyback) и прямоходовой (Forward) топологиями — это классическая инженерная дилемма, которая сводится к поиску компромисса между стоимостью реализации, габаритами и качеством выходного напряжения. Не существует «плохой» или «хорошей» схемы — существует схема, оптимальная для конкретного технического задания.
3.1. Сводная таблица характеристик
В таблице ниже представлено прямое сопоставление ключевых параметров, влияющих на архитектуру источника питания.
| Характеристика | Обратноходовой (Flyback) | Прямоходовой (Forward) |
|---|---|---|
| Диапазон мощностей | Низкий (обычно до 150 Вт, редко до 200 Вт) | Средний и высокий (от 100 Вт до 500 Вт и выше) |
| Количество магнитных элементов | 1 (Двухобмоточный дроссель-трансформатор) | 2 (Трансформатор + Выходной дроссель фильтра) |
| Пульсации на выходе | Высокие (ток в конденсатор поступает импульсами) | Низкие (ток сглаживается LC-фильтром) |
| Режим работы трансформатора | Накопитель энергии (требуется немагнитный зазор) | Трансформатор энергии (работает без накопления, зазор не нужен) |
| Нагрузка на силовой ключ | Высокая (большие пиковые токи \( I_{peak} \)) | Умеренная (ток ключа повторяет форму тока дросселя) |
| Многоканальность (несколько выходов) | Отличная (автоматическое перераспределение энергии) | Сложная (требуются дроссели групповой стабилизации — ДГС) |
| Стоимость (BOM Cost) | Минимальная | Средняя (из-за выходного дросселя и диодов) |
3.2. Детальный анализ: Обратноходовой преобразователь (Flyback)
Это самая массовая топология в мире. Зарядные устройства для телефонов, блоки питания ноутбуков, дежурные источники питания в бытовой технике — все это Flyback.
Преимущества (Почему их выбирают?):
- Топологическая простота и цена: Отсутствие отдельного выходного дросселя фильтра (его роль выполняет индуктивность вторичной обмотки) и всего один диод на выходе делают эту схему самой дешевой в производстве.
- Широкий диапазон входных напряжений: Flyback легко справляется с широким диапазоном \( V_{in} \) (например, 85–265 В AC), так как коэффициент заполнения \( \gamma \) не имеет жесткого ограничения в 50%, как у Forward.
- Легкость реализации многоканальности: Если вам нужно получить +5В, +12В и -12В одновременно, достаточно просто добавить обмотки. Благодаря тому, что энергия передается в паузе, нагрузка сама «забирает» столько, сколько ей нужно (cross-regulation работает лучше, чем в прямоходах без ДГС).
Недостатки и сложности:
- Огромные пульсации тока: Ток во вторичной обмотке имеет форму треугольника (или трапеции), падающего до нуля. Это создает гигантскую нагрузку (RMS current) на выходные электролитические конденсаторы.Следствие: Необходимость использовать дорогие Low-ESR конденсаторы, иначе они перегреются и вздуются.
- Высокие требования к ключу: Пиковый ток транзистора значительно превышает средний ток потребления. Например, для передачи 100 Вт, ключ может коммутировать пиковую мощность, эквивалентную 300 Вт в прямоходе.
- Правый ноль полуплоскости (RHP Zero): В режиме непрерывных токов (CCM) передаточная характеристика имеет «правый ноль», что усложняет проектирование контура обратной связи и ограничивает полосу пропускания (медленная реакция на наброс нагрузки).
3.3. Детальный анализ: Прямоходовой преобразователь (Forward)
Эта топология является стандартом де-факто для блоков питания формата ATX, промышленных источников на DIN-рейку и телекоммуникационного оборудования.
Преимущества (Почему их выбирают?):
- Низкие пульсации выходного напряжения: На выходе установлен полноценный \( LC \)-фильтр. Дроссель \( L_{out} \) поддерживает ток непрерывным даже в паузах (через диод \( VD2 \)). Это радикально снижает требования к выходным конденсаторам по току пульсаций.
- Высокая энергетическая эффективность: Трансформатор используется эффективнее (меньшая петля гистерезиса), так как он не накапливает энергию для нагрузки, а только трансформирует её. Это позволяет получить большую мощность с того же типоразмера сердечника по сравнению с Flyback.
- Лучшая нагрузочная способность по току: Благодаря дросселю на выходе, прямоходовые схемы легко масштабируются для токов 20А, 50А и даже 100А, что практически нереализуемо для Flyback.
Недостатки и сложности:
- Дополнительный силовой узел: Наличие выходного дросселя увеличивает стоимость, вес и габариты изделия. Дроссель часто сопоставим по размеру с трансформатором.
- Сложность сброса энергии (Reset): Необходимость в третьей обмотке размагничивания (или схемы «Косой мост» с двумя транзисторами) усложняет намотку трансформатора и схемотехнику. Если размагничивание не произойдет полностью — трансформатор войдет в насыщение, и ключи сгорят.
- Жесткое ограничение скважности: Коэффициент заполнения \( \gamma \) теоретически не может превышать 0.5 (на практике < 0.45) для классической схемы с размагничивающей обмоткой, чтобы оставить время для «сброса» магнитного потока. Это требует транзисторов с более высоким рабочим напряжением \( V_{ds} \ge 2 \cdot V_{in} \).
4. Практический пример: Расчет силовой части обратноходового преобразователя
Теория без практики мертва. Чтобы закрепить материал, проведем инженерный расчет основных параметров силовой части обратноходового преобразователя (Flyback) для типовой задачи: блока питания бытового устройства.
Нам необходимо спроектировать источник питания со следующими параметрами:
- Входное напряжение: Универсальная сеть 85…265 В (AC).
- Выходное напряжение (\( U_{out} \)): 12 В.
- Ток нагрузки (\( I_{out} \)): 2 А (Выходная мощность \( P_{out} = 24 \) Вт).
- Частота преобразования (\( f_{sw} \)): 65 кГц (типовой стандарт).
- Ожидаемый КПД (\( \eta \)): 80% (0.8).
Этап 1: Определение входных параметров постоянного тока
Входное переменное напряжение выпрямляется диодным мостом и сглаживается входным конденсатором. Нам необходимо найти минимальное выпрямленное напряжение (\( V_{DC(min)} \)), так как именно при нем преобразователь работает в самом тяжелом режиме (максимальный ток).
Для сети 85 В (AC) с учетом просадок на конденсаторе фильтра, эмпирически принимают:
Максимальное напряжение (для расчета изоляции ключа):
Этап 2: Выбор отраженного напряжения (\( V_{OR} \))
Это один из самых важных шагов. \( V_{OR} \) (Reflected Voltage) — это напряжение, которое «отражается» из вторичной цепи в первичную, когда транзистор закрыт. От его выбора зависит напряжение на транзисторе и коэффициент заполнения.
Обычно выбирают \( V_{OR} \) в диапазоне 80–135 В для сетей 220 В. Выберем «золотую середину»:
Примем \( V_{OR} = 110 \text{ В} \).
Этап 3: Расчет максимального коэффициента заполнения (\( D_{max} \))
Коэффициент заполнения (Duty Cycle) достигает максимума при минимальном входном напряжении. Рассчитаем его через отношение напряжений:
Подставляем значения:
Значение около 0.5 является оптимальным для универсального входа.
Этап 4: Расчет индуктивности первичной обмотки (\( L_p \))
Будем рассчитывать преобразователь для работы на границе режимов прерывистого и непрерывного токов (BCM — Boundary Conduction Mode) при полной нагрузке. Это классический подход.
Сначала найдем входную мощность с учетом КПД:
Формула для расчета индуктивности первичной обмотки:
Подставляем значения:
Этап 5: Расчет пикового тока транзистора (\( I_{pk} \))
Ключевой параметр для выбора транзистора (MOSFET) и предотвращения насыщения сердечника трансформатора.
Этап 6: Определение коэффициента трансформации (\( n \))
Нам нужно определить соотношение витков \( n = N_p / N_s \), чтобы обеспечить выбранное нами отраженное напряжение \( V_{OR} \). При этом нужно учесть прямое падение напряжения на выходном диоде \( V_F \) (обычно 0.7–1 В для диодов Шоттки).
Примем \( V_F = 0.8 \text{ В} \):
Результат: Первичная обмотка должна содержать в 8.6 раз больше витков, чем вторичная. Например, если во вторичной обмотке 10 витков, то в первичной должно быть 86 витков.
Этап 7: Проверка транзистора по напряжению
Максимальное напряжение на закрытом транзисторе складывается из трех составляющих: максимального входного напряжения, отраженного напряжения и выброса от индуктивности рассеяния (обычно принимают +30% запаса к \( V_{OR} \)).
Оценочный расчет:
\( 375 + 110 + 50 \approx 535 \text{ В} \).
Итоговая таблица расчетных данных
| Параметр | Значение | Комментарий |
|---|---|---|
| Индуктивность первичной обмотки (\( L_p \)) | ~690 мкГн | Ключевой параметр для намотки |
| Коэффициент трансформации (\( N_p/N_s \)) | 8.6 : 1 | Определяет геометрию обмоток |
| Пиковый ток ключа (\( I_{pk} \)) | 1.15 А | Требуется транзистор \( > 2 \) А |
| Напряжение на ключе (\( V_{DS} \)) | > 535 В | Требуется транзистор на 600-650 В |
5. Интересные факты об однотактных преобразователях
- Наследие ЭЛТ-телевизоров: Название «Flyback» (обратный ход) пришло из эпохи кинескопных телевизоров. Изначально эта схема использовалась для генерации высокого напряжения (до 20-30 кВ) во время обратного хода луча электронной пушки по экрану, чтобы «вернуть» луч в начало строки.
- Энергия в пустоте: В обратноходовом преобразователе энергия хранится физически не в феррите, а в воздушном зазоре (или распределенном зазоре порошкового сердечника). Феррит служит лишь «магнитопроводом» для концентрации потока. Если убрать зазор, трансформатор превратится в нагреватель.
- Парадокс аудиофила: Инженеры High-End аудиоаппаратуры часто избегают однотактных импульсных блоков питания. Причина не только в ВЧ-помехах, но и в том, что дешевые Flyback-схемы могут создавать «биения» частот, попадающие в звуковой диапазон при динамической нагрузке (эффект «поющего дросселя»).
- Космическая надежность: Несмотря на простоту, модификации прямоходовых преобразователей (особенно двухтранзисторный «косой мост») широко используются в аэрокосмической отрасли. Причина — предсказуемость работы и отсутствие склонности к лавинообразному выходу из строя при перегрузках, в отличие от мостовых схем со сквозными токами.
- Революция GaN: Современные сверхкомпактные зарядки для смартфонов (размером со спичечный коробок на 65 Вт) — это чаще всего квазирезонансные Flyback-преобразователи на транзисторах из нитрида галлия (GaN). Высокая частота переключения позволяет уменьшить трансформатор в 3-5 раз.
- Обратная связь без оптопары: Существует технология PSR (Primary Side Regulation), которая позволяет стабилизировать выходное напряжение Flyback-преобразователя, измеряя выброс напряжения на первичной обмотке. Это позволяет убрать из схемы ненадежную оптопару и уменьшить цену устройства.
- Убийца конденсаторов: Обратноходовой преобразователь является самым агрессивным типом источника для выходных конденсаторов. Из-за того, что ток в них поступает короткими мощными импульсами, дешевые электролиты могут «высохнуть» за год работы из-за внутреннего перегрева (RMS ток).
6. FAQ: Часто задаваемые вопросы
Заключение
Однотактные преобразователи с гальванической развязкой являются «рабочими лошадками» современной силовой электроники.
Обратноходовой преобразователь — идеальный выбор для зарядных устройств, адаптеров питания роутеров и вспомогательных источников питания благодаря своей дешевизне и простоте реализации многоканального выхода.
Прямоходовой преобразователь занимает нишу более мощных устройств (блоки питания ПК, серверное оборудование, промышленная автоматика), где важны высокий КПД, низкие пульсации и стабильность работы при больших токах нагрузки.
Нормативная база
- ГОСТ IEC 60950-1-2014 «Оборудование информационных технологий. Требования безопасности». Основной стандарт для блоков питания электронной аппаратуры.
- ГОСТ IEC 61558-1-2012 «Безопасность силовых трансформаторов, блоков питания, реакторов и аналогичных изделий».
Список рекомендуемой литературы
- Мелешин В. И. «Транзисторная преобразовательная техника». — М.: Техносфера, 2005. — 632 с.
- Эриксон Р., Максимович Д. «Основы силовой электроники» (Fundamentals of Power Electronics). — Springer, 2020.
- Семёнов Б. Ю. «Силовая электроника: от простого к сложному». — М.: СОЛОН-Пресс, 2005.
