Содержание страницы
- 1. Идеализация процессов: Допущения и реальность
- 2. Однофазная двухполупериодная схема со средней точкой
- 3. Однофазная мостовая схема (Схема Греца)
- 4. Трехфазная схема со средней точкой (Схема Миткевича)
- 5. Трехфазная мостовая схема (Схема Ларионова)
- 6. Многомостовые (многопульсные) схемы выпрямления
- 7. Сводная таблица сравнительного анализа схем выпрямления
- 8. Интересные факты о выпрямительной технике
- 9. Часто задаваемые вопросы (FAQ)
- Заключение
Выпрямление электрического тока — это фундаментальный процесс в электротехнике, заключающийся в преобразовании переменного входного напряжения (AC) в постоянное (DC) или пульсирующее однополярное напряжение. Данный материал представляет собой исчерпывающее техническое руководство, предназначенное для глубокого изучения принципов работы, математического моделирования и проектирования преобразовательных устройств.
1. Идеализация процессов: Допущения и реальность
Для того чтобы можно было легко разобраться в сути электромагнитных процессов, не отвлекаясь на вторичные факторы, в инженерной практике принято начинать анализ с идеализированных моделей. Рассмотрим базовые допущения, принятые в теории электрических цепей для силовых преобразователей, и поясним их физический смысл.
Базовые допущения
- Идеальность полупроводников: Мы полагаем, что во включенном состоянии сопротивление тиристора или диода равно нулю (нет падения напряжения), а в выключенном — проводимость равна нулю (нет токов утечки).В реальности: Падение напряжения составляет 1–2 В, а токи утечки — миллиамперы.
- Мгновенная коммутация: Считается, что переключение происходит за время \( t = 0 \).В реальности: Существует время восстановления запирающих свойств и нарастания тока, что вызывает динамические потери.
- Идеальные проводники: Сопротивления соединительных шин и кабелей приняты равными нулю.
- Идеальный трансформатор: Мы пренебрегаем активным сопротивлением обмоток, индуктивностью рассеяния, потерями в стали (гистерезис, вихревые токи) и током намагничивания.
Аналогия: Представьте идеальный выпрямитель как систему клапанов в водопроводе. В нашей модели эти клапаны открываются и закрываются мгновенно, не ржавеют и не пропускают ни капли воды, когда закрыты. Это позволяет изучить гидродинамику системы, не думая о качестве резины в прокладках.
Электромагнитные процессы при выпрямлении традиционно рассматривают для двух типов нагрузок: активной (резистивной) и активно-индуктивной. Именно второй тип наиболее характерен для промышленности (обмотки возбуждения машин, сглаживающие фильтры), поэтому ему будет уделено особое внимание.
2. Однофазная двухполупериодная схема со средней точкой
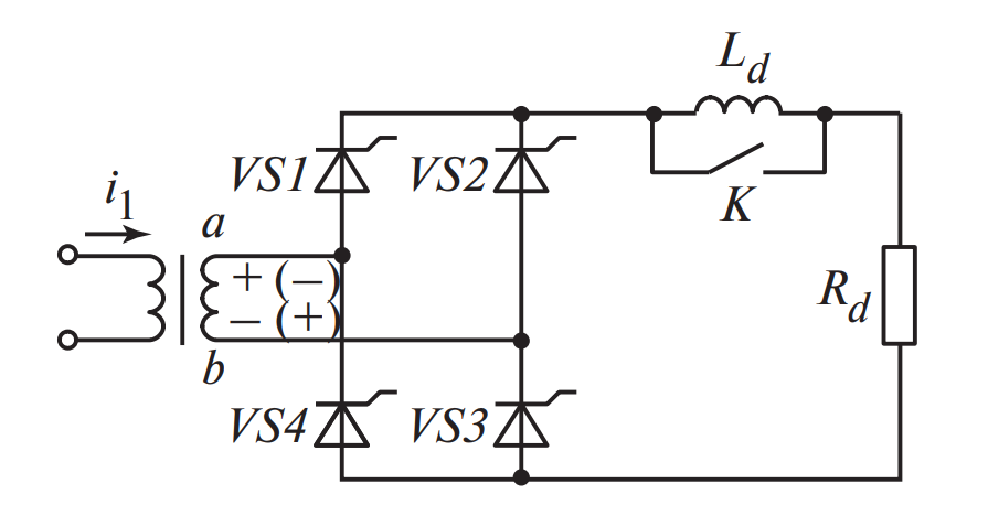
Данная схема является классикой силовой электроники. Ее часто называют схемой Миткевича. Она требует специального трансформатора с выводом от середины вторичной обмотки.
2.1. Конструкция и принцип действия
Однофазная двухполупериодная схема со средней точкой (с нулевым выводом) схематично представлена на рисунке 1, а. В технической литературе её также именуют двухтактной или двухфазной. Почему двухфазной? Потому что вторичная обмотка трансформатора с отводом от середины фактически создает две противофазные ЭДС.

Рис. 1. Однофазный двухполупериодный выпрямитель со средней точкой:а — принципиальная электрическая схема; б — временные диаграммы напряжений и токов.
Ключевой особенностью схемы является работа вторичных полуобмоток. Относительно средней точки (нулевого вывода) они генерируют напряжения, сдвинутые друг относительно друга на фазовый угол \( \vartheta = \pi \) (180 градусов).
2.2. Работа на активную нагрузку
Представим, что ключ К на схеме Рис. 1, а замкнут, подключая чисто активное сопротивление \( R_d \). Проследим хронологию событий:
- Исходное состояние (\( \vartheta = 0 \)): Тиристоры выключены. Полярность напряжения такова: потенциал точки «a» вторичной обмотки положителен относительно средней точки «0», а потенциал точки «b» — отрицателен.Примечание: На рисунке эта полярность указана без скобок.
- Распределение напряжений: К аноду тиристора VS1 приложено прямое (отпирающее) напряжение \( u_{VS1} = u_{a0} \). К тиристору VS2 приложено обратное (запирающее) напряжение \( u_{b0} \).
- Момент включения (\( \vartheta = \alpha \)): Мы задерживаем включение на угол управления \( \alpha \). В этот момент на управляющий электрод VS1 подается короткий импульс. Тиристор открывается.
- Протекание тока: В цепи нагрузки \( R_d \) начинает течь ток \( i_d = i_{VS1} \) под действием напряжения \( u_{a0} \).
- Состояние закрытого тиристора: В этот же момент к закрытому тиристору VS2 прикладывается полное напряжение всей вторичной обмотки \( u_{ab} \), которое равно разности потенциалов \( u_{a0} — u_{b0} \). Это напряжение вдвое больше фазного, что важно учитывать при выборе класса тиристоров по напряжению.
- Коммутация (\( \vartheta = \pi \)): Ток через VS1 падает до нуля, так как напряжение \( u_{a0} \) переходит через ноль. Тиристор VS1 выключается естественным образом.
- Второй полупериод (\( \vartheta = \pi + \alpha \)): Полярность меняется. Теперь точка «b» положительна. Подается импульс на VS2, и процесс повторяется.
2.3. Регулирование напряжения
Введение угла задержки \( \alpha \) — это суть управляемого выпрямления. Угол отсчитывается от точек естественной коммутации (пересечения фазных напряжений или перехода через ноль в данной схеме).
Математическая зависимость среднего выпрямленного напряжения \( U_d \) от угла \( \alpha \) выводится через интеграл:
Если принять напряжение неуправляемого выпрямителя (при \( \alpha = 0 \)) за \( U_{d0} \):
Тогда регулировочная характеристика для активной нагрузки примет вид:
Это уравнение показывает, что при изменении \( \alpha \) от 0 до \( \pi \) (180°) напряжение плавно падает до нуля.
2.4. Влияние индуктивности нагрузки (Активно-индуктивная нагрузка)
Подключение индуктивности \( L_d \) кардинально меняет картину. Индуктивность — это инерционный элемент, который «противится» изменению тока.
Аналогия: Активная нагрузка похожа на толкание легкой тележки — перестали толкать, она остановилась. Индуктивная нагрузка похожа на тяжелый груженый поезд. Даже если вы перестали тянуть (напряжение упало до нуля), поезд продолжает катиться по инерции (ток продолжает течь).
При углах \( \alpha > 0 \) энергия, накопленная в магнитном поле дросселя \( L_d \), заставляет тиристор оставаться открытым даже тогда, когда напряжение вторичной обмотки меняет знак на отрицательный (см. рис. 2, а).

Рис. 2. Диаграммы напряжения и тока при активно-индуктивной нагрузке: а — режим прерывистого тока; б — режим непрерывного (сглаженного) тока.
Режимы работы:
- Режим прерывистого тока (Рис. 2, а): Если индуктивность мала, энергии не хватает на поддержание тока до следующего включения. Ток прерывается, в цепи возникают бестоковые паузы.
- Режим непрерывного тока (Рис. 2, б): При большой индуктивности (\( \omega L_d / R_d > 5 \div 10 \)) ток не успевает упасть до нуля. Тиристоры проводят ток прямоугольной формы длительностью \( \pi \) (180°).
В режиме непрерывного тока формула регулировочной характеристики меняется:
Критический момент: Согласно формуле, при \( \alpha = \pi/2 \) (90°) среднее напряжение становится равным нулю. Площади положительных и отрицательных участков синусоиды уравниваются (см. рис. 3). Энергия сначала запасается в дросселе, а потом полностью возвращается в сеть — это режим инвертирования (если бы была посторонняя ЭДС).

Рис. 3. Диаграммы напряжения при угле управления \( \alpha = \pi/2 \). Постоянная составляющая отсутствует.
Регулировочные характеристики наглядно показаны на рисунке 4. Кривая 1 — для активной нагрузки, кривая 2 — для индуктивной (косинусоида). Заштрихованная область — это зона прерывистых токов, где «жесткость» внешней характеристики выпрямителя падает.

Рис. 4. Регулировочные характеристики однофазного выпрямителя: 1 — активная нагрузка; 2 — активно-индуктивная нагрузка.
Примечание: Работа в режиме прерывистого тока нежелательна для мощных приводов, так как ухудшается динамика управления. Поэтому индуктивность \( L_d \) выбирают выше критического значения, чтобы обеспечить непрерывность тока даже при минимальной нагрузке.
Расчет токов тиристоров
Для выбора приборов используют следующие соотношения (при непрерывном токе \( I_d \)):
Действующее значение тока тиристора, которое греет кристалл:
3. Однофазная мостовая схема (Схема Греца)
Мостовая схема, показанная на рисунке 5, является наиболее распространенной в малой и средней энергетике.

Рис. 5. Однофазный мостовой выпрямитель. Ток протекает через диагонально расположенные пары вентилей.
3.1. Отличия от схемы со средней точкой
Главное преимущество — отсутствие специального трансформатора. На вход подается простое однофазное напряжение \( U_{ab} \). В выпрямлении участвуют 4 тиристора. В каждый момент времени ток проводят два последовательно включенных прибора: либо пара VS1 и VS3, либо пара VS2 и VS4.
3.2. Основные характеристики
Формы токов и напряжений идентичны рассмотренным ранее (рис. 1–4). Однако есть важное различие в обратном напряжении на вентилях. Если в схеме со средней точкой тиристор должен держать двойное амплитудное напряжение, то в мостовой схеме — только одинарное амплитудное.
Среднее выпрямленное напряжение при \( \alpha = 0 \):
Формулы регулирования:
- При активной нагрузке: \( U_d = U_{d0} \frac{1 + \cos \alpha}{2} \)
- При активно-индуктивной (непрерывный ток): \( U_d = U_{d0} \cos \alpha \)
Следует учитывать, что падение напряжения в мостовой схеме в два раза больше (два вентиля последовательно), что может быть критично при низких напряжениях выпрямления.
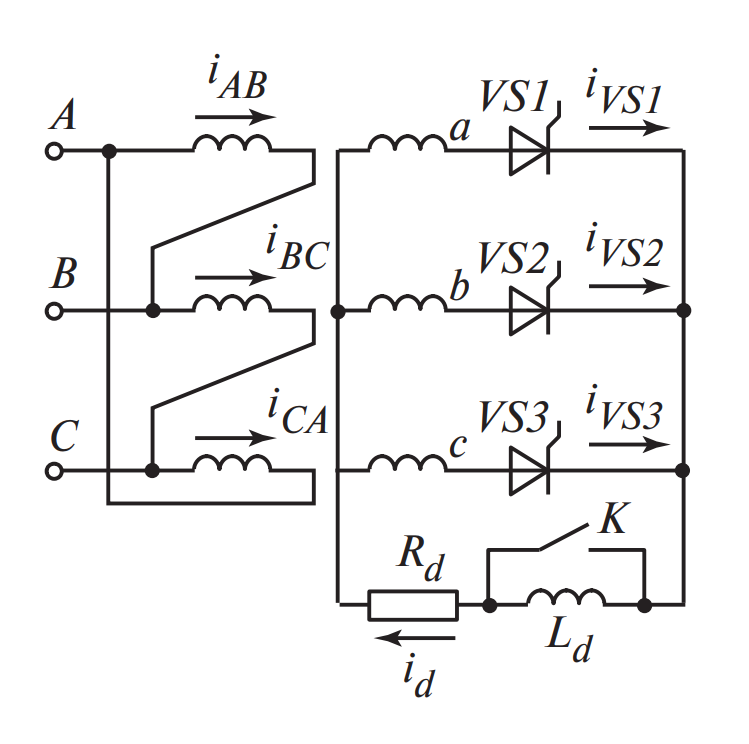
4. Трехфазная схема со средней точкой (Схема Миткевича)
Переходим к трехфазным системам. Они обеспечивают лучшее качество выпрямленного напряжения (меньше пульсаций) и равномерную загрузку питающей сети. Трехфазная схема со средней точкой (рис. 6) исторически важна и часто применяется в низковольтных сильноточных выпрямителях (например, для гальваники).

Рис. 6. Трехфазный выпрямитель со средней точкой.
4.1. Принцип работы (Однотактный режим)
Схему называют однотактной, так как ток во вторичной обмотке каждой фазы протекает только в одном направлении (одна полуволна). Рассмотрим работу при активной нагрузке (ключ К замкнут) и угле \( \alpha = 0 \) (см. рис. 7).

Рис. 7. Диаграммы тока и напряжения трехфазного выпрямителя со средней точкой при угле \( \alpha = 0 \).
Алгоритм коммутации «естественного отбора»: ток проводит тот тиристор, на аноде которого потенциал самый высокий (положительный).
- Интервал \( \vartheta_0 < \vartheta < \vartheta_1 \): Потенциал фазы «a» максимален. Проводит VS1.
- Момент \( \vartheta_1 \): Потенциалы фаз «a» и «b» пересекаются. Начиная с этого момента, потенциал фазы «b» становится выше. Анод VS2 становится положительнее катода. Если подать импульс, VS2 откроется.
- Коммутация: При включении VS2 к VS1 прикладывается линейное напряжение \( u_{ba} \) (так как катоды объединены), которое для VS1 является обратным. VS1 запирается.
Каждый тиристор работает ровно одну треть периода (\( 2\pi/3 \) или 120°). Частота пульсаций на выходе — тройная частота сети (150 Гц при сети 50 Гц).
4.2. Расчетные соотношения
Среднее напряжение находится интегрированием верхушек синусоид в интервале \( \pm \pi/6 \) от максимума:
Это значительно выше, чем в однофазных схемах (0,9).
4.3. Проблема вынужденного подмагничивания
Замечание: Главный недостаток этой схемы — наличие постоянной составляющей тока во вторичных обмотках (ток течет только в одну сторону). Это создает постоянный магнитный поток в сердечнике трансформатора (поток вынужденного подмагничивания).
Подмагничивание может вогнать сердечник в насыщение, резко увеличивая намагничивающий ток первичной обмотки. Чтобы этого избежать, приходится делать трансформатор с завышенными габаритами и воздушными зазорами, что экономически невыгодно для больших мощностей. Токи в первичных обмотках (соединенных в треугольник или звезду без нейтрали) являются чисто переменными, так как постоянная составляющая не трансформируется.
4.4. Работа при угле управления \( \alpha > 0 \)
Как и в однофазных схемах, задержка включения снижает выходное напряжение.
- Диапазон \( 0 < \alpha < \pi/6 \) (0…30°): (см. рис. 8). Ток непрерывен при любой нагрузке. Характеристика: \( U_d = U_{d0} \cos \alpha \).
- Точка \( \alpha = \pi/6 \) (30°): Гранично-непрерывный режим для активной нагрузки. Мгновенное напряжение касается нуля (см. рис. 9, слева).
- Диапазон \( \alpha > \pi/6 \): При активной нагрузке ток прерывается. Появляются паузы. Напряжение падает быстрее, чем по закону косинуса.

Рис. 8. Диаграммы работы при малых углах управления (\( \alpha < \pi/6 \)).

Рис. 9. Диаграммы тока и напряжения трехфазного выпрямителя со средней точкой при углах α = π/6 и α > π/6
При активно-индуктивной нагрузке (большая \( L_d \)) ток остается непрерывным вплоть до \( \alpha = \pi/2 \) (90°), где среднее напряжение становится нулевым. Регулировочные характеристики показаны на рисунке 10.

Рис. 10. Регулировочные характеристики трехфазного выпрямителя со средней точкой.
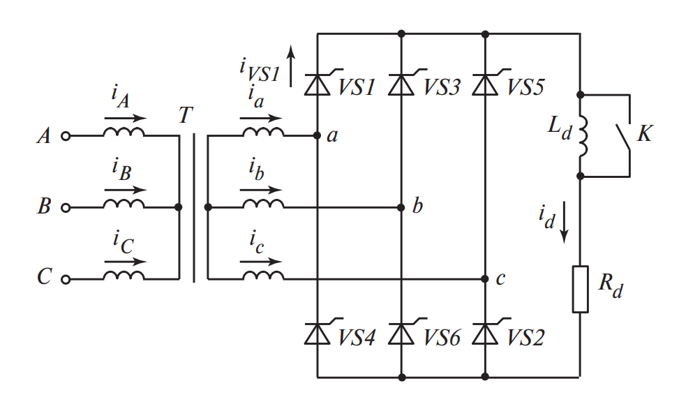
5. Трехфазная мостовая схема (Схема Ларионова)
Это «рабочая лошадка» всей современной промышленности. Схема (см. рис. 11) была предложена А.Н. Ларионовым в 1923 году.

Рис. 11. Трехфазный мостовой выпрямитель (Схема Ларионова).
5.1. Логика работы
Мост состоит из двух групп вентилей:
- Катодная группа (VS1, VS3, VS5): У них объединены катоды. В каждый момент работает тот, у которого на аноде самый высокий положительный потенциал.
- Анодная группа (VS4, VS6, VS2): У них объединены аноды. Работает тот, у которого на катоде самый низкий отрицательный потенциал.
В итоге, к нагрузке всегда приложено линейное напряжение (разность между самой положительной и самой отрицательной фазой). За период происходит 6 переключений (каждые 60° или \( \pi/3 \)). См. диаграммы на рисунке 12.

Рис. 12. Временные диаграммы трехфазного мостового выпрямителя (\( \alpha = 0 \)).
Обратите внимание на формирование выходного напряжения из кусков линейных напряжений.
5.2. Преимущества
| Параметр | Схема со средней точкой | Мостовая схема (Ларионова) |
|---|---|---|
| Среднее напряжение \( U_d \) | \( 1.17 U_2 \) | \( 2.34 U_2 \) (Выше в 2 раза) |
| Обратное напряжение на вентиле | \( 2.09 U_d \) | \( 1.045 U_d \) (Ниже требования к тиристорам) |
| Использование трансформатора | Плохое (подмагничивание) | Отличное (нет подмагничивания) |
| Частота пульсаций | \( 3f_{c} \) (150 Гц) | \( 6f_{c} \) (300 Гц) — легче сгладить |
5.3. Расчетные формулы
Среднее выпрямленное напряжение:
Регулировочная характеристика при непрерывном токе:
5.4. Особенности управления (\( \alpha > 0 \))
На рисунках 13 и 14 показаны диаграммы при управлении. Важнейший нюанс запуска: для протекания тока необходимо, чтобы одновременно открылись два тиристора (один из верхней группы, другой из нижней).
Практический совет: При подаче импульсов управления используют «сдвоенные» импульсы (широкие > 60° или два узких с интервалом 60°), чтобы гарантировать включение пары тиристоров при старте или в режиме прерывистых токов.

Рис. 13. Работа схемы при угле \( \alpha = \pi/6 \).

Рис. 14. Режимы граничного и прерывистого токов при глубоком регулировании. Диаграммы тока и напряжения трехфазного мостового выпрямителя при углах
α = π/3 и α > π/3
Регулировочные характеристики представлены на рисунке 15.

Рис. 15. Регулировочные характеристики трехфазного мостового выпрямителя.
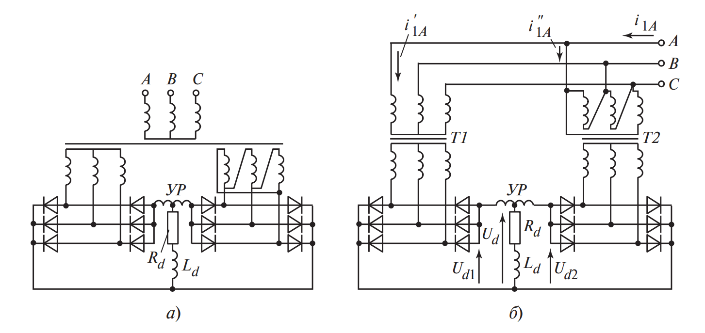
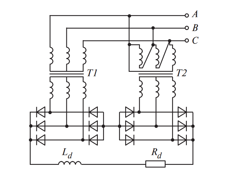
6. Многомостовые (многопульсные) схемы выпрямления
Для мощных промышленных установок (электролиз алюминия, тяговые подстанции метрополитена, приводы прокатных станов мощностью выше 1000 кВт) стандартная 6-пульсная схема Ларионова имеет недостатки: высокий уровень высших гармоник тока, загрязняющих сеть.
Решение — увеличение числа пульсаций за период (12, 18, 24 и т.д.) путем объединения нескольких мостов.
6.1. Принцип 12-пульсного выпрямления
Рассмотрим схемы на рисунке 16. Идея заключается в использовании двух трансформаторов (или одного трехобмоточного).
- Первый мост: Питается от обмотки, соединенной в «Звезду».
- Второй мост: Питается от обмотки, соединенной в «Треугольник».
Известно из теории электрических машин, что соединение «треугольник» поворачивает вектор напряжения на 30° (\( \pi/6 \)) относительно «звезды». Следовательно, пульсации выпрямленного напряжения одного моста сдвинуты относительно другого ровно на половину периода пульсаций.

Рис. 16. Трехфазные двухмостовые выпрямители с параллельным соединением: а — с трехобмоточным трансформатором; б — с двумя отдельными трансформаторами. УР — уравнительный реактор.
6.2. Параллельное и последовательное включение
Параллельное включение (Рис. 16): Используется для получения огромных токов (десятки и сотни тысяч ампер). Здесь необходим Уравнительный Реактор (УР).
Зачем нужен реактор? Представьте две шестеренки, зубья которых не совпадают идеально. Если их жестко сцепить, они сломаются. Так и здесь: мгновенные напряжения мостов не равны из-за сдвига фаз. Реактор воспринимает эту разность напряжений \( u_{у.р} = u_{d1} — u_{d2} \), позволяя мостам работать на общую нагрузку без уравнительных токов короткого замыкания.
В результате сложения (см. рис. 17) на выходе получается напряжение с частотой пульсаций 600 Гц (12 пульсаций), которое гораздо ближе к идеальной прямой линии. А сетевой ток (см. рис. 18) становится почти синусоидальным, что радует энергетиков.

Рис. 17. Формирование 12-пульсного выпрямленного напряжения.
Последовательное включение (Рис. 18): Используется для получения высоких напряжений (например, в линиях HVDC).
Здесь уравнительный реактор не нужен, так как токи мостов равны (они же включены последовательно), а напряжения просто суммируются.

Рис. 18. Трехфазный двухмостовой выпрямитель с последовательным соединением мостовых схем.
7. Сводная таблица сравнительного анализа схем выпрямления
В таблице приведены параметры для идеализированных условий (без потерь) при работе на активно-индуктивную нагрузку в режиме непрерывного тока.
| Параметр / Схема | 1-фазная со ср. точкой (Миткевича) | 1-фазная мостовая (Греца) | 3-фазная со ср. точкой (Нулевая) | 3-фазная мостовая (Ларионова) |
|---|---|---|---|---|
| Количество вентилей | 2 | 4 | 3 | 6 |
| Число пульсаций за период (m) | 2 | 2 | 3 | 6 |
| Среднее выпрямленное напряжение (\(U_{d0}\)) | \( \frac{2\sqrt{2}}{\pi} U_2 \approx 0.9 U_2 \) | \( \frac{2\sqrt{2}}{\pi} U_2 \approx 0.9 U_2 \) | \( \frac{3\sqrt{6}}{2\pi} U_2 \approx 1.17 U_2 \) | \( \frac{3\sqrt{6}}{\pi} U_2 \approx 2.34 U_2 \) |
| Макс. обратное напряжение на вентиле (\(U_{rev}\)) | \( \pi U_{d0} \approx 3.14 U_{d0} \) | \( \frac{\pi}{2} U_{d0} \approx 1.57 U_{d0} \) | \( \frac{2\pi}{3} U_{d0} \approx 2.09 U_{d0} \) | \( \frac{\pi}{3} U_{d0} \approx 1.045 U_{d0} \) |
| Средний ток через вентиль (\(I_{a.cp}\)) | \( 0.5 I_d \) | \( 0.5 I_d \) | \( 0.33 I_d \) | \( 0.33 I_d \) |
| Действующий ток через вентиль (\(I_{a.rms}\)) | \( 0.707 I_d \) | \( 0.707 I_d \) | \( 0.58 I_d \) | \( 0.58 I_d \) |
| Габаритная мощность трансформатора (\(S_{tr}/P_d\)) | 1.48 | 1.23 | 1.35 | 1.05 |
| Вынужденное подмагничивание сердечника | Отсутствует | Отсутствует | Присутствует (сильное) | Отсутствует |
| Частота пульсаций (при сети 50 Гц) | 100 Гц | 100 Гц | 150 Гц | 300 Гц |
| Коэффициент пульсаций (по 1-й гармонике) | 67% | 67% | 25% | 5.7% |
| Ключевые преимущества | Малое падение напряжения (1 вентиль в цепи), простая схема управления | Нет подмагничивания, низкое обратное напряжение, стандартный трансформатор | Общий катод (удобно монтировать на один радиатор), мало вентилей | Высокий КПД, минимальные пульсации, лучшее использование меди и стали |
| Ключевые недостатки | Сложный трансформатор, высокое обратное напряжение | Удвоенное число вентилей, потери напряжения (2 вентиля последовательно) | Низкий КПД трансформатора, подмагничивание, искажение сети | Сложная схема управления (сдвоенные импульсы), 6 вентилей |
| Типичное применение | Низковольтные сильноточные выпрямители (сварка) | Блоки питания бытовой техники, зарядные устройства | Специальные технологические установки (гальваника) | Промышленный электропривод, тяговые подстанции, мощные ИБП |
8. Интересные факты о выпрямительной технике
- Ртутные монстры. До изобретения мощных полупроводников использовались ртутные выпрямители — игнитроны. Это были огромные стеклянные или металлические колбы с жидкой ртутью на дне, которые при работе светились зловещим голубым светом и требовали постоянного вакуумирования.
- Автомобильная классика. В генераторе каждого современного автомобиля работает трехфазный мостовой выпрямитель (схема Ларионова). Именно он превращает переменный ток генератора в постоянный для зарядки 12-вольтового аккумулятора и питания бортовой сети.
- Магнитострикция. Характерный низкочастотный гул на тяговых подстанциях железных дорог вызван не самими тиристорами, а трансформаторами выпрямителей. Пульсирующие токи вызывают микродеформации пластин сердечника (магнитострикцию), заставляя многотонную конструкцию вибрировать с частотой 100 или 300 Гц.
- Сверхвысокие напряжения. Существуют линии электропередачи постоянного тока (HVDC), где выпрямители работают с напряжениями до 1100 кВ (1,1 миллиона вольт). Такие установки состоят из тысяч последовательно соединенных тиристорных «таблеток», собранных в огромные подвесные башни высотой с многоэтажный дом.
- Алюминиевые реки. Самые мощные выпрямители в мире используются при производстве алюминия электролизом. Токи в таких цехах достигают фантастических значений в 300 000 — 500 000 Ампер, а магнитные поля вокруг шинопроводов настолько сильны, что могут вырвать гаечный ключ из рук.
- Революция SiC. Современная техника переходит с кремния на карбид кремния (SiC). Выпрямители на новой базе могут работать при температурах до 600°C и переключаться в 100 раз быстрее, что позволяет уменьшить размеры блоков питания ноутбуков и электромобилей в несколько раз.
- Синхронное выпрямление. В самых эффективных современных блоках питания (например, в серверах) диоды заменяют на полевые транзисторы (MOSFET), которые принудительно открываются в нужный момент. Это убирает падение напряжения 0.7 В, свойственное диодам, и повышает КПД до 99%.
9. Часто задаваемые вопросы (FAQ)
В чем принципиальная разница между диодным и тиристорным мостом?
Зачем нужен сглаживающий дроссель (реактор) после выпрямителя?
Что такое «опрокидывание инвертора» и опасно ли это для выпрямителя?
Почему в мощных схемах используют 12 или 24 фазы вместо стандартных 3?
Как выбрать класс напряжения для тиристора в мостовой схеме?
Заключение
Мы подробно рассмотрели эволюцию схем выпрямления от простейших однофазных до сложных многомостовых систем. Понимание физики процессов — коммутации, влияния индуктивности, фазового управления — позволяет инженеру не просто выбирать схему по справочнику, но и предвидеть поведение системы в нестандартных ситуациях, грамотно рассчитывать защиты и фильтры. Несмотря на развитие транзисторной техники (PWM-выпрямители), рассмотренные тиристорные схемы остаются незаменимыми в области сверхвысоких мощностей благодаря своей надежности, перегрузочной способности и простоте.
Нормативная база
- IEC 60146-1-1-2024 — «Стандарт, который устанавливает требования к работе полупроводниковых преобразователей мощности и переключателей мощности с управляемыми и/или неуправляемыми электронными клапанными устройствами».
- ГОСТ 26567-85 — «Преобразователи электроэнергии полупроводниковые. Методы испытаний».
- ГОСТ 12.2.007.0-75 — «Система стандартов безопасности труда. Изделия электротехнические. Общие требования безопасности».
Список литературы
- Розанов Ю. К., Рябчицкий М. В., Кваснюк А. А. Силовая электроника. Учебник для вузов. — 2-е изд., стереот. — М.: Издательский дом МЭИ, 2009. — 632 с.
- Зиновьев Г. С. Основы силовой электроники: Учебник. — 5-е изд., испр. и доп. — Новосибирск: Изд-во НГТУ, 2012. — 672 с.
- Семенов Б. Ю. Силовая электроника: от простого к сложному. — М.: СОЛОН-Пресс, 2005. — 416 с.
