Содержание страницы
- 1. Физическая природа явления: Почему меняется сопротивление?
- 2. Требования к материалам чувствительных элементов
- 3. Материалы термопреобразователей сопротивления: платина, медь, никель
- 4. Математическая модель: Линейная и реальная характеристики
- 5. Конструкция и монтаж
- 6. Схемотехника подключения и методы измерения сопротивления
- 7. Справочные данные и характеристики (ГОСТ 6651-2009)
- 8. Преимущества и недостатки термопреобразователей сопротивления
- 9. Топ-5 частых ошибок при эксплуатации термометров сопротивления (и как их избежать)
- 10. Интересные факты о термометрии
- 11. FAQ (Часто задаваемые вопросы)
- Заключение
Термопреобразователь сопротивления (международное обозначение RTD — Resistance Temperature Detector) — это высокоточный датчик, используемый для измерения температуры, принцип работы которого базируется на фундаментальном физическом свойстве материалов: изменении электрического сопротивления при нагревании или охлаждении.
1. Физическая природа явления: Почему меняется сопротивление?
Термопреобразователи сопротивления (ТС) являются основой современной промышленной термометрии в диапазоне от –260 до +750°С. В специализированных лабораторных условиях специальные конструкции способны работать вплоть до 1000°С, однако это требует использования дорогостоящих материалов оболочки и изоляторов.

Слева — холодное состояние (атомы колеблются слабо, путь электрона прямой). Справа — горячее состояние (атомы колеблются с большой амплитудой, траектория электрона извилистая из-за частых столкновений).
В основе работы лежит зависимость омического сопротивления \( R = f(t) \). Для глубокого понимания процесса обратимся к микрофизике.
1.1 Поведение различных материалов
Характер изменения сопротивления зависит от типа материала:
- Чистые металлы: С ростом температуры амплитуда колебаний ионов в узлах кристаллической решетки увеличивается, что приводит к более частому рассеянию электронов проводимости. Следствие — рост сопротивления. Коэффициент составляет примерно 0,4 %/°C для большинства металлов.
- Ферромагнетики (Fe, Ni, Co): Обладают более высоким температурным коэффициентом (около 0,65 %/°C), однако имеют точку Кюри, при переходе через которую их свойства резко меняются, что вызывает гистерезис и нелинейность.
- Сплавы: Часто имеют низкий или близкий к нулю температурный коэффициент (например, константан или манганин), поэтому они идеальны для эталонных резисторов, но бесполезны для измерения температуры.
- Полупроводники (Термисторы): В отличие от металлов, у них с ростом температуры резко возрастает концентрация носителей заряда (электронов и дырок), что перекрывает эффект рассеяния. Поэтому их сопротивление падает (отрицательный коэффициент).
2. Требования к материалам чувствительных элементов
Не каждый проводник пригоден для создания точного термометра. Материал должен удовлетворять жестким критериям:
- Высокий температурный коэффициент сопротивления (ТКС): Чем он выше, тем чувствительнее прибор.
- Линейность характеристики: Зависимость \( R(t) \) должна быть максимально близка к прямой линии для упрощения вторичной электроники.
- Высокое удельное сопротивление: Позволяет создавать компактные датчики с высоким начальным сопротивлением (что снижает влияние проводов).
- Химическая инертность: Металл не должен окисляться или вступать в реакцию со средой при нагреве.
- Технологическая воспроизводимость: Возможность получать материал высокой чистоты серийно.
3. Материалы термопреобразователей сопротивления: платина, медь, никель
3.1 Платина (Pt) — «Золотой стандарт»
Платина является основным материалом для прецизионных термосопротивлений благодаря химической инертности, стабильности и способности работать в широком температурном диапазоне. Её удельное сопротивление составляет
\( \rho = 0,0981 \cdot 10^{-6} \, \text{Ом} \cdot \text{м} \), что обеспечивает удобные для измерений значения сопротивления при комнатных температурах.
Маркировки платиновых датчиков, такие как Pt100 и Pt1000, напрямую указывают на их номинальное сопротивление при температуре 0°C:
- Pt100 — элемент имеет сопротивление 100 Ом при 0°C;
- Pt1000 — элемент имеет сопротивление 1000 Ом при 0°C.
Значение сопротивления при 0°C является стандартной точкой отсчёта (R0) и используется для расчёта температурной зависимости в соответствии с международным стандартом IEC 60751. Увеличение номинального сопротивления (например, в Pt1000) уменьшает влияние сопротивления соединительных проводов и позволяет применять двухпроводные схемы без значительного ухудшения точности.
3.2 Медь (Cu) — Дешево и линейно
Медь широко применяется в недорогих датчиках (например, ТСМ) благодаря высокой линейности характеристики в диапазоне –50…+180°С. Однако медь имеет низкое удельное сопротивление, из-за чего для получения номинального сопротивления 100 Ом требуется использовать очень тонкую и длинную проволоку. Кроме того, медь активно окисляется при температурах выше 180°C, что ограничивает область применения медных термосопротивлений.
3.3. Никель (Ni)
Недорогой материал для термосопротивлений, применяемый в системах отопления, вентиляции и кондиционирования воздуха, бытовых и простых технологических установках. Наиболее распространённые номиналы — Ni100 и Ni1000, где число, как и в платиновых датчиках, означает сопротивление элемента при 0°C. Никелевые элементы обладают более высокой чувствительностью (до 6 Ω/°C), что упрощает измерение температуры в недорогих схемах, однако их температурная характеристика менее линейна, чем у платиновых RTD, а рабочий диапазон ограничен примерно –60…+180°C. Кроме того, никель склонен к старению и изменению сопротивления со временем, поэтому его используют там, где не требуется высокая долгосрочная стабильность и прецизионная точность.
| Материал | Диапазон | ТКС | Линейность | Типовые области |
|---|---|---|---|---|
| Pt100 | -200…+850°C | 0.00385 | Высокая | Промышленная автоматизация |
| Cu100 | -50…+180°C | 0.00428 | Очень высокая | Системы ОВиК |
| Ni100 | -60…+180°C | ~0.006 | Средняя | Бытовые системы |
3.4. Основные группы маркировок элементов
| Группа | Маркировки | Что означает |
|---|---|---|
| Платиновые RTD | PT50, PT100, PT200, PT500, PT1000, PT2000 | Цифра — сопротивление при 0°C (например, PT100 → 100 Ом при 0°C) |
| Никелевые RTD | Ni100, Ni500, Ni1000 | Аналогично: сопротивление при 0°C, но иная температурная характеристика |
| Медные RTD | Cu50, Cu100, ММТ, ТСМ | Сопротивление при 0°C и российские обозначения по ГОСТ 6651-2009 |
| Российские обозначения | 50П, 100П, ТСМ-50, ТСМ-100, ТС-1388 | П — «платина»; число — сопротивление при 0°C |
| Классы и исполнение | A, B, AA, 1/3 DIN, TF (плёночный), WW (намотанный) | Показывают точность и конструкцию чувствительного элемента |
Самыми распространёнными чувствительными элементами являются элементы с номиналами 100 Ом и 1000 Ом при 0°C — соответственно, Pt100 (или 100П) и Pt1000 (или 1000П). Эти значения выбраны как стандартные, поскольку обеспечивают оптимальный баланс между чувствительностью, стабильностью и уровнем шума. Именно поэтому в промышленной автоматике, HVAC-оборудовании и измерительных системах чаще всего применяются именно Pt100 и Pt1000, а остальные номиналы (Pt50, Pt200, Pt500, Pt2000) используются значительно реже.
4. Математическая модель: Линейная и реальная характеристики
Любой современный контроллер или термометр преобразует измеренное сопротивление в температуру, используя математические алгоритмы. Глубина этих алгоритмов определяет точность всей системы.
4.1 Линейное приближение (Идеализированная модель)
Для бытовых задач и узких диапазонов (например, контроль температуры воды в системе отопления, 0…100°С) принято считать, что сопротивление растет строго пропорционально нагреву. Эта зависимость описывается простым линейным уравнением:
Где:
- \( R_t \) — сопротивление при температуре \( t \);
- \( R_0 \) — номинальное сопротивление при 0°С (100 Ом для Pt100);
- \( \alpha \) (Альфа) — средний температурный коэффициент сопротивления (ТКС).
Что такое коэффициент \( \alpha \)?
Это величина, показывающая, насколько изменяется сопротивление проводника при нагреве на 1°C.
- Для стандарта DIN/IEC 60751 (наиболее распространенный): \( \alpha = 0,00385 \, ^\circ\text{C}^{-1} \).
- Для чистой «эталонной» меди: \( \alpha = 0,00428 \, ^\circ\text{C}^{-1} \).
4.2 Реальная картина (Анализ графика)
Если бы мы жили в идеальном мире, график зависимости \( R(t) \) был бы прямой линией, уходящей в бесконечность. Однако реальные физические свойства металлов вносят свои коррективы. Взгляните на график ниже:

Что мы видим на графике?
- Зона совпадения (до 150°C): В начале координат сплошная и пунктирная линии практически неразличимы. Здесь линейная формула работает с погрешностью менее 0,5°C.
- Зона расхождения (выше 200°C): С ростом температуры «реальная» линия начинает плавно загибаться вниз. Сопротивление растет медленнее, чем предсказывает линейная формула.
- Критическая зона (600-850°C): Разрыв становится колоссальным.
4.3 Точное уравнение (Каллендар-Ван Дюзен)
Чтобы описать этот «загиб» характеристики, математики используют полиномы высоких степеней. Международный стандарт ГОСТ 6651-2009 (IEC 60751) регламентирует уравнение Каллендара-Ван Дюзена.
Диапазон от 0 до 850 °C (Отрицательная квадратичная зависимость):
Здесь формула учитывает замедление роста сопротивления через коэффициент \( B \):
Диапазон от -200 до 0 °C (Дополнительная коррекция):
При низких температурах поведение электронов меняется еще сложнее, поэтому добавляется член 4-й степени с коэффициентом \( C \):
Эти константы «зашиты» в память всех промышленных контроллеров:
- \( A = 3,9083 \cdot 10^{-3} \, ^\circ\text{C}^{-1} \) (Отвечает за линейный рост)
- \( B = -5,775 \cdot 10^{-7} \, ^\circ\text{C}^{-2} \) (Отвечает за изгиб вниз при нагреве)
- \( C = -4,183 \cdot 10^{-12} \, ^\circ\text{C}^{-4} \) (Работает только при отрицательных температурах)
Обратите внимание, что коэффициент \( B \) — отрицательный. Именно он математически описывает тот факт, что реальная кривая на графике (рис. 2) проходит ниже линейной пунктирной линии.
4.4 Практический пример расчета: Как перевести Омы в Градусы
Представим ситуацию: вы находитесь на объекте, контроллер показывает ошибку, и вам нужно проверить исправность датчика Pt100. Вы отключаете его от клемм, берете мультиметр и измеряете сопротивление. Прибор показывает 119.40 Ом. Какая это температура?
Для быстрой оценки «в поле» используем преобразованную линейную формулу:
Подставим значения:
- \( R_{изм} = 119.40 \) Ом (наше измерение)
- \( R_0 = 100 \) Ом (номинал Pt100)
- \( \alpha = 0.00385 \) (стандартный коэффициент)
Если мы откроем официальную таблицу НСХ (номинальных статических характеристик) для Pt100, то увидим, что сопротивлению 119.40 Ом соответствует температура ровно 50°C.
Вывод: Линейная формула дала погрешность всего 0.39°C. Для экспресс-диагностики этого более чем достаточно. Однако, чем выше температура, тем больше будет погрешность линейного расчета (при 200°C она составит уже около 1.5°C).
Полезное правило «на вскидку»
Для Pt100 запомните простое соотношение:
1°C ≈ 0.385 Ом
Или грубее: 2.5 Ома ≈ 10 градусов.
Если сопротивление изменилось на 4 ома, температура ушла примерно на 10 градусов. Это помогает мгновенно оценивать адекватность показаний без калькулятора.
5. Конструкция и монтаж
5.1. Конструкция чувствительного элемента

а) Проволочный элемент (Wire-wound): керамический стержень, на который спиралью намотана тонкая платиновая проволока, места сварки выводов закрыты глазурью. Выглядит как катушка.
б) Пленочный элемент (Thin-film): плоская керамическая подложка, на которую методом напыления нанесен змеевик платины (меандр). Выглядит как маленький чип с двумя выводами.
Существует два основных типа исполнения:
1. Проволочные: Классическая конструкция. Стабильны, но подвержены вибрациям.
2. Пленочные: Современный стандарт. Платина напыляется на керамику, затем подгоняется лазером под номинал. Дешевле, компактнее, устойчивее к вибрации, но имеют чуть меньший температурный диапазон.
5.2 Промышленное исполнение (Защитная арматура)
Сам по себе платиновый чувствительный элемент слишком хрупок для прямого контакта со средой. Поэтому в промышленности он помещается в защитный корпус.

Основные элементы конструкции:
- Защитная гильза (Чехол): Трубка из нержавеющей стали (например, 12Х18Н10Т), защищающая чувствительный элемент от давления, химии и механических ударов потока. Пространство между элементом и стенками гильзы засыпается керамическим порошком (оксидом магния) для улучшения теплопередачи и вибростойкости.
- Клеммная головка (Коммутационная коробка): Защищает контакты подключения кабеля от пыли и влаги (обычно IP54 или IP65). Внутри нее может располагаться керамическая колодка или нормирующий преобразователь (таблетка 4-20 мА).
- Монтажная часть (Бобышка/Штуцер): Элемент (чаще всего с резьбой М20х1.5 или G1/2″), позволяющий герметично закрепить датчик на трубе или емкости.
6. Схемотехника подключения и методы измерения сопротивления
Для получения достоверных данных о температуре недостаточно просто иметь качественный платиновый сенсор. Ключевой задачей вторичного преобразователя (контроллера, модуля ввода) является точное измерение омического сопротивления \( R_x \). Поскольку изменение сопротивления на 1°C для датчика Pt100 составляет всего около 0,385 Ом, любое паразитное сопротивление в цепи может привести к катастрофическим погрешностям.

Как видно на Рисунке 5, физическая коммутация внутри клеммной головки различается количеством задействованных проводов. Однако за визуальными отличиями скрывается фундаментальная разница в методах измерения. Чтобы понять, почему в одном случае достаточно перемычки, а в другом требуются отдельные линии, рассмотрим детальные принципиальные схемы (рис. 6, 7 и 8) и математику процесса для каждого варианта.
6.1 Двухпроводная схема измерений (2-wire)
Это простейший и исторически первый способ подключения. Двухпроводная схема использует косвенный метод измерений, основанный на законе Ома. Через измеряемый резистор пропускается калиброванный ток возбуждения \( I_{ex} \), и измеряется падение напряжения \( V_x \).

а) Двухпроводная схема: Источник тока \( I_{ex} \) подключен к резистору \( R_x \). Показаны провода с сопротивлением \( R_{пр} \). Вольтметр измеряет напряжение на клеммах источника.
б) Четырехпроводная схема: Источник тока подключен к \( R_x \) по внешним проводам. Вольтметр подключен к \( R_x \) отдельными внутренними проводами (Sense) непосредственно у резистора. Сопротивления проводов также обозначены как \( R_{пр} \).
Реже применяется методика, когда задаётся калиброванное напряжение \( V_x \) и измеряется ток \( I_{ex} \). Также возможен логометрический метод, когда одновременно измеряются и ток, и напряжение от некалиброванных источников. Однако, в любом случае, расчет сопротивления \( R_x \) производится по базовой формуле:
Главный недостаток очевиден из формулы: в результат измерения неизбежно включается сопротивление соединительных проводов \( R_{пр} \) (см. рис. 6а). Поскольку сопротивление металлических термопреобразователей сравнительно мало (особенно для Pt100, Pt50, Cu50), погрешность становится недопустимой.
Пример расчета погрешности:
Рассмотрим медный датчик ТСМ50 с \( R_0 = 50 \) Ом. Допустимая погрешность не должна превышать 0,1% (класс точности), что составляет всего 0,05 Ом. Если мы используем стандартный монтажный провод сечением 0,35 мм² (погонное сопротивление \(\approx 0,049\) Ом/м), то суммарная длина пары проводников не должна превышать 0,5 метра. Это делает схему непригодной для удаленных измерений.
Способы компенсации для двухпроводной схемы:
- Математическая коррекция: Если сопротивление линии \( R_{пр} \) измерено заранее и считается постоянным, его можно вычесть в настройках контроллера.
- Термокомпенсация линии: Сложнее, если температура проводов меняется (например, проложены в горячем цеху). Медь меняет сопротивление на 40% при нагреве на 100°C, что внесет дополнительную «плавающую» ошибку.
Относительную погрешность измерения \( \delta_R \) можно выразить через погрешности измерения напряжения \( \Delta V_x \) и тока \( \Delta I_{ex} \), а также нескомпенсированную часть сопротивления проводов \( \Delta R_{пр} \):
6.2 Четырёхпроводная схема измерений (4-wire)
Это «золотой стандарт» метрологии, также известный как схема Кельвина. Принцип действия (рис. 6б) основан на разделении цепей на токовые и потенциальные. Напряжение измеряется не на клеммах источника тока, а непосредственно на выводах терморезистора \( R_x \).
Физика процесса:
- Ток возбуждения протекает по внешним проводам («Force»). Падение напряжения на проводах \( V = I \cdot R_{пр} \) происходит, но оно не влияет на вольтметр.
- Вольтметр имеет огромное входное сопротивление (порядка 10 МОм и выше). Следовательно, ток через внутренние измерительные провода («Sense») практически равен нулю.
- Раз нет тока, нет и падения напряжения на измерительных проводах. Вольтметр «видит» чистый потенциал на резисторе \( R_x \).
Методическая погрешность от длины линии здесь полностью отсутствует. Расстояние от модуля ввода до датчика ограничивается только омическим сопротивлением петли (чтобы источнику тока хватило напряжения питания «пробить» линию) и уровнем электромагнитных помех.
6.3 Трёхпроводная схема измерений (3-wire): компромисс между ценой и точностью
В промышленности прокладка четырёхжильного экранированного кабеля стоит дорого. Желание сэкономить на кабельной продукции (25% экономии меди) при сохранении приемлемой точности привело к доминированию трёхпроводной схемы.

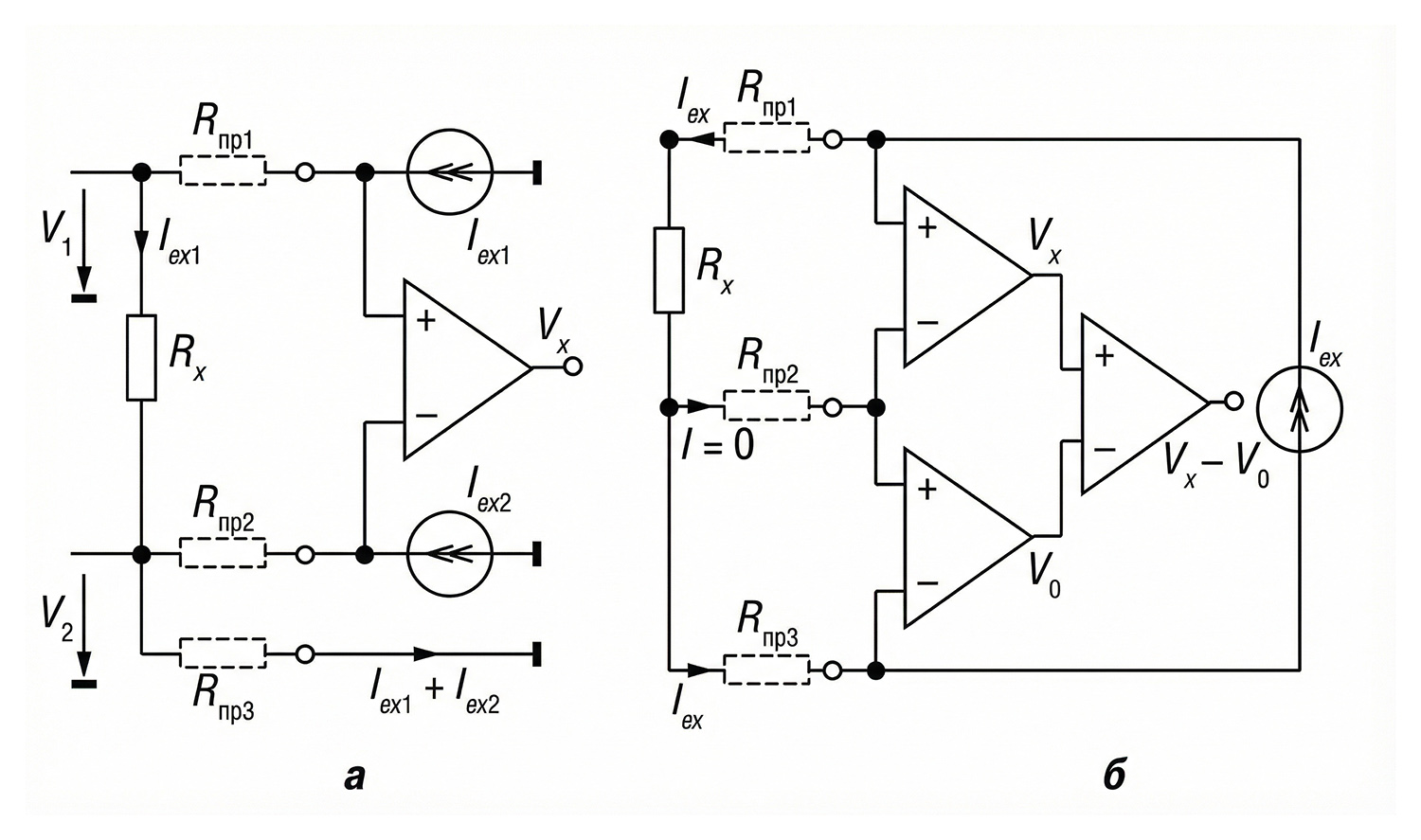
а) Схема с двумя источниками тока: К датчику идут три провода. В верхний и средний провод подаются токи от двух источников \( I_{ex1} \) и \( I_{ex2} \). Измеритель напряжения подключен к верхнему и нижнему выводам.
б) Схема с одним источником тока: Ток подается по одному проводу. Второй измеритель напряжения \( V_0 \) измеряет падение на «паразитном» проводе для компенсации.
Существует несколько реализаций этой схемы. Рассмотрим наиболее современную, применяемую в модулях с интегральными АЦП (рис. 7а).
Через провода пропускаются два идентичных тока \( I_{ex1} \) и \( I_{ex2} \). Если предположить идеальные условия, где \( I_{ex1} = I_{ex2} = I_{ex} \), а сопротивления проводов равны \( R_{пр1} = R_{пр2} = R_{пр} \), то напряжение \( V_x \), измеряемое дифференциальным усилителем, составит:
При подстановке равенства токов и сопротивлений формула упрощается до идеальной:
Падение напряжения на третьем проводе полностью вычитается аппаратно. Однако в реальности существуют технологические разбросы токов \( \Delta I_{ex} \) и разбросы сопротивлений жил кабеля \( \Delta R_{пр} \). Полная формула среднеквадратической погрешности измерения напряжения \( \Delta V_{\Sigma} \) для этой схемы выглядит так:
Важный вывод: Погрешность трёхпроводной схемы зависит не от абсолютного сопротивления проводов, а от их симметрии (равенства \( R_{пр1} = R_{пр2} \)) и идентичности источников тока. Если в кабеле одна жила окислилась или имеет плохой контакт в клеммнике, компенсация нарушится, и возникнет существенная ошибка.
6.4 Мостовая схема (Мост Уитстона)
Исторически значимая схема (рис. 8), которая до эры цифровой электроники была единственным способом точного измерения. Она использует метод сравнения (сличения) с эталоном, а не прямого измерения тока и напряжения.

Классический ромб из четырех резисторов. Левое плечо: \( R_1 \) и \( R_2 \). Правое плечо: \( R_{э} \) (эталон) и \( R_x \) (датчик). В диагонали включен измеритель \( V_0 \) (или гальванометр). Питание \( V_{ex} \) подается в верхнюю и нижнюю вершины ромба. Показано трехпроводное подключение датчика \( R_x \) с учетом \( R_{пр} \).
В состоянии равновесия (когда напряжение в диагонали \( V_0 = 0 \)) справедливо соотношение:
Ранее для измерений использовались автоматические мосты с следящим приводом (реохордом), которые механически уравновешивали схему. Современные аналого-цифровые преобразователи позволяют отказаться от громоздких мостовых схем в пользу активных схем с источниками тока (как на рис. 7а), так как это экономически эффективнее и надежнее.
Примером современного подхода служит модуль NL-4RTD (и аналогичные промышленные контроллеры), который имеет мультиплексируемую архитектуру. Наличие 6 источников тока и 4 дифференциальных входов позволяет программно конфигурировать прибор для работы с 4-мя датчиками по 2-проводной схеме, 4-мя по 4-проводной или 3-мя по 3-проводной, гибко адаптируясь под задачу.
6.5 Сводная таблица сравнения схем
| Параметр | 2-проводная | 3-проводная | 4-проводная |
|---|---|---|---|
| Точность | Низкая (зависит от длины) | Высокая (при симметрии жил) | Эталонная (максимальная) |
| Стоимость кабеля | Минимальная | Средняя | Высокая |
| Сложность настройки | Требует калибровки «нуля» | Не требует (автокомпенсация) | Не требует |
| Применение | Термисторы, Pt1000, короткие трассы | Общепромышленные задачи (90% случаев) | Коммерческий учет тепла, лаборатории |
6.6 Источники погрешностей при измерении
При проектировании системы необходимо учитывать комплекс факторов, влияющих на итоговую точность:
- Технологический разброс: Отклонение реального \( R_0 \) датчика от номинала. Определяется классом допуска (AA, A, B, C).
- Термоэлектрический эффект (ТермоЭДС):
В местах соединения разнородных металлов (например, медный провод и платиновый вывод датчика, или пайка свинцово-оловянным припоем) возникает паразитная ЭДС Зеебека. Её величина может достигать 1…3 мкВ/°С. В прецизионных измерениях это компенсируется сменой полярности измерительного тока. - Саморазогрев датчика:
Протекающий измерительный ток \( I_{ex} \) выделяет тепловую мощность \( P = I^2 R \). Это тепло повышает температуру чувствительного элемента относительно среды.Пример: Ток 5 мА на Pt100 выделяет 2,5 мВт, что в воздухе может завысить показания на 0,5…1°С. Современные приборы используют токи 0,1…0,5 мА. - Шумы и наводки:
Тепловой (джонсоновский) шум резистора и индустриальные наводки (50 Гц) от силовых кабелей. Устраняются экранированием и цифровой фильтрацией. - Динамическая погрешность:
Связана с тепловой инерцией защитной арматуры. Массивный датчик не успевает реагировать на быстрые скачки температуры потока.
7. Справочные данные и характеристики (ГОСТ 6651-2009)
Серийно выпускаемые термопреобразователи имеют унифицированные номинальные статические характеристики (НСХ). Ниже представлена расширенная таблица параметров.
Таблица 1 — Основные характеристики металлических термопреобразователей сопротивления
| Тип датчика (НСХ) | Материал | R₀ (Ом) при 0°С | R₁₀₀ (Ом) при 100°С | Отношение W₁₀₀ (R₁₀₀/R₀) | Диапазон измерений, °С | Применение |
|---|---|---|---|---|---|---|
| Pt10 (ТСП 10П) | Платина | 10 | 13,91 | 1,3910 | -260 … +750 | Высокотемпературные замеры, редкое исп. |
| Pt50 (ТСП 50П) | Платина | 50 | 69,56 | 1,3910 | -200 … +650 | Устаревающий стандарт |
| Pt100 (ТСП 100П) | Платина | 100 | 138,50 / 139,10* | 1,3850 (DIN) / 1,3910* | -200 … +650 (до 850) | Мировой стандарт |
| Pt1000 | Платина | 1000 | 1385,0 | 1,3850 | -200 … +650 | Системы ОВК (HVAC), 2-проводные схемы |
| Cu50 (ТСМ 50М) | Медь | 50 | 71,40 | 1,4280 | -50 … +180 | Электродвигатели, обмотки |
| Cu100 (ТСМ 100М) | Медь | 100 | 142,80 | 1,4280 | -50 … +180 | Недорогие общепром. задачи |
* Примечание: В таблице указаны значения для наиболее распространенного стандарта \(\alpha = 0,00385\). Существует также «русская» платина с \(\alpha = 0,00391\), что требует настройки контроллера.
Таблица 2 — Сравнение типов чувствительных элементов
| Характеристика | Платина (Pt) | Медь (Cu) | Никель (Ni) |
|---|---|---|---|
| Диапазон температур | Широкий (-200…+850°C) | Узкий (-50…+180°C) | Средний (-60…+180°C) |
| Линейность | Высокая | Очень высокая | Низкая (криволинейная) |
| Стабильность | Отличная (эталонная) | Средняя (окисление) | Хорошая |
| Цена | Высокая | Низкая | Средняя |
| Чувствительность | Средняя (~0.4 Ом/°C для Pt100) | Средняя | Высокая (~0.6 Ом/°C) |
8. Преимущества и недостатки термопреобразователей сопротивления
Преимущества:
- Высочайшая точность: Превосходят термопары в диапазоне до 500-600°C.
- Стабильность: Показания «не плывут» со временем (дрейф менее 0.1°C в год для качественных сенсоров).
- Взаимозаменяемость: Датчик Pt100 одного производителя можно без калибровки заменить на датчик другого.
- Стандартный сигнал: Легко обрабатывается большинством контроллеров (ПЛК).
Недостатки:
- Эффект саморазогрева: Протекающий измерительный ток нагревает элемент, внося погрешность. Ток измерения не должен превышать 1-2 мА.
- Хрупкость: Тонкая платиновая проволока чувствительна к ударам и вибрации (решается пленочными элементами).
- Время отклика: Обычно медленнее термопар из-за защитной арматуры.
- Ограниченный верхний предел: Не подходят для температур выше 850-1000°C (там царствуют термопары).
9. Топ-5 частых ошибок при эксплуатации термометров сопротивления (и как их избежать)
Даже выбрав дорогой платиновый датчик класса А, можно получить погрешность в несколько градусов из-за ошибок монтажа. Разберем самые распространенные грабли, на которые наступают инженеры КИПиА.
Ошибка №1: «Теплоотвод через арматуру» (Недостаточная глубина погружения)
Самая частая причина заниженных показаний при измерении горячих сред. Если погрузить гильзу в трубу всего на 10–20 мм, то металлическая стенка трубы и сама гильза будут работать как радиатор, вытягивая тепло из чувствительного элемента наружу.
Ошибка №2: Игнорирование сопротивления проводов
Подключение датчика Pt100 к контроллеру по 2-проводной схеме кабелем длиной 50 метров без программной коррекции.
Последствие: Датчик будет показывать температуру на 10–15°C выше реальной.
Решение: Использовать Pt1000 для длинных линий, либо применять 3-х проводную схему подключения, либо устанавливать нормирующий преобразователь (таблетку 4-20 мА) прямо в головку датчика.
Ошибка №3: Петля заземления и экранирование
Подключение экрана кабеля к «земле» с двух сторон: и со стороны датчика (на металлоконструкции), и со стороны шкафа управления.
Последствие: По экрану начинает протекать выравнивающий ток (из-за разности потенциалов земель), который наводит мощные помехи на измерительные жилы. Показания начинают «скакать».
Решение: Экран заземляется строго в одной точке — со стороны приемника сигнала (в шкафу автоматики).
Ошибка №4: Герметичность кабельного ввода
Монтажники часто забывают затянуть сальник (гермоввод) на клеммной головке или заводят кабель сверху вниз без «каплеуловителя».
Последствие: Внутри головки скапливается конденсат. Вода, смешиваясь с пылью, создает паразитную проводимость между клеммами (шунтирует датчик). Сопротивление падает, прибор показывает температуру ниже реальной или уходит в ошибку.
Ошибка №5: Превышение измерительного тока (Саморазогрев)
Попытка измерить сопротивление Pt100 обычным мультиметром на пределе «200 Ом» или использование некачественных модулей ввода.
Последствие: Мультиметры на низких пределах могут выдавать ток 1–5 мА. На маленьком чувствительном элементе выделится тепло \( P = I^2 R \), которое нагреет его на 0.5–2°C выше температуры среды.
Решение: Использовать специализированные калибраторы или убедиться, что измерительный ток в цепи не превышает 0.5…1 мА.
10. Интересные факты о термометрии
- Абсолютный ноль (-273,15°C) недостижим на практике, но платиновые термометры сохраняют работоспособность вплоть до температур, близких к гелиевым (около -260°C).
- Золото тоже может использоваться как термометр, но из-за своей мягкости и низкого удельного сопротивления оно проигрывает платине в конструкции датчиков, хотя химически оно еще более инертно.
- Платина Pt100 стала мировым стандартом де-факто, вытеснив почти все остальные типы из серьезной промышленности.
- Человеческое тело имеет температуру около 36.6°C. Сопротивление датчика Pt100 при этой температуре составляет ровно 114.38 Ом.
- Ошибка в 1 Ом для датчика Pt100 соответствует ошибке в измерении температуры примерно на 2.5°C. Это подчеркивает важность учета сопротивления проводов.
- Каллендар, создатель уравнения для платины, прожил 66 лет, и его формула до сих пор является основой международного стандарта МТШ-90 (Международная температурная шкала).
- Керамическая пудра (оксид магния или алюминия) используется внутри корпуса датчика не только для изоляции, но и для защиты тонкой проволоки от вибраций, работая как демпфер.
11. FAQ (Часто задаваемые вопросы)
Заключение
Термопреобразователи сопротивления являются краеугольным камнем современной автоматизации технологических процессов. Благодаря предсказуемой физике металлов, мы можем с высокой точностью контролировать температурные режимы от криогенных установок до металлургических печей. Понимание нюансов выбора материала (платина против меди), схемы подключения (3-х проводная против 2-х проводной) и конструктивного исполнения позволяет инженерам создавать надежные и долговечные системы измерения, минимизируя погрешности и аварийные ситуации.
Нормативная база
Для профессионального проектирования и эксплуатации необходимо руководствоваться следующими документами:
- ГОСТ 6651-2009 «ГСИ. Термопреобразователи сопротивления из платины, меди и никеля. Общие технические требования и методы испытаний». (Основной стандарт в РФ, гармонизирован с IEC 60751).
- ГОСТ 8.558-2009 «ГСИ. Государственная поверочная схема для средств измерений температуры».
- IEC 60751 «Industrial platinum resistance thermometers and platinum temperature sensors» (Международный стандарт).
Список литературы
- Преображенский В.П. «Теплотехнические измерения и приборы». — М.: Энергия, 1978. (Переиздания).
- Фрайден Дж. «Современные датчики. Справочник». — М.: Техносфера, 2005.
- Иванова Г.М., Кузнецов Н.Д., Чистяков В.С. «Теплотехнические измерения и приборы». — М.: МЭИ, 2005.
- WIKA Handbook. «Electronic Pressure and Temperature Measurement». — WIKA Alexander Wiegand SE & Co. KG.
