Содержание страницы
В мире силовой электроники ведется постоянная борьба за создание «идеального ключа» — прибора, который мог бы пропускать огромные токи с минимальными потерями (как тиристор), но при этом управлялся бы легко и быстро (как полевой транзистор). Ответом на этот вызов стало появление MCT (MOS Controlled Thyristor) — полевого тиристора, или тиристора с полевым управлением.
Исторически, разработка MCT началась в конце 1980-х годов, ключевую роль в этом сыграли исследования компании General Electric под руководством доктора Виктора Темпла. Идея заключалась в том, чтобы преодолеть главный недостаток классических запираемых тиристоров (GTO) — громоздкую и энергоемкую схему управления, и недостаток IGBT транзисторов того времени — высокое прямое падение напряжения при сверхвысоких токах.
1. Устройство и принцип действия полевого тиристора
Полевой тиристор MCT по своим ключевым энергетическим показателям — коммутируемой мощности и плотности переключаемого тока — стоит в одном ряду с мощными запираемыми тиристорами (GTO и IGCT), однако кардинально отличается от них способом взаимодействия с внешней цепью управления. Если классические тиристоры управляются током, то MCT — напряжением, прикладываемым к изолированному затвору.
1.1. Базовая структура ячейки
Архитектура MCT чрезвычайно сложна и представляет собой интеграцию тысяч элементарных ячеек на одном кристалле. Базовая ячейка тиристора MCT имеет много общего с полупроводниковой структурой биполярного транзистора с изолированным затвором (IGBT). Однако, если в IGBT паразитный тиристорный эффект подавляется, то в MCT он используется как основной рабочий механизм.
Главная особенность конструкции, описанная в технической документации, заключается в интеграции двух разнополярных МОП-транзисторов непосредственно в структуру тиристора:
- Включение: осуществляется вспомогательным транзистором.
- Выключение: осуществляется другим вспомогательным транзистором, шунтирующим переход.
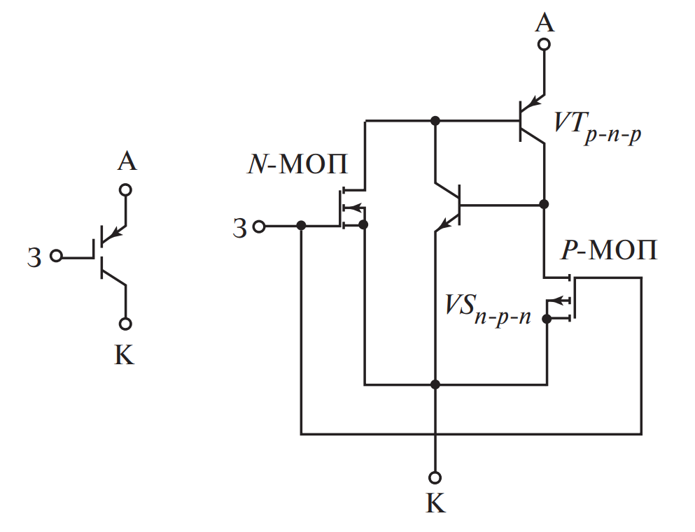
1.2. Схема замещения и обозначение

Рис. 1. Обозначение и схема замещения полевого тиристора МСТ.
На схеме представлена эквивалентная модель, состоящая из классической \(p-n-p-n\) структуры и двух интегрированных МОП-транзисторов (N-канального и P-канального), затворы которых объединены.
Рассмотрим детально работу схемы, представленной на рисунке 1. В структуру интегрированы два управляющих транзистора МОП с противоположным типом проводимости:
- Управляющий N-канальный транзистор: Его задача — запуск процесса. Он обеспечивает создание цепи положительной обратной связи в \(p-n-p-n\)-структуре тиристора при его отпирании. Подавая напряжение на затвор, мы открываем этот транзистор, который инжектирует носители заряда в базу тиристора, вызывая лавинообразный процесс включения (регенерацию).
- Управляющий P-канальный транзистор: Его функция — выключение. Он прерывает положительную обратную связь. Это достигается посредством шунтирования эмиттерного перехода \(p-n-p-n\)-структуры со стороны катода. Фактически, он создает «короткое замыкание» между эмиттером и базой одного из транзисторов, составляющих тиристор, отводя ток управления и заставляя прибор закрыться.
Аналогия для понимания: Представьте, что тиристор — это тяжелая дверь, удерживаемая мощной защелкой (регенеративная связь).
- N-канальный транзистор — это механизм, который «выбивает» защелку, позволяя двери распахнуться под напором толпы (тока).
- P-канальный транзистор — это обходной коридор. Когда нужно закрыть дверь, этот транзистор открывает широкий боковой проход. «Толпа» (ток) видит более легкий путь через этот коридор и перестает давить на главную дверь, позволяя пружине захлопнуть её обратно.
2. Физика процессов и математическое описание
Для глубокого понимания работы MCT необходимо обратиться к двухтранзисторной аналогии тиристора. Тиристор можно представить как соединение \(p-n-p\) и \(n-p-n\) транзисторов. Условие включения тиристора описывается суммой коэффициентов передачи тока этих транзисторов:
Где:
\( \alpha_{pnp} \) — коэффициент передачи тока эмиттера p-n-p транзистора.
\( \alpha_{npn} \) — коэффициент передачи тока эмиттера n-p-n транзистора.
В закрытом состоянии сумма коэффициентов меньше единицы. При подаче сигнала на затвор MCT, N-канальный МОП-транзистор увеличивает ток базы \(n-p-n\) транзистора, что приводит к росту \( \alpha_{npn} \) и выполнению условия включения. После этого прибор переходит в состояние самоподдерживающейся проводимости (защелкивается).
При выключении P-канальный МОП-транзистор резко снижает эффективный коэффициент усиления одного из транзисторов (обычно верхнего или нижнего, в зависимости от типа MCT), уменьшая суммарный коэффициент передачи ниже единицы:
Это приводит к рассасыванию накопленного заряда и запиранию прибора.
3. Ключевые преимущества и характеристики
Полевые тиристоры MCT обладают уникальным набором характеристик, которые делают их незаменимыми в определенных нишах силовой электроники.
3.1. Энергоэффективность и падение напряжения
Тиристоры MCT характеризуются экстремально низкими напряжениями в открытом состоянии. В отличие от IGBT, где падение напряжения складывается из падения на переходе и на канале полевого транзистора, MCT работает как чистый тиристор. Это обеспечивает минимальные потери проводимости \( P_{cond} \):
Где \( V_{on} \) у MCT значительно ниже, чем у аналогов на те же классы напряжения, особенно при высоких температурах.
3.2. Динамические характеристики
- Повышенное быстродействие: Благодаря полевому управлению, задержки включения и выключения минимизированы по сравнению с GTO.
- Малая мощность управления: Потребление по цепи управления ничтожно мало, так как затвор изолирован, и постоянный ток управления не требуется (только импульсный ток перезаряда емкости затвора).
- Стойкость к dI/dt: MCT способны выдерживать огромные скорости нарастания анодного тока (большой ударный ток). Это критически важно в импульсных разрядных цепях.
4. Сравнительный анализ: MCT против конкурентов
Чтобы студент или инженер мог правильно выбрать компонент, необходимо сравнить MCT с основными конкурентами: IGBT (Insulated Gate Bipolar Transistor) и GTO (Gate Turn-Off Thyristor).
| Характеристика | MCT (Полевой тиристор) | IGBT (БТИЗ) | GTO (Запираемый тиристор) |
|---|---|---|---|
| Тип управления | Напряжение (Полевое) | Напряжение (Полевое) | Ток (Требует мощного драйвера) |
| Падение напряжения (On-state) | Очень низкое (< 1.5В) | Среднее (2.0 — 3.0В) | Низкое (1.5 — 2.5В) |
| Сложность драйвера | Простая | Простая | Очень сложная и громоздкая |
| Рабочие частоты | Средние (до 20-30 кГц) | Высокие (до 100 кГц) | Низкие (< 1-2 кГц) |
| Устойчивость к перегрузкам | Высокая (dI/dt) | Ограничена (зона ОБР) | Высокая |
5. Преимущества и недостатки:
Преимущества
- Высокая плотность тока: Способность коммутировать токи, в 2-3 раза превышающие возможности IGBT того же размера кристалла.
- Низкие потери проводимости: Идеально для высоковольтных применений (> 1000В).
- Высокая рабочая температура: Структура сохраняет работоспособность при температурах перехода, близких к 200°C (для специальных исполнений).
Недостатки
- Сложность выключения больших токов: Максимальный выключаемый ток ограничен возможностями встроенных МОП-транзисторов. Если ток превысит предел управляемости, MCT не сможет закрыться.
- Отсутствие «жесткой» блокирующей способности: В некоторых ранних версиях требовалось отрицательное смещение для надежного удержания в закрытом состоянии.
- Меньшая распространенность: На рынке доминируют IGBT, поэтому номенклатура MCT более ограничена.
6. Интересные факты о MCT
- Космические технологии: MCT изначально рассматривались как перспективные ключи для космических аппаратов благодаря их устойчивости к радиации и высокой эффективности, что снижает вес системы охлаждения.
- «Убийца» IGBT: В 90-х годах многие эксперты предсказывали, что MCT полностью вытеснит IGBT с рынка, но стремительный прогресс в технологии IGBT (Trench-gate, Field-stop) не дал этому сбыться.
- Отрицательное управление: Существуют P-MCT и N-MCT. Для наиболее распространенных P-MCT включение происходит подачей отрицательного напряжения относительно анода, что непривычно для инженеров, работающих с MOSFET.
- Гибридная природа: MCT — это один из немногих приборов, который буквально содержит в себе два разных класса устройств (полевой и биполярный), работающих как единое целое, а не каскадно.
- Рекордные плотности: Плотность тока в MCT может достигать значений, недоступных для транзисторов, приближаясь к физическим пределам кремния для тиристорных структур.
- Температурная инверсия: В отличие от многих приборов, падение напряжения на MCT с ростом температуры может уменьшаться (или незначительно расти), что снижает риск теплового пробоя в параллельных сборках при правильном подборе.
- Военное применение: Используются в электромагнитных пусковых установках (рельсотронах) и импульсных лазерах, где требуется мгновенная отдача колоссальной энергии.
7. FAQ: Часто задаваемые вопросы
IGBT — это транзистор (управляемый кран), а MCT — это тиристор (управляемая защелка). IGBT можно плавно приоткрыть, а MCT работает в режиме «все или ничего», но пропускает ток с меньшими потерями.
Напрямую — нет. Требуется переработка схемы управления (драйвера) и системы защиты, так как алгоритмы выключения и поведения при коротком замыкании у них разные.
MCT сложнее в производстве и имеют более узкую область безопасной работы (SOA). Для 90% задач параметры современных IGBT достаточны и их использование экономически выгоднее.
Обычным мультиметром можно проверить только отсутствие пробоя (короткого замыкания) между силовыми выводами. Проверить управляемость сложно, так как требуется подача специфического напряжения на затвор для отпирания защелки.
В основном в специальной технике: импульсные модуляторы радаров, системы индукционного нагрева сверхвысокой мощности, разрядники конденсаторных батарей и схемы защиты ЛЭП (VAR-компенсаторы).
Заключение
Полевые тиристоры (MCT) представляют собой вершину эволюции классической тиристорной технологии, обогащенную возможностями полевого управления. Объединяя в себе низкие потери тиристора и удобство управления MOSFET, они занимают важную нишу в сверхмощной и импульсной электронике.
Несмотря на доминирование IGBT в массовом сегменте, понимание принципов работы MCT необходимо каждому квалифицированному инженеру силовой электроники, так как именно такие гибридные структуры открывают путь к созданию преобразователей энергии будущего с КПД, близким к 100%. Рассмотренная в данной статье схема с интегрированными N-канальным и P-канальным транзисторами (рис. 1) наглядно демонстрирует изящество инженерной мысли, позволяющее управлять киловаттами мощности с помощью микроскопического кремниевого затвора.
Нормативная база
- ГОСТ 20859.1-89 — Приборы полупроводниковые силовые. Общие технические условия.
Список литературы
- Балашов В. М., Харитонов И. А. Элементная база силовой электроники. — М.: МЭИ, 2018.
- Розанов Ю. К. Силовая электроника. Учебник для вузов. — М.: Издательский дом МЭИ, 2021.
- B. Jayant Baliga. Fundamentals of Power Semiconductor Devices. — Springer, 2018. (Классический труд от создателя IGBT).
