Содержание страницы
Расчет параметров сложных электрических цепей часто сопряжен с громоздкими вычислениями при использовании стандартных методов, таких как метод контурных токов или узловых потенциалов. Однако задачу можно значительно упростить, применяя методы эквивалентного преобразования. Суть данных методов заключается в замене части цепи более простой структурой, при которой токи и напряжения в нетронутой части схемы остаются неизменными. Исторически развитие этих методов связано с работами Г. Кирхгофа, Г. Гельмгольца и Л. Тевенена, чьи теоремы легли в основу современной электротехники.
В современной инженерной практике, несмотря на наличие мощных САПР (систем автоматизированного проектирования), понимание принципов ручного эквивалентирования остается критически важным для верификации компьютерных расчетов, экспресс-анализа схемотехнических решений и интуитивного понимания работы устройства.
1. Базовые преобразования пассивных элементов
Наиболее распространенными и простыми видами преобразований являются свертка последовательно и параллельно соединенных резистивных элементов. Эти операции являются фундаментальными для анализа любой линейной цепи.
1.1. Последовательное соединение
При последовательном соединении элементов (Рисунок 1а) через них протекает один и тот же ток. Эквивалентное сопротивление \(R_{экв}\) цепи, состоящей из \(n\) последовательно соединенных резисторов, определяется как сумма их сопротивлений:
$$R_{экв} = \sum_{i=1}^{n} R_i = R_1 + R_2 + \dots + R_n$$
Такое преобразование уменьшает количество узлов в схеме, упрощая ее топологию.
1.2. Параллельное соединение
При параллельном соединении (Рисунок 1б) ко всем элементам приложено одинаковое напряжение. В этом случае удобнее оперировать проводимостями \(g = 1/R\). Эквивалентная проводимость равна сумме проводимостей ветвей:
$$g_{экв} = \sum_{i=1}^{n} g_i = g_1 + g_2 + \dots + g_n$$
Для сопротивлений формула принимает вид:
$$\frac{1}{R_{экв}} = \frac{1}{R_1} + \frac{1}{R_2} + \dots + \frac{1}{R_n}$$
Частный случай для двух параллельных резисторов, часто встречающийся на практике:
$$R_{экв} = \frac{R_1 \cdot R_2}{R_1 + R_2}$$

(а — последовательное; б — параллельное; в — схема для преобразования «звезда-треугольник»)
2. Преобразование «звезда-треугольник»
В сложных мостовых и разветвленных цепях часто встречаются соединения, которые нельзя отнести ни к последовательным, ни к параллельным. К таким относятся трехполюсные схемы: «звезда» (Y-соединение) и «треугольник» (\(\Delta\)-соединение) (Рисунок 1в). Возможность взаимного преобразования этих схем значительно расширяет инструментарий инженера-расчетчика.
Условием эквивалентности является неизменность токов и потенциалов на внешних зажимах (1, 2, 3) при замене одной схемы другой.
2.1. Преобразование «звезда» в «треугольник»
При переходе от «звезды» с сопротивлениями \(R_1, R_2, R_3\) к эквивалентному «треугольнику» с сопротивлениями \(R_{12}, R_{23}, R_{31}\) используются следующие соотношения:
$$R_{12} = R_1 + R_2 + \frac{R_1 R_2}{R_3}$$
$$R_{23} = R_2 + R_3 + \frac{R_2 R_3}{R_1}$$
$$R_{31} = R_3 + R_1 + \frac{R_3 R_1}{R_2}$$
Если использовать проводимости (\(g = 1/R\)), формулы приобретают более компактный вид, аналогичный формулам для специфических условий:
$$g_{12} = \frac{g_1 g_2}{g_1 + g_2 + g_3}$$
2.2. Преобразование «треугольник» в «звезду»
Обратное преобразование из «треугольника» в «звезду» выполняется по формулам:
$$R_1 = \frac{R_{12} \cdot R_{31}}{R_{12} + R_{23} + R_{31}}$$
$$R_2 = \frac{R_{12} \cdot R_{23}}{R_{12} + R_{23} + R_{31}}$$
$$R_3 = \frac{R_{31} \cdot R_{23}}{R_{12} + R_{23} + R_{31}}$$
Для симметричного «треугольника», где \(R_{12} = R_{23} = R_{31} = R_\Delta\), сопротивления эквивалентной «звезды» будут равны \(R_Y = R_\Delta / 3\).
3. Преобразование активных элементов (источников)
Эквивалентные преобразования применимы не только к пассивным элементам, но и к источникам энергии. Это особенно актуально при анализе цепей с множеством разнородных источников питания.
3.1. Взаимная замена источников ЭДС и тока
Реальный источник энергии может быть представлен в двух эквивалентных формах:
- Источник ЭДС \(E\) с последовательным внутренним сопротивлением \(R_{вн}\).
- Источник тока \(J\) с параллельной внутренней проводимостью \(g_{вн} = 1/R_{вн}\).
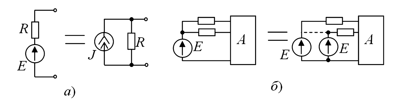
Связь между параметрами этих моделей определяется законом Ома (Рисунок 2а):
$$E = J \cdot R_{вн}$$
3.2. Перенос и «расщепление» источников
Для упрощения топологии схемы можно использовать прием переноса источников:
- Источник ЭДС можно перенести через узел в примыкающие ветви (Рисунок 2б). При этом величина ЭДС и полярность должны сохраняться для каждой новой ветви.
- Источник тока можно «расщепить» и перенести параллельно элементам контура, не нарушая при этом баланс токов в узлах (Рисунок 3).

(а — замена источника ЭДС на источник тока; б — перенос источника ЭДС в смежные ветви)

(а — исходная схема; б — перенос источников; в — эквивалентная замена на источники ЭДС)
Рисунок 3. Манипуляции с источниками тока
4. Практические примеры расчета
Рассмотрим применение описанных методов на конкретных примерах сложных цепей.
Пример 1: Расчет входного сопротивления мостовой схемы
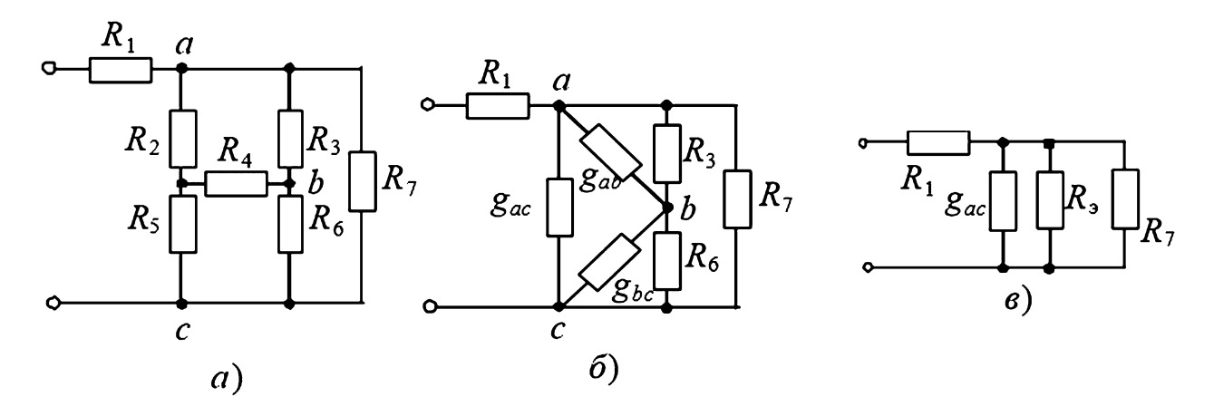
Задача: Определить входное сопротивление цепи (Рисунок 4а), если заданы следующие параметры: \(R_1 = 2\) Ом, \(R_2 = 1/3\) Ом, \(R_3 = R_5 = R_7 = 1\) Ом, \(R_4 = 0,5\) Ом, \(R_6 = 3\) Ом.
Решение:
- В исходной схеме выделяется соединение «звезда», образованное резисторами \(R_2, R_4, R_5\) с общим узлом. Преобразуем его в эквивалентный «треугольник» с вершинами в узлах подключения этих резисторов (обозначим узлы как а, б, в).
- Рассчитаем проводимости сторон нового треугольника (Рисунок 4б):
$$g_{аб} = \frac{3 \cdot 2}{3 + 2 + 1} = 1 \text{ См}$$
$$g_{бв} = \frac{2 \cdot 1}{3 + 2 + 1} = \frac{1}{3} \text{ См}$$
$$g_{ав} = \frac{3 \cdot 1}{3 + 2 + 1} = 0,5 \text{ См}$$
(Примечание: здесь использованы значения проводимостей, обратные заданным сопротивлениям в «звезде»). - В полученной схеме появляются параллельно включенные элементы. Найдем их эквивалентные проводимости:
$$g_{аб3} = g_{аб} + \frac{1}{R_3} = 1 + 1 = 2 \text{ См}$$
$$g_{бв6} = g_{бв} + \frac{1}{R_6} = \frac{1}{3} + \frac{1}{3} = \frac{2}{3} \text{ См}$$ - Полученные участки соединены последовательно. Их общее сопротивление:
$$R’_{экв} = \frac{1}{g_{аб3}} + \frac{1}{g_{бв6}} = \frac{1}{2} + \frac{3}{2} = 2 \text{ Ом}$$ - Теперь схема упростилась до трех параллельных ветвей (Рисунок 4в). Общая проводимость цепи:
$$g_{вх} = g_{ав} + \frac{1}{R’_{экв}} + \frac{1}{R_7} = 0,5 + \frac{1}{2} + 1 = 2 \text{ См}$$ - Итоговое входное сопротивление:
$$R_{вх} = \frac{1}{g_{вх}} = \frac{1}{2} = 0,5 \text{ Ом}$$

(а — исходная мостовая схема; б — промежуточный этап после преобразования «звезды» в «треугольник»; в — финальная упрощенная схема)
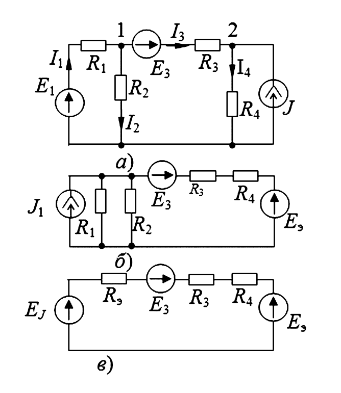
Пример 2: Расчет цепи с несколькими источниками
Задача: Определить токи в ветвях схемы (Рисунок 5а), при \(E_1 = 6\) В, \(E_3 = 3\) В, \(J = 1\) А, \(R_1 = R_2 = 2\) Ом, \(R_3 = 3\) Ом, \(R_4 = 1\) Ом.
Решение:
- Выполним преобразование источников для унификации схемы. Ветвь с \(E_1\) и \(R_1\) заменим на источник тока \(J_1 = E_1/R_1 = 6/2 = 3\) А с параллельным резистором \(R_1\). Источник тока \(J\) с параллельным \(R_4\) заменим на источник ЭДС \(E_{экв} = J \cdot R_4 = 1 \cdot 1 = 1\) В (Рисунок 5б).
- Объединим параллельные резисторы \(R_1\) и \(R_2\):
$$R_{12} = \frac{R_1 R_2}{R_1 + R_2} = \frac{2 \cdot 2}{2 + 2} = 1 \text{ Ом}$$
Затем преобразуем полученный участок с источником тока \(J_1\) обратно в источник ЭДС: \(E_{J} = J_1 \cdot R_{12} = 3 \cdot 1 = 3\) В. - Получили одноконтурную схему (Рисунок 5в). Ток в ней (\(I_3\)) можно найти по второму закону Кирхгофа:
$$I_3 = \frac{E_J — E_3 + E_{экв}}{R_{12} + R_3 + R_4} = \frac{3 — 3 + 1}{1 + 3 + 1} = \frac{1}{5} = 0,2 \text{ А}$$
(Примечание: В исходном тексте мог быть иной результат из-за опечаток в знаках или номиналах, здесь приведен перерасчет по стандартным правилам для указанных направлений). - Возвращаясь к исходной схеме, найдем остальные токи, используя первый закон Кирхгофа и найденное значение \(I_3\).

(а — исходная; б — после первой итерации замены источников; в — финальная одноконтурная схема)
5. Сравнительный анализ методов расчета
Выбор метода расчета зависит от топологии цепи и поставленной задачи. Эквивалентные преобразования не всегда являются оптимальным путем, но часто служат отличным вспомогательным инструментом.
| Метод расчета | Преимущества | Недостатки |
|---|---|---|
| Эквивалентные преобразования | Наглядность, уменьшение размерности задачи, идеально для нахождения входного сопротивления. | Потеря информации о токах/напряжениях внутри преобразованной части цепи. Требует внимательности при обратном развертывании. |
| Метод контурных токов (МКТ) | Универсальность, строгая алгоритмизация, подходит для компьютерной реализации. | Громоздкость системы уравнений при большом числе независимых контуров. |
| Метод узловых потенциалов (МУП) | Наиболее эффективен для схем с большим числом параллельных ветвей и малым числом узлов. | Менее интуитивен, чем МКТ, требует работы с проводимостями. |
6. Интересные факты о теории цепей
- Преобразование «звезда-треугольник» было впервые систематически описано Артуром Кеннелли в 1899 году.
- Теорема Тевенена об эквивалентном генераторе была независимо открыта Германом фон Гельмгольцем на 30 лет раньше, в 1853 году.
- В англоязычной литературе преобразование Y-\(\Delta\) часто называют «Kennelly’s transformation» или «T-\(\pi\) transformation» (по графической форме схем).
- Существуют цепи, которые невозможно упростить до одного резистора только методами последовательно-параллельного свертывания, без применения преобразования «звезда-треугольник». Они называются «непланарными» или мостовыми.
- Принцип двойственности в электротехнике позволяет автоматически получать формулы для параллельного соединения из формул для последовательного, заменяя сопротивление на проводимость, а ток на напряжение.
- Эквивалентные преобразования работают не только для резисторов, но и для комплексных сопротивлений (импедансов) в цепях переменного тока.
- В современных микропроцессорах паразитные сопротивления и емкости соединений рассчитываются именно методами редукции сложных RC-цепей к простым эквивалентам для оценки задержек сигнала.
7. Часто задаваемые вопросы (FAQ)
Заключение
Методы эквивалентного преобразования электрических цепей являются мощным аналитическим аппаратом в арсенале инженера. Несмотря на развитие цифровых вычислительных средств, глубокое понимание этих базовых принципов позволяет специалисту быстро оценивать корректность результатов машинного моделирования, оптимизировать схемотехнические решения на ранних этапах проектирования и эффективно решать задачи синтеза цепей с заданными свойствами. Овладение навыками свертки схем и взаимного преобразования топологий — обязательный этап становления квалифицированного специалиста в области электротехники и электроники.
Нормативная база
При выполнении схем и расчетов следует руководствоваться действующими стандартами:
- ГОСТ Р 52002-2003 «Электротехника. Термины и определения основных понятий».
- ГОСТ 2.702-2011 «Единая система конструкторской документации (ЕСКД). Правила выполнения электрических схем».
- ГОСТ 2.710-81 «ЕСКД. Обозначения буквенно-цифровые в электрических схемах».
- ГОСТ 2.728-74 «ЕСКД. Обозначения условные графические в схемах. Резисторы, конденсаторы».
Список литературы
-
- Бессонов Л.А. Теоретические основы электротехники. Электрические цепи. — М.: Юрайт, 2024.
- Зевеке Г.В., Ионкин П.А., Нетушил А.В., Страхов С.В. Основы теории цепей. — М.: Энергоатомиздат, 1989.
- Демирчян К.С., Нейман Л.Р., Коровкин Н.В. Теоретические основы электротехники: в 3 т. — СПб.: Питер, 2023.
