Содержание страницы
Схема замещения электрической цепи — это ее упрощенная графическая модель, которая используется для теоретического анализа и математического расчета электромагнитных процессов. Эта модель заменяет сложные физические компоненты (такие как аккумуляторы, провода, лампы) их идеализированными аналогами, обладающими конкретными электрическими свойствами (сопротивлением, ЭДС и т.д.).
Основные типы электрических схем
В инженерной практике и образовательном процессе схемой электрической цепи называют ее графическое изображение, содержащее условные обозначения компонентов и показывающее их соединения. Важно различать несколько основных видов схем:
- Монтажная схема: Отражает реальное пространственное расположение элементов цепи, их внешние очертания и трассировку соединительных проводов (как показано на рис. 1). Она необходима для сборки и монтажа устройства.
- Принципиальная схема: Изображает полный состав элементов и устройств, необходимых для реализации и контроля электромагнитных процессов в цепи. Она использует стандартизированные условные графические обозначения (УГО).
- Схема замещения: Аналитическая модель, о которой пойдет речь далее.

Рисунок 1 — Электрическая цепь питания электрической лампы:
1 — аккумулятор; 2 — электрическая лампа; 3 — провода
Примечание о стандартах: Условные графические обозначения, используемые в принципиальных схемах, строго регламентированы стандартами Единой системы конструкторской документации (ЕСКД). Ключевыми действующими документами в этой области являются:
- ГОСТ 2.701-2008 «Схемы. Виды и типы. Общие требования к выполнению».
- ГОСТ 2.702-2011 «Правила выполнения электрических схем».
Сущность и элементы схемы замещения
Как было сказано, схема замещения отражает свойства реальной цепи при определенных условиях. Ключевое понятие здесь — идеализация элементов и процессов.
Например, в схемах замещения для анализа цепей постоянного тока используется всего три фундаментальных идеализированных элемента (показаны на рис. 2):
- Источник напряжения (Источник ЭДС): Идеальный элемент, напряжение на выводах которого ( \( U_{ab} = U = E \) ) постоянно и не зависит от протекающего через него тока. Его внутреннее сопротивление равно нулю.
- Источник тока: Идеальный элемент, генерирующий ток ( \( I = J \) ), значение которого не зависит от напряжения на его выводах. Его внутреннее сопротивление бесконечно.
- Резистивный элемент (Резистор): Идеализированный элемент, характеризующийся только одним параметром — электрическим сопротивлением \( R \) (или обратной величиной — проводимостью \( G = 1/R \) ).

Рисунок 2 — Элементы электрической цепи постоянного тока:
а — источник ЭДС; б — источник тока; в — резистивный элемент
Компромисс между точностью и сложностью
При составлении схемы замещения на основе реальной цепи (или ее монтажной схемы) специалист всегда сталкивается с дилеммой.
- Стремление к высокой точности требует учесть как можно больше реальных параметров: внутреннее сопротивление источников, сопротивление соединительных проводов, паразитные емкости и индуктивности. Это приводит к значительному усложнению схемы и, как следствие, громоздкому математическому описанию.
- Стремление к простоте позволяет получить наглядную и понятную схему, расчет которой не займет много времени. Однако такая схема может неполностью соответствовать реальной цепи, что приведет к погрешностям в результатах.
Допущения, принятые при составлении схемы, определяют строгость и сложность ее математического описания. Умение найти разумный баланс приходит с опытом и глубоким пониманием физики процессов.
Пример составления схемы замещения
Вернемся к монтажной схеме питания лампы (рис. 1). Для нее можно составить различные схемы замещения.

Рисунок 3 — Схемы замещения цепи питания электрической лампы:
а — полная схема; б — упрощенная схема
- Полная схема (рис. 3, а): Здесь мы стремимся к большей точности. Учтено не только сопротивление самой лампы \( R_л \), но и внутреннее сопротивление аккумулятора \( R_а \), а также суммарное сопротивление проводов \( R_п \). В этой схеме три резистивных элемента.
- Упрощенная схема (рис. 3, б): Здесь мы принимаем допущение. Если сопротивления аккумулятора и проводов много меньше сопротивления лампы ( \( R_а \ll R_л \) и \( R_п \ll R_л \) ), ими можно пренебречь. В схеме остается только сопротивление лампы \( R_л \) и идеальный источник ЭДС с напряжением \( U_а = E \).
Терминология и условности схем
При работе со схемами замещения используется строгая терминология:
- Узел: Место соединения трех и более ветвей (элементов). На схемах узлы часто изображаются жирными точками. Иногда место соединения двух идеальных элементов, характеризующих одно реальное устройство (как \( R_а \) и \( E \) на рис. 3, а, описывающие аккумулятор), узлом не выделяют.
- Выводы (полюса, зажимы): Точки на схеме, предназначенные для присоединения к другим элементам. Часто изображаются светлыми кружками.
- Ветвь: Участок схемы, расположенный между двумя узлами. Ключевая особенность ветви — во всех ее последовательно соединенных элементах протекает один и тот же ток.
Например, в цепи, изображенной на рис. 3, а, можно выделить три узла и, соответственно, три ветви.
Условно-положительные направления (УПН)
Для математического описания цепи (например, по законам Кирхгофа) необходимо задать направления токов во всех ветвях и напряжений на всех элементах. В сложных схемах, содержащих много источников, действительные направления заранее неизвестны.
В этом случае их выбирают произвольно (наугад или руководствуясь здравым смыслом) и указывают на схеме стрелками. Такие направления называются условно-положительными (УПН).
Необходимость такого выбора диктуется записью уравнений. После расчета цепи:
- Если искомое значение тока или напряжения получилось положительным, это значит, что его действительное направление совпадает с выбранным УПН.
- Если значение получилось отрицательным, это значит, что действительное направление противоположно выбранному УПН.
Измерительные приборы в схемах
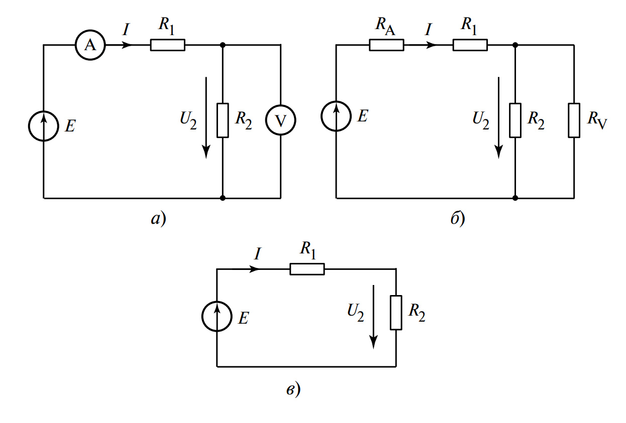
Иногда на схемах изображают приборы для измерения токов — амперметры (обозначаются буквой А в кружке) и напряжений — вольтметры (буквой V в кружке). На рис. 4, а показана схема, содержащая амперметр для измерения тока \( I \) и вольтметр для измерения напряжения \( U_2 \).

Рисунок 4 — Схема включения измерительных приборов и ее схемы замещения:
а — схема с приборами; б — схема замещения с учетом сопротивлений приборов; в — схема замещения с идеальными приборами
При правильном включении приборы не должны изменять режим работы цепи. Это достигается за счет того, что внутреннее сопротивление амперметра \( R_A \) очень мало, а внутреннее сопротивление вольтметра \( R_V \) очень велико.
Эти сопротивления можно учесть в схеме замещения (рис. 4, б). Однако, если \( R_A \ll R_1 \) и \( R_V \gg R_2 \), то ими можно пренебречь (рис. 4, в). Обычно, изображая на схемах замещения измерительные приборы, их считают идеальными: сопротивление амперметра полагают равным нулю ( \( R_A = 0 \) ), а сопротивление вольтметра — бесконечности ( \( R_V = \infty \) ).
Сравнение основных типов электрических схем
Для лучшего понимания приведем сравнительную таблицу основных типов схем, упомянутых в статье.
| Тип схемы | Основное назначение | Что изображает? | Ключевая особенность |
|---|---|---|---|
| Монтажная | Сборка, монтаж, подключение | Реальное пространственное расположение компонентов, трассы проводов, клеммы. | Отображает физическую конструкцию и размещение. |
| Принципиальная | Изучение принципа работы, наладка, ремонт, анализ функционирования. | Полный состав элементов и все логические связи между ними (по УГО ГОСТ). | Отображает логику и принцип действия устройства. |
| Схема замещения | Математический анализ, расчет токов, напряжений, мощностей. | Идеализированные модели элементов (ЭДС, R, L, C, источники тока). | Является математической моделью для инженерных расчетов. |
Преимущества и недостатки использования схем замещения
Метод схем замещения является мощным инструментом, однако он имеет как сильные, так и слабые стороны.
Преимущества
- Упрощение анализа: Позволяют свести сложную физическую систему (например, электродвигатель или линию электропередачи) к набору относительно простых математических уравнений.
- Универсальность: Одни и те же методы анализа (например, законы Кирхгофа, метод контурных токов) применимы к схемам замещения совершенно разных по своей природе устройств.
- Прогнозирование: Дают возможность рассчитать и спрогнозировать поведение цепи (токи, напряжения, мощность) еще до ее физической сборки, что критически важно при проектировании.
Недостатки
- Идеализация: Любая схема замещения — это приближение. Неучтенные «паразитные» параметры (например, паразитные емкости на высоких частотах) могут привести к существенному расхождению расчетных данных с реальными.
- Ограниченная область применения: Схема замещения, составленная для анализа на постоянном токе, будет неверной для переменного тока (где нужно учитывать индуктивности и емкости).
- Требования к опыту: Неправильный выбор степени детализации (чрезмерное упрощение или усложнение) может сделать расчет либо неточным, либо неоправданно трудоемким.
Интересные факты по теме
- Принцип двойственности: Источник ЭДС и источник тока являются «двойственными» элементами. Методы анализа, разработанные для одних, часто можно «зеркально» применить к другим (например, метод узловых напряжений двойственен методу контурных токов).
- Теоремы об эквивалентном генераторе: Теоремы Тевенена и Нортона (в зарубежной литературе) доказывают, что любой сколь угодно сложный линейный участок цепи можно заменить эквивалентной схемой, состоящей всего из двух элементов: идеального источника (ЭДС или тока) и одного пассивного элемента (резистора).
- Физическая нереализуемость: Идеальные элементы (источник ЭДС с \( R_{вн} = 0 \) или источник тока с \( R_{вн} = \infty \) ) физически не существуют. Это чистые математические абстракции, удобные для расчетов.
- Смысл «земли»: В схемах замещения часто используется символ «земля» (GND). Он не всегда означает физическое подключение к планете. Чаще это просто «общая» точка схемы, обладающая нулевым потенциалом, относительно которой измеряются все остальные напряжения (потенциалы узлов).
- Множественность схем: Для одного и того же сложного устройства (например, транзистора или трансформатора) может существовать несколько разных схем замещения, каждая из которых справедлива только для своего режима работы (например, для постоянного тока, для переменного тока низкой частоты, для высоких частот).
Часто задаваемые вопросы (FAQ)
1. В чем принципиальная разница между источником ЭДС и источником тока?
Источник ЭДС (напряжения) — это идеальный элемент, который поддерживает постоянное напряжение на своих выводах, независимо от того, какой ток через него протекает (внутреннее сопротивление \( R_{вн} = 0 \) ). Источник тока — это идеальный элемент, который обеспечивает постоянный ток в ветви, независимо от того, какое напряжение к нему приложено (внутреннее сопротивление \( R_{вн} = \infty \) ).
2. Зачем выбирать условно-положительные направления (УПН)?
УПН — это необходимый шаг для формализации задачи. Они позволяют «привязать» физические величины (токи и напряжения) к математическим переменным в уравнениях. Без них невозможно корректно составить уравнения по законам Кирхгофа, так как непонятно, какой знак (плюс или минус) ставить перед слагаемым в сумме токов или напряжений.
3. Что в теории цепей считается «узлом»?
Строго говоря, узел — это точка, в которой соединяются три или более проводника (ветви). Точка соединения всего двух элементов (например, резистора и источника ЭДС) обычно узлом не считается, так как ток в них одинаков, и они образуют одну ветвь. Узлы — это точки, для которых записывается первый закон Кирхгофа (сумма токов в узле равна нулю).
4. Почему сопротивление идеального вольтметра бесконечно, а амперметра — нулевое?
Это следует из их назначения и способа включения. Вольтметр измеряет напряжение параллельно элементу. Чтобы не влиять на цепь, он не должен потреблять ток, а ток не потечет через ветвь с бесконечным сопротивлением ( \( I = U/R \), если \( R \to \infty \), то \( I \to 0 \) ). Амперметр измеряет ток последовательно (в разрыве цепи). Чтобы не мешать току, он не должен создавать на себе падения напряжения, а это возможно только при нулевом сопротивлении ( \( U = I \cdot R \), если \( R = 0 \), то \( U = 0 \) ).
5. Всегда ли можно пренебрегать сопротивлением проводов?
Нет. В учебных задачах и слаботочных цепях (электроника) провода обычно считают идеальными ( \( R = 0 \) ). Однако в силовой электротехнике, при расчете линий электропередач или высокоточных цепей, сопротивление проводов является ключевым параметром, определяющим потери мощности и падение напряжения. В таких случаях провод заменяется в схеме замещения собственным резистивным элементом (как на рис. 3, а).
Заключение
Схема замещения является фундаментальным и одним из самых мощных инструментов в теоретической электротехнике и смежных инженерных дисциплинах. Она служит незаменимым мостом между сложным физическим устройством и его точной математической моделью. Освоение методов составления и анализа схем замещения, а также понимание всех принятых допущений, является залогом грамотного расчета, проектирования и анализа любых электротехнических систем.
Нормативная база
- ГОСТ 2.701-2008 «Единая система конструкторской документации. Схемы. Виды и типы. Общие требования к выполнению».
- ГОСТ 2.702-2011 «Единая система конструкторской документации. Правила выполнения электрических схем».
- ГОСТ 2.710-81 «Единая система конструкторской документации. Обозначения буквенно-цифровые в электрических схемах».
Рекомендуемая литература
- Основы теории цепей: Учебник для вузов / Г. В. Зевеке, П. А. Ионкин, А. В. Нетушил, С. В. Страхов. — 5-е изд., перераб. — М.: Энергоатомиздат, 1989.
- Теоретические основы электротехники: Учебник для вузов / К. С. Демирчян, Л. Р. Нейман, Н. В. Коровкин, В. Л. Чечурин. — 5-е изд. — СПб.: Питер, 2019.
- Бессонов Л. А. Теоретические основы электротехники. Электрические цепи. — 11-е изд. — М.: Гардарики, 2007.
