Содержание страницы
Любой источник электрической энергии — будь то химическая батарея, электромеханический генератор или солнечная панель — представляет собой устройство, преобразующее какой-либо вид энергии в электрическую. Для анализа электрических цепей не важна физическая природа этого преобразования, но критически важны электрические характеристики источника при подключении к нему нагрузки.
Для описания поведения реальных источников используются две фундаментальные идеализированные модели: источник ЭДС (электродвижущей силы) и источник тока. Эти концепции, выросшие из работ Алессандро Вольты, Георга Ома и позднее развитые в теоремах Гельмгольца, Тевенена и Нортона, являются основой современной теории электрических цепей. В данной статье рассматривается, как характеристики реального генератора приводят к этим двум моделям и их схемам замещения.
1. Экспериментальное определение внешней характеристики
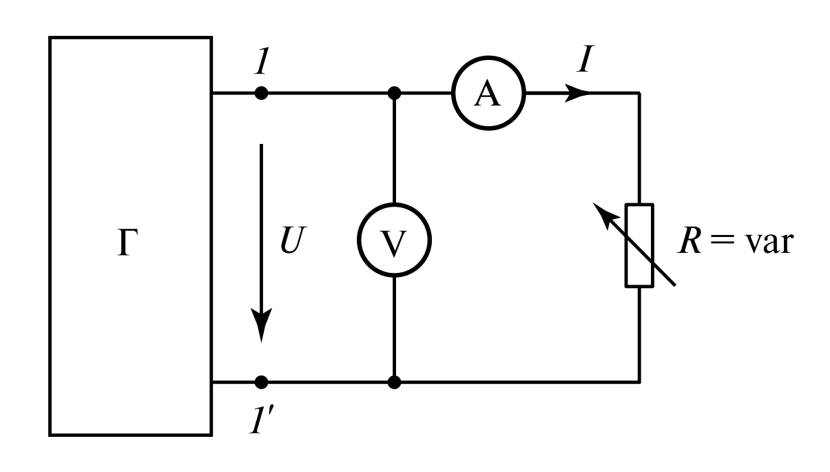
Для изучения свойств источника электрической энергии (обозначим его как генератор ‘Г’) соберем простую схему. Подключим к его выводам реостат, то есть переменное сопротивление \(R\), а также амперметр (А) для измерения тока \(I\) и вольтметр (V) для измерения напряжения \(U\) на выводах (рис. 1).

Рис. 1. Схема для экспериментального снятия внешней характеристики генератора.
Изменяя сопротивление реостата от максимального значения до нуля, мы можем записать показания приборов и построить график зависимости напряжения \(U\) от тока \(I\). Этот график называется внешней характеристикой источника (рис. 2, а).
На этой характеристике можно выделить два предельных режима:
- Режим холостого хода (ХХ): Соответствует случаю, когда сопротивление нагрузки \(R \to \infty\) (цепь разомкнута). Ток в цепи равен нулю (\(I = 0\)), а напряжение на выводах максимально и называется напряжением холостого хода \(U_{х}\).
- Режим короткого замыкания (КЗ): Соответствует случаю, когда \(R = 0\) (выводы источника замкнуты накоротко). Напряжение на выводах равно нулю (\(U = 0\)), а ток в цепи максимален и называется током короткого замыкания \(I_{к}\).

Рис. 2. Внешняя характеристика генератора:
а — реальная нелинейная характеристика; б — линеаризованная характеристика на участке I (режим источника ЭДС); в — линеаризованная характеристика на участке II (режим источника тока).
В общем случае реальная внешняя характеристика (рис. 2, а) нелинейна. Ее можно математически описать уравнением вида:
$$ U = U_{х} — R_{г}I \quad (1) $$
Или, выражая ток через напряжение:
$$ I = I_{к} — G_{г}U \quad (2) $$
Здесь \(R_{г}\) — это внутреннее сопротивление, а \(G_{г}\) — внутренняя проводимость генератора (\(G_{г} = 1/R_{г}\)). В реальном устройстве эти параметры не постоянны и зависят от режима работы (т.е. \(R_{г} = R_{г}(I)\) и \(G_{г} = G_{г}(U)\)).
2. Линеаризация и модели источников
Для упрощения инженерных расчетов нелинейную характеристику (рис. 2, а) часто линеаризуют (упрощают до прямой линии) на отдельных участках. Это позволяет нам ввести понятия «источник ЭДС» и «источник тока».
2.1. Режим источника ЭДС (Участок I)
На участке I (рис. 2, б) напряжение \(U\) при изменении тока \(I\) меняется незначительно. В этом режиме источник близок к «идеальному» источнику напряжения. Если линеаризовать этот участок, мы можем считать внутреннее сопротивление \(R_{г}\) малой, но постоянной величиной.
Это сопротивление можно определить из наклона характеристики \(\alpha\) к оси токов:
$$ R_{г} = \frac{m_U}{m_I} \tan \alpha $$
где \(m_U\) и \(m_I\) — масштабы осей напряжения и тока соответственно.
Поведение генератора на этом участке описывается моделью реального источника ЭДС. Его схема замещения (рис. 3, а) представляет собой последовательное соединение:
- Идеального источника ЭДС \(E\), напряжение которого постоянно и равно напряжению холостого хода \(E = U_{х}\).
- Резистивного элемента с сопротивлением \(R_{г}\) (внутреннее сопротивление).
Предельный случай: Если мы идеализируем этот участок до горизонтальной линии (штриховая линия на рис. 2, б), мы полагаем, что \(R_{г} = 0\). Такое устройство называется идеальным источником ЭДС (рис. 3, б). Его напряжение на выводах всегда равно \(E\) независимо от протекающего тока.

Рис. 3. Схемы замещения источника ЭДС:
а — реальный источник (идеальный источник E последовательно с \(R_{г}\)); б — идеальный источник.
2.2. Режим источника тока (Участок II)
На участке II (рис. 2, в) наблюдается обратная картина: ток \(I\) при изменении напряжения \(U\) меняется незначительно. В этом режиме источник ведет себя как «идеальный» источник тока.
Линеаризация этого участка позволяет считать внутреннюю проводимость \(G_{г}\) малой постоянной величиной. Она определяется из наклона характеристики \(\beta\) к оси напряжений:
$$ G_{г} = \frac{m_I}{m_U} \tan \beta $$
Поведение генератора на этом участке описывается моделью реального источника тока. Его схема замещения (рис. 4, а) представляет собой параллельное соединение:
- Идеального источника тока \(J\), ток которого постоянен и равен току короткого замыкания \(J = I_{к}\).
- Резистивного элемента с проводимостью \(G_{г}\) (внутренняя проводимость).
Предельный случай: Если идеализировать этот участок до вертикальной линии (штриховая линия на рис. 2, в), мы полагаем, что \(G_{г} = 0\) (или, что то же самое, \(R_{г} \to \infty\)). Такое устройство называется идеальным источником тока (рис. 4, б). Он отдает в нагрузку ток \(J\) независимо от напряжения на его выводах.

Рис. 4. Схемы замещения источника тока:
а — реальный источник (идеальный источник J параллельно с \(G_{г}\)); б — идеальный источник.
2.3. Участок III и эквивалентность моделей
Работу генератора на нелинейном участке III можно с одинаковым (хоть и меньшим) успехом описывать как моделью источника ЭДС, так и моделью источника тока.
Важнейшим выводом является то, что модели реального источника ЭДС и реального источника тока полностью эквивалентны. Они описывают одно и то же устройство. Всегда можно перейти от одной схемы замещения к другой, используя следующие соотношения:
- \(E = J \cdot R_{г} = J / G_{г}\)
- \(J = E / R_{г} = E \cdot G_{г}\)
- Внутреннее сопротивление в обеих моделях одинаково: \(R_{г} \text{ (ЭДС)} = 1 / G_{г} \text{ (тока)}\)
Эти преобразования лежат в основе теорем Тевенена (об эквивалентном генераторе ЭДС) и Нортона (об эквивалентном генераторе тока).
3. Практическое применение и выбор модели
Реальные источники электрической энергии редко проектируются для работы во всем диапазоне нагрузок от \(0\) до \(\infty\). Обычно они изначально создаются либо как источники ЭДС (например, бытовая электросеть, аккумуляторы), либо как источники тока (например, некоторые типы сварочных аппаратов, фотодиоды).
Преимущества и недостатки использования моделей
| Модель | Преимущества (когда удобно использовать) | Недостатки (когда неудобно) |
|---|---|---|
| Источник ЭДС (Модель Тевенена) |
|
|
| Источник тока (Модель Нортона) |
|
|
В любом случае, важно помнить, что линеаризация (представление в виде прямых линий на рис. 2, б, в) является лишь инженерным упрощением. Оно необходимо для упрощения математического описания цепей и анализа их работы, но всегда вносит определенную погрешность по сравнению с реальной нелинейной характеристикой.
4. Сводная таблица моделей источников
| Характеристика | Идеальный источник ЭДС | Реальный источник ЭДС | Реальный источник тока | Идеальный источник тока |
|---|---|---|---|---|
| Внутреннее сопротивление \(R_{г}\) | \(R_{г} = 0\) | \(0 < R_{г} < \infty\) | \(0 < R_{г} < \infty\) | \(R_{г} = \infty\) (или \(G_{г} = 0\)) |
| Внешняя характеристика (ВАХ) | Горизонтальная линия (\(U = E\)) | Наклонная линия (\(U = E — R_{г}I\)) | Наклонная линия (\(I = J — G_{г}U\)) | Вертикальная линия (\(I = J\)) |
| Напряжение на выводах | Постоянно, не зависит от тока | Уменьшается с ростом тока | Уменьшается с ростом тока | Зависит только от нагрузки |
| Ток в цепи | Зависит только от нагрузки | Зависит от нагрузки и \(R_{г}\) | Зависит от нагрузки и \(R_{г}\) | Постоянен, не зависит от напряжения |
| Схема замещения | Только источник E | E последовательно с \(R_{г}\) | J параллельно с \(R_{г}\) (или \(G_{г}\)) | Только источник J |
5. Интересные факты
- Эквивалентность Тевенена и Нортона: Любую сложную линейную электрическую цепь с двумя выводами можно заменить одним реальным источником ЭДС (теорема Тевенена) или одним реальным источником тока (теорема Нортона).
- «Старение» батареи: По мере разряда химической батареи ее напряжение холостого хода \(U_{х}\) почти не меняется, но ее внутреннее сопротивление \(R_{г}\) резко возрастает. Поэтому «севшая» батарея может показывать нормальное напряжение без нагрузки, но не способна отдать достаточный ток для работы устройства.
- Транзистор как источник тока: Биполярный или полевой транзистор в активном режиме работы является прекрасным примером управляемого источника тока — ток коллектора (стока) почти не зависит от напряжения на нем, а управляется током базы (напряжением затвора).
- Источник ЭДС против Напряжения: ЭДС (\(E\)) — это характеристика самого источника (работа сторонних сил по перемещению заряда), существующая даже в режиме холостого хода. Напряжение (\(U\)) — это разность потенциалов на выводах источника, которая в общем случае (\(I > 0\)) меньше ЭДС на величину внутреннего падения напряжения (\(I \cdot R_{г}\)).
- Идеальных источников не существует: Идеальный источник ЭДС (\(R_{г} = 0\)) означал бы возможность получения бесконечного тока (при КЗ), а идеальный источник тока (\(R_{г} = \infty\)) — бесконечной мощности (при ХХ). Это физически невозможно.
6. Часто задаваемые вопросы (FAQ)
1. Зачем нужны две модели (ЭДС и тока), если они эквивалентны?
Ответ: Выбор модели диктуется удобством анализа. Если внутреннее сопротивление источника \(R_{г}\) мало (близко к 0), удобнее использовать модель источника ЭДС (Тевенена). Если \(R_{г}\) велико (близко к \(\infty\)), удобнее модель источника тока (Нортона). Также модель тока упрощает расчеты цепей с параллельным соединением элементов, а модель ЭДС — с последовательным.
2. Что такое «внутреннее сопротивление» физически?
Ответ: Это не отдельный резистор внутри устройства. Это собирательное понятие, описывающее все потери энергии внутри самого источника. В аккумуляторе — это сопротивление электролита и электродов. В генераторе — это активное сопротивление обмоток. В любом источнике часть произведенной энергии тратится на его собственный нагрев при протекании тока — это и моделируется параметром \(R_{г}\).
3. Как на практике перейти от модели источника ЭДС к источнику тока?
Ответ: Очень просто. Если у вас есть реальный источник ЭДС (E и \(R_{г}\) последовательно), то эквивалентный источник тока будет иметь ток \(J = E / R_{г}\), а его внутреннее сопротивление \(R_{г}\) (которое теперь подключается параллельно) будет иметь ту же величину.
4. Можно ли измерить ЭДС (E) и ток (J) напрямую?
Ответ: ЭДС \(E\) можно измерить практически напрямую — это напряжение на выводах в режиме холостого хода (\(E = U_{х}\)), когда \(I=0\). А вот ток \(J = I_{к}\) измерять напрямую опасно — это режим короткого замыкания, который может вывести из строя большинство источников (например, аккумулятор или блок питания). Его обычно рассчитывают: \(J = E / R_{г}\) или определяют по ВАХ.
5. Что значит «источник должен работать на участке I»?
Ответ: Это означает, что источник спроектирован как источник напряжения (ЭДС). Его задача — поддерживать стабильное напряжение на нагрузке. Его внутреннее сопротивление \(R_{г}\) сделано как можно более низким. Работа на участках II или III для него является нештатной или аварийной (например, режим КЗ).
Заключение
Понимание моделей идеального и реального источника ЭДС и источника тока является фундаментальным для анализа электрических цепей. Хотя ни один реальный генератор не является идеальным, его поведение в рабочем диапазоне нагрузок может быть с высокой точностью описано одной из двух эквивалентных схем замещения.
Схема замещения в виде реального источника ЭДС (модель Тевенена) состоит из идеального источника \(E\) и последовательного внутреннего сопротивления \(R_{г}\). Схема замещения в виде реального источника тока (модель Нортона) состоит из идеального источника \(J\) и параллельного внутреннего сопротивления \(R_{г}\) (или проводимости \(G_{г}\)). Выбор модели зависит от характеристик самого источника и удобства расчета конкретной схемы.
Нормативная база
- ГОСТ 18311-80. Изделия электротехнические. Термины и определения основных понятий. Стандарт устанавливает терминологию, включая определение «источника электрической энергии».
- ГОСТ 2.721-74. Единая система конструкторской документации (ЕСКД). Обозначения условные графические в схемах. Обозначения общего применения. Стандарт определяет графические символы, используемые на схемах (включая символы источников ЭДС и тока, показанные на рис. 3 и 4).
Рекомендуемая литература
- Бессонов Л. А. Теоретические основы электротехники. Электрические цепи. — М.: Высшая школа, 2007.
- Зевеке Г. В., Ионкин П. А., Нетушил А. В., Страхов С. В. Основы теории цепей. — М.: Энергоатомиздат, 1989.
- Нейман Л. Р., Демирчян К. С. Теоретические основы электротехники: В 2-х т. — Л.: Энергоиздат, 1981.
