Содержание страницы
- 1. Классификация методов и теоретические основы
- 2. Визуальные, поплавковые, гидростатические и пьезометрические уровнемеры
- 5.3. Электроконтактные, емкостные и радиоволновые уровнемеры
- 4. Измерение уровня сыпучих материалов
- 5. Сравнительная таблица методов измерения уровня
- 6. Интересные факты об измерении уровня
- 7. FAQ: Часто задаваемые вопросы
- Заключение
Измерение уровня — это процесс определения положения границы раздела двух сред, одна из которых обычно жидкость или сыпучее вещество, а другая — газ или пар.
Измерение уровня жидких и сыпучих сред является фундаментальной и неотъемлемой процедурой во всех отраслях современной науки и техники. Без точных данных об уровне невозможно представить корректное заполнение технологических емкостей, коммерческий учет количества жидкости или сыпучего материала, контроль расхода продукта и процессы высокоточного дозирования. Средства измерения уровня, получившие общее название уровнемеры, представляют собой широкий класс приборов, от простейших визуальных стекол до сложных интеллектуальных радарных систем.
Как правило, уровнемеры имеют шкалу или цифровой выход, где отсчет начинается с нуля и идет в сторону увеличения. Единицы измерения могут варьироваться: миллиметры, сантиметры, дециметры и метры, а также проценты от заполнения емкости.
1. Классификация методов и теоретические основы

Многообразие физических свойств контролируемых сред (вязкость, плотность, диэлектрическая проницаемость, агрессивность) породило множество методов измерения. В зависимости от реализованного физического принципа, устройства для измерения уровня жидкостей подразделяют на следующие основные виды:
- Визуальные: простейшие приборы, использующие принцип сообщающихся сосудов для прямого наблюдения уровня.
- Поплавковые (механические): используют плавучесть тела (поплавка), находящегося на поверхности жидкости.
- Гидростатические: основаны на измерении давления столба жидкости в соответствии с основным уравнением гидростатики.
- Электроконтактные (кондуктометрические): используют способность электропроводной жидкости замыкать электрическую цепь между электродами.
- Емкостные: преобразуют изменение уровня в изменение электрической ёмкости системы «электрод-стенка резервуара».
- Радиоволновые (радарные): реализуют метод локации, посылая и принимая отраженную электромагнитную волну СВЧ-диапазона.
- Радиоизотопные: основаны на поглощении гамма-излучения веществом: интенсивность потока зависит от толщины слоя (уровня).
- Ультразвуковые (акустические): используют принцип эхолокации, анализируя время прохождения звуковой волны до поверхности и обратно.
Для сыпучих материалов, помимо перечисленных выше универсальных методов (емкостные, радарные, изотопные, ультразвуковые), применяются специфические:
- Маятниковые (лотовые): чувствительный элемент отклоняется или останавливается материалом.
- Механические контактные (ротационные): базируются на сопротивлении вращению лопасти или давлении материала на мембрану.
Физическая сущность закона Архимеда в уровнеметрии
Понимание работы поплавковых и буйковых уровнемеров невозможно без глубокого анализа закона Архимеда. Этот фундаментальный закон гидростатики объясняет поведение тел, погруженных в среду.
Закон Архимеда гласит: на тело, погружённое в жидкость или газ, действует выталкивающая сила, численно равная весу объёма жидкости или газа, вытесненного той частью тела, которая погружена в среду. Эта сила направлена вертикально вверх, противодействуя силе тяжести.
\[ F_A = \rho \cdot g \cdot V \]
где:
\( \rho \) – плотность жидкости или газа (кг/м³);
\( g \) – ускорение свободного падения (м/с²);
\( V \) – объем части тела, погруженной в жидкость или газ (м³);
\( F_A \) – сила Архимеда (Н).
Именно зависимость \( F_A \) от объема погруженной части \( V \) позволяет создавать точные приборы: изменяется уровень — меняется погруженный объем — меняется сила.
2. Визуальные, поплавковые, гидростатические и пьезометрические уровнемеры
Визуальные уровнемеры
Это старейший, но до сих пор актуальный метод локального контроля. Простейшим измерителем уровня жидкости являются указательные или уровнемерные стекла. Их работа целиком основана на принципе сообщающихся сосудов.
При условии, что давление над жидкостью в резервуаре и в трубке одинаково, гидростатическое давление на одном горизонтальном уровне должно быть равным. Следовательно, высоты столбов жидкости \( H \) и \( h \) выравниваются:
где \( H \) — уровень в сосуде, \( h \) — уровень в трубке, \( \rho_{ж} \) — плотность среды.

Рис. 1. Установка указательных стекол: а) проходящего света; б) отраженного света; в) многосекционная установка
Конструктивно различают несколько типов указательных стекол, представленных на рис. 1:
- Стекла проходящего света (рис. 1 а): Представляют собой прозрачную трубку, заделанную в металлическую арматуру. Используются для чистых жидкостей при небольших давлениях и температурах. Свет проходит сквозь жидкость, позволяя оператору видеть мениск.
- Стекла отраженного света (рефлекторные) (рис. 1 б): Это плоские толстые стекла с нанесенными на внутреннюю поверхность призматическими рисками. Они предназначены для высоких давлений (до нескольких МПа). За счет преломления света жидкость кажется темной, а паровая фаза — светлой, что резко повышает контрастность границы раздела.
- Секционные установки (рис. 1 в): Поскольку стекло — хрупкий материал, длинные трубки ненадежны. При контроле уровня, изменяющегося более чем на 0,5 метра, устанавливают каскад из нескольких стекол. Важно, чтобы верх предыдущего стекла перекрывал низ последующего, исключая «слепые зоны».
Поплавковые уровнемеры
Поплавковые системы являются одними из самых распространенных механических средств измерения (рис. 5.2). Классический пример из быта — уровнемер в бачке унитаза, а из техники — датчик уровня топлива в автомобиле.

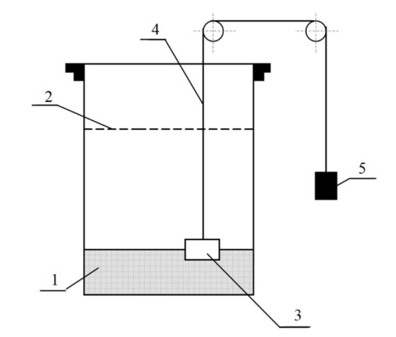
Рис. 2. Поплавковый уровнемер
Описание работы устройства (рис. 2):
Метод базируется на преобразовании вертикальных перемещений поплавка в показания прибора. Уровень контролируемой жидкости 1 в резервуаре может колебаться от минимальной отметки до максимального значения 2. Ключевым чувствительным элементом является поплавок 3 — полое герметичное тело из металла или пластика, плавающее на поверхности. Поплавок 3 механически связан гибким тросом 4 с системой индикации. Для компенсации веса троса и обеспечения натяжения система уравновешивается противовесом (грузом) 5. Положение груза 5 относительно нанесенной шкалы однозначно определяет текущий уровень жидкости. Нижний 1 и верхний 2 уровни задают рабочий диапазон измерения.
Преимуществом таких систем является возможность измерения уровня в очень высоких резервуарах (до 20-30 метров) с высокой точностью, однако наличие движущихся механических частей требует регулярного обслуживания.
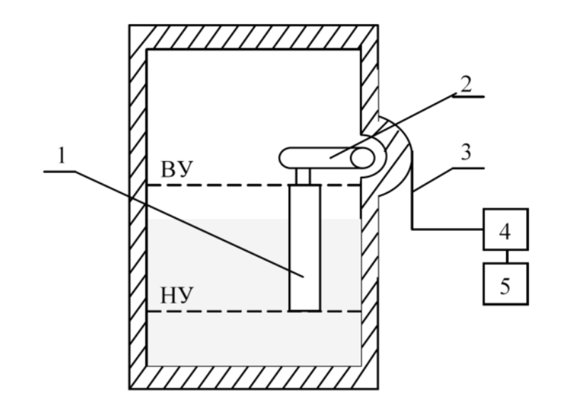
Буйковые уровнемеры (дисманометрические)
В отличие от поплавковых, буйковые уровнемеры (рис. 5.3) используют массивный вытеснитель (буек), который не плавает на поверхности, а всегда погружен в жидкость (частично или полностью) и подвешен неподвижно.

Рис. 3. Буйковый уровнемер с торсионной трубкой
Принцип действия:
Здесь напрямую работает закон Архимеда. Вес буйка \( G \), измеренный в воздухе, уменьшается при погружении в жидкость на величину выталкивающей силы. Сигнал на входе силоизмерительного датчика \( F \) описывается формулой:
*В упрощенном виде, пренебрегая плотностью газа:*
\[ F = G — \rho_ж \cdot g \cdot S \cdot h \]
где \( G \) — вес буйка, \( S \) — площадь поперечного сечения буйка, \( h \) — текущая глубина погружения (уровень), \( \rho_ж \) — плотность жидкости.
Описание схемы (рис. 3):
При изменении уровня от нижнего (НУ) до верхнего (ВУ) меняется выталкивающая сила, действующая на цилиндрический буек 1. Буек подвешен на рычаге 2. Изменение «кажущегося веса» буйка создает переменный крутящий момент на торсионном валу 3. Этот вал 3 проходит через герметичную мембрану или торсионную трубку наружу, передавая усилие на весоизмерительное устройство (пневматическое или электронное) 4. Преобразователь формирует сигнал для вторичного прибора 5. Важно отметить, что сам буек 1 практически не перемещается — измеряется именно усилие.
Гидростатические уровнемеры
Этот класс приборов использует зависимость давления столба жидкости от его высоты. Измерение сводится к манометрии.
\[ P_г = \rho_ж \cdot g \cdot h + P_a \]
где \( h \) — искомый уровень, \( P_a \) — избыточное давление газа над поверхностью жидкости.
Чтобы исключить влияние давления газовой подушки \( P_a \) (которое может быть огромным в закрытых реакторах), используют дифференциальные манометры (датчики разности давлений).

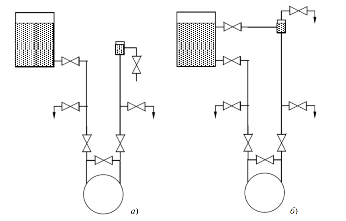
Рис. 4. Схема трубных соединений емкости и дифманометра: а) открытая емкость; б) емкость под давлением
Описание схем подключения (рис. 4):
В открытой емкости (рис. 4 а) минусовая камера дифманометра сообщается с атмосферой, и прибор измеряет просто \( \rho g h \).
В закрытой емкости под давлением (рис. 4 б) необходимо компенсировать \( P_a \). Для этого «минусовая» камера дифманометра соединяется с газовым пространством верха емкости. Часто используют уравнительный сосуд. Его назначение — обеспечить постоянный, неизменный столб жидкости (опорное давление) в одном из колен дифманометра. Разность давлений \( \Delta P \) будет прямо пропорциональна уровню \( h \) в основном сосуде.
Пьезометрические (барботажные) уровнемеры
Для агрессивных, грязных или высокотемпературных сред, где прямой контакт датчика с жидкостью нежелателен, применяют пьезометрический метод (рис. 5).

Рис. 5. Пьезометрический уровнемер
Суть метода: Через трубку, опущенную почти до дна, продувают сжатый воздух или инертный газ (азот). Газ барботирует (выходит пузырьками) через слой жидкости. Давление газа в трубке \( P_г \) будет расти ровно до тех пор, пока не уравновесит гидростатическое давление столба жидкости.
Для стабилизации расхода газа применяют дроссели или ротаметры. Это позволяет измерять уровень в «кипящих» кислотах, расплавленном стекле или шламах, так как измерительный прибор контактирует только с чистым газом.
Погружные гидростатические датчики
Современной эволюцией гидростатики стали компактные погружные зонды (рис. 5.6). Это герметичные «карандаши» из нержавеющей стали, опускаемые на кабеле в скважины или резервуары.

Рис. 6. Погружные гидростатические уровнемеры
Внутри корпуса находится чувствительный элемент (тензорезистивный мост на кремнии или емкостная ячейка керамики). Давление воды деформирует мембрану, меняя сопротивление или емкость.
Важная деталь: Чтобы измерять уровень относительно атмосферного давления (а не вакуума), внутри несущего кабеля проходит специальная капиллярная трубка (дыхательная трубка), соединяющая полость за мембраной с атмосферой. Это компенсирует изменения погоды (барометрического давления).
Типовые характеристики:
Погрешность: 0,1…0,5%. Выходной сигнал: 4…20 мА (стандарт токовой петли). Многие модели оснащаются датчиком температуры Pt100 для коррекции плотности.
5.3. Электроконтактные, емкостные и радиоволновые уровнемеры
Кондуктометрические (электроконтактные) уровнемеры
Самый простой и дешевый способ дискретного контроля (сигнализации) уровня электропроводных жидкостей (вода, щелочи, кислоты, молоко).

Рис. 7. Электроконтактные схемы (а, б) и кондуктометрический уровнемер (в)
Принцип работы (рис. 7):
В основе — замыкание электрической цепи жидкостью.
На рис. 7 (а) показан вариант для диэлектрической (пластиковой) емкости: нужны минимум два электрода (общий и сигнальный).
На рис. 7 (б) для металлического танка: общим электродом служит сам корпус («земля»). Когда уровень жидкости касается электрода, ток течет от источника через жидкость к корпусу, вызывая срабатывание реле.
На рис. 7 (в) показан аналоговый вариант — измерение сопротивления столба жидкости, но он редко применяется из-за нестабильности электропроводности среды.
Емкостные уровнемеры
Этот метод универсален и подходит как для проводников, так и для диэлектриков. Датчик представляет собой конденсатор, ёмкость которого меняется при заполнении.
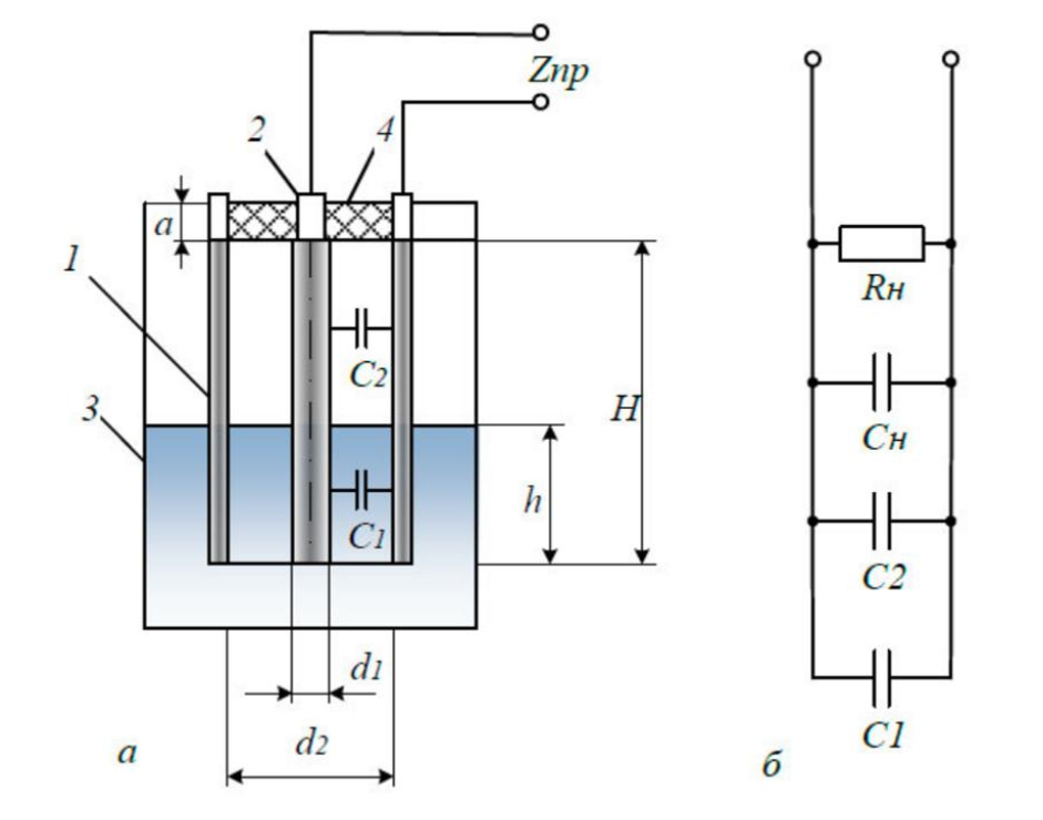
Конструктивно (рис. 8) датчик часто выполняется в виде коаксиального конденсатора (труба в трубе) или стержня внутри металлической емкости.

Рис. 8. Емкостной уровнемер и его эквивалентная схема
Описание рисунка 8:
Электроды 1 (внутренний) и 2 (внешний) образуют конденсатор. Они закреплены через изолятор 4. При погружении в сосуд 3 с жидкостью на глубину \( h \), общая ёмкость \( C_{пр} \) складывается из двух параллельных конденсаторов: нижней части, заполненной жидкостью (\( C_1 \)), и верхней, заполненной газом (\( C_2 \)).
\[ C_{пр} = \frac{2\pi \varepsilon_0}{\ln(d_2/d_1)} \left[ \varepsilon_ж h + \varepsilon_г (H — h) \right] + C_н \]
Преобразуя формулу (считая \( \varepsilon_г \approx 1 \)):
\[ C_{пр} = C_0 + K \cdot h \cdot (\varepsilon_ж — 1) \]
Для электропроводных жидкостей электрод обязательно покрывают тонким слоем изоляции (фторопласта), который и служит диэлектриком конденсатора.
Радарные (радиоволновые) уровнемеры
Вершина эволюции уровнеметрии. Это бесконтактный метод, не зависящий от температуры, давления, плотности и паров. Идеален для агрессивных сред.

Рис. 9. Радиоволновый (радарный) уровнемер
Принцип действия (рис. 9):
Антенна уровнемера (часто рупорная) излучает короткие микроволновые импульсы (частоты 6 ГГц, 26 ГГц или 80 ГГц) вниз к продукту. Импульс отражается от поверхности и возвращается обратно. Электроника замеряет время пролета \( t \).
Расстояние \( H \) вычисляется как \( H = \frac{c \cdot t}{2} \), где \( c \) — скорость света.
Уровень \( L \) определяется как высота танка минус расстояние: \( L = H_{tank} — H \).
Современные радары используют технологию FMCW (непрерывное частотно-модулированное излучение), что дает точность до ±1 мм даже при наличии пены и волнений.
4. Измерение уровня сыпучих материалов
Сыпучие среды (зерно, цемент, уголь, песок) ведут себя сложнее жидкостей: они образуют конусы, пылят, налипают. Поэтому здесь нужны особые подходы.
Маятниковые и ротационные датчики
Простые электромеханические устройства.

Рис. 10. Маятниковый уровнемер
Описание рис. 10:
В бункер 1 поступает материал 2. Когда гора материала касается подвешенного маятника (или лопасти) 3, он отклоняется под давлением насыпи. Это движение механически или бесконтактно замыкает ключ 4, активируя сигнализацию 5. Метод дешев, но требует контакта с продуктом.
Вибрационные уровнемеры (Вибровилки)
Самый надежный метод защиты от переполнения.

Рис. 11. Вибрационный уровнемер (а) и вибрирующий элемент (б)
Принцип работы:
Чувствительный элемент выполнен в виде камертона (вилки) (рис. 5.11 б). Пьезокристалл возбуждает его колебания на резонансной частоте (например, 1200 Гц в воздухе). Когда вилка покрывается сыпучим материалом, колебания затухают (амплитуда падает) или меняется частота. Электроника фиксирует это изменение («вилка замолчала») и выдает сигнал. Вибровилки нечувствительны к типу материала и электрическим свойствам.
Весовые уровнемеры
Косвенный метод: мы взвешиваем весь бункер и вычитаем вес тары.

Рис. 12. Весовой уровнемер
Описание рис. 12:
Бункер 1 опирается на силоизмерительный датчик — мессдозу или тензодатчик 2. В старых системах (как на рисунке) использовали гидравлические мессдозы, соединенные с манометром 3. Давление в системе пропорционально весу. В современных системах под опоры ставят тензорезистивные или магнитоупругие датчики. Плюс метода: нет датчиков внутри бункера (ничего не сломается от падающих камней). Минус: дороговизна монтажа и необходимость калибровки всей конструкции.
5. Сравнительная таблица методов измерения уровня
| Метод | Принцип действия | Преимущества | Недостатки | Применение |
|---|---|---|---|---|
| Визуальный | Сообщающиеся сосуды | Простота, энергонезависимость, наглядность. | Хрупкость стекла, необходимость прямого доступа, нет дистанционного сигнала. | Паровые котлы, небольшие емкости, локальный дублирующий контроль. |
| Гидростатический | Давление столба \( P = \rho gh \) | Низкая цена, простота монтажа. | Зависимость от плотности жидкости, влияние температуры. | Открытые водоемы, скважины, емкости с водой и маслом. |
| Поплавковый / Буйковый | Закон Архимеда | Высокая точность, работа при высоких давлениях и температурах. | Наличие подвижных частей (износ, заклинивание), зависимость от плотности. | Коммерческий учет нефти, технологические аппараты НПЗ. |
| Емкостной | Изменение \( C \) конденсатора | Нет подвижных частей, высокая чувствительность. | Сильная зависимость от диэлектрической проницаемости среды, налипание на электрод. | Сухие сыпучие продукты, непроводящие жидкости. |
| Радарный | Отражение СВЧ волны | Бесконтактность, высокая точность, независимость от свойств среды (пыль, пары, t°). | Высокая стоимость. | Агрессивные среды, асфальт, расплавы, точный учет в больших танках. |
| Вибрационный | Затухание колебаний | Универсальность, надежность, не требует настройки. | Только дискретный контроль (точка срабатывания), налипание вязких сред. | Защита от перелива и сухого хода насосов. |
6. Интересные факты об измерении уровня
- Древнейший ГОСТ: Первые «стандарты» измерения уровня были высечены на камнях Нилометров в Египте более 3000 лет назад. От уровня воды зависел размер налогов: выше вода — больше урожай — выше налог.
- Космическая точность: Для измерения уровня жидкого водорода и кислорода в баках ракет используются специальные емкостные датчики, способные работать при температурах близких к абсолютному нулю (-253°C).
- Радар против пены: Обычный ультразвуковой уровнемер «глохнет» в густой пене (звук поглощается), тогда как радарный луч проходит сквозь сухую пену, отражаясь от жидкости.
- Самый глубокий замер: Гидростатические датчики используются для измерения уровня океана и цунами на глубинах в несколько километров, где давление достигает чудовищных значений.
- Радиоактивный контроль: Для измерения уровня расплавленного металла в кристаллизаторах (где температура >1500°C) используют изотопные методы, «просвечивая» сталь насквозь гамма-лучами.
- Умные поплавки: В современных поплавках для коммерческого учета нефти встроен термометр и датчик плотности воды, что позволяет не только мерить уровень, но и сразу вычислять массу чистой нефти.
- Эффект «фантома»: В радарных уровнемерах при пустом баке с плоским металлическим дном может возникать «двойное отражение», когда прибор показывает уровень ниже дна. Современные алгоритмы умеют это фильтровать.
7. FAQ: Часто задаваемые вопросы
1. Почему для измерения уровня воды и бензина нужны разные емкостные датчики?Дело в диэлектрической проницаемости (\( \varepsilon \)). У воды она высокая (~80) и вода проводит ток, поэтому нужен изолированный электрод. У бензина она низкая (~2) и он диэлектрик, поэтому можно использовать голый электрод, но чувствительность прибора должна быть намного выше.
2. Что будет с гидростатическим датчиком, если плотность жидкости изменится?Показания станут неверными. Датчик измеряет вес столба жидкости (\( P = \rho g h \)). Если плотность \( \rho \) уменьшится (например, при нагреве), а уровень останется тем же, давление упадет, и прибор покажет заниженный уровень. В ответственных системах всегда вводят поправку на плотность и температуру.
3. Какой уровнемер выбрать для бункера с цементом, где много пыли?Оптимальным выбором будет радарный уровнемер (пыль прозрачна для радиоволн) или электромеханический лотовый (грузик на тросе). Ультразвук работать не будет, так как пыль рассеивает звуковую волну.
4. Можно ли использовать поплавковый уровнемер в вязких жидкостях (мазут, патока)?Крайне нежелательно. Вязкая среда будет препятствовать свободному движению поплавка, он будет «залипать» и давать большую погрешность. Для таких сред лучше подходят радарные или гидростатические методы с разделительной мембраной.
5. Чем отличается буек от поплавка?Поплавок плавает на поверхности и перемещается вместе с ней (меняет координату). Буек тяжелее вытесняемой жидкости, он висит неподвижно (или почти неподвижно) и меняет свой вес в зависимости от степени погружения. Поплавок — это датчик перемещения, буек — это датчик силы.
Заключение
Измерение уровня прошло долгий путь эволюции: от деревянной палки, опускаемой в бочку, до интеллектуальных радаров, сканирующих профиль поверхности лазером или радиолучом. Однако, несмотря на цифровую революцию, старые добрые методы — закон Архимеда и сообщающиеся сосуды — остаются в строю благодаря своей надежности и физической простоте. Выбор конкретного метода всегда является компромиссом между точностью, стоимостью и условиями эксплуатации.
Нормативные документы:
- ГОСТ 28725-90 – Приборы для измерения уровня жидкостей и сыпучих материалов. Общие технические требования и методы испытаний.
- ГОСТ 8.321-2013 – ГСИ. Уровнемеры промышленного применения. Методика поверки.
- ГОСТ 31610.0–2014 – Взрывоопасные среды. Часть 0. Оборудование. Общие требования.
- ГОСТ 15983-81 – Уровнемеры буйковые. ГСП. Общие технические условия.
Рекомендуемая литература:
- Хансуваров К.И., Цейтлин В.Г. Техника измерения давления, расхода, количества и уровня жидкости, газа и пара. — М.: Издательство стандартов.
- Фимков В.Д. Современные методы измерения уровня. Обзор технологий. — Журнал «Автоматизация в промышленности».
- Джексон П. Практическое руководство по контрольно-измерительным приборам.
