Содержание страницы
- 1. Физика процесса и принцип действия
- 2. Технологическая структура и конструкция силового диода
- 3. Электрические характеристики и математическая модель
- 4. Сравнительная таблица: Диод Шоттки vs Классический p-n диод
- 5. Преимущества и недостатки
- 6. Интересные факты о диодах Шоттки
- 7. FAQ: Часто задаваемые вопросы
- Заключение
Силовой диод Шоттки — это полупроводниковый прибор, который используется для выпрямления тока и коммутации в электрических цепях, принцип действия которого основан не на p-n переходе (как у классических диодов), а на контакте «металл-полупроводник». Ключевой особенностью этого класса приборов является малое падение напряжения при прямом включении и высокое быстродействие.Это делает их незаменимыми компонентами в современных импульсных блоках питания, инверторах и преобразователях частоты. В отличие от обычных кремниевых диодов, где ток протекает за счет инжекции неосновных носителей заряда, диоды Шоттки работают на основных носителях, что исключает процесс рассасывания накопленного заряда при переключении.
1. Физика процесса и принцип действия
Фундаментальной основой работы диода Шоттки является барьер Шоттки. Когда металл (такой как золото, платина, молибден или вольфрам) приводится в контакт с полупроводником n-типа, происходит обмен электронами. Если работа выхода электрона из металла больше, чем из полупроводника, часть электронов переходит из полупроводника в металл.
В результате в приграничной области полупроводника образуется зона, обедненная основными носителями заряда (электронами), и возникает объемный положительный заряд ионизированных доноров. Этот слой создает потенциальный барьер, препятствующий дальнейшему переходу электронов. Приложение внешнего электрического поля изменяет высоту этого барьера, позволяя току протекать (прямое смещение) или блокируя его (обратное смещение).
Аналогия: Представьте обычный диод (p-n переход) как вращающийся турникет в метро, через который проходит толпа (носители заряда). Чтобы сменить направление движения, турникет должен провернуться и освободиться от людей. Это занимает время (время восстановления).
Диод Шоттки — это просто широкая открытая дверь с охранником (барьером). Если у вас есть «билет» (достаточное напряжение), вы проходите мгновенно. Когда дверь закрывается, толпы внутри нет, и проход блокируется моментально. Здесь нет задержки на «выход» людей, поэтому быстродействие намного выше.
2. Технологическая структура и конструкция силового диода
Конструкция силовых диодов Шоттки существенно отличается от маломощных сигнальных аналогов. Главная задача здесь — обеспечить прохождение больших токов (от десятков до сотен ампер) с минимальными тепловыми потерями и выдержать заданное обратное напряжение.
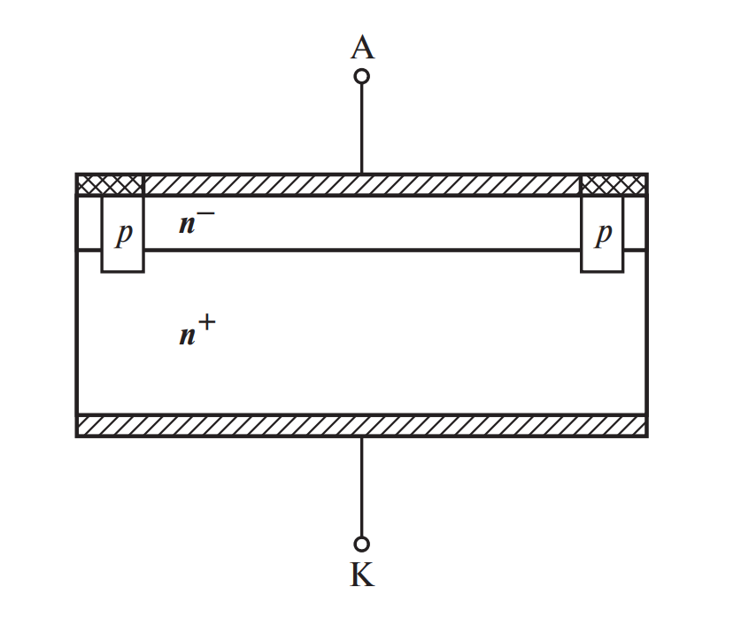
Силовые диоды Шоттки изготавливают преимущественно на основе кремния (Si) n-типа проводимости. Структура прибора многослойна и тщательно рассчитана. Рассмотрим её строение детально (см. Рис. 1).

A — Анод (металлический контакт); K — Катод (металлизированный слой);
p — охранное кольцо p-типа; n— — эпитаксиальный (дрейфовый) слой;
n+ — сильнолегированная подложка.
Подложка и активные слои
- Сильнолегированная подложка (n+): Основой кристалла служит пластина кремния с очень высокой концентрацией донорных примесей (порядка \( 5 \cdot 10^{18} \dots 5 \cdot 10^{19} \, \text{см}^{-3} \)).
- Её толщина составляет 150—200 мкм.
- Главная функция — обеспечение механической прочности кристалла и создание качественного омического контакта с катодом (K). Высокая концентрация примеси снижает последовательное сопротивление базы, что критически важно для силовых приборов.
- Активный эпитаксиальный слой (n—): На подложке выращивается более чистый слой кремния с меньшей концентрацией примеси (\( 3 \cdot 10^{15} \, \text{см}^{-3} \)).
- Толщина этого слоя, обозначаемая как \( W_n \), напрямую зависит от требуемого рабочего напряжения диода (класса по напряжению).
- Именно здесь происходит обеднение носителями заряда при обратном смещении. Чем толще этот слой и ниже концентрация примесей, тем большее обратное напряжение выдержит диод, но тем выше будет его активное сопротивление в открытом состоянии.
Система защиты: Охранные кольца
Классический контакт Шоттки имеет недостаток: концентрация электрического поля по краям металлического электрода может привести к преждевременному краевому пробою (лавинному пробою) при напряжениях ниже расчетных.
Чтобы решить эту проблему, в структуру вводится система охранных колец (p) (см. обозначение «p» на Рис. 1). Это области с дырочной проводимостью, создающие локальные p-n переходы по периметру активной зоны. Глубина их залегания составляет несколько микрометров. Они «сглаживают» линии напряженности электрического поля, перераспределяя нагрузку и защищая уязвимые края барьера Шоттки. По сути, внутри диода Шоттки интегрирован паразитный p-n диод, который работает как защитный стабилитрон при экстремальных перегрузках.
3. Электрические характеристики и математическая модель
Поведение диода Шоттки описывается уравнениями, связывающими ток и напряжение, с учетом геометрических параметров кристалла.
Прямое падение напряжения
Прямое напряжение на диоде Шоттки (\( U_F \)) складывается из двух величин: напряжения непосредственно на барьере (переходе) и падения напряжения на омическом сопротивлении эпитаксиального слоя (базы). Формула выглядит следующим образом:
Где:
- \( \phi_T \) — тепловой потенциал (примерно 26 мВ при комнатной температуре);
- \( I_F \) — прямой ток, протекающий через диод;
- \( I_S \) — ток насыщения (ток утечки);
- \( \rho_n \) — удельное сопротивление n-слоя;
- \( W_n \) — толщина активного n-слоя;
- \( S \) — активная площадь структуры диода.
Важно: Второе слагаемое формулы (\( I_F \rho_n W_n / S \)) показывает вклад сопротивления базы. Чем выше требуемое обратное напряжение, тем толще должен быть слой \( W_n \) и выше его удельное сопротивление \( \rho_n \). Это объясняет, почему высоковольтные диоды Шоттки (более 200В) делать из кремния неэффективно — их прямое падение напряжения становится слишком большим.
Сравнительный пример расчета
Рассмотрим эффективность диода Шоттки на конкретных цифрах. Возьмем структуру площадью \( S = 1 \, \text{см}^2 \).
- Обратный ток: У диода Шоттки ток насыщения \( I_S \approx 1,5 \cdot 10^{-5} \, \text{А} \), что значительно выше, чем у p-n диодов (где он может быть на порядки меньше). Это плата за низкий барьер.
- Прямое падение: При прямом токе \( I_F = 100 \, \text{А} \):
- На диоде Шоттки падение напряжения составит около 0,4 В.
- На аналогичном кремниевом выпрямительном диоде с p-n переходом падение составит около 0,86 В.
Разница в 0,46 В при токе 100 А означает выигрыш в рассеиваемой мощности \( P = I \cdot \Delta U = 100 \cdot 0,46 = 46 \, \text{Вт} \). Это колоссальное снижение тепловых потерь, позволяющее уменьшить размеры радиаторов и повысить КПД устройства.
4. Сравнительная таблица: Диод Шоттки vs Классический p-n диод
Для наглядности сведем основные отличия в таблицу.
| Характеристика | Диод Шоттки | Диод с p-n переходом (Fast Recovery) |
|---|---|---|
| Тип носителей заряда | Основные (электроны) | Неосновные (инжекция дырок) |
| Прямое падение напряжения (Vf) | Низкое (0.2 — 0.5 В) | Среднее/Высокое (0.7 — 1.2 В и выше) |
| Время обратного восстановления (trr) | Почти отсутствует (пкс — нс) | Есть (от десятков нс до мкс) |
| Обратный ток утечки | Высокий, сильно зависит от температуры | Низкий |
| Максимальное рабочее напряжение (для Si) | Ограничено (~ до 200 В) | Высокое (до нескольких кВ) |
| Устойчивость к перегреву | Низкая (склонность к тепловому пробою) | Высокая |
5. Преимущества и недостатки
Преимущества
- Минимальное падение напряжения: Обеспечивает высокий КПД выпрямления, особенно в низковольтных цепях (5В, 3.3В).
- Высочайшее быстродействие: Отсутствие накопления заряда позволяет работать на частотах в сотни килогерц и мегагерцы.
- Отсутствие шумов коммутации: Благодаря плавному (хоть и быстрому) переключению генерируют меньше электромагнитных помех по сравнению с p-n диодами, имеющими резкое восстановление (hard recovery).
Недостатки
- Ограниченное обратное напряжение: Для кремниевых приборов предел обычно составляет 100-200В. Выше этого порога преимущество в низком падении напряжения исчезает.
- Высокие токи утечки: При нагреве обратный ток растет экспоненциально, что может привести к неконтролируемому разогреву и тепловому пробою.
6. Интересные факты о диодах Шоттки
- Космические корни: Технология точечных контактов металл-полупроводник использовалась еще в первых кристаллических детекторах радиоприемников начала 20-го века, задолго до понимания физики процесса.
- Золотой стандарт: В ранних и особо ответственных диодах Шоттки для создания барьера использовалось чистое золото. Сейчас чаще используют силициды платины или молибдена.
- Карбид кремния (SiC): Современная революция в энергетике связана с появлением диодов Шоттки на основе карбида кремния. Они могут работать при напряжениях 1200В и температурах до 200°C, сохраняя свойства Шоттки.
- Встроенная защита: Многие современные MOSFET-транзисторы имеют в своей структуре антипараллельный диод, который по своим характеристикам часто уступает внешнему диоду Шоттки, поэтому инженеры часто ставят внешний диод параллельно транзистору.
- Эффект смыкания: В высоковольтных диодах Шоттки используется эффект смыкания обедненных областей (JBS-структуры) для снижения токов утечки, что является гибридом p-n и Шоттки технологий.
- Чувствительность к статике: Несмотря на силовое исполнение, тонкий барьер металл-полупроводник может быть уязвим к электростатическим разрядам (ESD) при монтаже.
- Солнечная энергетика: Диоды Шоттки являются ключевым элементом в солнечных панелях, выполняя роль блокирующих диодов, предотвращающих разряд аккумуляторов через панели ночью.
7. FAQ: Часто задаваемые вопросы
Не всегда. Хотя диод Шоттки эффективнее, у него значительно выше обратный ток утечки и ниже пробивное напряжение. Если в схеме присутствуют высоковольтные выбросы (например, в цепях без снабберов) или критична малая утечка (микроамперы), замена может привести к выходу устройства из строя.
Они греются из-за протекания тока. Мощность потерь равна \( P = I \cdot U \). Даже при падении 0.4В и токе 50А выделяется 20 Вт тепла, что требует радиатора. Кроме того, при сильном нагреве растет обратный ток, который добавляет дополнительный нагрев в закрытом состоянии.
В режиме прозвонки диодов исправный диод Шоттки покажет падение напряжения в диапазоне 0.150 – 0.450 В (зависит от мощности). Обычный диод покажет 0.500 – 0.700 В. В обратном направлении он не должен «звониться» (показывать бесконечность), однако мощные диоды могут показывать некоторое сопротивление из-за больших утечек, но не короткое замыкание.
Это потенциальный барьер для электронов, возникающий на границе раздела металла и полупроводника. Его высота зависит от работы выхода металла и электронного сродства полупроводника. Именно этот барьер обеспечивает выпрямительные свойства.
Технически это возможно, но экономически не всегда оправдано. На частоте 50 Гц быстродействие Шоттки не дает преимуществ. Их используют в низковольтных выпрямителях (например, сварочные аппараты, зарядные устройства) ради снижения потерь напряжения, но в сетях 220В чаще применяют обычные мосты из-за их дешевизны и устойчивости к выбросам напряжения.
Заключение
Силовые диоды Шоттки являются краеугольным камнем современной силовой электроники низкого напряжения. Их уникальная структура, сочетающая сильнолегированную подложку, эпитаксиальный слой и металлический барьер, обеспечивает непревзойденную эффективность преобразования энергии. Несмотря на физические ограничения по обратному напряжению для кремния, развитие технологий (в частности, переход на карбид кремния SiC) открывает перед диодами Шоттки новые горизонты, позволяя им конкурировать в высоковольтных приложениях. Для инженеров и студентов понимание тонкостей их работы, описанных формулой тока и тепловыми режимами, является обязательным условием для создания надежных источников питания.
Нормати
вная база
- ГОСТ 20859.1-89 — Приборы полупроводниковые силовые. Общие технические требования.
- ГОСТ 25301-95 (IEC 747-2) — Приборы полупроводниковые дискретные и интегральные схемы. Часть 2. Выпрямительные диоды.
- ГОСТ 19656.15-84 — Диоды полупроводниковые СВЧ. Метод измерения прямого напряжения и постоянного обратного тока.
Рекомендуемая литература:
- Зи С. «Физика полупроводниковых приборов». Книга 1. — М.: Мир, 1984. — Фундаментальный труд по физике контакта металл-полупроводник.
- Семенов Б.Ю. «Силовая электроника: от простого к сложному». — М.: Солон-Пресс, 2005.
- Флоренцев С.Н. «Силовая электроника — современное состояние и перспективы развития».
