Импульсный преобразователь Чука: Принцип работы, схема и расчет
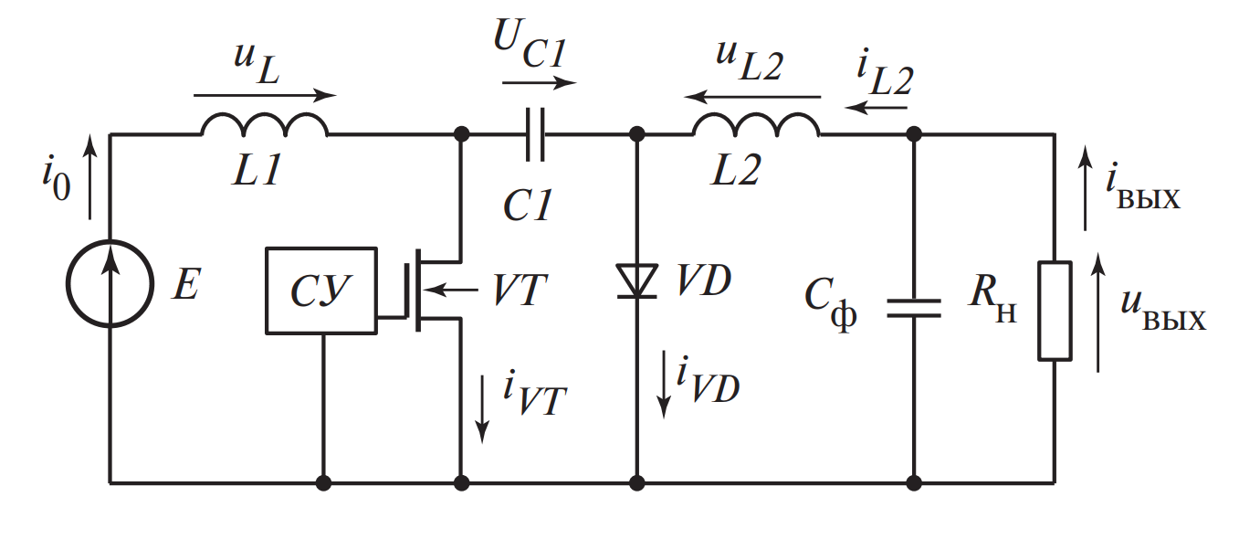
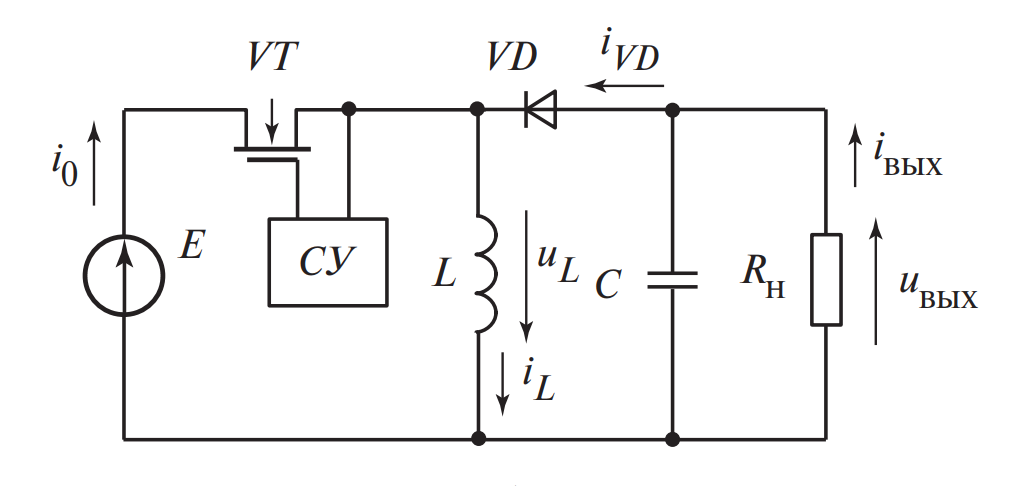
Преобразователь Чука (Ćuk converter) — это уникальный вид импульсного стабилизатора напряжения постоянного тока (DC-DC), способный как понижать, так и повышать входное напряжение, при этом инвертируя его полярность. Главной отличительной чертой этой топологии является использование конденсатора в качестве основного элемента переноса энергии от входа к выходу, в то время как большинство классических схем (понижения, повышения) опираются … Читать далее
