Содержание страницы
- 1. Назначение и сферы применения синхронных машин
- 2. Устройство и конструктивные особенности
- 3. Принцип действия: физика процесса
- 4. Подробный анализ процессов в синхронном генераторе
- 5. Особенности работы синхронного двигателя
- 6. Сравнение: Синхронный vs Асинхронный двигатель
- 7. Преимущества и недостатки синхронных машин
- 8. Интересные факты о синхронных машинах
- 9. FAQ: Часто задаваемые вопросы
- Заключение
Синхронная машина (двигатель или генератор) — это электрическая машина переменного тока, у которой частота вращения ротора жестко связана с частотой электрического тока в сети. Главная особенность: ротор вращается синхронно с магнитным полем статора, без проскальзывания (скольжения).
Хотя принципы электромагнитной индукции были открыты Майклом Фарадеем еще в 1831 году, практическое применение синхронных машин стало возможным благодаря работам Николы Теслы и Михаила Осиповича Доливо-Добровольского. Именно Доливо-Добровольский в 1880-х годах разработал трехфазную систему токов, которая позволила создать эффективные вращающиеся магнитные поля. Первые синхронные генераторы были громоздкими и сложными, но именно они позволили передавать энергию на большие расстояния, что стало революцией в индустриализации.
1. Назначение и сферы применения синхронных машин
Синхронные машины, как и большинство электромеханических преобразователей, обладают свойством обратимости. Это означает, что одно и то же устройство может функционировать в двух принципиально разных режимах:
- Режим генератора: Преобразование механической энергии (вращения) в электрическую.
- Режим двигателя: Преобразование электрической энергии в механическую.
Несмотря на теоретическую идентичность, конструктивно машины, предназначенные для разных режимов, имеют ряд отличий, оптимизирующих их работу.
1.1. Синхронные генераторы
Это фундаментальные источники электроэнергии на планете. Практически вся электроэнергия в мире (более 99%) вырабатывается синхронными генераторами. Их мощность варьируется от нескольких киловатт (в бытовых бензогенераторах) до гигантских значений в 1500 МВ·А и более на атомных электростанциях.

1.2. Синхронные двигатели
Основная ниша их применения — приводы, требующие абсолютно постоянной частоты вращения независимо от изменения нагрузки на валу. В отличие от асинхронных двигателей, здесь нет скольжения.
Основные области применения:
- Тяжелая промышленность: Металлургические прокатные станы, шаровые мельницы.
- Насосные и компрессорные станции: Магистральные перекачивающие агрегаты, мощные вентиляторы.
- Точная механика (малая мощность): Системы автоматики, электрочасы, лентопротяжные механизмы звуко- и видеозаписи, где важна стабильность скорости.
2. Устройство и конструктивные особенности
Любая синхронная машина состоит из двух основных частей, разделенных воздушным зазором: неподвижного статора и вращающегося ротора.
2.1. Статор (Якорь)
Статор синхронной машины практически идентичен статору асинхронного двигателя. Он представляет собой шихтованный (набранный из тонких листов электротехнической стали для снижения потерь на вихревые токи) цилиндр с пазами на внутренней стороне. В эти пазы укладывается трехфазная обмотка. При подключении к сети или под нагрузкой в этой обмотке протекают переменные токи.
2.2. Ротор (Индуктор)
Ротор выполняет функцию мощного электромагнита. Его обмотка (обмотка возбуждения) питается постоянным током. Конструктивное исполнение ротора зависит от скорости вращения машины. Существует два основных типа:

- Явнополюсный ротор (Рис. 1, а): Характеризуется выступающими полюсами. Применяется в тихоходных машинах (например, гидрогенераторах ГЭС), где частота вращения невелика (60–600 об/мин), но требуется большое количество полюсов.
- Неявнополюсный ротор (Рис. 1, б): Имеет форму цилиндра, где обмотка уложена в фрезерованные пазы. Применяется в быстроходных машинах (турбогенераторах ТЭС и АЭС) с частотой вращения 1500 или 3000 об/мин. Гладкая форма необходима для высокой механической прочности при огромных центробежных силах.
Подача постоянного тока на вращающийся ротор осуществляется через систему скользящих контактов: пару медных контактных колец и графитовых щеток. В современных мощных машинах часто применяют бесщеточные системы возбуждения, где используется вращающийся выпрямитель, что повышает надежность.
2.3. Упрощенная схема
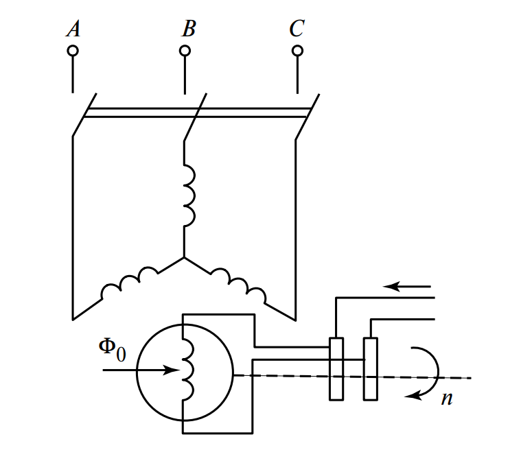
Для понимания процессов часто используют упрощенную модель, где трехфазная обмотка статора взаимодействует с магнитом ротора.

3. Принцип действия: физика процесса
Принцип работы основан на взаимодействии магнитных полей статора и ротора.
3.1. Работа в режиме генератора
- Ротор приводится во вращение первичным двигателем (турбиной) с частотой \(n_2 = n_{sync}\). Скорость вращения регулируется подачей энергоносителя (пара, воды) через механическую задвижку.
- Обмотка возбуждения ротора питается постоянным током, создавая постоянный магнитный поток \(\Phi_0\), который вращается механически вместе с ротором.
- Силовые линии этого вращающегося поля пересекают проводники неподвижной обмотки статора. Согласно закону электромагнитной индукции, в статоре наводится ЭДС \(E_0\).
- При замыкании цепи статора на нагрузку возникает трехфазный ток \(I_1\).
- Ток статора создает свое собственное вращающееся магнитное поле.
В генераторе поле ротора является ведущим, оно «тащит» за собой поле статора. Угол сдвига между осями полей \(\vartheta\) (угол нагрузки) положителен.
3.2. Работа в режиме двигателя
- Обмотка статора подключается к трехфазной сети. Токи создают вращающееся магнитное поле с частотой \(n_{sync}\).
- Ротор превращается в электромагнит за счет подачи постоянного тока.
- Полюса статорного поля «сцепляются» с полюсами ротора (N статора притягивает S ротора).
- Вращающееся поле статора увлекает за собой ротор.
Здесь поле статора является ведущим. Ротор отстает от поля статора на угол \(\vartheta\). Частота вращения жестко связана формулой:
где \(f\) — частота сети (50 Гц), а \(p\) — число пар полюсов машины.
4. Подробный анализ процессов в синхронном генераторе
4.1. Реакция якоря
При подключении нагрузки ток статора \(I\) создает свой магнитный поток \(\Phi_{r.ya}\) (поток реакции якоря). Этот поток накладывается на основной поток ротора \(\Phi_0\), искажая и изменяя результирующее поле. Это явление называется реакцией якоря.
Характер реакции якоря зависит от типа нагрузки:
- Активная нагрузка: Поле якоря искажает поле ротора поперек (поперечная реакция).
- Индуктивная нагрузка: Поле якоря направлено встречно полю ротора, размагничивая машину (напряжение сильно падает).
- Емкостная нагрузка: Поле якоря совпадает с полем ротора, подмагничивая машину (напряжение может вырасти выше номинального).
4.2. Схема замещения и векторная диаграмма
Для расчетов реальную машину заменяют электрической схемой. В ней магнитные поля моделируются индуктивными сопротивлениями.
- \(\Phi_{r.ya}\) (реакция якоря) \(\rightarrow\) заменяется сопротивлением \(X_{r.ya}\).
- \(\Phi_{ras}\) (потоки рассеяния) \(\rightarrow\) заменяется сопротивлением \(X_{ras}\) (индуктивность рассеяния).
Суммарное сопротивление \(X_{ya} = X_{r.ya} + X_{ras}\) называется синхронным индуктивным сопротивлением. Обычно оно значительно больше активного сопротивления обмотки (\(X_{ya} \gg R_{ya}\)).
На выходе зажимы с напряжением \(U\). Ток \(I\) течет от ЭДС к выходу.
Уравнение: \( \dot{U} = \dot{E}_0 — \dot{I}(R_{ya} + jX_{ya}) \)
4.3. Характеристики генератора
Важнейшей эксплуатационной зависимостью является внешняя характеристика \(U = f(I_{ya})\).

Электрическая мощность трехфазного генератора определяется как:
Также существует зависимость электромагнитного момента от угла нагрузки \(\vartheta\). Максимальная мощность и устойчивая работа достигается при \(\vartheta = 90^\circ\), однако для надежности генераторы работают при углах \(\vartheta \approx 20^\circ-30^\circ\).
5. Особенности работы синхронного двигателя
5.1. Проблема пуска
В отличие от асинхронных двигателей, синхронный двигатель не имеет начального пускового момента.
Решение: В полюсные наконечники ротора встраивают дополнительную пусковую короткозамкнутую обмотку (успокоительную обмотку, или «беличью клетку»). Пуск происходит в асинхронном режиме. Когда скорость ротора приближается к синхронной (\( \approx 0.95 n_{sync} \)), в обмотку возбуждения подают постоянный ток, и двигатель «втягивается в синхронизм».
5.2. V-образные характеристики и компенсация реактивной мощности
Уникальная способность синхронного двигателя — регулирование реактивной мощности путем изменения тока возбуждения \(I_v\) (тока ротора).
Аналогична схеме генератора, но направление тока \(I_{ya}\) встречное (из сети в машину).
Уравнение: \( \dot{U} = \dot{E}_0 + \dot{I}(R_{ya} + jX_{ya}) \)
Зависимость тока статора \(I_{ya}\) от тока возбуждения \(I_2\) при постоянной нагрузке имеет вид латинской буквы V.
Ось Y — Ток статора \(I_{ya}\), Ось X — Ток возбуждения \(I_2\).
Минимум V-кривой соответствует \(\cos \phi = 1\).
Левая ветвь (недовозбуждение): индуктивный ток (\(Q_L\)).
Правая ветвь (перевозбуждение): емкостный ток (\(Q_C\)).
- Недовозбуждение (\(I_2 < I_{2nom}\)): Двигатель потребляет реактивную мощность из сети (ведет себя как катушка индуктивности).
- Перевозбуждение (\(I_2 > I_{2nom}\)): Двигатель отдает реактивную мощность в сеть (ведет себя как конденсатор).
Крупные синхронные двигатели специально эксплуатируют в режиме перевозбуждения для повышения общего \(\cos \phi\) предприятия, что снижает потери электроэнергии в подводящих линиях.
5.3. Механическая характеристика
Механическая характеристика \(n = f(M)\) абсолютно жесткая. Это прямая линия, параллельная оси моментов. Скорость постоянна пока момент нагрузки \(M\) не превысит максимальный момент \(M_{max}\), после чего происходит «выпадение из синхронизма» и аварийная остановка.

Момент двигателя определяется выражением:
6. Сравнение: Синхронный vs Асинхронный двигатель
| Характеристика | Синхронный двигатель | Асинхронный двигатель |
|---|---|---|
| Частота вращения | Строго постоянная (\(n = n_{sync}\)), не зависит от нагрузки | Зависит от нагрузки (есть скольжение \(s\)) |
| Коэффициент мощности (\(\cos \phi\)) | Регулируемый (может быть = 1 или опережающим) | Всегда отстающий (индуктивный), обычно 0.7-0.9 |
| Конструкция ротора | Сложная (обмотка, кольца, щетки или выпрямитель) | Простая (обычно короткозамкнутая «беличья клетка») |
| Реакция на провалы напряжения | Менее чувствителен (момент \(\sim U\)) | Очень чувствителен (момент \(\sim U^2\)) |
| Стоимость и обслуживание | Высокая стоимость, требует обслуживания узла возбуждения | Дешевый, неприхотливый, «рабочая лошадка» |
7. Преимущества и недостатки синхронных машин
Преимущества:
- Возможность генерации реактивной мощности и поддержания напряжения в сети.
- Абсолютное постоянство скорости вращения.
- Высокий КПД, достигающий у мощных машин 96–99%.
- Линейная зависимость перегрузочной способности от напряжения (у асинхронных — квадратичная, что хуже при просадках сети).
Недостатки:
- Сложность конструкции и более высокая цена.
- Необходимость источника постоянного тока для возбуждения.
- Сложный пуск двигателей.
- Риск нарушения синхронизма при резких ударах нагрузки (качания ротора).
8. Интересные факты о синхронных машинах
- Рекордная мощность: Самый мощный синхронный генератор в мире (около 1750 МВт) установлен на АЭС Тайшань (Китай). Его вес составляет сотни тонн.
- Феноменальный КПД: КПД крупных гидрогенераторов может достигать 99%. Это одни из самых эффективных преобразователей энергии, созданных человеком.
- Синхронный компенсатор: Синхронные двигатели могут использоваться без механической нагрузки вообще. В этом режиме они служат исключительно для генерации реактивной мощности и улучшения качества электроэнергии в сети.
- Водородное охлаждение: Из-за огромных токов обмотки мощных турбогенераторов охлаждают не воздухом, а водородом, так как он в 7 раз эффективнее отводит тепло и создает меньше трения о ротор.
- Ламповая синхронизация: Раньше для включения генератора в сеть использовали «темный» и «светлый» методы с помощью обычных лампочек. Их синхронное мигание подсказывало оператору идеальный момент для включения рубильника.
- Критичность балансировки: Ротор турбогенератора вращается со скоростью 3000 об/мин. Центробежные силы настолько велики, что даже миллиметровый дисбаланс может мгновенно разрушить всю станцию.
- Сердце электромобиля (PMSM): В современных электрокарах часто используются синхронные двигатели с постоянными магнитами, где вместо классической обмотки возбуждения на роторе установлены мощные неодимовые магниты.
9. FAQ: Часто задаваемые вопросы
1. Почему частота сети именно 50 (или 60) Гц?
2. Что произойдет, если синхронный двигатель перегрузить?
3. Зачем нужны щетки, если они изнашиваются?
4. Может ли синхронный генератор работать один, без сети?
5. Что такое «угол нагрузки» \(\vartheta\)?
Заключение
Синхронные машины являются безальтернативным источником энергии для промышленных масштабов и незаменимым приводом для мощных механизмов. Их способность не только преобразовывать энергию, но и регулировать реактивную мощность, делает их ключевым элементом устойчивости энергосистем. Понимание принципов их работы необходимо любому инженеру-электрику для грамотной эксплуатации современного оборудования.
Нормативная база и литература
- ГОСТ IEC 60034-1-2014 «Машины электрические вращающиеся. Часть 1. Номинальные значения и эксплуатационные характеристики». (Современный стандарт, гармонизированный с международным IEC).
- ГОСТ 183-74 «Машины электрические вращающиеся. Общие технические условия». (Базовый стандарт, действующий во многих странах СНГ).
- ГОСТ 533-2000 «Машины электрические вращающиеся. Турбогенераторы. Общие технические условия».
- ГОСТ 5616-89 «Генераторы и генераторы-двигатели электрические гидротурбинные. Общие технические условия».
Рекомендуемая литература:
- Вольдек А.И., Попов В.В. «Электрические машины. Машины переменного тока». — СПб.: Питер, 2010.
- Копылов И.П. «Электрические машины». — М.: Юрайт, 2018.
- Кацман М.М. «Электрические машины». — М.: Высшая школа, 2003.
