Содержание страницы
Любой источник электрической энергии (например, аккумулятор, генератор на электростанции или солнечная панель) предназначен для преобразования какого-либо вида энергии в электрическую. Однако в сложных электрических цепях источник не всегда отдает энергию в цепь. Он может работать в двух ключевых режимах: режиме генератора (отдача мощности) и режиме потребителя (поглощение мощности).
В этой статье мы подробно разберем, что представляет собой каждый из этих режимов, от чего он зависит и как рассчитать мощность источника. Понимание этих процессов является фундаментальным в теоретической электротехнике (ТОЭ).
Концепция электродвижущей силы (ЭДС) была введена в научный оборот в XIX веке благодаря работам Алессандро Вольта и Майкла Фарадея. Анализ баланса мощностей в цепях, который является основой для определения режима работы источника, был формализован Густавом Кирхгофом. Изучение этих режимов позволяет понять не только работу простых цепей, но и сложные процессы, например, зарядку аккумуляторов или работу электрогенераторов в сети.
Баланс мощностей в электрической цепи
В любой замкнутой электрической цепи, которая может содержать множество источников энергии и нагрузок (приемников), действует закон сохранения энергии. Этот закон можно выразить через баланс мощностей. Выражению баланса мощностей можно придать следующий вид:
$$ \sum P_{\text{ист j}} = \sum P_{\text{н j}} \quad (1) $$
Это уравнение утверждает, что суммарная мощность, отдаваемая всеми источниками, равна суммарной мощности, потребляемой всеми нагрузками (приемниками) в цепи.
Важно отметить, что мощность любого пассивного приемника энергии (резистора, лампы), т.е. мощность потребления, всегда положительна. Она зависит от квадрата тока, протекающего через него: \(P_{\text{н j}} = R_{\text{н j}} I_{\text{н j}}^2\). Эта величина будет положительной как при \(I > 0\), так и при \(I < 0\).
С мощностью источника ситуация иная. Мощность источника может быть:
- Положительной (\(P > 0\)): В этом случае источник отдает энергию в цепь. Говорят, что он работает в режиме генератора электрической энергии.
- Отрицательной (\(P < 0\)): В этом случае источник потребляет энергию из цепи, подобно нагрузке. Говорят, что он работает в режиме потребителя электрической энергии.
Режим работы источника ЭДС
Режим работы источника ЭДС (электродвижущей силы) зависит от согласованности направлений его ЭДС \(E_j\) и протекающего через него тока \(I_j\). В случае неидеальных источников, на режим также влияет значение их внутреннего сопротивления \(R_{\text{г j}}\).
Идеальные источники ЭДС
У идеального источника ЭДС внутреннее сопротивление равно нулю (\(R_{\text{г}} = 0\)). Его режим определяется исключительно взаимным направлением ЭДС и тока:
- Если направления ЭДС \(E_j\) и тока \(I_j\) совпадают, мощность \(P_j = E_j I_j\) положительна. Источник работает в режиме генератора.
- Если направления ЭДС \(E_j\) и тока \(I_j\) противоположны, ток «втекает» в положительный полюс источника. Мощность \(P_j = -E_j I_j\) отрицательна. Источник работает в режиме потребителя (например, аккумулятор в режиме зарядки).
Неидеальные источники ЭДС
У неидеального (реального) источника ЭДС есть внутреннее сопротивление \(R_{\text{г j}}\). Напряжение на его зажимах \(U_j\) равно \(U_j = E_j — R_{\text{г j}} I_j\) (при условии, что ток вытекает из положительного полюса). Мощность, отдаваемая во внешнюю цепь, равна:
$$ P_j = U_j I_j = (E_j — R_{\text{г j}} I_j) I_j $$
Здесь возможен интересный случай. Мощность \(P_j\) может стать отрицательной даже при совпадении направлений ЭДС и тока. Это происходит, если падение напряжения на внутреннем сопротивлении \(R_{\text{г j}} I_j\) становится больше, чем собственная ЭДС источника \(E_j\).
Если \(R_{\text{г j}} I_j > E_j\), то напряжение на зажимах \(U_j\) становится отрицательным (если смотреть по направлению ЭДС), и весь источник переходит в режим потребления, несмотря на совпадение направлений ЭДС и тока.
Пример 1: Последовательное соединение источников ЭДС
Определим мощности и режимы работы трех последовательно соединенных источников, показанных на схеме (рис. 1). В цепи действуют: два идеальных источника с ЭДС \(E_1 = 10 \text{ В}\) и \(E_2 = 9 \text{ В}\), и один неидеальный с ЭДС \(E_3 = 5 \text{ В}\). Ток в цепи \(I = 4 \text{ А}\).
Рассмотрим два случая для внутреннего сопротивления третьего источника: \(R_3 = 1 \text{ Ом}\) и \(R_3 = 2 \text{ Ом}\).

Описание: Показаны три источника ЭДС (E1, E2, E3) и внутреннее сопротивление R3, соединенные последовательно. Через них протекает ток I. Направления ЭДС E1 и E3 совпадают с направлением тока I, а направление E2 противоположно току I.
Расчет мощностей:
- Источник 1 (E1): Направления ЭДС \(E_1\) и тока \(I\) совпадают.\(P_1 = U_1 I = E_1 I = 10 \cdot 4 = 40 \text{ Вт}\).Мощность положительна (\(P_1 > 0\)), следовательно, он работает в режиме генератора.
- Источник 2 (E2): Направление ЭДС \(E_2\) противоположно направлению тока \(I\).\(P_2 = U_2 I = -E_2 I = -9 \cdot 4 = -36 \text{ Вт}\).Мощность отрицательна (\(P_2 < 0\)), следовательно, он работает в режиме потребителя.
- Источник 3 (E3) при \(R_3 = 1 \text{ Ом}\): Направления ЭДС \(E_3\) и тока \(I\) совпадают.\(P_3 = U_3 I = (E_3 — R_3 I) I = (5 — 1 \cdot 4) \cdot 4 = 1 \cdot 4 = 4 \text{ Вт}\).Мощность положительна (\(P_3 > 0\)), следовательно, он работает в режиме генератора.
- Источник 3 (E3) при \(R_3 = 2 \text{ Ом}\): Направления ЭДС \(E_3\) и тока \(I\) совпадают.\(P_3 = U_3 I = (E_3 — R_3 I) I = (5 — 2 \cdot 4) \cdot 4 = (5 — 8) \cdot 4 = -3 \cdot 4 = -12 \text{ Вт}\).Мощность отрицательна (\(P_3 < 0\)), следовательно, он работает в режиме потребителя. Это произошло потому, что падение напряжения на внутреннем сопротивлении (\(2 \cdot 4 = 8 \text{ В}\)) превысило ЭДС (\(5 \text{ В}\)).
Режим работы источника тока
Режим работы источника тока зависит от согласованности направлений его тока \(J_j\) и напряжения на его зажимах \(U_j\). В случае неидеальных источников, на режим также влияет значение их внутренней проводимости \(G_{\text{г j}}\).
Идеальные источники тока
У идеального источника тока внутренняя проводимость равна нулю (\(G_{\text{г}} = 0\)). Его режим определяется взаимным направлением тока \(J_j\) и напряжения \(U_j\):
- Если направления тока \(J_j\) и напряжения \(U_j\) противоположны (напряжение «противодействует» току), мощность \(P_j = U_j J_j\) положительна. Источник работает в режиме генератора.
- Если направления тока \(J_j\) и напряжения \(U_j\) совпадают, мощность \(P_j = -U_j J_j\) (или \(P_j = U_j (-J_j)\), как в примере) отрицательна. Источник работает в режиме потребителя.
Неидеальные источники тока
У неидеального источника тока есть внутренняя проводимость \(G_{\text{г j}}\) (величина, обратная внутреннему сопротивлению). Ток, отдаваемый во внешнюю цепь \(I_j\), равен \(I_j = J_j — G_{\text{г j}} U_j\). Мощность, отдаваемая во внешнюю цепь, равна:
$$ P_j = U_j I_j = U_j (J_j — G_{\text{г j}} U_j) $$
Мощность \(P_j\) может стать отрицательной даже при противоположности направлений тока источника \(J_j\) и напряжения \(U_j\). Это происходит, если ток, «теряемый» на внутренней проводимости (\(G_{\text{г j}} U_j\)), становится больше, чем собственный ток источника \(J_j\).
Если \(G_{\text{г j}} U_j > J_j\), то источник переходит в режим потребления.
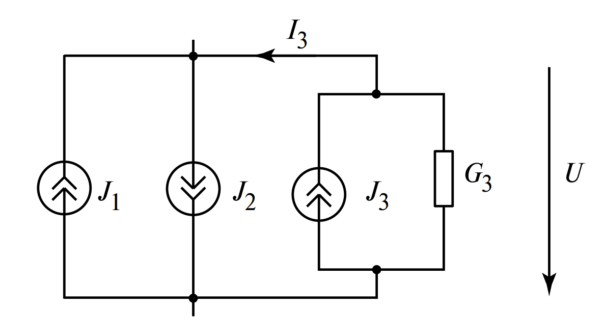
Пример 2: Параллельное соединение источников тока
Определим мощности и режимы работы трех параллельно соединенных источников (рис. 2). В цепи действуют: два идеальных источника тока с \(J_1 = 10 \text{ A}\) и \(J_2 = 9 \text{ A}\), и один неидеальный с \(J_3 = 5 \text{ A}\). Общее напряжение на их зажимах \(U = 4 \text{ B}\).
Рассмотрим два случая для внутренней проводимости третьего источника: \(G_3 = 1 \text{ См}\) (Сименс) и \(G_3 = 2 \text{ См}\).

Описание: Показаны три источника тока (J1, J2, J3), соединенные параллельно на общее напряжение U. J3 показан с внутренней проводимостью G3. Направления J1 и J3 совпадают (вверх), а J2 направлен в противоположную сторону (вниз).
Расчет мощностей:
- Источник 1 (J1): Направление тока \(J_1\) противоположно направлению напряжения \(U\) (если считать U «противодействующим»).\(P_1 = U I_1 = U J_1 = 4 \cdot 10 = 40 \text{ Вт}\).Мощность положительна (\(P_1 > 0\)), следовательно, он работает в режиме генератора.
- Источник 2 (J2): Направление тока \(J_2\) совпадает с направлением \(U\).\(P_2 = U I_2 = U (-J_2) = 4 \cdot (-9) = -36 \text{ Вт}\).Мощность отрицательна (\(P_2 < 0\)), следовательно, он работает в режиме потребителя.
- Источник 3 (J3) при \(G_3 = 1 \text{ См}\): Направление тока \(J_3\) противоположно \(U\).\(P_3 = U I_3 = U (J_3 — G_3 U) = 4 \cdot (5 — 1 \cdot 4) = 4 \cdot 1 = 4 \text{ Вт}\).Мощность положительна (\(P_3 > 0\)), следовательно, он работает в режиме генератора.
- Источник 3 (J3) при \(G_3 = 2 \text{ См}\): Направление тока \(J_3\) противоположно \(U\).\(P_3 = U I_3 = U (J_3 — G_3 U) = 4 \cdot (5 — 2 \cdot 4) = 4 \cdot (5 — 8) = 4 \cdot (-3) = -12 \text{ Вт}\).Мощность отрицательна (\(P_3 < 0\)), следовательно, он работает в режиме потребителя. Это произошло потому, что ток «потери» через внутреннюю проводимость (\(2 \cdot 4 = 8 \text{ А}\)) превысил собственный ток источника (\(5 \text{ А}\)).
Сравнение режимов работы источников
Для наглядности сведем условия работы источников в таблицу.
| Параметр | Режим ГЕНЕРАТОРА (Отдает энергию) | Режим ПОТРЕБИТЕЛЯ (Поглощает энергию) |
|---|---|---|
| Основная функция | Преобразует неэлектрическую энергию в электрическую. | Преобразует электрическую энергию в другой вид (часто в тепло или химическую). |
| Знак мощности (P) | Положительный (\(P > 0\)) | Отрицательный (\(P < 0\)) |
| Источник ЭДС (Идеальный) | Направления ЭДС \(E\) и тока \(I\) совпадают. | Направления ЭДС \(E\) и тока \(I\) противоположны. |
| Источник Тока (Идеальный) | Направления тока \(J\) и напряжения \(U\) противоположны. | Направления тока \(J\) и напряжения \(U\) совпадают. |
| Источник ЭДС (Неидеальный) | \(P = (E — R_г I)I > 0\). Требуется \(E > R_г I\). | \(P = (E — R_г I)I < 0\). Выполняется, если \(E < R_г I\). |
| Источник Тока (Неидеальный) | \(P = U(J — G_г U) > 0\). Требуется \(J > G_г U\). | \(P = U(J — G_г U) < 0\). Выполняется, если \(J < G_г U\). |
Активные и пассивные элементы цепи
То обстоятельство, что источник (генератор) электрической энергии может временно работать в режиме ее потребителя, не должно маскировать его физическую природу. Ключевое отличие источника от пассивного элемента (как резистор) — наличие в нем сторонних сил, т.е. сил неэлектрической природы (химических, механических, тепловых), способных преобразовывать энергию.
Поэтому в теории электрических цепей принято особое деление:
- Активные элементы (или участки цепи): Это элементы, содержащие источники ЭДС или тока. Они могут быть источником энергии.
- Пассивные элементы (или участки цепи): Это элементы, не содержащие источников (например, резисторы, конденсаторы, катушки индуктивности). Они могут только потреблять или накапливать (и затем отдавать) энергию, но не генерировать ее из неэлектрических форм.
Примечание: Режим потребителя для источника — это не теоретическая абстракция, а важный рабочий процесс. Самый яркий пример — зарядка аккумулятора. Автомобильный аккумулятор или батарея смартфона — это химический источник ЭДС.
- При разрядке (работа на нагрузку): Он работает в режиме генератора, ЭДС и ток совпадают (ток «вытекает» из «+»).
- При зарядке: К нему подключают внешний, более мощный источник (зарядное устройство). Этот источник «загоняет» ток обратно в аккумулятор, против его ЭДС. Аккумулятор работает в режиме потребителя (\(P < 0\)), накапливая электрическую энергию и преобразуя ее обратно в химическую.
Интересные факты о режимах работы источников
- Обратимость генераторов: Большинство электрических машин обратимы. Электродвигатель (потребитель) может работать как генератор (например, при торможении в электромобилях — рекуперация) и наоборот.
- «Холостой ход» и «Короткое замыкание»: Это два предельных режима. На холостом ходу (\(I=0\)) источник не отдает мощность. При коротком замыкании (\(U=0\)) вся мощность неидеального источника рассеивается на его внутреннем сопротивлении.
- Синхронные компенсаторы: В больших энергосистемах синхронные генераторы могут целенаправленно переводить в режим потребителя (без отдачи активной мощности), чтобы они генерировали или потребляли реактивную мощность для стабилизации напряжения в сети.
- КПД источника: КПД (\(\eta\)) источника ЭДС в режиме генератора равен \(\eta = U/E = (E — R_г I) / E\). Он максимален при \(I \to 0\) (холостой ход) и равен 50% в режиме максимальной отдачи мощности.
- Закон Ома для полной цепи: Формула \(I = E / (R_{\text{внеш}} + R_г)\) по сути и описывает баланс. Умножив все на \(I\), получим \(E I = I^2 R_{\text{внеш}} + I^2 R_г\), что означает: полная мощность генератора (\(EI\)) равна сумме полезной мощности (\(P_{\text{внеш}}\)) и потерь на внутреннем сопротивлении (\(P_г\)).
Часто задаваемые вопросы (FAQ)
Это элемент электрической цепи, содержащий источник ЭДС или тока. Его ключевая особенность — наличие сторонних (неэлектрических) сил, способных преобразовывать другие виды энергии в электрическую. Даже если такой элемент временно поглощает энергию (работает как потребитель), он все равно считается активным из-за своей физической природы.
Да. Если это перезаряжаемая батарея (аккумулятор), то режим потребителя — это ее штатный режим зарядки. Если это обычная (неперезаряжаемая) батарейка, ее принудительная работа в режиме потребителя (например, если в цепи есть более мощный источник) приведет к ее быстрому выходу из строя, нагреву и, возможно, разрушению, так как она не рассчитана на обращение химических процессов.
В этой схеме (рис. 1) направления ЭДС \(E_1\) и \(E_3\) «помогают» друг другу, а \(E_2\) направлена им «навстречу». Так как суммарная ЭДС (\(E_1 + E_3\)) больше, чем \(E_2\), она определила общее направление тока \(I\) в цепи. Для источника \(E_2\) этот ток \(I\) оказался направлен против его собственной ЭДС, что автоматически перевело его в режим потребителя.
Знак «минус» у мощности источника — это условное обозначение, показывающее, что энергия не отдается, а поглощается. В данном случае, источник \(E_2\) (или \(J_2\)) поглощает из электрической цепи 36 Джоулей энергии в секунду (36 Ватт) и преобразует их в другую форму (например, в тепло на своем внутреннем сопротивлении или в химическую энергию при зарядке).
Режим работы конкретного источника зависит не только от его собственных параметров (ЭДС и внутреннего сопротивления), но и от параметров всей остальной цепи — от других источников, их мощности и направления, а также от общего сопротивления нагрузки. Источник, бывший генератором, может стать потребителем, если в цепи появится другой, более «сильный» источник.
Заключение
Понимание того, что источник электрической энергии не всегда является генератором, — ключевой момент в изучении теории цепей. Режим работы (генератор или потребитель) является динамической характеристикой и определяется балансом ЭДС, токов и сопротивлений во всей электрической цепи.
Главный вывод заключается в том, что физическая природа элемента (активный он или пассивный) первична. Активный элемент, обладающий сторонними силами, сохраняет этот статус, даже когда внешние условия цепи заставляют его временно переходить в режим потребления энергии.
Нормативная база
Приведенные в статье термины и определения соответствуют действующим стандартам:
- ГОСТ Р 52002-2003. Электротехника. Термины и определения основных понятий. (Данный стандарт устанавливает основные термины в области электротехники).
Рекомендуемая литература
- Бессонов Л.А. Теоретические основы электротехники (ТОЭ). Электрические цепи. — М.: Гадарика, 2002. — 638 с.
- Зевеке Г.В., Ионкин П.А., Нетушил А.В., Страхов С.В. Основы теории цепей. — М.: Энергоатомиздат, 1989. — 528 с.
- Bird, John. Electrical Circuit Theory and Technology. — 7th ed. — Routledge, 2019. — 806 p.
