Содержание страницы
Что это и зачем нужно? Данный материал описывает фундаментальный подход к расчету электрических цепей переменного тока (AC), имеющих сложную конфигурацию (топологию). Метод основан на переходе от дифференциальных уравнений во временной области к алгебраическим уравнениям в комплексной области.
1. Теоретические основы расчета сложных цепей
В общем случае электрическая цепь характеризуется сложной топологией. Это означает, что она может содержать произвольное количество активных (источники ЭДС и тока) и пассивных (резисторы, катушки, конденсаторы) элементов. Эти элементы располагаются в различных ветвях и включаются между различными узлами схемы.
Для описания структуры цепи используются следующие параметры:
- \( b \) — число ветвей (исключая ветви, содержащие только идеальные источники тока).
- \( y \) — число узлов.
Эти параметры определяют количество независимых контуров и, соответственно, количество уравнений состояния цепи, которые необходимо составить по первому и второму законам Кирхгофа. Для решения задачи используются методы контурных токов, узловых потенциалов и другие классические методы.
По первому закону Кирхгофа (и для метода узловых потенциалов):
\[ k_I = y — 1 \]
По второму закону Кирхгофа (и для метода контурных токов):
\[ k_{II} = b — k_I = b — y + 1 \]
Принципы расчета базируются на тех же алгоритмах, что и для цепей постоянного тока (рассмотренных в классической теории), однако ключевым отличием является использование комплексной формы. Токи, напряжения, ЭДС и сопротивления входят в уравнения как комплексные числа (фазоры).
Представьте цепь постоянного тока как систему труб, где вода течет с постоянной скоростью. Цепь синусоидального тока — это море, где вода колеблется (волны). Считать волны во времени сложно (нужно учитывать каждую секунду). Комплексный метод «замораживает» волну, позволяя нам оперировать только её высотой (амплитудой) и сдвигом относительно других волн (фазой), как если бы это были постоянные величины.
1.1. Подготовка данных для расчета
Рассмотрим алгоритм. Обычно задача анализа сводится к нахождению токов в ветвях по известным параметрам элементов. После нахождения токов можно вычислить напряжения между любыми точками.
Предположим, для цепи заданы мгновенные значения ЭДС и тока источника:
\[ e_2(t) = E_{2m} \sin (\omega t + \psi_2) \]
\[ e_3(t) = E_{3m} \sin (\omega t + \psi_3) \]
\[ J(t) = J_m \sin (\omega t + \psi) \]
Для применения символического (комплексного) метода необходимо перевести эти данные в комплексную форму (действующие значения):
\[ \underline{E}_1 = \frac{E_{1m}}{\sqrt{2}} \angle \psi_1; \quad \underline{E}_2 = \frac{E_{2m}}{\sqrt{2}} \angle \psi_2; \quad \underline{E}_3 = \frac{E_{3m}}{\sqrt{2}} \angle \psi_3 \]
\[ \underline{J} = \frac{J_m}{\sqrt{2}} \angle \psi \]
Комплексные сопротивления (импедансы) ветвей рассчитываются следующим образом (согласно рис. 1):
\[ \underline{Z}_2 = j\omega L_2 \]
\[ \underline{Z}_3 = (R_3′ + R_3») + j\omega (L_3′ + L_3») \]
\[ \underline{Z}_4 = R_4 + j\omega L_4 \]
\[ \underline{Z}_5 = R_5 \]
\[ \underline{Z}_6 = — \frac{j}{\omega C_6} \]

1.2. Составление системы уравнений
Для записи уравнений необходимо произвольно выбрать условно-положительные направления токов в ветвях. В рассматриваемом примере (рис. 1) имеется \( b = 6 \) ветвей с неизвестными токами и \( y = 4 \) узла.
1. Уравнения по первому закону Кирхгофа:
Количество уравнений \( k_I = 4 — 1 = 3 \). Составляем их для всех узлов, кроме базисного (например, узла \( d \)).
- Для узла \( a \): \( -\underline{I}_1 + \underline{I}_3 + \underline{I}_4 = 0 \)
- Для узла \( b \): \( -\underline{I}_4 — \underline{I}_5 — \underline{I}_6 = \underline{J} \) (входящий ток источника)
- Для узла \( c \): \( \underline{I}_5 — \underline{I}_3 — \underline{I}_2 = 0 \)
2. Уравнения по второму закону Кирхгофа:
Количество уравнений \( k_{II} = 6 — 4 + 1 = 3 \). Выбираем независимые контуры и направления их обхода:
- Контур \( a-b-d-a \): \( \underline{Z}_4 \underline{I}_4 + \underline{Z}_6 \underline{I}_6 + \underline{Z}_1 \underline{I}_1 = \underline{E}_1 \)
- Контур \( b-c-d-b \): \( -\underline{Z}_5 \underline{I}_5 — \underline{Z}_2 \underline{I}_2 — \underline{Z}_6 \underline{I}_6 = \underline{E}_2 \)
- Контур \( a-c-b-a \): \( \underline{Z}_3 \underline{I}_3 — \underline{Z}_5 \underline{I}_5 + \underline{Z}_4 \underline{I}_4 = \underline{E}_3 \)
Совместное решение полученной системы из шести уравнений позволяет найти шесть неизвестных токов (\( \underline{I}_1 \dots \underline{I}_6 \)).
2. Практический пример расчета
Рассмотрим конкретную задачу для закрепления материала.
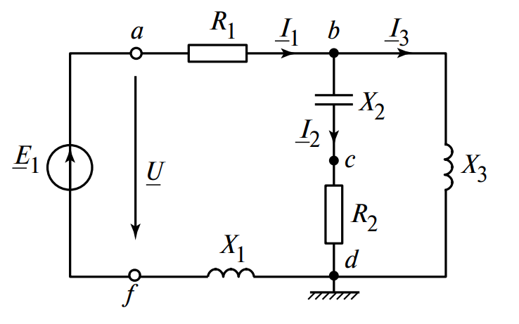
Дано:
Ток в третьей ветви \( \underline{I}_3 = 5 \angle 0^\circ \) А.
Параметры элементов: \( R_1 = X_1 = X_3 = 10 \) Ом, \( R_2 = 6 \) Ом, \( X_2 = -8 \) Ом (емкостное).
Схема соответствует рис. 2.
Задача: Построить векторную диаграмму и вычислить приложенное напряжение.

Решение
Расчет выполняется последовательно, переходя от известных величин к неизвестным (метод раскручивания схемы с конца или пошаговый расчет потенциалов):
1. Примем потенциал узла \( d \) равным нулю: \( \underline{\phi}_d = 0 \).
2. Напряжение \( \underline{U}_{bd} \) (падение напряжения на индуктивности \( X_3 \)):
\[ \underline{U}_{bd} = j X_3 \cdot \underline{I}_3 = j10 \cdot 5 = j50 \text{ В} \]
3. Ток \( \underline{I}_2 \) в ветви с \( R_2 \) и \( X_2 \). Так как ветвь параллельна напряжению \( \underline{U}_{bd} \):
\[ \underline{I}_2 = \frac{\underline{U}_{bd}}{R_2 + j X_2} = \frac{j50}{6 — j8} \]
Умножим числитель и знаменатель на сопряженное или переведем в показательную форму (\( 6-j8 = 10 \angle -53^\circ \)):
\[ \underline{I}_2 = \frac{50 \angle 90^\circ}{10 \angle -53^\circ} = 5 \angle 143^\circ \text{ А} \]
4. Напряжение \( \underline{U}_{cd} \) (на резисторе \( R_2 \)):
\[ \underline{U}_{cd} = R_2 \cdot \underline{I}_2 = 6 \cdot (5 \angle 143^\circ) = 30 \angle 143^\circ \text{ В} \]
5. Напряжение \( \underline{U}_{bc} \) (на емкости \( X_2 \)):
\[ \underline{U}_{bc} = j X_2 \cdot \underline{I}_2 = (-j8) \cdot (5 \angle 143^\circ) = (8 \angle -90^\circ) \cdot (5 \angle 143^\circ) = 40 \angle 53^\circ \text{ В} \]
6. Ток \( \underline{I}_1 \) (общий ток). По первому закону Кирхгофа для узла, где сходятся токи (предположительно \( I_1 = I_2 + I_3 \)):
\[ \underline{I}_1 = 5 \angle 143^\circ + 5 \angle 0^\circ = (-4 + j3) + 5 = 1 + j3 \]
В показательной форме:
\[ \underline{I}_1 = \sqrt{1^2 + 3^2} \angle \arctan(3/1) \approx 3,2 \angle 71,5^\circ \text{ А} \]
7. Напряжение на активном сопротивлении первой ветви \( \underline{U}_{R1} \):
\[ \underline{U}_{R1} = R_1 \cdot \underline{I}_1 = 10 \cdot 3,2 \angle 71,5^\circ = 32 \angle 71,5^\circ \text{ В} \]
8. Напряжение на реактивном сопротивлении первой ветви \( \underline{U}_{X1} \):
\[ \underline{U}_{X1} = j X_1 \cdot \underline{I}_1 = (10 \angle 90^\circ) \cdot (3,2 \angle 71,5^\circ) = 32 \angle 161,5^\circ \text{ В} \]
9. Общее приложенное напряжение \( \underline{U} \) (или ЭДС \( \underline{E}_1 \)):
\[ \underline{U} = \underline{U}_{R1} + \underline{U}_{X1} + \underline{U}_{bd} \]
Суммируя векторы (примерное значение из условия):
\[ \underline{U} = -20 + j90 \approx 93 \angle 102^\circ \text{ В} \]

3. Сравнение методов расчета
Для более глубокого понимания сравним классический расчет во временной области с комплексным методом.
| Критерий | Временная область (Мгновенные значения) | Комплексная область (Символический метод) |
|---|---|---|
| Математический аппарат | Дифференциальные и интегральные уравнения | Алгебраические уравнения с комплексными числами |
| Переменные | Функции времени \( i(t), u(t) \) | Комплексные амплитуды или действующие значения \( \underline{I}, \underline{U} \) |
| Сложность вычислений | Высокая (особенно для разветвленных цепей) | Средняя (сводится к операциям над матрицами или векторами) |
| Наглядность | Графики синусоид (осциллограммы) | Векторные диаграммы на комплексной плоскости |
4. Преимущества и недостатки символического метода
- Упрощение математики: Замена интегро-дифференциальных операций алгебраическими (умножение, деление, сложение).
- Универсальность: Законы Ома и Кирхгофа записываются аналогично цепям постоянного тока.
- Геометрическая интерпретация: Возможность построения векторных диаграмм для визуальной проверки правильности решения.
- Ограничение по форме сигнала: Метод применим строго для синусоидальных токов одной частоты (для несинусоидальных требуется разложение в ряд Фурье).
- Потеря физики процесса во времени: Результат не показывает переходные процессы, только установившийся режим.
5. Интересные факты о расчетах цепей
- Символ j: Математики используют \( i \) для мнимой единицы, но электротехники используют \( j \), так как \( i \) уже занято для обозначения тока.
- Вклад Эйлера: Формула Эйлера \( e^{jx} = \cos x + j \sin x \) — это «мост», соединяющий тригонометрию и комплексные числа, на котором держится вся теория цепей переменного тока.
- Фазоры в энергетике: В современных энергосистемах используются устройства PMU (Phasor Measurement Units), которые измеряют комплексные фазоры напряжения и тока в реальном времени с точностью до микросекунд для предотвращения аварий.
- Стандарт частоты: Расчеты импедансов \( Z_L = j\omega L \) и \( Z_C = 1/j\omega C \) напрямую зависят от частоты сети (50 Гц в СНГ/Европе или 60 Гц в США). При изменении частоты баланс цепи рушится.
- Мощность — тоже комплексное число: Полная мощность \( S \) выражается как \( P + jQ \), где \( P \) — это полезная работа, а \( Q \) — энергия, бесполезно циркулирующая между источником и полями L и C.
- Резонанс: Если в расчете мнимая часть общего сопротивления равна нулю, наступает резонанс. В этот момент напряжения на элементах могут в десятки раз превышать напряжение источника.
- Матрицы: При большом количестве узлов (сотни и тысячи) для расчета используют матричный метод узловых потенциалов, который легко программируется на компьютере.
6. FAQ: Часто задаваемые вопросы
1. Можно ли использовать этот метод для токов разной частоты?
2. Что такое «базисный узел» и как его выбрать?
3. В чем разница между \( Z \) и \( R \)?
4. Почему в формуле для \( Z_C \) стоит минус?
5. Что делать, если в ответе получился отрицательный угол, например \( 5 \angle -30^\circ \)?
Заключение
Символический метод расчета цепей синусоидального тока является мощнейшим инструментом электротехники. Позволяя свести сложные дифференциальные задачи к алгебре комплексных чисел, он делает доступным анализ даже самых разветвленных электрических сетей. Понимание этого метода — ключевой навык для любого студента-энергетика или инженера, так как он лежит в основе проектирования всех современных систем электроснабжения.
Нормативная база
При оформлении технической документации и расчетов необходимо руководствоваться следующими стандартами:
- ГОСТ Р 52002-2003 «Электротехника. Термины и определения основных понятий». Устанавливает корректную терминологию (активная, реактивная мощность, импеданс и т.д.).
- ГОСТ 2.702-2011 «Единая система конструкторской документации (ЕСКД). Правила выполнения электрических схем». Регламентирует графические обозначения элементов на рисунках 1 и 2.
- ГОСТ 1494-77 «Электротехника. Буквенные обозначения основных величин». Определяет использование символов \( I, U, Z, R, X \).
Список литературы
- Бессонов Л.А. Теоретические основы электротехники. Электрические цепи. — М.: Юрайт, 2016.
- Нейман Л.Р., Демирчян К.С. Теоретические основы электротехники. — СПб.: Питер, 2003.
- Зевеке Г.В., Ионкин П.А. Основы теории цепей. — М.: Энергия, 1975.
