Содержание страницы
В данной статье мы разберем, как рассчитывается мощность в такой системе, как её правильно измерять (методы одного, двух и трех ваттметров) и зачем нужна компенсация реактивной мощности.
1. Теоретические основы мощности трехфазной системы
Для понимания процессов в энергетике важно начинать с мгновенных значений. Мгновенная мощность всей трехфазной системы определяется как сумма мгновенных мощностей каждой из фаз:
Однако на практике нас чаще интересует средняя мощность за период \( T \). Активная мощность определяется интегрированием:
\( P = \frac{1}{T} \int_0^T p \, dt = \frac{1}{T} \int_0^T p_A \, dt + \frac{1}{T} \int_0^T p_B \, dt + \frac{1}{T} \int_0^T p_C \, dt \)
В итоге формула принимает вид:
\( P = U_A I_A \cos \phi_A + U_B I_B \cos \phi_B + U_C I_C \cos \phi_C \)
При симметричной нагрузке (когда сопротивления всех фаз приемника одинаковы) мгновенная мощность трехфазной системы является постоянной величиной и не зависит от времени. Это уникальное свойство называется уравновешенностью системы. Для такой системы полная активная мощность равна утроенной мощности одной фазы:
Где:
- \( U_m, I_m \) — амплитудные значения;
- \( U_{\text{ф}}, I_{\text{ф}} \) — действующие значения фазных напряжения и тока;
- \( \phi \) — угол сдвига фаз (коэффициент мощности).
Выражение через линейные величины
На практике измерить фазные величины не всегда удобно (особенно при схеме «треугольник»), поэтому чаще используют линейные напряжения \( U_{\text{л}} \) и токи \( I_{\text{л}} \). Для симметричной системы справедливо соотношение:
Эта формула универсальна для уравновешенных систем, независимо от схемы соединения (звезда или треугольник).
Аналогично определяются реактивная (\( Q \)) и полная (\( S \)) мощности:
\( Q = \sqrt{3} U_{\text{л}} I_{\text{л}} \sin \phi \)
\( S = \sqrt{3} U_{\text{л}} I_{\text{л}} \)
Представьте кружку пива.
- Активная мощность (P) — это само пиво, то, что утоляет жажду (полезная работа).
- Реактивная мощность (Q) — это пена. Она занимает объем кружки, но не «работает» (бесполезна для пользователя, но неизбежна при наливании).
- Полная мощность (S) — это весь объем кружки (пиво + пена), за который приходится платить.
Коэффициент мощности \( \cos \phi = P/S \) показывает, сколько «настоящего пива» в вашей кружке.
2. Методы измерения мощности (Схемы подключения)
2.1. Метод одного ваттметра
Применяется только в симметричных цепях. Суть метода проста: измеряем мощность одной фазы и умножаем результат на 3.

Рис. 1. Схема измерения мощности в трехфазной цепи одним ваттметром: а — нулевая точка доступна; б — нулевая точка не доступна
Если нулевой провод доступен (схема «звезда с нейтралью»), токовая обмотка ваттметра включается последовательно в фазу, а обмотка напряжения — между фазой и нулем (Рис. 1, а). Если ноль недоступен, создается искусственная нейтраль (Рис. 1, б).
2.2. Метод двух ваттметров (Схема Арона)
Используется в трехпроводных цепях (без нейтрального провода) как при симметричной, так и при несимметричной нагрузке. Это наиболее распространенный метод в промышленности для сетей с изолированной нейтралью.

Рис. 2. Схема измерения мощности в трехпроводной цепи (метод двух ваттметров)
Полная активная мощность всей системы равна алгебраической сумме показаний двух приборов:
Для симметричной нагрузки разность показаний позволяет найти реактивную мощность:
2.3. Метод трех ваттметров
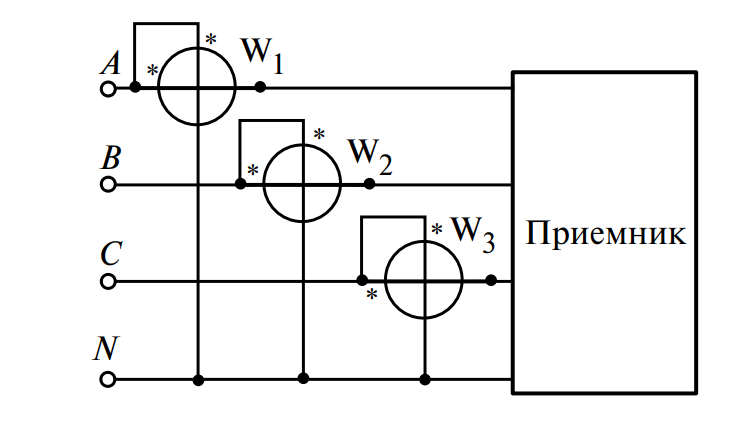
Применяется в четырехпроводных цепях (с нейтралью) при несимметричной нагрузке (например, освещение зданий, где нагрузка по фазам распределена неравномерно).

Рис. 3. Схема измерения мощности в четырехпроводной цепи
Мощность системы равна сумме показаний трех приборов:
Сравнение методов измерения
| Метод | Кол-во проводов | Тип нагрузки | Особенности |
|---|---|---|---|
| 1 Ваттметр | 3 или 4 | Только симметричная | Требует умножения результата на 3. Самый дешевый метод. |
| 2 Ваттметра | 3 (без N) | Любая | Позволяет вычислить \( P \) и \( Q \). Не подходит для цепей с нейтральным током. |
| 3 Ваттметра | 4 (с N) | Любая | Самый точный метод для бытовых сетей с перекосом фаз. |
3. Современный учет энергии (АСКУЭ)
В современной энергетике стрелочные ваттметры заменяются на электронные многофункциональные счетчики. Они представляют собой «умные» устройства на базе микропроцессоров, которые:
- Измеряют P, Q, S, \( \cos \phi \), частоту, гармоники.
- Передают данные дистанционно (системы АСКУЭ).
- Фиксируют профиль мощности по времени.
4. Практический пример расчета
Рассмотрим задачу из практики. Дано: Схема «четырехпроводная звезда» (как на Рис. 3).
Линейное напряжение \( U_{\text{л}} = 380 \) В.
Нагрузка симметричная, сопротивление фазы \( Z = 8 + j6 \) Ом.
Задача: Определить показания ваттметров и общую мощность.
Решение:
1. Найдем фазное напряжение (напряжение на нагрузке):
В комплексной форме примем напряжение фазы А за базовое:
\( \underline{U}_A = 220 \angle 0^\circ \text{ В} \)
\( \underline{U}_B = 220 \angle -120^\circ \text{ В} \)
\( \underline{U}_C = 220 \angle 120^\circ \text{ В} \)
2. Рассчитаем полное сопротивление и угол сдвига фаз:
Модуль сопротивления: \( |Z| = \sqrt{8^2 + 6^2} = \sqrt{64 + 36} = 10 \text{ Ом} \)
Угол сдвига: \( \phi = \arctan(\frac{6}{8}) \approx 36.86^\circ \)
3. Найдем фазные токи (по закону Ома):
\( I_{\text{ф}} = \frac{U_{\text{ф}}}{|Z|} = \frac{220}{10} = 22 \text{ А} \)
В комплексной форме ток отстает от напряжения на угол \( 36.86^\circ \) (нагрузка индуктивная):
\( \underline{I}_A = 22 \angle -36.86^\circ \text{ А} \)
4. Вычислим показание одного ваттметра (для фазы А):
\( P_{W1} = U_A I_A \cos \phi = 220 \cdot 22 \cdot \cos(36.86^\circ) \)
\( \cos(36.86^\circ) = 0.8 \)
\( P_{W1} = 220 \cdot 22 \cdot 0.8 = 3872 \text{ Вт} \)
Так как нагрузка симметрична, показания всех ваттметров равны:
\( P_{W1} = P_{W2} = P_{W3} = 3872 \text{ Вт} \).
Общая мощность системы:
5. Компенсация реактивной мощности
В промышленных сетях основные потребители (электродвигатели, трансформаторы) являются индуктивной нагрузкой. Они потребляют реактивную мощность \( Q_L \) для создания магнитных полей. Это загружает линии электропередач «бесполезным» током, вызывая нагрев проводов и потери напряжения.
Чтобы разгрузить сеть, применяют компенсацию реактивной мощности (КРМ). Для этого параллельно нагрузке подключают конденсаторные батареи (источники реактивной энергии \( Q_C \)).

Рис. 4. Схема подключения конденсаторной установки (треугольником)
Обычно конденсаторы соединяют в треугольник, так как при этом емкость конденсаторов требуется в 3 раза меньше, чем при соединении звездой, для получения той же реактивной мощности.
Мощность батареи конденсаторов рассчитывается по формуле:
Преимущества компенсации:
- Снижение потерь энергии в проводах.
- Возможность подключения дополнительной нагрузки без замены трансформатора.
- Уменьшение падения напряжения в линии.
- Экономия на счетах за электроэнергию.
Недостатки и риски:
- Стоимость оборудования (конденсаторные установки).
- Риск «перекомпенсации» (повышение напряжения в сети ночью, когда нагрузка падает).
- Необходимость обслуживания.
6. Интересные факты о трехфазных сетях
- ЭКОНОМИЯ МЕДИ: Трехфазная система позволяет сэкономить до 25% металла проводов по сравнению с однофазной при передаче той же мощности.
- ВРАЩЕНИЕ: Главное преимущество трех фаз — легкое создание вращающегося магнитного поля, что делает трехфазные двигатели простыми и надежными (без щеток и коллекторов).
- НИАГАРА: Первая крупная ГЭС на Ниагарском водопаде (1896) использовала двухфазную систему Теслы, но мир в итоге перешел на трехфазную систему Доливо-Добровольского.
- ЧАСТОТА: В самолетах часто используется частота 400 Гц (а не 50/60 Гц), чтобы уменьшить габариты и вес трансформаторов и генераторов.
- ЦВЕТА: В России фазы маркируются Ж-З-К (Желтый, Зеленый, Красный), а в Европе — L1, L2, L3 (Коричневый, Черный, Серый).
- 4 ПРОВОДА: Нейтральный провод в трехфазной сети может быть тоньше фазных, так как в симметричном режиме ток в нем близок к нулю.
- МОЛЧАНИЕ: Мгновенная мощность трехфазной симметричной системы постоянна. Это значит, что вал генератора или двигателя испытывает постоянный момент вращения, без вибраций («гула»), характерных для однофазных машин.
7. Часто задаваемые вопросы (FAQ)
1. Что произойдет, если в четырехпроводной сети с несимметричной нагрузкой оборвется ноль?
2. Почему косинус фи (cos φ) должен быть высоким?
3. В чем разница между заземлением и занулением в контексте измерений?
4. Можно ли использовать два ваттметра в четырехпроводной сети?
5. Что такое «Вар» и «ВА»?
Заключение
Понимание природы мощности в трехфазных цепях — это фундамент для любого инженера-энергетика. Мы рассмотрели, что мгновенная мощность сбалансированной системы постоянна, что делает трехфазные машины эффективными и долговечными. Правильный выбор метода измерения (1, 2 или 3 прибора) зависит от топологии сети и характера нагрузки, а грамотная компенсация реактивной мощности позволяет существенно повысить экономичность электроустановок.
Нормативная база и литература
- ГОСТ 32144-2013 — Нормы качества электрической энергии в системах электроснабжения.
- ГОСТ IEC 61000-4-30-2017 — Методы измерений качества электроэнергии.
- ПУЭ (Правила устройства электроустановок) — Глава 1.5 «Учет электроэнергии».
