Содержание страницы
- Теоретические основы метода
- Алгоритм расчета цепи методом эквивалентного генератора
- Экспериментальное определение параметров
- Сравнение методов эквивалентного генератора напряжения и тока
- Преимущества и ограничения метода
- Примеры расчетов
- Интересные факты о методе эквивалентного генератора
- Часто задаваемые вопросы (FAQ)
- Заключение
Метод эквивалентного генератора (МЭГ) является одним из фундаментальных методов расчета сложных линейных электрических цепей. В отечественной и зарубежной технической литературе он также известен как теорема Тевенена (Thévenin’s theorem), а в варианте с источником тока — как теорема Нортона. Данный метод позволяет существенно упростить анализ цепи, когда необходимо определить ток или напряжение только в одной ее ветви, заменяя остальную, сколь угодно сложную часть схемы, простейшим эквивалентом.
Теоретические основы метода
Любую часть сложной электрической схемы, имеющую два выделенных зажима (полюса) для подключения к остальной части цепи, называют двухполюсником. Согласно ГОСТ Р 52002-2003, двухполюсники подразделяются на:
- Активные (АД): содержат внутри себя источники электрической энергии (ЭДС или тока).
- Пассивные (ПД): не содержат источников энергии, либо действие всех источников взаимно скомпенсировано.
Суть метода заключается в следующем: по отношению к любой выделенной ветви вся остальная активная часть схемы может быть заменена эквивалентным реальным источником напряжения (генератором). Этот эквивалентный генератор характеризуется двумя основными параметрами:
- ЭДС эквивалентного генератора (\(E_э\)) — равна напряжению холостого хода (\(U_{xx}\)) на разомкнутых зажимах активного двухполюсника.
- Внутреннее сопротивление (\(R_э\)) — равно входному сопротивлению пассивного двухполюсника со стороны этих зажимов при условии, что все независимые источники внутри двухполюсника выключены (источники ЭДС закорочены, источники тока разомкнуты).

Рисунок 1. Двухполюсники: а — активный; б — с нагрузкой; в — преобразование к эквивалентному генератору
На рисунке 1 показан принцип эквивалентирования. Активный двухполюсник (рис. 1а) при подключении нагрузки (рис. 1б) заменяется простой последовательной цепью (рис. 1в), состоящей из \(E_э\) и \(R_э\).
Математическое обоснование
Рассмотрим схему (рис. 1б), где к активному двухполюснику присоединена ветвь с сопротивлением \(R\), и в ней протекает искомый ток \(I\). Согласно принципу компенсации, мы можем включить в эту ветвь две идеальные ЭДС, равные по величине и направленные встречно, что не изменит режим работы цепи. Если принять величину этих ЭДС равной напряжению холостого хода \(U_{xx}\) на зажимах двухполюсника, то, используя принцип наложения, можно доказать, что ток в ветви определяется формулой:
$$ I = \frac{E_э}{R_э + R} $$
где \(E_э = U_{xx}\). Это уравнение является базовым для расчета цепей данным методом.
Алгоритм расчета цепи методом эквивалентного генератора
Для практического применения метода рекомендуется придерживаться следующей строгой последовательности действий:
- Выделение ветви: Мысленно или на схеме отключить ветвь, в которой требуется найти ток. Оставшаяся часть цепи рассматривается как активный двухполюсник.
- Расчет \(U_{xx}\) (ЭДС \(E_э\)): Рассчитать напряжение на разомкнутых зажимах полученного двухполюсника любым известным методом (Метод контурных токов, метод узловых напряжений, законы Кирхгофа). Это напряжение равно \(E_э\).
- Расчет \(R_э\): Определить эквивалентное сопротивление двухполюсника относительно разомкнутых зажимов. При этом все источники ЭДС в схеме двухполюсника заменяются короткими замыканиями, а источники тока — разрывами цепи.
- Составление эквивалентной схемы: Нарисовать одноконтурную схему, содержащую найденные \(E_э\), \(R_э\) и ранее отключенную ветвь \(R\).
- Определение искомого тока: Рассчитать ток по закону Ома для полной цепи.
Экспериментальное определение параметров
Параметры эквивалентного генератора могут быть определены не только расчетным, но и опытным путем, что особенно ценно при работе с «черным ящиком» — устройством, внутренняя структура которого неизвестна или слишком сложна.
- Опыт холостого хода: Измеряется вольтметром с высоким внутренним сопротивлением напряжение на разомкнутых зажимах. Полученное значение соответствует \(E_э\).
- Опыт короткого замыкания: Зажимы замыкаются накоротко через амперметр (чье сопротивление пренебрежимо мало), измеряется ток \(I_{кз}\).
Внутреннее сопротивление рассчитывается как:
$$ R_э = \frac{U_{xx}}{I_{кз}} = \frac{E_э}{I_{кз}} $$
Сравнение методов эквивалентного генератора напряжения и тока
Существует дуальный вариант метода — использование эквивалентного генератора тока (теорема Нортона). Выбор между ними зависит от топологии конкретной схемы.
| Характеристика | Эквивалент напряжения (Тевенен) | Эквивалент тока (Нортон) |
|---|---|---|
| Базовый элемент | Идеальный источник ЭДС (\(E_э\)) | Идеальный источник тока (\(J_э\)) |
| Схема замещения | Последовательное соединение \(E_э\) и \(R_э\) | Параллельное соединение \(J_э\) и \(G_э\) (проводимость) |
| Основной параметр источника | \(E_э = U_{xx}\) (напряжение холостого хода) | \(J_э = I_{кз}\) (ток короткого замыкания) |
| Внутренний параметр | Сопротивление \(R_э\) | Проводимость \(G_э = 1/R_э\) |
| Предпочтительное применение | Цепи с последовательным включением нагрузок, высокое внутреннее сопротивление | Цепи с параллельными ветвями, низкое внутреннее сопротивление |
Преимущества и ограничения метода
Преимущества:
- Эффективность при вариации нагрузки: Идеален, когда нужно исследовать поведение одной ветви при изменении ее параметров, не пересчитывая всю остальную цепь.
- Упрощение сложных схем: Позволяет свернуть громоздкую часть цепи в два элемента.
- Применимость к «черным ящикам»: Позволяет моделировать реальные устройства (аккумуляторы, усилители) по результатам внешних измерений.
Недостатки:
- Потеря информации о внутренних процессах: Эквивалентная схема не отражает распределение токов и мощностей внутри исходного активного двухполюсника.
- Некорректность энергетического баланса: Мощность, рассеиваемая на \(R_э\), не равна суммарной мощности потерь внутри исходной цепи.
- Ограничение линейностью: Метод в классическом виде применим только к линейным цепям (или линеаризованным на рабочем участке).
Примеры расчетов
Пример 1: Расчет мостовой схемы
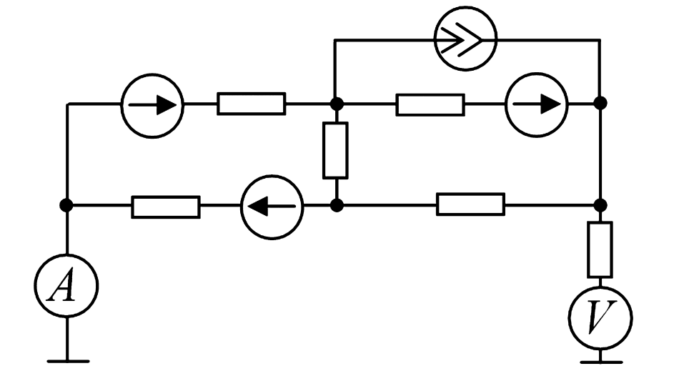
Задача: Определить ток в диагонали мостовой схемы (резистор \(R_5\)), представленной на рисунке 2а.
Дано: \(R_1 = R_4 = 1\) Ом; \(R_2 = 4\) Ом; \(R_3 = R_5 = 3\) Ом; \(E_1 = 10\) В.

Рисунок 2. Этапы расчета мостовой схемы: а — исходная схема; б — определение \(E_э\); в — определение \(R_э\); г — схема с эквивалентным генератором.
Решение:
- Определение \(E_э\): Отключаем ветвь с \(R_5\) (рис. 2б). Напряжение холостого хода \(U_{ab(xx)}\) между точками подключения диагонали найдем, определив токи в ветвях моста. Так как ветвь разомкнута, токи \(I_1\) и \(I_2\) протекают через последовательно соединенные пары резисторов:
$$ I_1 = \frac{E_1}{R_1 + R_3} = \frac{10}{1 + 3} = 2,5 \text{ А} $$
$$ I_2 = \frac{E_1}{R_2 + R_4} = \frac{10}{4 + 1} = 2 \text{ А} $$
По второму закону Кирхгофа для контура, образованного \(R_3\), \(R_4\) и разомкнутыми зажимами a-b:
$$ U_{ab(xx)} + I_2 R_4 — I_1 R_3 = 0 $$
$$ E_э = U_{ab(xx)} = I_1 R_3 — I_2 R_4 = 2,5 \cdot 3 — 2 \cdot 1 = 7,5 — 2 = 5,5 \text{ В} $$ - Определение \(R_э\): Исключаем источник ЭДС \(E_1\) (закорачиваем его). Схема превращается в две параллельные ветви, соединенные последовательно относительно зажимов a и b (рис. 2в):
$$ R_э = \frac{R_1 R_3}{R_1 + R_3} + \frac{R_2 R_4}{R_2 + R_4} = \frac{1 \cdot 3}{1 + 3} + \frac{4 \cdot 1}{4 + 1} = 0,75 + 0,8 = 1,55 \text{ Ом} $$ - Расчет тока: Собираем эквивалентную схему (рис. 2г) и находим ток в \(R_5\):
$$ I_5 = \frac{E_э}{R_э + R_5} = \frac{5,5}{1,55 + 3} \approx 1,21 \text{ А} $$
Пример 2: Определение параметров «черного ящика»
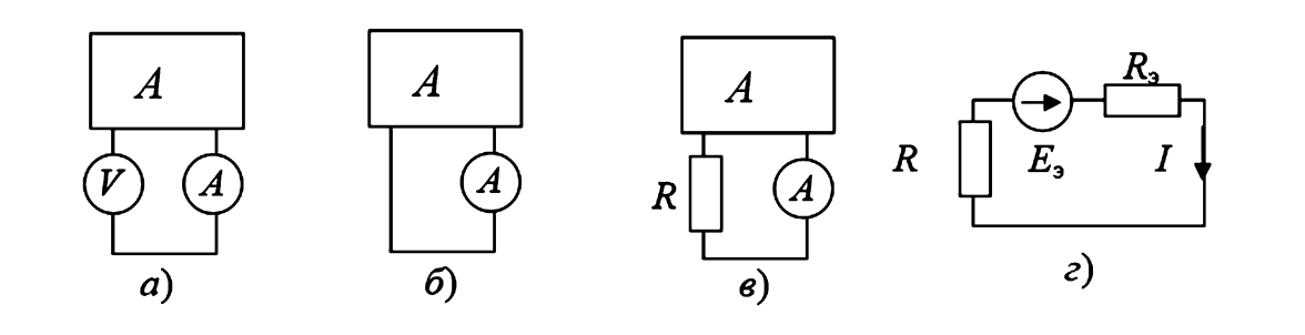
Задача: В схеме на рисунке 3 неизвестна внутренняя структура активного двухполюсника, но известны показания приборов. Вольтметр показывает \(U = 100\) В. При его коротком замыкании амперметр показывает \(I_{кз} = 10\) А. Определить ток, если вместо вольтметра подключить резистор \(R = 30\) Ом.


Решение:
- Идеальный вольтметр имеет бесконечное сопротивление, поэтому его показание соответствует напряжению холостого хода (рис. 4а): \(E_э = U_{xx} = 100\) В.
- Показание амперметра при закорачивании выхода соответствует току короткого замыкания (рис. 4б): \(I_{кз} = 10\) А.
- Вычисляем внутреннее эквивалентное сопротивление:
$$ R_э = \frac{U_{xx}}{I_{кз}} = \frac{100}{10} = 10 \text{ Ом} $$ - При подключении нагрузки \(R = 30\) Ом (рис. 4в), переходим к эквивалентной схеме (рис. 4г) и находим ток:
$$ I = \frac{E_э}{R_э + R} = \frac{100}{10 + 30} = \frac{100}{40} = 2,5 \text{ А} $$
Интересные факты о методе эквивалентного генератора
- Двойное открытие: Теорема была открыта Гельмгольцем за 30 лет до Тевенена, но именно публикация Тевенена сделала ее широко известной в инженерных кругах.
- Универсальность: Метод применим не только к цепям постоянного тока, но и к цепям переменного синусоидального тока (с использованием комплексных чисел \(Z_э\), \(\dot{E}_э\)).
- Аудиоинженерия: Понятия «выходной импеданс» усилителя и «входной импеданс» динамика — это прямые следствия применения данной теоремы для согласования устройств.
- Биоэлектричество: В физиологии эквивалентные схемы Тевенена используются для моделирования нервных клеток и прохождения сигналов через мембраны.
- Максимальная мощность: Теорема лежит в основе условия передачи максимальной мощности от источника в нагрузку (достигается при \(R_{нагр} = R_э\)).
- Ограничение по частоте: В цепях СВЧ понятие двухполюсника усложняется из-за волновых процессов, и метод применяют с осторожностью, используя S-параметры.
- Диагностика: Метод используется для диагностики старения химических источников тока (аккумуляторов) путем отслеживания роста их \(R_э\) со временем.
Часто задаваемые вопросы (FAQ)
1. Можно ли применять метод к нелинейным цепям?
2. Равна ли мощность, выделяемая в эквивалентном генераторе, мощности в исходной цепи?
3. Что делать, если в схеме есть зависимые источники?
4. Как быть, если Rэ оказалось отрицательным?
5. В чем разница между ЭДС и напряжением холостого хода в контексте метода?
6. Всегда ли можно найти ток короткого замыкания?
7. Как метод работает в трехфазных цепях?
Заключение
Метод эквивалентного генератора является мощным инструментом в арсенале инженера-электрика. Он позволяет абстрагироваться от излишней сложности внутренней структуры цепи, фокусируясь на взаимодействии источника и нагрузки. Понимание этого метода необходимо не только для ручных расчетов, но и для грамотной интерпретации результатов компьютерного моделирования сложных электротехнических и электронных систем.
Нормативная база
- ГОСТ Р 52002-2003 — Электротехника. Термины и определения основных понятий.
- ГОСТ 2.702-2011 — Единая система конструкторской документации (ЕСКД). Правила выполнения электрических схем.
- ГОСТ IEC 60050-131-2015 — Международный электротехнический словарь. Часть 131. Теория цепей.
- ГОСТ 19880-74 — Электротехника. Основные понятия. Термины и определения (архивный, но часто используемый в фундаментальной литературе).
Список рекомендуемой литературы
- Бессонов Л.А. Теоретические основы электротехники. Электрические цепи. — М.: Юрайт, 2023.
- Нейман Л.Р., Демирчян К.С. Теоретические основы электротехники. Том 1. — СПб.: Питер, 2019.
- Шевелев В.Е. Основы теории электрических цепей: Учебное пособие. — М.: ФОРУМ: ИНФРА-М, 2021.
