Содержание страницы
- 1. Концепция идеальных и реальных элементов
- 2. Резистивный элемент: Сопротивление и Проводимость
- 3. Индуктивный элемент: Магнитное поле и Инерция тока
- 4. Емкостный элемент: Электрическое поле и Заряд
- 5. Сравнительная характеристика элементов
- 6. Важное примечание о постоянном токе
- 7. Интересные факты о компонентах
- 8. Часто задаваемые вопросы (FAQ)
- Заключение
Данный материал посвящен фундаментальным «кирпичикам» электротехники: резисторам, катушкам индуктивности и конденсаторам в контексте цепей переменного тока. Мы рассмотрим их идеализированные модели, необходимые для расчетов, и реальные физические воплощения с их паразитными параметрами.
Историческая справка: Основы теории цепей были заложены в XIX веке. Георг Ом в 1827 году сформулировал закон связи тока и напряжения, Майкл Фарадей и Джозеф Генри в 1830-х годах открыли электромагнитную индукцию, а Алессандро Вольта и другие ученые исследовали природу емкости. Сегодня эти знания стандартизированы и являются базой для всей современной энергетики и электроники.
1. Концепция идеальных и реальных элементов
В реальных пассивных элементах электрической цепи — резисторах, конденсаторах и индуктивных катушках — при протекании переменных токов происходят сложные физические процессы. Эти процессы связаны с накоплением и перераспределением электрической и магнитной энергий, а также с необратимым преобразованием электромагнитной энергии в тепловую.
Для инженерного анализа и математического моделирования использовать полные физические модели реальных компонентов часто бывает избыточно сложно и нерационально. Поэтому в электротехнике применяется метод моделирования: реальные компоненты заменяются их эквивалентными схемами замещения. Эти схемы строятся из комбинации трех базовых идеализированных элементов:
- Идеального резистивного элемента (R);
- Идеального индуктивного элемента (L);
- Идеального емкостного элемента (C).
2. Резистивный элемент: Сопротивление и Проводимость
Идеальный резистивный элемент
Идеальный резистивный элемент — это абстрактный элемент схемы, в котором происходит исключительно необратимое преобразование электрической энергии в другие виды энергии (работу, теплоту, излучение). Эффектами накопления энергии магнитного или электрического поля в нем полностью пренебрегают.
В графических схемах цепей переменного тока идеальный резистивный элемент изображается так же, как и в цепях постоянного тока — в виде прямоугольника (согласно ГОСТ 2.728-74). Он обозначается латинской буквой R.

Этой же буквой R обозначается количественная характеристика элемента — сопротивление. Оно определяется как отношение мгновенного значения переменного напряжения \( u(t) \) на зажимах резистора к мгновенному значению переменного тока \( i(t) \), протекающего через него:
Сопротивление является основным параметром идеального резистивного элемента. Единицей измерения сопротивления в системе СИ является ом (Ом).
В инженерной практике часто удобно использовать величину, обратную сопротивлению. В таких случаях идеальный резистивный элемент обозначают буквой G, а соответствующий параметр называют проводимостью:
Единицей измерения проводимости является сименс (См). Таким образом, мгновенные значения тока и напряжения в резистивном элементе связаны линейным алгебраическим соотношением, известным как закон Ома:
Реальные резисторы и их частотные свойства
Реальные резистивные элементы — резисторы — представляют собой физические детали, изготавливаемые из различных материалов (металлическая проволока, углеродистые пленки, металлооксиды) и имеющие разнообразные конструкции. Физическая природа протекания тока такова, что вокруг любого проводника неизбежно возникают электрические и магнитные поля. Это означает, что в реальном резисторе происходит не только рассеивание энергии, но и её запас в паразитных магнитных и электрических полях.
Следовательно, любой реальный резистор обладает дополнительными паразитными свойствами индуктивного и емкостного элементов. Влияние этих паразитных параметров напрямую зависит от частоты тока:
- На промышленной частоте (50-60 Гц): Паразитные индуктивные и емкостные составляющие пренебрежимо малы. Инженер может с высокой точностью полагать резистор идеальным.
- На высоких частотах (радиодиапазон): Влияние паразитных параметров становится критическим.
Рассмотрим пример проволочного лабораторного реостата. Он представляет собой длинный проводник с высоким удельным сопротивлением, свитый в спираль. Геометрия спирали превращает его в катушку индуктивности (соленоид). Кроме того, между соседними витками спирали возникает разность потенциалов, что создает распределенную межвитковую емкость.

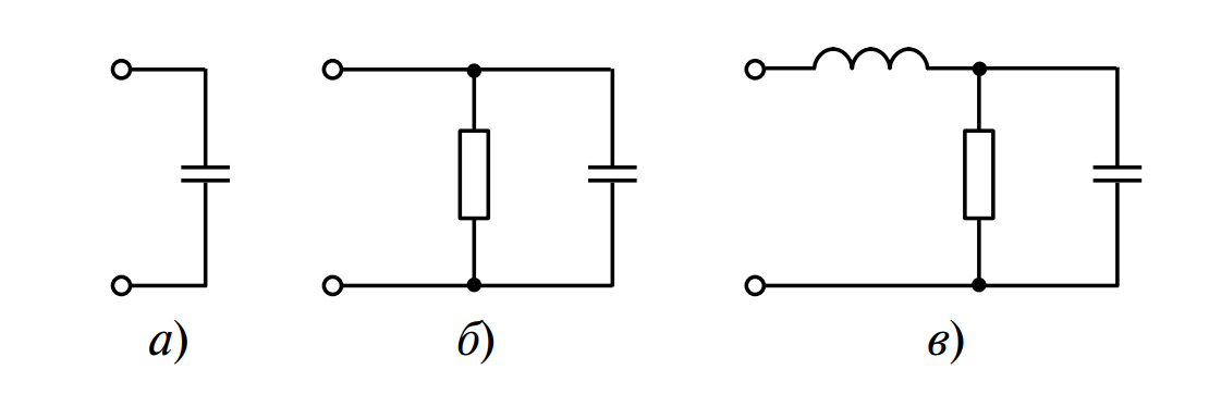
На рисунке 2 представлены схемы замещения реального резистора для разных частотных диапазонов:
- Рис. 2, а: На низких частотах резистор представлен только активным сопротивлением \( R \).
- Рис. 2, б: На средних частотах добавляется последовательно включенная индуктивность \( L \), учитывающая магнитное поле спирали или выводов.
- Рис. 2, в: На высоких частотах необходимо учитывать паразитную емкость \( C \), которая шунтирует (включается параллельно) цепочку \( R-L \).
Рабочим параметром реального резистора является сопротивление, а паразитными — емкость и индуктивность.
3. Индуктивный элемент: Магнитное поле и Инерция тока
Идеальный индуктивный элемент
Идеальный индуктивный элемент — это элемент схемы, способный запасать энергию исключительно магнитного поля. Потери энергии и накопление электрического заряда в нем отсутствуют. В цепях переменного тока (и в уравнениях) он обозначается буквой L (ГОСТ 2.723-68).
Этой же буквой обозначается основной параметр элемента — индуктивность. Она определяется как отношение потокосцепления \( \Psi \) (суммарного магнитного потока, пронизывающего витки катушки) к току \( i \), создающему этот поток:
Единицей измерения индуктивности в системе СИ является генри (Гн). Графическое изображение идеального индуктивного элемента представлено на рис. 3.

Связь между мгновенными значениями напряжения и тока на индуктивном элементе определяется законом электромагнитной индукции Фарадея. Напряжение на индуктивности уравновешивает ЭДС самоиндукции, возникающую при изменении тока:
Из этого дифференциального уравнения следует важный вывод: напряжение на индуктивности пропорционально скорости изменения тока. Если выразить ток через напряжение, получим интегральную зависимость:
Идеальный индуктивный элемент по своим свойствам близок к реальной катушке, намотанной из проволоки с очень высокой проводимостью (медь, серебро, сверхпроводники) и имеющей качественный магнитопровод.
Реальные катушки индуктивности
Реальные индуктивные катушки изготавливаются из проводящих материалов (обычно медный эмальпровод), которые, несмотря на низкое удельное сопротивление, всё же имеют не нулевое омическое сопротивление \( R \). При протекании тока провод нагревается, вызывая потери энергии.
Кроме того, между витками катушки, слоями обмотки и выводами существует разность потенциалов, что приводит к образованию распределенной паразитной емкости (межвитковая емкость \( C \)).

Выбор схемы замещения (рис. 4) зависит от условий эксплуатации:
- Рис. 4, а: В случаях, когда сопротивление провода мало, а частота низкая, катушку можно полагать идеальной.
- Рис. 4, б: На средних частотах или при использовании тонкого провода чаще всего учитывают потери энергии на нагревание, добавляя последовательно резистор \( R \).
- Рис. 4, в: На радиочастотах (высоких частотах) паразитная межвитковая емкость \( C \) начинает играть существенную роль, создавая параллельный резонансный контур вместе с индуктивностью. Это отражается добавлением конденсатора параллельно ветви \( R-L \).
Рабочим параметром индуктивной катушки является индуктивность, а паразитными — емкость и активное сопротивление.
4. Емкостный элемент: Электрическое поле и Заряд
Идеальный емкостный элемент
Идеальный емкостный элемент — это элемент схемы, предназначенный для накопления энергии электрического поля. В нем отсутствуют потери (идеальный диэлектрик) и магнитные эффекты. В цепях переменного тока он обозначается буквой C (ГОСТ 2.728-74).
Этой же буквой обозначается параметр элемента — емкость. Она равна отношению накопленного электрического заряда \( q \) к напряжению \( u \), приложенному к обкладкам:
Единицей измерения емкости является фарада (Ф). Поскольку фарада — очень большая величина, на практике чаще используют микрофарады (мкФ), нанофарады (нФ) и пикофарады (пФ). Графическое обозначение представлено на рис. 5.

Ток через емкостный элемент (ток смещения) возникает только при изменении напряжения. Мгновенное значение тока определяется как производная заряда по времени:
Отсюда следует, что ток пропорционален скорости изменения напряжения. Интегральная форма записи выражает зависимость напряжения от тока:
Реальные конденсаторы
Реальный емкостный элемент — конденсатор — состоит из двух или более проводящих пластин (обкладок), разделенных слоем диэлектрика (бумага, слюда, керамика, полимеры, оксидные пленки). Хотя современные диэлектрики обладают очень высоким удельным сопротивлением, ток утечки через них все же существует, что эквивалентно наличию параллельного сопротивления.
Кроме того, металлические обкладки и выводы конденсатора обладают собственной индуктивностью и омическим сопротивлением.

Схемы строятся по принципу усложнения модели.
- Рис. 6, а: При низких частотах конденсатор изображают как идеальный емкостный элемент \( C \), так как токами утечки и индуктивностью выводов можно пренебречь.
- Рис. 6, б: При средних частотах в схему добавляют резистор \( R \), учитывающий потери энергии в диэлектрике (нагрев диэлектрика при переполяризации) и токи утечки.
- Рис. 6, в: На высоких частотах становится значимой индуктивность \( L \) металлических частей (обкладок) и выводов конденсатора. Она включается последовательно с емкостью. На определенной (очень высокой) частоте конденсатор может войти в резонанс и начать вести себя как катушка индуктивности.
Рабочим параметром конденсатора является емкость, а паразитными параметрами — активное сопротивление (ESR) и индуктивность (ESL).
5. Сравнительная характеристика элементов
Для наглядного понимания различий между элементами сведем их основные свойства в таблицу.
| Параметр / Элемент | Резистор (R) | Индуктивность (L) | Емкость (C) |
|---|---|---|---|
| Основное свойство | Рассеивание энергии (тепло) | Накопление магнитной энергии | Накопление электрической энергии |
| Единица измерения | Ом (\( \Omega \)) | Генри (Гн) | Фарада (Ф) |
| Связь тока и напряжения | \( u = R \cdot i \) (Закон Ома) | \( u = L \frac{di}{dt} \) (Дифференциальная) | \( i = C \frac{du}{dt} \) (Дифференциальная) |
| Поведение на постоянном токе (f=0) | Проводит ток согласно R | Идеальный проводник (КЗ) | Разрыв цепи (бесконечное сопротивление) |
| Тип сопротивления | Активное | Реактивное (индуктивное) | Реактивное (емкостное) |
| Фазовый сдвиг | Напряжение и ток в фазе (0°) | Ток отстает от напряжения на 90° | Ток опережает напряжение на 90° |
6. Важное примечание о постоянном токе
Если пренебречь переходными процессами накопления электрической и магнитной энергии, то все реальные элементы (резисторы, индуктивные катушки, конденсаторы) в установившемся режиме постоянного тока (на нулевой частоте, \( f=0 \)) ведут себя предсказуемо:
- Индуктивность становится идеальным проводником (сопротивление нулю), так как производная постоянного тока равна нулю.
- Емкость становится разрывом цепи (бесконечное сопротивление), так как ток протекает только при изменении напряжения.
- Таким образом, вся цепь становится эквивалентна набору идеальных резистивных элементов.
В заключение теоретической части отметим классификацию по энергетическому признаку: резистивные элементы являются активными элементами цепи (потребляют энергию безвозвратно), а индуктивные и емкостные элементы — реактивными (накапливают и возвращают энергию в сеть).
7. Интересные факты о компонентах
- Скин-эффект: На высоких частотах ток в резисторе (проводнике) вытесняется к его поверхности. Это означает, что реальное сопротивление провода растет с частотой, так как эффективное сечение уменьшается.
- Опасная индуктивность: При резком разрыве цепи с большой индуктивностью возникает огромный всплеск напряжения (ЭДС самоиндукции), способный пробить изоляцию или создать электрическую дугу. Это принцип работы катушки зажигания в автомобиле.
- Идеальных не бывает: Даже простой прямой кусок провода обладает индуктивностью, емкостью (по отношению к земле) и сопротивлением.
- Память конденсатора: Некоторые типы диэлектриков обладают эффектом абсорбции заряда. Если разрядить конденсатор и оставить его разомкнутым, на нем снова может появиться небольшое напряжение из-за остаточной поляризации диэлектрика.
- Мемристор: Теоретически существует четвертый пассивный элемент — мемристор (memory resistor), сопротивление которого зависит от протекшего через него заряда. Он был предсказан в 1971 году и реализован в наноструктурах в 2008 году.
- Суперконденсаторы: Современные ионисторы (суперконденсаторы) могут иметь емкость в тысячи фарад при размерах обычной батарейки, занимая нишу между обычными конденсаторами и аккумуляторами.
- Температурная зависимость: Сопротивление металлов растет при нагреве, а полупроводников и электролитов — часто падает. Это свойство используется в терморезисторах.
8. Часто задаваемые вопросы (FAQ)
1. Почему конденсатор не пропускает постоянный ток?
Конденсатор состоит из двух проводников, разделенных диэлектриком (изолятором). Электроны не могут физически перепрыгнуть через изолятор. Ток в цепи с конденсатором возможен только тогда, когда меняется заряд на обкладках (переменный ток), вызывая поляризацию диэлектрика.
2. Что такое ESR конденсатора и почему это важно?
ESR (Equivalent Series Resistance) — эквивалентное последовательное сопротивление. Это сумма всех омических потерь внутри конденсатора. Высокое ESR приводит к нагреву конденсатора при работе с большими токами пульсаций (например, в блоках питания) и может вывести его из строя.
3. Может ли индуктивность стать емкостью?
На очень высоких частотах — да. Паразитная межвитковая емкость катушки начинает доминировать над её индуктивными свойствами. Частота, на которой индуктивное и емкостное сопротивления равны, называется частотой собственного резонанса. Выше этой частоты катушка ведет себя как конденсатор.
4. В чем разница между активным и реактивным сопротивлением?
Активное сопротивление (R) безвозвратно превращает электрическую энергию в тепло. Реактивное сопротивление (L и C) лишь временно запасает энергию в поле и возвращает её обратно в источник, сдвигая при этом фазу между током и напряжением.
5. Почему катушки индуктивности часто имеют сердечник?
Сердечник из ферромагнитного материала (например, феррита или стали) концентрирует магнитное поле, многократно увеличивая индуктивность при тех же размерах и количестве витков. Однако сердечники вносят дополнительные потери на перемагничивание и вихревые токи.
Заключение
Понимание свойств идеальных элементов R, L, C и умение переходить к их реальным схемам замещения является ключевым навыком для любого специалиста в области электроники и энергетики. От правильного учета паразитных параметров на различных частотах зависит надежность работы устройств — от простых бытовых приборов до сложных высокочастотных систем связи.
Нормативная база
- ГОСТ 2.728-74 — Единая система конструкторской документации. Обозначения условные графические в схемах. Резисторы, конденсаторы.
- ГОСТ 2.723-68 — Единая система конструкторской документации. Обозначения условные графические в схемах. Катушки индуктивности, дроссели, трансформаторы, автотрансформаторы и магнитные усилители.
- ГОСТ IEC 60062-2014 — Маркировка резисторов и конденсаторов (коды).
- ГОСТ Р 52002-2003 — Электротехника. Термины и определения основных понятий.
Список литературы
-
- Бессонов Л.А. «Теоретические основы электротехники» — главный базовый учебник для технических вузов.
- Нейман Л.Р., Демирчян К.С. «Теоретические основы электротехники» — фундаментальный труд, где делается упор на глубокое понимание физики процессов в реальных и идеальных элементах.
- Атабеков Г.И. «Основы теории цепей» — отличается понятным и доступным языком, отлично подходит для разбора линейных цепей и частотных характеристик
