Электронно-лучевые осциллографы и цифровая измерительная техника: Принципы, устройство и применение

Осциллограф — это «глаза» радиоэлектроники. Это прибор, который рисует график электрического сигнала, показывая, как напряжение меняется во времени. Если вольтметр показывает только мгновенное или среднее значение (одно число), то осциллограф показывает всю историю поведения сигнала, позволяя увидеть помехи, искажения и временные задержки.

Краткая история: История визуализации электрических сигналов началась в 1897 году, когда немецкий физик Карл Фердинанд Браун изобрел первую электронно-лучевую трубку (названную трубкой Брауна). Однако первые осциллографы в современном понимании появились лишь в 1930-х годах благодаря компании General Radio, а настоящий прорыв в портативности и функциональности совершила компания Tektronix в 1946 году, внедрив схему ждущей развертки, что позволило стабильно наблюдать периодические сигналы.


1. Введение в электронно-лучевые осциллографы

Электронно-лучевые осциллографы (ЭЛО) представляют собой класс измерительных приборов, предназначенных для визуального наблюдения, исследования и измерения параметров электрических процессов. Ключевая особенность этих приборов заключается в том, что информация представляется непосредственно в графической форме зависимости напряжения от времени. Это позволяет инженеру или студенту не просто фиксировать факт наличия напряжения, но и анализировать его структуру.

Представьте, что вы следите за температурой воздуха. Вольтметр — это как мгновенный взгляд на термометр: «сейчас +20°C». Осциллограф — это самописец, который рисует график температуры за последние сутки, позволяя увидеть, что ночью было холодно, а в полдень — резкий скачок жары.

Сердцем классического аналогового осциллографа является электронно-лучевая трубка (ЭЛТ). В ней используется электростатическое управление лучом: пучок электронов, разогнанный высоким напряжением, отклоняется электрическим полем пластин и ударяется о люминесцентный экран, вызывая свечение. По метрологическим характеристикам, в частности по точности воспроизведения формы сигнала и измерения амплитудно-временных параметров, данные приборы обычно относятся к 3-му классу точности (погрешность порядка 1-5%).

Основные измерительные возможности

Современные и классические осциллографы предоставляют широкий спектр возможностей для исследователя:

  1. Определение мгновенных значений сигналов: Измерение напряжения в любую конкретную точку времени на графике.
  2. Визуализация формы сигнала: Оценка наличия искажений, выбросов, шумов, срезов вершин импульсов (клиппинга).
  3. Временной анализ: Определение длительности импульсов, фронтов нарастания и спада, что критически важно для цифровой техники.
  4. Фазовые измерения: Измерение фазового сдвига (угла) между двумя различными сигналами, например, входным и выходным сигналом усилителя, используя фигуры Лиссажу или двухканальный режим.
  5. Измерение частоты: Осуществляется либо расчетным методом (через измерение периода \( T \): \( f = 1/T \)), либо методом сравнения с образцовым сигналом (фигуры Лиссажу, яркостная модуляция).

2. Классификация осциллографов

Мир измерительной техники огромен, и для решения различных задач были разработаны специализированные типы приборов. Рассмотрим подробную классификацию.

2.1. По назначению и принципу действия

Тип осциллографа Описание и принцип работы Область применения
1. Универсальные Классические ЭЛО. Исследуемый сигнал после усиления подается на вертикальные пластины, а горизонтальное перемещение луча обеспечивает генератор линейной развертки. Лабораторные исследования, ремонт аналоговой техники, учебные цели. Самый распространенный тип.
2. Стробоскопические Используют метод «стробоскопического эффекта» — отбор мгновенных значений сигнала в разные моменты времени (дискретизация) для построения изображения. Позволяют видеть сверхбыстрые периодические процессы. Исследование СВЧ сигналов, наносекундных импульсов, где полоса пропускания обычных усилителей недостаточна.
3. Запоминающие Оснащены специальными запоминающими ЭЛТ или цифровой памятью. Сохраняют изображение сигнала после его исчезновения на длительное время. Регистрация однократных, случайных или редко повторяющихся процессов (например, удар молнии, переходный процесс при включении).
4. Специальные Включают в себя скоростные, телевизионные (с выделением ТВ-строк), векторные и цифровые вычислительные осциллографы с АЦП. Специфические отрасли: телевидение, радиолокация, глубокий анализ спектра.

2.2. По числу лучей и каналов

Важно различать понятия «луч» и «канал», так как это часто вызывает путаницу у студентов.

  • Однолучевые: Имеют одну электронную пушку и одну систему отклонения. Отображают один сигнал.
  • Многолучевые: Имеют внутри трубки две и более независимые электронные пушки и отклоняющие системы. Это настоящая одновременная отрисовка сигналов.
  • Многоканальные: Это, как правило, однолучевые приборы с коммутатором. Специальное устройство переключает вход одной пластины между несколькими входами (каналами).
Режимы работы коммутатора в многоканальных осциллографах:
1. Поочередный режим (ALT): Сначала рисуется полная развертка первого канала, затем полная развертка второго. Подходит для высокочастотных сигналов.
2. Прерывистый режим (CHOP): Переключение между каналами происходит с высокой частотой (например, 100 кГц) прямо в процессе движения луча. Луч рисует пунктирную линию для каждого канала. Глаз сливает точки в линии. Подходит для низкочастотных сигналов.

Также существуют модульные системы — осциллографы со сменными блоками (ячейками), позволяющими менять характеристики (чувствительность, полосу частот) «на лету».

3. Структурная схема универсального осциллографа

Чтобы понять, как «оживает» луч на экране, необходимо разобрать анатомию универсального осциллографа. Каждый блок выполняет строгую функцию.

Структурная схема универсального осциллографа

Рис. 1. Структурная схема универсального осциллографа

Согласно схеме (рис. 1), прохождение сигнала и формирование изображения обеспечивается взаимодействием следующих узлов:

Канал вертикального отклонения (Канал Y)

Этот канал отвечает за высоту изображения (амплитуду). Путь сигнала здесь следующий:

  1. Вход Y: Сюда подается исследуемый сигнал.
  2. Входной аттенюатор (Ат): Делитель напряжения. Он позволяет уменьшить слишком мощный сигнал, чтобы он поместился на экране, или пропустить слабый сигнал без изменений.
  3. Предварительный усилитель (УYпр): Разделяет парафазный сигнал и обеспечивает первичное усиление.
  4. Линия задержки (ЛЗ): Критически важный элемент. Она задерживает сигнал на короткое время (наносекунды) перед подачей на пластины.
    Зачем нужна задержка? Генератору развертки нужно время, чтобы сработать («запуститься») от сигнала. Без ЛЗ начальная часть быстрого импульса была бы потеряна (не отрисована), так как луч еще не начал движение. ЛЗ позволяет «подождать» развертку.
  5. Оконечный усилитель (УYок): Мощный усилитель, создающий высокое напряжение (сотни вольт), необходимое для отклонения электронного луча на вертикальных пластинах Y ЭЛТ.

Канал горизонтального отклонения (Канал X)

Этот канал отвечает за движение луча во времени (слева направо).

  • Селектор синхронизации (СС): Выбирает источник сигнала запуска развертки (внутренний — от исследуемого сигнала, внешний или от сети).
  • Формирующее устройство (ФУ): Превращает любой сигнал синхронизации в короткие стартовые импульсы.
  • Генератор развертки (ГР): Вырабатывает пилообразное напряжение. Когда напряжение линейно растет — луч движется слева направо (прямой ход). Когда резко падает — луч возвращается назад (обратный ход).
  • Оконечный усилитель горизонтальной развертки (УXок): Усиливает пилу и подает её на пластины X.

Вспомогательные системы

  • Калибратор (К): Встроенный генератор эталонного прямоугольного сигнала (обычно 1 кГц, 1 В) для проверки и настройки щупов.
  • Усилитель управления яркостью (УZ): Канал Z. Управляет интенсивностью луча. Используется для гашения обратного хода луча (чтобы мы не видели, как луч возвращается назад) или для яркостных меток.
  • Электронно-лучевая трубка (ЭЛТ): Вакуумный прибор, преобразующий электрические сигналы в видимое изображение.
  • Узел питания: Обеспечивает низковольтное питание схем и высоковольтное (киловольты) для анода ЭЛТ.

4. Цифровые измерительные приборы (ЦИП) и АЦП

С развитием микроэлектроники аналоговые приборы уступают место цифровым. В Цифровых Измерительных Приборах (ЦИП) непрерывная аналоговая величина преобразуется в дискретный цифровой код. Это исключает субъективную ошибку оператора («на глаз» по шкале) и позволяет передавать данные в ЭВМ.

Структурная схема ЦИП

Рис. 2. Структурная схема ЦИП

Работа ЦИП строится по цепочке (см. рис. 2):

  • АП (Аналоговый Преобразователь): Предварительная обработка входной величины \( x \). Например, если мы меряем сопротивление, АП преобразует его в напряжение \( y \), так как АЦП умеет работать только с напряжением.
  • АЦП (Аналого-Цифровой Преобразователь): Сердце прибора. Преобразует аналоговую величину \( y \) в цифровой код \( N \).
  • ЦОУ (Цифровое Отсчетное Устройство): Дисплей (ЖК или светодиодный), отображающий результат в понятном человеку виде.

4.1. Классификация ЦИП

Цифровые приборы многогранны, как и их аналоговые предки:

  1. По измеряемой величине: Вольтметры, амперметры, омметры, частотомеры, фазометры и мультиметры (комбайны).
  2. По конструкции:
    • Щитовые: Встраиваются в панели управления на заводах.
    • Лабораторные/Портативные: Переносные приборы высокой точности.

Классификация Цифровых Вольтметров (ЦВ):

  • По типу АЦП:
    • Кодоимпульсные (поразрядного взвешивания): Быстрые, работают как весы с гирьками.
    • Время-импульсные: Преобразуют напряжение в длительность импульса.
    • Частотно-импульсные: Преобразуют напряжение в частоту.
  • По способу уравновешивания:
    • Следящие: Постоянно «подгоняют» результат за меняющимся сигналом.
    • Развертывающие: Циклически сканируют диапазон «с нуля».

5. Цифровой частотомер: принцип работы

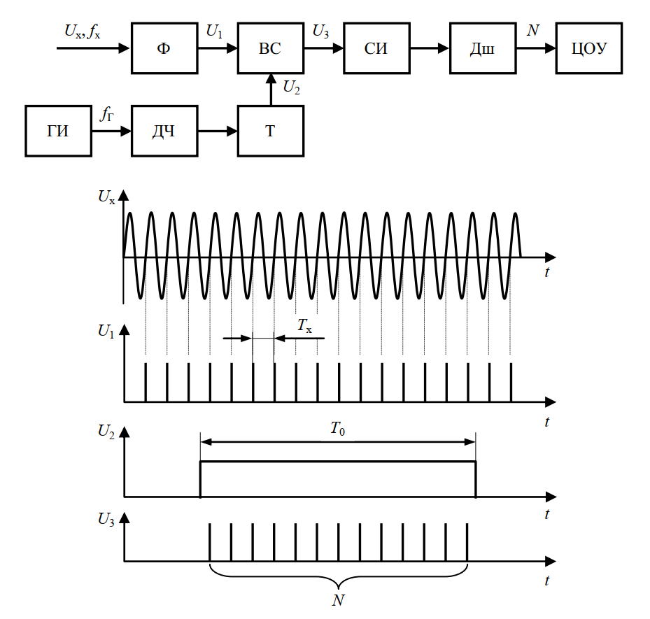
Измерение частоты — классическая задача цифровой техники. Метод основан на прямом подсчете количества импульсов сигнала за строго определенный промежуток времени.

Структурная схема цифрового частотомера и временные диаграммы

Рис. 3. Структурная схема цифрового частотомера и временные диаграммы

Алгоритм работы частотомера:

  1. Формирователь (Ф): Превращает входной синусоидальный или искаженный сигнал \( U_x \) частоты \( f_x \) в четкие прямоугольные импульсы. Срабатывание обычно происходит при переходе через ноль (от минуса к плюсу).
  2. Кварцевый генератор (ГИ): Создает эталонную частоту \( f_{\Gamma} \) (обычно 1 или 5 МГц). Это «метроном» прибора.
  3. Делитель частоты (ДЧ) и Триггер (Т): Из эталонной частоты формируют точный временной интервал (измерительное окно) \( T_0 \) — строб-импульс \( U_2 \).
  4. Временной селектор (ВС): Это логический элемент «И». Он пропускает импульсы сигнала только тогда, когда открыт «окном» \( T_0 \).
  5. Счетчик (СИ): Считает количество проскочивших импульсов \( N \).
Формула измерения:
\[ N = \frac{T_0}{T_x} = f_x \cdot T_0 \]

Если выбрать интервал измерения \( T_0 = 1 \) секунда, то количество подсчитанных импульсов \( N \) будет численно равно частоте в Герцах.
Для удобства в приборах можно выбирать время счета: \( T_0 = 10^m \) с (где m = -3…2), что позволяет менять разрешение прибора.

Тонкость измерения: Для высоких частот этот метод идеален. Но для очень низких частот (например, 5 Гц) ждать 1 секунду ради 5 импульсов — это большая погрешность. Поэтому для НЧ сигналов частотомеры переключаются в режим измерения периода: наоборот, заполняют один период сигнала высокочастотными импульсами от своего генератора.

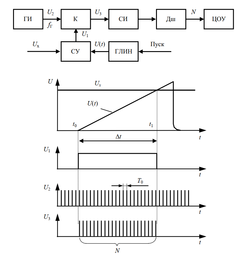
6. Цифровые вольтметры (ЦВ) с времяимпульсным преобразованием

Этот тип вольтметров преобразует измеряемое напряжение в интервал времени. Это один из старейших и надежных методов АЦП, использовавшийся в легендарных советских приборах ВК7-10А, В7-20.

Структурная схема цифрового вольтметра времяимпульсного тип

Рис. 4. Структурная схема цифрового вольтметра времяимпульсного типа

Как это работает? (Принцип «Линейки»)

Суть метода заключается в сравнении неизвестного напряжения с линейно нарастающим эталонным напряжением (пилой).

  1. Запускается Генератор Линейно-Изменяющегося Напряжения (ГЛИН). Его напряжение \( U(t) \) растет с постоянной скоростью.
  2. Одновременно открывается ключ (К) и импульсы от стабильного генератора (ГИ) начинают поступать в счетчик.
  3. Сравнивающее устройство (СУ) следит за двумя напряжениями: входным \( U_x \) и растущим \( U(t) \).
  4. Пока \( U_x > U(t) \), ключ открыт. Как только пила \( U(t) \) дорастает до уровня \( U_x \) (в момент \( t_1 \)), компаратор срабатывает и закрывает ключ.

В итоге, длительность открытого состояния ключа \( \Delta t \) прямо пропорциональна входному напряжению.

\[ N = \frac{\Delta t}{T} = K \cdot U_x \]
где \( K \) — коэффициент преобразования.

Преимущества:

  • Простота реализации схемы.
  • Хорошая помехоустойчивость при использовании двухтактного интегрирования (Dual Slope), так как шумы усредняются за время измерения.

Недостатки:

  • Ограниченное быстродействие (нужно время на рост пилы).
  • Зависимость точности от линейности ГЛИН.
  • Чувствительность к помехам сети 50 Гц (в простых схемах).

7. Сравнение аналоговых и цифровых технологий

Характеристика Аналоговый осциллограф Цифровой (DSO) осциллограф
Принцип отображения Прямое управление лучом (реальное время). Оцифровка (АЦП), обработка процессором, вывод на ЖК-дисплей.
Отображение шумов Видны все нюансы и шумы «как есть» благодаря послесвечению люминофора. Может скрывать детали из-за дискретизации или сглаживания (алиасинг).
Запоминание Только в дорогих моделях с запоминающей трубкой. Бесконечное хранение, запись на USB, передача на ПК.
Анализ Визуальный (по сетке экрана). Автоматические измерения (Vpp, RMS, Freq), FFT (спектр), декодирование протоколов.
Вес и габариты Громоздкие, тяжелые (из-за трубки и трансформатора). Компактные, легкие «планшеты».

8. Интересные факты об осциллографии

  • Искусство: Существует понятие «Oscilloscope Music» или «Лиссажу-арт», когда музыку пишут специально для визуализации на экране осциллографа в режиме X-Y, создавая трехмерные вращающиеся фигуры грибов, кубов и лиц.
  • Первая видеоигра: Одной из первых видеоигр в истории была «Tennis for Two» (1958), созданная Уильямом Хигинботамом. Экраном для неё служил круглый дисплей лабораторного осциллографа.
  • Скорость света: В самых быстрых аналоговых осциллографах линии задержки делали в виде длинных свернутых коаксиальных кабелей, чтобы физически задержать сигнал, пока электроника «думает».
  • Bandwidth: Самые современные цифровые осциллографы имеют полосу пропускания более 100 ГГц, что стоит сотни тысяч долларов и используется для разработки 6G и оптоволокна.
  • Зеленый цвет: Классический цвет луча — зеленый, потому что человеческий глаз наиболее чувствителен именно к зеленому спектру (555 нм), что позволяло видеть быстрые процессы при малой яркости.
  • Ждущая развертка: Изобретение ждущей развертки (trigger) сравнивают с изобретением колеса в электронике. До этого «поймать» неповторяющийся сигнал было почти невозможно.
  • Радиация: Очень старые и мощные ЭЛТ осциллографы могли являться источником слабого рентгеновского излучения из-за высокого анодного напряжения, но современные приборы абсолютно безопасны.

9. FAQ: Часто задаваемые вопросы

В чем разница между закрытым (AC) и открытым (DC) входом?
Режим DC (Direct Current) пропускает весь сигнал: и переменную, и постоянную составляющую. Режим AC (Alternating Current) включает конденсатор на входе, который отсекает постоянное напряжение. Это нужно, например, чтобы посмотреть крошечные пульсации (10 мВ) на фоне мощного питания (12 В).
Что такое «Триггер» (Trigger) и зачем он нужен?
Триггер — это система синхронизации. Без него график на экране будет «бежать» или двоиться. Триггер говорит осциллографу: «Начинай рисовать линию только тогда, когда напряжение пересечет уровень 2 Вольта при росте вверх». Это обеспечивает стабильную картинку.
Почему щупы имеют переключатель 1X и 10X?
Режим 10X — это делитель напряжения на 10. Он не только уменьшает сигнал (чтобы мерить высокие напряжения), но и, главное, увеличивает входное сопротивление щупа и снижает его емкость. Всегда используйте 10X для точных измерений ВЧ сигналов, чтобы не искажать работу схемы.
Что такое частота дискретизации (Sample Rate)?
Это параметр цифровых осциллографов, показывающий, сколько точек в секунду снимает АЦП. Согласно теореме Котельникова, частота дискретизации должна быть минимум в 2 раза выше частоты сигнала, но для качественной отрисовки формы осциллографу нужно перекрытие в 5-10 раз.
Можно ли сжечь осциллограф?
Да. Самая частая ошибка — измерение напряжения в «горячей» части блока питания без гальванической развязки. Земляной «крокодил» щупа соединен с заземлением розетки. Если вы подключите его к фазе или точке под потенциалом, произойдет короткое замыкание.

Заключение

Электронно-лучевые осциллографы и современные цифровые измерительные системы прошли долгий путь эволюции от трубки Брауна до высокоскоростных компьютерных комплексов. Понимание принципов их работы — от структуры ЭЛТ до алгоритмов АЦП — является фундаментом для любого инженера-электроника. Несмотря на цифровую революцию, знание аналоговых основ (синхронизации, развертки, усиления) остается ключом к грамотному проведению измерений и интерпретации результатов.

Нормативная база

  • ГОСТ 22261-94 — Средства измерений электрических и магнитных величин. Общие технические условия.
  • ГОСТ 8.009-84 — ГСИ. Нормируемые метрологические характеристики средств измерений.
  • ГОСТ Р 51350-99 (МЭК 61010-1-90) — Безопасность электрических контрольно-измерительных приборов и лабораторного оборудования.

Список литературы

  1. Дьяконов В.П. Современная осциллография и осциллографы. — М.: СОЛОН-Пресс, 2010. — 320 с.
  2. Афонский А.А., Дьяконов В.П. Измерительные приборы и массовые электронные измерения. — М.: СОЛОН-Пресс, 2007.
  3. Винокуров В.И., Каплин С.И., Петелин И.Г. Электрорадиоизмерения. — Учебное пособие для вузов.
  4. Патент США 237890 (Zworykin) и работы К.Ф. Брауна по истории ЭЛТ.

Похожие статьи
Полупроводниковые терморезисторы: классификация (NTC/PTC), устройство и характеристики

Что такое терморезистор? Если говорить простым языком, это электронный компонент, который "чувствует" температуру и реагирует на нее изменением Читать далее...

Тензорезисторы: устройство, принципу работы и схемы подключения

Тензорезистор (или тензодатчик сопротивления) — это фундаментальный элемент современной измерительной техники, представляющий собой резистор, сопротивление которого изменяется при Читать далее...

Оптико-механические средства измерения: Измерительные проекторы, микроскопы, лазерные интерферометры, компараторы

Оптико-механические средства измерений — это класс высокоточного оборудования, объединяющего механическую кинематику (перемещение столов, кареток) с оптическими системами отсчета. Читать далее...

Профилометр: измерение шероховатости Ra, Rz, устройство и методы контроля

Профилометрия — это раздел метрологии, посвященный количественному измерению и качественному анализу микрогеометрии поверхности. Любая деталь, какой бы гладкой Читать далее...