Содержание страницы
- 1. Последовательная RLC-цепь: Закон Ома и второй закон Кирхгофа
- 2. Пример практического расчета (Последовательная цепь)
- 3. Параллельная RLC-цепь: Первый закон Кирхгофа и проводимости
- 4. Сравнение методов расчета
- 5. Пример сложного расчета (Параллельная цепь)
- 6. Преимущества и недостатки символического метода
- 7. Интересные факты об электротехнике и комплексных числах
- 8. FAQ: Часто задаваемые вопросы
- Заключение
Что это? Это метод анализа электрических цепей переменного тока, при котором синусоидальные величины (ток и напряжение) заменяются комплексными числами (векторами или фазорами). Это позволяет свести сложные дифференциальные уравнения к простым алгебраическим, аналогичным расчету цепей постоянного тока.
1. Последовательная RLC-цепь: Закон Ома и второй закон Кирхгофа
Рассмотрим последовательную цепь, состоящую из резистора \( R \), катушки индуктивности \( L \) и конденсатора \( C \). Если через такую цепь протекает синусоидальный ток:
То, как было установлено в теории электрических цепей, мгновенные значения напряжений на каждом элементе будут следующими:
- На резисторе: Напряжение совпадает по фазе с током.
\( u_R = R \cdot i = R I_m \sin(\omega t + \psi_i) = U_{Rm} \sin(\omega t + \psi_i) \). - На катушке индуктивности: Напряжение опережает ток на \( 90^\circ \) (\( \pi/2 \)).
\( u_L = L \frac{di}{dt} = \omega L I_m \cos(\omega t + \psi_i) = U_{Lm} \sin(\omega t + \psi_i + \frac{\pi}{2}) \). - На конденсаторе: Напряжение отстает от тока на \( 90^\circ \) (\( \pi/2 \)).
\( u_C = \frac{1}{C} \int i \, dt = \frac{I_m}{\omega C} (-\cos(\omega t + \psi_i)) = U_{Cm} \sin(\omega t + \psi_i — \frac{\pi}{2}) \).
Амплитуды напряжений определяются как:
\( U_{Rm} = R I_m \); \( U_{Lm} = \omega L I_m = X_L I_m \); \( U_{Cm} = \frac{I_m}{\omega C} = X_C I_m \).
Действующие значения соответственно равны:
\( U_R = R I \); \( U_L = X_L I \); \( U_C = X_C I \).

б) Векторная диаграмма напряжений: Вектор \( U_R \) совпадает с током, \( U_L \) направлен вверх (+90°), \( U_C \) направлен вниз (-90°).
Переход к комплексной форме
Для упрощения расчетов перейдем от временных функций к комплексным амплитудам. Учитывая, что умножение на мнимую единицу \( j \) соответствует повороту вектора на \( +90^\circ \) (\( e^{j\pi/2} = j \)), а \( -j \) — на \( -90^\circ \) (\( e^{-j\pi/2} = -j \)):
\( \underline{U}_{Lm} = \omega L I_m e^{j(\psi_i + \pi/2)} = j \omega L \underline{I}_m = j X_L \underline{I}_m \)
\( \underline{U}_{Cm} = \frac{1}{\omega C} I_m e^{j(\psi_i — \pi/2)} = -j \frac{1}{\omega C} \underline{I}_m = -j X_C \underline{I}_m \)
Аналогичные соотношения справедливы и для комплексных действующих значений напряжений:
По второму закону Кирхгофа для мгновенных значений сумма падений напряжений равна ЭДС источника:
Записав это уравнение в комплексной форме для действующих значений, получаем:
Вынесем ток \( \underline{I} \) за скобки:
Закон Ома в комплексной форме
Из полученного уравнения следует закон Ома для цепи переменного тока:
Где \( \underline{Z} \) — комплексное сопротивление последовательной RLC-цепи:
- \( X_L = \omega L \) — индуктивное сопротивление;
- \( X_C = \frac{1}{\omega C} \) — емкостное сопротивление;
- \( X = X_L — X_C \) — реактивное сопротивление;
- \( R \) — активное сопротивление;
- \( Z = \sqrt{R^2 + X^2} \) — модуль полного сопротивления (импеданс);
- \( \phi = \text{arctg}\frac{X}{R} \) — аргумент комплексного сопротивления (угол сдвига фаз).
2. Пример практического расчета (Последовательная цепь)
Задача: В неидеальной катушке, индуктивность которой равна 12 мГн, а активное сопротивление 9 Ом, протекает ток \( i(t) = 2 \sin(1000t) \) А (см. рис. 2, а). Чему равно мгновенное значение приложенного напряжения?
а) Схема замещения катушки: последовательно соединенные \( R \) и \( L \).
б) Комплексная схема: резистор с сопротивлением \( R \) и реактивный элемент \( j\omega L \).
Решение: Применим символический метод.
- Перейдем к комплексной схеме на частоте \( \omega = 1000 \) рад/с.
- Рассчитаем комплексное сопротивление катушки:
\( \underline{Z} = R + j\omega L = 9 + j(1000 \cdot 12 \cdot 10^{-3}) = 9 + j12 \) Ом.
Переведем в показательную форму:
\( |Z| = \sqrt{9^2 + 12^2} = \sqrt{81 + 144} = \sqrt{225} = 15 \) Ом.
\( \phi = \text{arctg}(12/9) \approx 53,13^\circ \).
Итого: \( \underline{Z} = 15 \angle 53,13^\circ \) Ом. - Комплексная амплитуда тока:
Так как начальная фаза тока равна 0, то \( \underline{I}_m = 2 \angle 0^\circ = 2 \) А. - Найдем комплексную амплитуду напряжения по закону Ома:
\( \underline{U}_m = \underline{Z} \cdot \underline{I}_m = (15 \angle 53,13^\circ) \cdot 2 = 30 \angle 53,13^\circ \) В.
- Запишем мгновенное значение напряжения (возвращаемся во временную область):
\( u(t) = 30 \sin(1000t + 53,13^\circ) \) В.
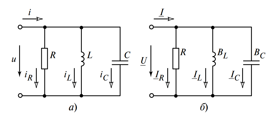
3. Параллельная RLC-цепь: Первый закон Кирхгофа и проводимости
При анализе цепей с параллельным соединением элементов (рис. 3) удобнее оперировать не сопротивлениями, а проводимостями.

а) Схема цепи: Элементы \( R \), \( L \) и \( C \) подключены параллельно к источнику \( u \). Ток \( i \) разветвляется на \( i_R, i_L, i_C \).
б) Схема с проводимостями: Представление элементов через \( G \), \( B_L \), \( B_C \).
Пусть напряжение на входе \( u = U_m \sin(\omega t + \psi_u) \) представлено комплексным действующим значением \( \underline{U} \). Токи в ветвях определяются следующим образом:
\( \underline{I}_L = \frac{\underline{U}}{j\omega L} = \frac{\underline{U}}{j X_L} = -j B_L \underline{U} \)
\( \underline{I}_C = \frac{\underline{U}}{1/(j\omega C)} = j \omega C \underline{U} = j B_C \underline{U} \)
Где:
- \( G = 1/R \) — активная проводимость;
- \( B_L = \frac{1}{\omega L} \) — индуктивная проводимость;
- \( B_C = \omega C \) — емкостная проводимость.
По первому закону Кирхгофа сумма токов в узле равна нулю (или входящий ток равен сумме исходящих):
Отсюда получаем выражение для полной комплексной проводимости \( \underline{Y} \):
(Примечание: Знак перед мнимой частью зависит от того, что считать результирующей реактивной проводимостью \( B \). Обычно принимают \( B = B_C — B_L \) или наоборот, важно следить за знаками токов). В исходном выражении принято:
Модуль полной проводимости: \( Y = \sqrt{G^2 + (B_L — B_C)^2} \).
4. Сравнение методов расчета
| Характеристика | Последовательная RLC-цепь | Параллельная RLC-цепь |
|---|---|---|
| Основной закон | II закон Кирхгофа (сумма напряжений) | I закон Кирхгофа (сумма токов) |
| Ключевой параметр | Импеданс (Сопротивление) \( \underline{Z} \) | Адмиттанс (Проводимость) \( \underline{Y} \) |
| Общий параметр | Ток \( \underline{I} \) одинаков для всех | Напряжение \( \underline{U} \) одинаково для всех |
| Резонанс | Резонанс напряжений (\( U_L = U_C \)) | Резонанс токов (\( I_L = I_C \)) |
| Формула | \( \underline{Z} = R + j(\omega L — \frac{1}{\omega C}) \) | \( \underline{Y} = G + j(\omega C — \frac{1}{\omega L}) \) |
5. Пример сложного расчета (Параллельная цепь)
Пример 1. Сопротивление \( R \) неидеального конденсатора постоянному току равно 10 кОм (утечка). При переменном токе частотой \( f_1 = 1600 \) Гц известен тангенс угла потерь \( \text{tg} \, \delta = 0,05 \). Для параллельной схемы замещения конденсатора определить \( \text{tg} \, \delta \), полную мощность \( S \), активную \( P \) и реактивную \( Q \) при новой частоте \( f_2 = 3200 \) Гц и напряжении \( U = 380 \) В. Активное сопротивление считать постоянным.

а) Параллельная схема замещения конденсатора: Резистор утечки \( R \) параллельно с идеальной емкостью \( C \).
б) Векторная диаграмма токов: Активный ток \( I_R \) совпадает с напряжением \( U \), емкостный ток \( I_C \) опережает на 90°. Угол \( \delta \) дополняет фазовый сдвиг до 90°.
Решение:
- Найдем емкость конденсатора.
Для параллельной схемы замещения \( \text{tg} \, \delta = \frac{I_R}{I_C} = \frac{U/R}{U \omega C} = \frac{1}{R \omega C} \).
На частоте \( f_1 = 1600 \) Гц:\( C = \frac{1}{R \cdot 2\pi f_1 \cdot \text{tg} \, \delta} = \frac{1}{10^4 \cdot 2\pi \cdot 1600 \cdot 0,05} \approx 0,198 \cdot 10^{-6} \text{ Ф} = 0,198 \text{ мкФ}. \) - Расчет на новой частоте \( f_2 = 3200 \) Гц.
Так как частота увеличилась в 2 раза, а \( R \) и \( C \) неизменны, новый угол потерь:\( \text{tg} \, \delta_2 = \frac{1}{R \cdot 2\pi f_2 \cdot C} = \frac{1}{10^4 \cdot 2\pi \cdot 3200 \cdot 0,198 \cdot 10^{-6}} \approx 0,025. \)(Тангенс уменьшился в 2 раза).
- Расчет мощностей при \( U = 380 \) В.
Активная мощность (рассеивается на R):\( P = \frac{U^2}{R} = \frac{380^2}{10000} = 14,44 \text{ Вт}. \)Реактивная мощность (на C):
\( Q = U^2 \omega_2 C = 380^2 \cdot (2\pi \cdot 3200) \cdot 0,198 \cdot 10^{-6} \approx 577,6 \text{ ВАр}. \)Полная мощность:
\( S = \sqrt{P^2 + Q^2} = \sqrt{14,44^2 + 577,6^2} \approx 577,8 \text{ ВА}. \)
6. Преимущества и недостатки символического метода
- Преимущества:
- Замена интегро-дифференциальных уравнений простыми алгебраическими.
- Возможность использования векторных диаграмм для наглядности.
- Универсальность законов Ома и Кирхгофа (работают как для DC, так и для AC).
- Недостатки:
- Применим только для линейных цепей.
- Работает только для установившегося синусоидального режима (не подходит для переходных процессов без применения преобразования Лапласа).
- Требует знаний алгебры комплексных чисел.
7. Интересные факты об электротехнике и комплексных числах
- 1. Магия «J»: Электротехники используют букву \( j \) для мнимой единицы вместо математической \( i \), чтобы не путать её с символом мгновенного тока \( i(t) \).
- 2. Штейнмец — спаситель GE: Чарльз Штейнмец, внедривший этот метод, был горбатым карликом с гигантским интеллектом. Когда General Electric не могли починить генератор, он пришел, поставил мелом крестик на корпусе и выставил счет на $10,000. «1 доллар за мел, 9999 за знание, куда поставить».
- 3. Реальность мнимого: Хотя числа называются «мнимыми», реактивная мощность \( Q \), рассчитываемая с их помощью, вполне реальна — она греет провода, но не совершает полезной работы в нагрузке.
- 4. Эйлер всему голова: Формула \( e^{j\phi} = \cos \phi + j \sin \phi \), лежащая в основе метода, считается одной из самых красивых в математике.
- 5. Скин-эффект: На высоких частотах комплексное сопротивление провода меняется, так как ток вытесняется на поверхность. Обычный закон Ома \( U=IR \) здесь дает сбой без учета поля.
- 6. Резонанс-разрушитель: Если \( X_L = X_C \), сопротивление цепи падает до минимума (только R). В мощных сетях это может вызвать токи короткого замыкания и взрывы, хотя «на бумаге» все элементы целы.
- 7. 50 vs 60 Гц: Выбор частоты (омега в формулах) исторически случаен. Тесла хотел 60 Гц, немцы — 50 Гц. Это влияет на \( X_L \) и \( X_C \) во всем мире до сих пор.
8. FAQ: Часто задаваемые вопросы
1. Почему нельзя просто складывать амплитуды напряжений \( U_R + U_L + U_C \)?
2. Что такое \( j \) физически?
3. В чем разница между Z и R?
4. Можно ли применять эти формулы для несинусоидального тока?
5. Зачем нужен «минус» в формуле для конденсатора?
Заключение
Символический метод расчета цепей переменного тока, основанный на законах Ома и Кирхгофа в комплексной форме, является фундаментальным инструментом современного инженера. Он позволяет элегантно обходить сложности дифференциального исчисления, превращая анализ динамических процессов в RLC-цепях в решение линейных алгебраических уравнений. Понимание природы активного и реактивного сопротивления, а также фазовых сдвигов, критически важно для проектирования любых систем — от простейших фильтров до глобальных энергосетей.
Нормативная база
При проектировании и оформлении схем следует руководствоваться действующими стандартами:
- ГОСТ IEC 60050-131-2015 — Международный электротехнический словарь. Часть 113. Физика в электротехнике
. - ГОСТ 2.702-2011 — ЕСКД. Правила выполнения электрических схем.
- ГОСТ 2.723-68 — Обозначения условные графические в схемах. Катушки индуктивности, дроссели, трансформаторы.
- ГОСТ 2.728-74 — Обозначения условные графические. Резисторы, конденсаторы.
Рекомендуемая литература
- Бессонов Л. А. Теоретические основы электротехники. Электрические цепи : учебник для вузов. — 12-е изд., испр. и доп. — Москва : Издательство Юрайт, 2023. — Классический фундаментальный учебник, подробно описывающий символический метод.
- Нейман Л. Р., Демирчян К. С. Теоретические основы электротехники. В 2-х томах. — Санкт-Петербург : Питер, 2019. — Одно из самых авторитетных изданий по теории цепей, содержащее глубокий физический и математический анализ.
- Атабеков Г. И. Основы теории цепей. — Москва : Лань, 2021. — Отличается доступностью изложения материала и большим количеством разобранных примеров расчета комплексным методом.
