Содержание страницы
Метод узловых потенциалов — это метод расчета электрических цепей, основанный на применении первого закона Кирхгофа, в котором в качестве искомых неизвестных принимаются потенциалы узлов цепи. Метод позволяет сократить количество совместно решаемых уравнений до числа независимых узлов схемы \(N_{узл} — 1\).
Исторически метод является развитием формализма, заложенного Густавом Кирхгофом в середине XIX века. В современной электротехнике МУП считается предпочтительным для анализа цепей с большим количеством параллельных ветвей.
Суть метода заключается в определении потенциалов всех узлов схемы относительно одного базисного узла, потенциал которого условно принимается равным нулю (\(\varphi_0 = 0\)). После нахождения потенциалов узлов, токи во всех ветвях определяются по закону Ома для участка цепи с ЭДС.
1. Вывод основных уравнений
Рассмотрим произвольную электрическую цепь. Пусть схема содержит \(n\) узлов. Примем потенциал одного из узлов (например, \(n\)-го) равным нулю: \(\varphi_n = 0\). Для оставшихся \(n-1\) узлов составим уравнения по первому закону Кирхгофа. Ток в любой ветви между узлами \(i\) и \(j\) можно выразить через потенциалы этих узлов и параметры ветви (сопротивление \(R_{ij}\), проводимость \(g_{ij} = 1/R_{ij}\) и ЭДС \(E_{ij}\)):
$$ I_{ij} = \frac{\varphi_i — \varphi_j + E_{ij}}{R_{ij}} = (\varphi_i — \varphi_j + E_{ij}) \cdot g_{ij} $$
Подставив подобные выражения в уравнения первого закона Кирхгофа для каждого независимого узла и сгруппировав члены при неизвестных потенциалах \(\varphi\), получим систему канонических уравнений метода узловых потенциалов. Для цепи с \(n\) узлами система будет иметь вид:
$$
\begin{cases}
G_{11}\varphi_1 — G_{12}\varphi_2 — \dots — G_{1(n-1)}\varphi_{n-1} = J_{11} \\
-G_{21}\varphi_1 + G_{22}\varphi_2 — \dots — G_{2(n-1)}\varphi_{n-1} = J_{22} \\
\dots \\
-G_{(n-1)1}\varphi_1 — G_{(n-1)2}\varphi_2 — \dots + G_{(n-1)(n-1)}\varphi_{n-1} = J_{(n-1)(n-1)}
\end{cases}
$$
Где:
- \(\varphi_1, \varphi_2, \dots\) — искомые потенциалы узлов.
- \(G_{kk}\) — собственная проводимость узла \(k\): сумма проводимостей всех ветвей, сходящихся в узле \(k\). Всегда положительна.
- \(G_{kj} = G_{jk}\) — взаимная проводимость между узлами \(k\) и \(j\): сумма проводимостей ветвей, соединяющих непосредственно эти два узла. В канонической системе берется со знаком «минус».
- \(J_{kk}\) — узловой ток узла \(k\): алгебраическая сумма произведений ЭДС ветвей, примыкающих к узлу \(k\), на их проводимости, плюс алгебраическая сумма токов источников тока, подведенных к данному узлу.
$$ J_{kk} = \sum_{m} E_m g_m + \sum_{p} J_p $$Правило знаков для \(J_{kk}\): если ЭДС \(E_m\) или источник тока \(J_p\) направлены к узлу \(k\), они берутся со знаком «плюс», если от узла — со знаком «минус».
2. Алгоритм расчета цепи методом узловых потенциалов
- Определить количество узлов в схеме \(N\).
- Выбрать один узел в качестве базисного (опорного) и заземлить его (\(\varphi_0 = 0\)). Рекомендуется выбирать узел, к которому сходится наибольшее число ветвей.
- Пронумеровать остальные \(N-1\) узлов.
- Определить собственные проводимости узлов \(G_{kk}\) и взаимные проводимости ветвей \(G_{kj}\).
- Рассчитать узловые токи \(J_{kk}\) для каждого независимого узла.
- Составить систему линейных алгебраических уравнений.
- Решить систему и найти потенциалы узлов \(\varphi_1, \varphi_2, \dots \varphi_{N-1}\).
- По закону Ома для активного участка цепи найти токи в ветвях. Например, для ветви между узлами 1 и 2:
$$ I_{12} = \frac{\varphi_1 — \varphi_2 + E_{12}}{R_{12}} $$
3. Примеры применения метода
3.1. Базовый пример составления уравнений
Рассмотрим схему, содержащую 3 узла и 6 ветвей (рис. 1). По первому закону Кирхгофа составим уравнения для первого и второго узлов:
$$
\begin{cases}
-I_1 — I_2 — I_3 = 0 \\
I_3 + I_4 + I_5 = -J
\end{cases}
\quad (1)
$$

Рисунок 1. Схема электрической цепи для метода узловых потенциалов (иллюстрация к выводу уравнений).
Выразим каждый ток через потенциалы на концах ветвей, используя закон Ома:
$$ I_1 = (\varphi_3 — \varphi_1 — E_1)g_1 $$
$$ I_2 = (\varphi_3 — \varphi_1)g_2 $$
$$ I_3 = (\varphi_1 — \varphi_2 + E_3)g_3 $$
$$ I_4 = (\varphi_3 — \varphi_2)g_4 $$
$$ I_5 = (\varphi_3 — \varphi_2 + E_5)g_5 $$
Примем потенциал третьего узла равным нулю (\(\varphi_3 = 0\)). Подставим выражения токов в систему (1), используя проводимости \(g_k = 1/R_k\). После преобразований и группировки получим систему:
$$
\begin{cases}
(g_1 + g_2 + g_3)\varphi_1 — g_3\varphi_2 = -E_1 g_1 + E_3 g_3 \\
-g_3\varphi_1 + (g_3 + g_4 + g_5)\varphi_2 = -E_3 g_3 — E_5 g_5 — J
\end{cases}
$$
Здесь \(g_{11} = g_1 + g_2 + g_3\) и \(g_{22} = g_3 + g_4 + g_5\) — собственные проводимости узлов 1 и 2; \(g_{12} = g_3\) — проводимость ветви между узлами.
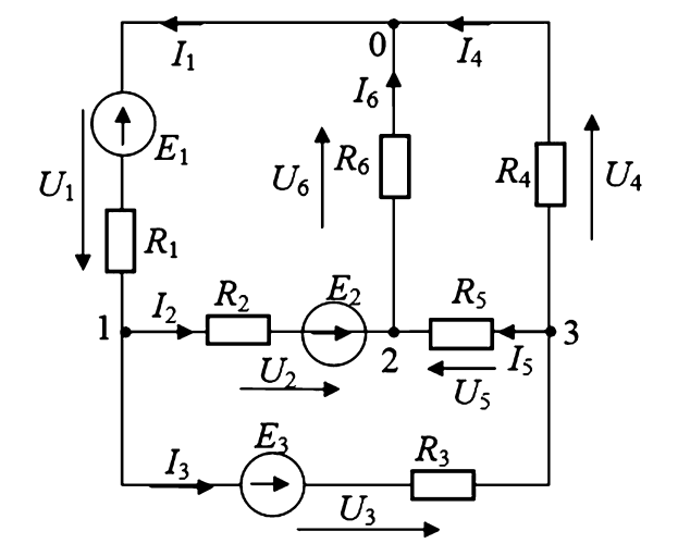
3.2. Расчетный пример (по материалам исходных данных)
Дано: Электрическая схема (рис. 2) с шестью неизвестными токами. Параметры источников: \(E_1 = 6\) В, \(E_2 = 12\) В, \(E_3 = 18\) В. Сопротивления ветвей: \(r_1 = r_2 = r_3 = 2\) Ом, \(r_4 = r_5 = r_6 = 6\) Ом.
Задача: Определить токи во всех ветвях методом узловых потенциалов.

Рисунок 2. Схема электрической цепи к расчетному примеру.
Решение:
1. Примем потенциал в точке 0 равным нулю: \(\varphi_0 = 0\).
2. Вычислим проводимости ветвей: \(g_1=g_2=g_3 = 1/2 = 0.5\) См; \(g_4=g_5=g_6 = 1/6 \approx 0.167\) См.
3. Запишем уравнения для узлов с потенциалами \(\varphi_1, \varphi_2, \varphi_3\) в канонической форме. Исходя из структуры типичной мостовой схемы для данной задачи:
$$
\begin{cases}
(g_1 + g_2 + g_3)\varphi_1 — g_2\varphi_2 — g_3\varphi_3 = J_{11} \\
-g_2\varphi_1 + (g_2 + g_5 + g_6)\varphi_2 — g_5\varphi_3 = J_{22} \\
-g_3\varphi_1 — g_5\varphi_2 + (g_3 + g_4 + g_5)\varphi_3 = J_{33}
\end{cases}
$$
Подставив числовые значения проводимостей и ЭДС (с учетом их направлений в конкретной схеме), получим систему уравнений:
$$
\begin{cases}
1.5\varphi_1 — 0.5\varphi_2 — 0.5\varphi_3 = -18 \\
-0.5\varphi_1 + 0.833\varphi_2 — 0.167\varphi_3 = 6 \\
-0.5\varphi_1 — 0.167\varphi_2 + 0.833\varphi_3 = 9
\end{cases}
$$
Решая систему уравнений, получаем искомые потенциалы:
$$ \varphi_1 = -9 \text{ В}; \quad \varphi_2 = 3 \text{ В}; \quad \varphi_3 = 6 \text{ В}. $$
4. Определяем токи в ветвях, используя найденные потенциалы и принятые положительные направления токов:
- \(I_1 = (\varphi_0 — \varphi_1 — E_1) \cdot g_1 = (0 — (-9) — 6) \cdot 0.5 = 1.5\) А
- \(I_2 = (\varphi_1 — \varphi_2 + E_2) \cdot g_2 = (-9 — 3 + 12) \cdot 0.5 = 0\) А
- \(I_3 = (\varphi_1 — \varphi_3 + E_3) \cdot g_3 = (-9 — 6 + 18) \cdot 0.5 = 1.5\) А
- \(I_4 = (\varphi_3 — \varphi_0) \cdot g_4 = (6 — 0) \cdot (1/6) = 1\) А
- \(I_5 = (\varphi_3 — \varphi_2) \cdot g_5 = (6 — 3) \cdot (1/6) = 0.5\) А
- \(I_6 = (\varphi_2 — \varphi_0) \cdot g_6 = (3 — 0) \cdot (1/6) = 0.5\) А
4. Сравнительный анализ методов расчета цепей
Выбор метода расчета зависит от топологии цепи. Ниже приведена таблица сравнения МУП с другими основными методами.
| Критерий сравнения | Метод узловых потенциалов (МУП) | Метод контурных токов (МКТ) | Законы Кирхгофа (прямой метод) |
|---|---|---|---|
| Основная переменная | Потенциал узла (\(\varphi\)) | Контурный ток (\(I_{kk}\)) | Токи ветвей (\(I_k\)) |
| Количество уравнений | \(N_{узлов} — 1\) | \(N_{ветвей} — N_{узлов} + 1\) | \(N_{ветвей}\) |
| Предпочтительная топология | Цепи с большим числом параллельных ветвей (меньше узлов, чем контуров) | Сложные разветвленные цепи с малым числом контуров | Простые цепи |
| Сложность формирования матрицы | Низкая (легко формализуется) | Средняя (требует выбора независимых контуров) | Высокая для больших цепей |
5. Преимущества и недостатки МУП
Преимущества:
- Экономичность: для многих практических схем (особенно электронных) число узлов значительно меньше числа ветвей.
- Алгоритмизируемость: процесс формирования уравнений легко поддается автоматизации на ЭВМ. Матрица проводимостей \(G\) обычно симметрична относительно главной диагонали, что упрощает численные методы решения.
- Универсальность: подходит для расчета цепей как с источниками напряжения, так и с источниками тока.
Недостатки:
- Проблема идеальных ЭДС: если в цепи есть ветви, содержащие только идеальные источники ЭДС (без сопротивления), прямое применение метода затруднено, так как проводимость такой ветви стремится к бесконечности. Требуется введение специальных приемов (например, объединение узлов в «суперузел»).
- Меньшая наглядность: по сравнению с методом контурных токов, физический смысл промежуточных переменных (потенциалов) может быть менее очевиден для инженера, привыкшего оперировать токами.
6. Интересные факты о методе
- МУП является математическим дуалом метода контурных токов.
- В англоязычной литературе метод называется Nodal Analysis.
- Большинство симуляторов электронных схем (семейство SPICE: LTspice, Micro-Cap, Multisim) используют модифицированный метод узловых потенциалов (MNA) в качестве основного расчетного ядра.
- Метод применим не только к электрическим, но и к гидравлическим, тепловым и магнитным цепям по принципу электрогидродинамической аналогии.
- Если в схеме только два узла, метод вырождается в простую формулу для межузлового напряжения (метод двух узлов).
- Матрица проводимостей в МУП всегда является вырожденной до момента выбора базисного узла (ее определитель равен нулю). Заземление одного узла устраняет эту вырожденность.
- Для цепей переменного тока метод применяется аналогично, но с использованием комплексных проводимостей и потенциалов.
7. Часто задаваемые вопросы (FAQ)
Заключение
Метод узловых потенциалов является мощным и наиболее формализованным инструментом анализа линейных электрических цепей. Его освоение необходимо любому специалисту в области электротехники и электроники, так как он обеспечивает эффективный расчет сложных схем и служит фундаментом для понимания работы компьютерных систем автоматизированного проектирования.
Нормативная база
При выполнении расчетов и оформлении технической документации необходимо руководствоваться действующими государственными стандартами:
- ГОСТ Р 52002-2003 «Электротехника. Термины и определения основных понятий». Стандарт устанавливает основные термины, используемые в МУП: «узел электрической цепи», «ветвь», «потенциал».
- ГОСТ 2.701-2008 «Единая система конструкторской документации (ЕСКД). Схемы. Виды и типы. Общие требования к выполнению».
- ГОСТ 2.710-81 «ЕСКД. Обозначения буквенно-цифровые в электрических схемах».
Список литературы
- Бессонов Л.А. Теоретические основы электротехники. Электрические цепи. – М.: Юрайт, 2016.
- Нейман Л.Р., Демирчян К.С. Теоретические основы электротехники. Том 1. – Л.: Энергоиздат, 1981.
