Содержание страницы
- 1. Классификация и элементы магнитных цепей
- 2. Методика расчета неразветвленной магнитной цепи
- 3. Прямая и обратная задачи расчета
- 4. Расчет разветвленной магнитной цепи
- 5. Практические примеры расчета
- Преимущества и недостатки методов расчета
- Интересные факты о магнитных цепях
- FAQ: Часто задаваемые вопросы
- Заключение
Что такое магнитная цепь? В электротехнике под этим термином понимается совокупность устройств и сред, через которые замыкается магнитный поток. Понимание принципов работы магнитных цепей является фундаментом для проектирования электрических машин, трансформаторов, электромагнитов, реле и измерительных приборов. Без точного расчета магнитной системы невозможно создание эффективного электродвигателя или надежного привода.
Исторически развитие теории магнитных цепей неразрывно связано с именами великих физиков XIX века. Основы были заложены Андре-Мари Ампером, открывшим магнитное действие тока, и Майклом Фарадеем, введшим понятие магнитного поля. Однако формализация расчета, аналогичная электрическим цепям (известная как закон Гопкинсона), была разработана позже, что позволило инженерам перейти от эмпирических наблюдений к точному математическому моделированию. В данной статье рассматриваются ключевые аспекты классификации, физические принципы и современные алгоритмы расчета разветвленных и неразветвленных магнитных цепей с учетом нелинейных свойств ферромагнетиков.
1. Классификация и элементы магнитных цепей
Основным функциональным элементом большинства электротехнических устройств является магнитная система. Для упрощения анализа и проектирования реальную физическую систему представляют в виде идеализированной модели — магнитной цепи.
Конструктивно магнитная цепь включает в себя следующие компоненты:
- Источники магнитного поля (обычно это катушки с током или постоянные магниты).
- Магнитопроводы — элементы из ферромагнитных материалов (сердечники, ярма), обладающие высокой магнитной проницаемостью.
- Воздушные зазоры или слои неферромагнитных материалов, через которые замыкается магнитный поток.

Рассмотрим принцип действия на примере электромагнита. Источником поля служит обмотка с количеством витков \( w \), по которой протекает электрический ток \( I \). Произведение тока на число витков создает магнитодвижущую силу (МДС):
$$ F = Iw $$
Единицей измерения МДС в системе СИ является ампер (А).
По топологии магнитные цепи делятся на два больших класса:
- Неразветвленные (Рис. 1, а) — магнитный поток одинаков во всех сечениях цепи.
- Разветвленные (Рис. 1, б) — поток разделяется на несколько ветвей, аналогично току в параллельных электрических ветвях.
Эквивалентные схемы замещения
Для математического анализа физическую конструкцию заменяют расчетной моделью — эквивалентной схемой (Рис. 2).
[Рисунок 2. Эквивалентные схемы замещения для цепей из Рис. 1: а) Последовательное соединение источника МДС и магнитных сопротивлений; б) Сложная схема с узлами и контурами]

В этих схемах:
- МДС \( F = Iw \) аналогична Электродвижущей силе (ЭДС).
- Магнитный поток \( \Phi \) аналогичен электрическому току.
- Магнитные сопротивления участков магнитопровода и зазора аналогичны электрическим резисторам.
Важно учитывать, что зависимость магнитной индукции \( B \) от напряженности поля \( H \) для ферромагнетиков нелинейна (кривая намагничивания), поэтому сопротивления магнитопровода на схемах отображаются как нелинейные элементы.
Допущения при инженерном расчете
Реальная физическая картина магнитного поля сложна: существуют потоки рассеяния \( \Phi_\sigma \) (замыкающиеся мимо целевого пути) и эффект «выпучивания» линий в зазоре. Для инженерных расчетов вводят ряд стандартных допущений:
- Магнитная индукция \( B \) распределена равномерно по сечению магнитопровода.
- Потоками рассеяния \( \Phi_\sigma \) пренебрегают (считаем, что весь поток идет по стали и зазору).
- Выпучивание поля в зазоре не учитывается (площадь поля в зазоре равна площади сечения полюса).
- Для расчета берется средняя линия магнитной индукции (геометрическая ось стержней и ярм).
2. Методика расчета неразветвленной магнитной цепи
Расчет базируется на Законе полного тока (интегральная форма уравнений Максвелла для стационарного поля). Задача обычно сводится к двум типам: нахождение необходимой МДС для создания заданного потока или определение потока при известной МДС.
Рассмотрим схему на Рис. 1, а. Пусть заданы: \( l \) — средняя длина пути в стали, \( l_в \) — длина воздушного зазора, \( S \) — площадь поперечного сечения. Материал описывается кривой намагничивания (Рис. 3).

Согласно закону полного тока, сумма падений магнитных напряжений вдоль контура равна суммарной МДС:
$$ Iw = Hl + H_в l_в = U_{м.м} + U_{м.в} $$
Где:
\( H \) и \( H_в \) — напряженности поля в стали и воздухе соответственно;
\( U_{м.м} \) — магнитное напряжение на участке ферромагнетика;
\( U_{м.в} \) — магнитное напряжение на воздушном зазоре.
Магнитное сопротивление
По аналогии с законом Ома \( R = l / (\gamma S) \), вводится понятие магнитного сопротивления:
$$ R_м = \frac{l}{\mu_r \mu_0 S} $$
Здесь \( \mu_0 = 4\pi \cdot 10^{-7} \) Гн/м — магнитная постоянная, а \( \mu_r \) — относительная магнитная проницаемость материала.
Поскольку \( \mu_r \) стали зависит от поля (\( \mu_r = f(\Phi) \)), сопротивление стали \( R_{м.м} \) является величиной переменной. Однако сопротивление воздушного зазора \( R_{м.в} \) всегда линейно, так как для воздуха \( \mu_r \approx 1 \).
Уравнение состояния цепи приобретает вид:
$$ Iw = U_{м.м}(\Phi) + R_{м.в} \Phi $$
Графоаналитический метод решения
Из-за нелинейности слагаемого \( U_{м.м}(\Phi) \) аналитическое решение затруднено. Применяется графический метод (Рис. 4):
- Строится вебер-амперная характеристика магнитопровода \( \Phi(U_{м.м}) \) путем пересчета кривой \( B(H) \) (умножением \( B \) на \( S \) и \( H \) на \( l \)).
- Строится линейная характеристика зазора \( \Phi(U_{м.в}) \), проходящая через начало координат.
- Характеристики суммируются по оси напряжений для получения общей кривой \( \Phi(U_{м.м} + U_{м.в}) \).

Алгоритм поиска рабочей точки:
Если задана МДС \( F \), откладываем её на оси абсцисс, восстанавливаем перпендикуляр до пересечения с суммарной кривой (точка 1). Проекция на ось ординат дает искомый поток \( \Phi_1 \).
3. Прямая и обратная задачи расчета
В инженерной практике выделяют два основных типа задач. Они различаются исходными данными и искомыми величинами.
| Тип задачи | Дано (Известные параметры) | Найти (Искомые параметры) | Метод решения |
|---|---|---|---|
| Прямая задача | Геометрия, Материал (кривая B-H), Магнитный поток \( \Phi \) (или индукция B) | Необходимая МДС (\( Iw \)) или ток \( I \) | Аналитический (по формулам и таблицам), однозначное решение |
| Обратная задача | Геометрия, Материал (кривая B-H), МДС (\( Iw \)) | Магнитный поток \( \Phi \) и индукция B в зазоре | Графоаналитический или итерационный (метод последовательных приближений) |
Особенности решения обратной задачи методом итераций
Обратная задача сложнее, так как мы не знаем, в какой точке кривой намагничивания работаем, а значит, не знаем \( \mu_r \). Решение выполняется методом подбора (интерполяции):
- Шаг 1. Задаемся начальным приближением потока \( \Phi_1 \). Обычно полагают, что всё падение напряжения приходится на зазор: \( \Phi_1 \approx \mu_0 H_в S \), где \( H_в l_в \approx Iw \). Это значение будет завышенным.
- Шаг 2. Выбираем значение потока \( \Phi_2 < \Phi_1 \).
- Шаг 3. Для обоих значений потока решаем прямую задачу: находим расчетные \( F_1 \) и \( F_2 \).
- Шаг 4. Сравниваем полученные \( F \) с заданным. Строим локальный участок зависимости \( \Phi(Iw) \) (Рис. 6) и находим истинный поток, соответствующий заданному \( Iw \).

4. Расчет разветвленной магнитной цепи
Для сложных систем (например, трехстержневой трансформатор или двигатель) применяются законы Кирхгофа для магнитных цепей:
Первый закон Кирхгофа (Принцип непрерывности потока): Алгебраическая сумма магнитных потоков в узле равна нулю.
$$ \sum \Phi = 0 \quad \Rightarrow \quad \Phi_1 + \Phi_2 — \Phi_3 = 0 $$
Второй закон Кирхгофа (Закон полного тока для контура): Алгебраическая сумма падений магнитных напряжений вдоль замкнутого контура равна алгебраической сумме МДС в этом контуре.
$$ \sum Hl = \sum Iw $$
Для схемы на Рис. 1,б система уравнений будет выглядеть так:
$$
\begin{cases}
\Phi_1 + \Phi_2 — \Phi_3 = 0 \\
I_1 w_1 = H_1 l_1 + H_3 l_3 + H_в l_в \\
I_2 w_2 = H_2 l_2 + H_3 l_3 + H_в l_в
\end{cases}
$$
Расчет удобно вести в табличной форме, последовательно вычисляя индукции и напряженности для каждого участка.
5. Практические примеры расчета
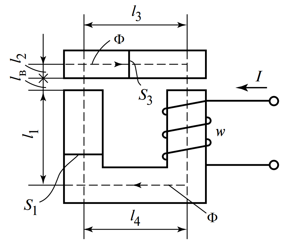
Пример 1: Расчет обмотки электромагнита (Прямая задача)
Дано: Электромагнит (Рис. 7) из стали 10880.
Ток \( I = 20 \) А. Требуемый поток \( \Phi = 30 \cdot 10^{-4} \) Вб.
Размеры: \( l_1 = 30 \) см, \( l_2 = 2,5 \) см, \( l_3 = l_4 = 12 \) см, зазор \( l_в = 0,5 \) см.
Сечения: \( S_1 = 30 \) см\(^2\), \( S_3 = 25 \) см\(^2\).
Найти: Число витков \( w \).

Решение:
- Находим индукции на участках.Для ярма (участок 1 и 4): \( B_1 = B_4 = \Phi / S_1 = 30 \cdot 10^{-4} / (30 \cdot 10^{-4}) = 1 \) Тл.Для якоря (участок 3) и полюсов (участок 2): \( B_3 = B_2 = \Phi / S_3 = 30 \cdot 10^{-4} / (25 \cdot 10^{-4}) = 1.2 \) Тл.Индукция в зазоре \( B_в = B_3 = 1.2 \) Тл (без учета рассеяния).
- Определяем напряженности поля \( H \) по кривой намагничивания (Рис. 3) для стали 10880:При \( B_1 = 1 \) Тл \(\rightarrow H_1 = 150 \) А/м.При \( B_3 = 1.2 \) Тл \(\rightarrow H_3 = 275 \) А/м.
- Рассчитываем напряженность в воздушном зазоре:
$$ H_в = \frac{B_в}{\mu_0} = \frac{1.2}{4\pi \cdot 10^{-7}} \approx 9.55 \cdot 10^5 \text{ А/м (в примере использовано округление } 8 \cdot 10^5 \text{ для учебных целей)} $$
Примечание: В оригинальном тексте задачи приведено значение \( 8 \cdot 10^5 \), используем его для сохранения логики примера. - Составляем уравнение по закону полного тока:
$$ Iw = H_1(2l_1 + l_4) + H_в \cdot 2l_в + H_3(2l_2 + l_3) $$
Подставляем значения (переводя сантиметры в метры):
$$ Iw = 150(0.72) + 8 \cdot 10^5 (0.01) + 275(0.17) = 108 + 8000 + 46.75 \approx 8154.75 \text{ А} $$ - Находим число витков:
$$ w = \frac{Iw}{I} = \frac{8154.75}{20} \approx 408 \text{ витков} $$
Пример 2: Изменение тока (Обратная задача)
Вопрос: Как изменится индукция в зазоре, если ток увеличить на 30% (до \( I’ = 26 \) А)?
Новая МДС: \( F’ = 8154.75 \cdot 1.3 \approx 10601 \) А.
Решение:
Поскольку зависимость \( B(H) \) нелинейна, нельзя просто увеличить поток на 30%. Используем метод итераций.
Мы знаем точку 1: при \( \Phi = 30 \cdot 10^{-4} \) Вб, \( F = 8155 \) А.
Зададимся большим потоком \( \Phi’ = 40 \cdot 10^{-4} \) Вб.
Пересчитываем индукции: \( B’_1 = 1.33 \) Тл, \( B’_3 = 1.6 \) Тл.
По кривой находим новые \( H \): \( H’_1 \approx 375 \) А/м, \( H’_3 \approx 2500 \) А/м.
Считаем новую МДС для этого потока: \( F_{расч} \approx 11220 \) А.
Видим, что \( 11220 > 10601 \) (наша имеющаяся МДС). Значит, истинный поток лежит между \( 30 \cdot 10^{-4} \) и \( 40 \cdot 10^{-4} \).
Строим график (Рис. 8) по полученным точкам и находим пересечение с уровнем \( F = 10601 \) А.
Результат графической интерполяции: \( \Phi_{ист} \approx 38 \cdot 10^{-4} \) Вб.

Преимущества и недостатки методов расчета
| Метод | Преимущества | Недостатки |
|---|---|---|
| Графоаналитический | Наглядность, физическая прозрачность процесса, не требует сложного ПО. | Низкая точность построения, трудоемкость при большом количестве итераций. |
| Численный (компьютерное моделирование) | Высокая точность, учет потоков рассеяния и геометрии (FEM-анализ), быстрота. | Требует специализированного ПО и точных моделей материалов, «черный ящик» для понимания сути процесса. |
Интересные факты о магнитных цепях
-
- Магнитное насыщение: Все ферромагнетики имеют предел намагничивания. Выше определенной точки (обычно 2.0-2.2 Тл для электротехнической стали) материал ведет себя как воздух, и дальнейшее увеличение тока становится энергетически невыгодным.
- Гистерезис: При перемагничивании часть энергии тратится на нагрев сердечника. Площадь петли гистерезиса пропорциональна потерям энергии за один цикл.
- «Магнитный изолятор»: В природе не существует идеальных магнитных изоляторов (подобных диэлектрикам для тока). Магнитное поле проникает через любые материалы, хотя сверхпроводники могут вытеснять его (эффект Мейснера).
- Шихтование сердечников: Магнитопроводы двигателей делают не сплошными, а из тонких изолированных листов стали. Это нужно для борьбы с вихревыми токами (токами Фуко), которые иначе расплавили бы металл.
- Пермаллой: Существуют сплавы (железо-никель), которые намагничиваются даже от слабого магнитного поля Земли. Они используются в высокоточных датчиках.
- Миф о блокировке поля (Как работает экранирование): Вопреки расхожему мнению, магнитные экраны не «останавливают» и не «блокируют» магнитное поле. Они работают как «магнитные проводники» с экстремально низким сопротивлением. Поскольку магнитный поток всегда идет по пути наименьшего сопротивления, силовые линии концентрируются внутри материала экрана и огибают защищаемое пространство, подобно тому как вода обтекает камень в реке.
- Невозможность разрыва цепи (Отсутствие монополей): В отличие от электрической цепи, где можно накопить заряд одного знака (плюс или минус), в магнитной цепи невозможно получить изолированный полюс (монополь). Если распилить магнит или сердечник пополам, вы не отделите Север от Юга, а получите два независимых магнита, каждый со своими полюсами. Это следствие уравнения Максвелла (\( \nabla \cdot \mathbf{B} = 0 \)), которое гласит, что линии магнитного поля всегда замкнуты и не имеют начала и конца.
FAQ: Часто задаваемые вопросы
1. Зачем специально делают воздушный зазор в дросселях?
Воздушный зазор вводится для предотвращения магнитного насыщения сердечника при больших постоянных токах. Он «линеаризует» характеристику дросселя и стабилизирует индуктивность.
2. Можно ли использовать закон Ома для магнитных цепей?
Да, формально закон Гопкинсона (\( \Phi = F / R_м \)) является полным аналогом закона Ома. Однако, в отличие от электрического сопротивления, магнитное сопротивление \( R_м \) не является константой и меняется в зависимости от величины поля.
3. Что такое потоки рассеяния и когда ими нельзя пренебрегать?
Это часть магнитного потока, которая замыкается через воздух, минуя рабочий зазор. Ими нельзя пренебрегать в точных расчетах трансформаторов и электрических машин, так как они влияют на реактивное сопротивление обмоток.
4. Почему гудят трансформаторы?
Основная причина — магнитострикция. Это явление изменения геометрических размеров ферромагнетика при его намагничивании. Сердечник буквально сжимается и разжимается с частотой сети (обычно 100 Гц для сети 50 Гц).
5. Как влияет температура на магнитную цепь?
При нагреве магнитная проницаемость ферромагнетиков падает. При достижении точки Кюри (для железа около 770°C) ферромагнитные свойства исчезают полностью, и материал становится парамагнетиком.
Заключение
Расчет магнитных цепей является критически важным этапом проектирования электротехнических устройств. Несмотря на кажущуюся простоту аналогии с электрическими цепями, наличие нелинейных ферромагнитных элементов требует применения специфических методов анализа — от графоаналитических построений до сложных итерационных алгоритмов. Понимание физики процессов в стали и воздушном зазоре позволяет инженерам создавать эффективные, экономичные и мощные электрические машины, которые являются движущей силой современной промышленности.
Нормативные документы:
- ГОСТ 32482-2013 — Сталь электротехническая холоднокатаная анизотропная тонколистовая. Технические условия.
- ГОСТ Р 52002-2003 — Электротехника. Основные понятия. Термины и определения.
- ГОСТ 2.701-2008 — ЕСКД. Схемы. Виды и типы. Общие требования к выполнению.
Рекомендуемая литература:
- Бессонов Л.А. Теоретические основы электротехники. Электрические цепи. — М.: Юрайт, 2016.
- Нейман Л.Р., Демирчян К.С. Теоретические основы электротехники. Том 2. — СПб.: Питер, 2003.
