Содержание страницы
- Введение: Роль кабельных линий в современной энергетике
- 1. Предварительная диагностика: Целостность и Фазировка
- 2. Высоковольтные испытания: Теория пробоя и Практика
- 3. Эксплуатация: Паспортизация и Надзор
- 4. Тепловой режим: Физика и Расчеты
- 5. Электрохимическая коррозия и методы защиты оболочек
- 6. Профилактические испытания
- 7. Определение мест повреждения (ОМП): Методы и Приборы
- 8. Эволюция диагностики: От «прожига» к неразрушающему контролю
- 9. Практический пример: Как диагностика предотвратила аварию на линии 10 кВ
- 10. Техника безопасности и «Смертельный конденсатор»
- 11. Интересные факты о кабельных линиях и электричестве
- 12. Часто задаваемые вопросы (FAQ)
- Заключение
Руководство также включает исчерпывающий обзор методов определения мест повреждения (ОМП) — от классических мостовых схем и импульсной рефлектометрии до акустического поиска. Рассматривается эволюция диагностических подходов: переход от разрушающих испытаний («прожига») к современному неразрушающему контролю (NDT) методами измерения тангенса угла диэлектрических потерь (\(\tan \delta\)) и частичных разрядов (ЧР).
Введение: Роль кабельных линий в современной энергетике
Надежность энергоснабжения промышленных предприятий и городской инфраструктуры базируется на состоянии кабельных линий (КЛ). В отличие от воздушных линий, кабели скрыты под землей, находятся в агрессивных средах и подвержены сложным термодинамическим и электрохимическим процессам. История развития кабельной техники — это путь от простейших телеграфных проводов в гуттаперчевой оболочке середины XIX века до современных высокотехнологичных линий из сшитого полиэтилена, способных передавать гигаватты мощности.

Однако, каким бы современным ни был кабель, критическими точками его «жизни» являются момент приемки в эксплуатацию (после монтажа или ремонта) и процесс текущей эксплуатации. Статистика показывает, что до 30% отказов кабельных линий происходит в первый год работы из-за скрытых дефектов монтажа (повреждение изоляции при протяжке, некачественная разделка муфт), которые не были выявлены при приемо-сдаточных испытаниях.
1. Предварительная диагностика: Целостность и Фазировка
1.1. Физический смысл проверки целостности
Перед тем как подвергнуть изоляцию стресс-тесту высоким напряжением, необходимо убедиться в физической целостности проводника. Обрыв жилы в многокилометровой линии — это сложная авария, поиск которой требует рефлектометрии. Первичная проверка мегаомметром позволяет исключить грубые механические разрывы («глухой обрыв») и ошибки коммутации.
1.2. Методика работы с мегаомметром (Рис. 1)
Мегаомметр — это не просто омметр. Это генератор высокого напряжения постоянного тока. Принцип его действия основан на измерении тока утечки \( I_{ut} \), протекающего через изоляцию под воздействием калиброванного напряжения \( U \).
Где \( I_{abs} \) — ток абсорбции (поляризации), который затухает со временем.
Для силовых кабелей применяют мегаомметры на напряжение 1000–2500 В. Современные приборы, такие как изображенный ниже, являются цифровыми и позволяют автоматически рассчитывать коэффициент абсорбции.

1.3. Алгоритм проверки (Рис. 2)
Процедура проверки целостности жил (прозвонка) и измерения сопротивления изоляции строго регламентирована:
- Прибор устанавливается на одном конце кабельной линии.
- На противоположном конце линии жилы закорачиваются между собой и заземляются. Это создает замкнутый контур через землю.
- Измерение: Оператор поочередно присоединяет зажим «Л» (Линия) мегаомметра к токоведущим жилам. Второй вывод прибора «З» (Земля) надежно соединен с контуром заземления.
Далее проводятся измерения сопротивления изоляции по различным схемам для выявления межфазных замыканий и замыканий на землю.

а) Измерение фазной изоляции (относительно земли). Зажим «Л» — на жилу, «З» — на броню/землю.
б) Измерение межфазной изоляции. Зажимы подключаются к двум разным жилам.
в) Схема с использованием экрана (G). Исключает влияние поверхностных токов утечки по грязи на изоляторах, повышая точность измерения внутреннего сопротивления.
2. Высоковольтные испытания: Теория пробоя и Практика
2.1. Зачем нужно повышенное напряжение?
Измерение мегаомметром происходит при напряжении до 2.5 кВ. Этого недостаточно, чтобы выявить локальные дефекты (трещины в бумаге, воздушные включения, надломы), которые могут «прострелить» при коммутационных перенапряжениях в сети (когда напряжение кратковременно прыгает до 3-4 \( U_{nom} \)).
Поэтому применяют испытания повышенным выпрямленным напряжением.
2.2. Оборудование: АИД-70 и СНЧ (VLF) установки
АИД-70Ц: Классическая «рабочая лошадка» для кабелей с бумажно-масляной пропитанной изоляцией (БПИ). Выдает постоянный ток высокого напряжения (DC).

HVA28, HVA60 (High Voltage Apparatus): Это установки сверхнизкой частоты (СНЧ или VLF — Very Low Frequency 0.1 Гц). Они используются для кабелей из сшитого полиэтилена (СПЭ).

2.3. Нормы и параметры испытаний
Испытание изоляции проводится строго по таймингу и уровням напряжения:
| Тип кабеля / Напряжение | Метод испытания | Испытательное напряжение | Время выдержки |
|---|---|---|---|
| До 1000 В | Мегаомметр | 2500 В | 1 минута |
| Бумажная изоляция (1-10 кВ) | Повышенное выпрямленное (DC) | \( 6 \cdot U_{nom} \) | 10 минут (каждая жила) |
| Пластмассовая изоляция (до 3 кВ) | Повышенное выпрямленное (DC) | 15 кВ | 10 минут |
| Резиновая изоляция | Повышенное напряжение | \( 2 \cdot U_{nom} \) | 5 минут |
2.4. Критерии оценки состояния
Кабель считается прошедшим «экзамен», если в течение испытания:
- Не произошло полного электрического пробоя (отключение автомата защиты установки).
- Не наблюдалось скользящих разрядов — это поверхностные разряды по концевым муфтам, которые слышны как характерный треск.
- Не было толчков тока утечки. Стрелка микроамперметра должна стоять смирно или плавно опускаться. Резкие скачки говорят о частичных пробоях внутри муфт или изоляции.
- Ток утечки достиг установившегося значения и не возрастает. Возрастание тока — признак теплового разогрева дефекта и скорого пробоя.
2.5. Схемы подачи испытательного напряжения (Рис. 3)

а) Для кабелей с общей поясной изоляцией: Это классические трехжильные кабели (например, ААБл). Высокий потенциал от испытательной установки подается на одну жилу. Две другие жилы и металлическая оболочка соединяются вместе и заземляются. Таким образом, проверяется изоляция «жила-земля» и «жила-жила» одновременно.
б) Для кабелей с поэкранной изоляцией: Это современные кабели (типа АПвП), где каждая жила имеет свой полупроводящий экран и медный экран. Испытательное напряжение прикладывается между токоведущей жилой и её экраном. Другие жилы также должны быть заземлены для безопасности и исключения наведенного напряжения.
3. Эксплуатация: Паспортизация и Надзор
3.1. Паспортизация как основа учета
Безаварийная эксплуатация невозможна без бюрократии в хорошем смысле слова. На каждую КЛ заводится Паспорт. Это «медицинская карта» кабеля.
В паспорте отражаются:
- Геодезический план трассы (привязка к зданиям).
- Марка кабеля, длины участков, заводские номера барабанов.
- Типы и места установки соединительных муфт (самое слабое звено).
- Протоколы всех испытаний (можно отследить деградацию изоляции по годам).
- Данные о ремонтах (где ставили вставки).

3.2. Охрана трасс и земляные работы
Самый страшный враг кабеля — это не электричество, а экскаватор. Механические повреждения занимают первое место в статистике аварий.
Правила безопасности при раскопках:
1. Любые земляные работы в охранной зоне КЛ требуют ордера и письменного разрешения главного энергетика.
2. Механизированная копка (экскаватором, барой) запрещена на расстоянии менее 1 метра от кабеля.
3. В пределах 1 метра (и особенно непосредственно над кабелем) грунт снимается только вручную лопатами. Запрещено использовать ломы, кирки, отбойные молотки, так как ими легко пробить броню.
4. Надзор представителя эксплуатирующей организации обязателен до самого конца работ (включая обратную засыпку, чтобы убедиться, что кабель не завалили строительным мусором).
3.3. Регламент осмотров трасс
Главный энергетик составляет график обходов. ПТЭЭП (Правила технической эксплуатации электроустановок потребителей) устанавливают минимальные требования:
| Объект осмотра | Периодичность | Особые условия |
|---|---|---|
| Кабели в траншеях, коллекторах, туннелях | 1 раз в 3 месяца | Чаще при наличии агрессивных грунтов |
| Кабели в колодцах, концевые муфты > 1000 В | 1 раз в 6 месяцев | — |
| Концевые муфты до 1000 В | 1 раз в 12 месяцев | — |
| Внеочередные осмотры | По факту события | Паводки, ливни, оползни, раскопки рядом |
При осмотре туннелей и коллекторов особое внимание уделяется технике безопасности. Осмотр проводят два лица. Обязателен замер загазованности перед входом (метан, углекислый газ). Проверяется работа вентиляции, освещения, наличие воды, состояние антикоррозионных покрытий и противопожарных перегородок. Температура воздуха внутри сооружения не должна превышать наружную более чем на 10 °C.
3.4. Особенности осмотра инженерных сооружений (Туннели)
Осмотр туннелей и коллекторов — работа повышенной опасности.
Требования:
- Осмотр проводят минимум два человека.
- Проверка газоанализатором перед входом (опасность скопления метана или угарного газа).
- Контроль температуры: внутри не должно быть жарче, чем снаружи, более чем на 10 °C.
- Проверка антикоррозионных покрытий кронштейнов и брони.
- Проверка отсутствия смещений и недопустимых натяжений (кабель должен лежать «змейкой» для компенсации теплового расширения).
4. Тепловой режим: Физика и Расчеты
4.1. Почему перегрев убивает кабель?
Изоляция кабеля (особенно бумажная) — это органический материал. При высоких температурах процессы окисления и деструкции молекул ускоряются экспоненциально (Закон Аррениуса). Существует эмпирическое «правило восьми градусов»: превышение рабочей температуры на 8 °C сокращает срок службы изоляции вдвое.
Систематические перегрузки ведут к «тепловому старению»: бумага становится хрупкой, лак трескается, СПЭ теряет диэлектрическую прочность.
4.2. Контроль нагрузок
Контроль нагрузок проводится минимум 2 раза в год, в том числе в период осенне-зимнего максимума (когда потребление энергии максимально). Используются стационарные амперметры или переносные токоизмерительные клещи.
4.3. Математический расчет температуры жилы
Непосредственно измерить температуру жилы под напряжением 10 кВ сложно. Поэтому используют косвенный метод: измеряют температуру оболочки \( t_{ob} \) (которая доступна и безопасна) и пересчитывают её в температуру жилы \( t_{zh} \).
Формула перепада температуры (\( \Delta t \)):
Где:
\( I \) — ток нагрузки в момент замера, А.
\( n \) — количество жил (обычно 3 или 4).
\( \rho \) — удельное сопротивление материала жилы (для меди \( 0.0175 \), для алюминия \( 0.028 \) Ом·мм²/м) с поправкой на температуру.
\( q \) — сечение жилы, мм².
\( \Sigma S_{therm} \) — сумма тепловых сопротивлений всех слоев изоляции и покровов. Это ключевой параметр, зависящий от напряжения и сечения.
Итоговая температура жилы:
4.4. Таблица тепловых сопротивлений
Для точного расчета инженеры используют справочные данные. Ниже представлена полная таблица значений \( \Sigma S_{therm} \).
| U кабеля, кВ | Слой | Сечение токоведущей жилы, мм² | |||||||||
|---|---|---|---|---|---|---|---|---|---|---|---|
| 16 | 25 | 35 | 50 | 70 | 95 | 125 | 150 | 185 | 240 | ||
| 3 | Изоляция | 68 | 51 | 45 | 38 | 34 | 29 | 26 | 24 | 21 | 19 |
| Наружные покровы | 35 | 33 | 31 | 28 | 25 | 22 | 21 | 20 | 20 | 18 | |
| 6 | Изоляция | 83 | 73 | 64 | 58 | 50 | 42 | 37 | 32 | 30 | 30 |
| Наружные покровы | 31 | 30 | 25 | 24 | 22 | 20 | 18 | 18 | 18 | 17 | |
| 10 | Изоляция | 101 | 89 | 82 | 72 | 66 | 57 | 51 | 47 | 43 | 37 |
| Наружные покровы | 25 | 24 | 20 | 19 | 16 | 18 | 17 | 17 | 15 | 15 | |
4.5. Допустимые температуры и аварийные режимы
Температурные лимиты зависят от материала изоляции:
- Бумажная пропитанная: 60–80 °C (чем выше напряжение, тем ниже допустимая температура, т.к. при нагреве увеличиваются диэлектрические потери \( \tan \delta \)).
- Резина: 65 °C.
- ПВХ: 70 °C.
- Сшитый полиэтилен (СПЭ): 90 °C (длительно).
Правила аварийной перегрузки:
В случае аварии на соседней линии допускается перегрузка работающего кабеля (до 10 кВ) на 15-30% на срок не более 5 суток.
Условие: К моменту аварии кабель не должен быть нагружен более чем на 80%.
Для кабелей 20-35 кВ перегрузки запрещены, так как тепловой пробой развивается лавинообразно.
5. Электрохимическая коррозия и методы защиты оболочек
Самой коварной угрозой для подземных кабельных линий является не механическое воздействие, а тихая химическая и электролитическая деструкция. Надежность работы всей линии прямо пропорциональна герметичности её металлической оболочки (свинцовой или алюминиевой).

Как только герметичность нарушается, гигроскопичная изоляция (особенно бумажно-масляная) начинает жадно впитывать влагу из грунта. Это приводит к резкому снижению диэлектрической прочности и неизбежному электрическому пробою. Основным виновником потери герметичности является коррозия.
5.1. Физика электролитической коррозии (Блуждающие токи)
Наиболее разрушительным видом является коррозия, вызванная блуждающими токами. Источниками таких токов служат системы электрифицированного рельсового транспорта (трамваи, метро, ж/д на постоянном токе) и, реже, сварочные установки или линии электролиза.
Механизм разрушения: Ток стекает с рельсов в землю и ищет путь с наименьшим сопротивлением, которым часто оказывается металлическая броня кабеля.
- Катодная зона: Место, где ток входит из земли в кабель. Здесь металл имеет отрицательный потенциал и не разрушается (происходит выделение водорода).
- Анодная зона: Место, где ток выходит из кабеля обратно в землю (например, вблизи тяговой подстанции). Здесь происходит интенсивное анодное растворение металла:
$$ Pb — 2e^- \rightarrow Pb^{2+} $$
Количество растворенного металла подчиняется закону Фарадея и пропорционально силе тока и времени воздействия.
5.2. Методы измерения коррозионной опасности
Для разработки стратегии защиты (дренаж, катодная станция) необходимо составить «карту потенциалов» трассы. Измеряются три ключевых параметра:
1. Разность потенциалов «оболочка — земля».
2. Плотность тока утечки с кабеля в землю.
3. Величина продольного тока, текущего по броне.
Измерение потенциалов и плотности тока (Рис. 4)
Для обнаружения опасных анодных зон (где оболочка заряжена положительно относительно земли) используют вольтметры с высоким внутренним сопротивлением и неполяризующиеся электроды сравнения (медно-сульфатные).

Компенсационный метод измерения тока (Рис. 5)
Прямое измерение тока, протекающего вдоль оболочки, невозможно без разрыва цепи. Поэтому применяют остроумный компенсационный метод.
Суть метода: На участке оболочки длиной \( L \) измеряют падение напряжения, вызванное блуждающим током. Затем параллельно этому участку подключают внешний источник тока и пускают ток во встречном направлении. Регулируя внешний источник, добиваются того, чтобы падение напряжения на участке стало равным нулю (компенсация).
В момент компенсации (показания вольтметра равны 0) ток от внешнего источника равен искомому блуждающему току.

6. Профилактические испытания
6.1. Философия «контролируемого пробоя»
В процессе эксплуатации изоляция стареет неравномерно. Появляются «слабые звенья» — локальные дефекты, которые еще держат рабочее напряжение, но могут пробиться при малейшем скачке в сети.
Цель профилактических испытаний — намеренно довести эти ослабленные места до пробоя в контролируемых условиях, когда ремонтная бригада готова к выезду, а потребители запитаны по резервной схеме. Это предотвращает внезапные аварии в часы пик.
6.2. Нормативы и параметры испытаний
Испытания проводятся выпрямленным током (для БПИ кабелей) или СНЧ (для СПЭ). Величины напряжений ниже, чем при приемо-сдаточных испытаниях, чтобы не перегружать «здоровую» изоляцию, но достаточно высоки для выявления дефектов.
| Класс напряжения кабеля | Испытательное напряжение ($U_{test}$) | Кратность к $U_{nom}$ |
|---|---|---|
| 2 – 10 кВ (Бумажная изоляция) | \( (5…6) \cdot U_{nom} \) | 5-6 кратное |
| 20 – 35 кВ | \( (4…6) \cdot U_{nom} \) | 4-6 кратное |
Длительность: 5 минут на каждую фазу.
Критерий браковки: Если ток утечки нарастает или происходят толчки, испытание не прекращают, а продолжают до полного пробоя. Найти место явного пробоя гораздо проще, чем искать «плывущий» дефект.
6.3. Периодичность и сезонность
Оптимальное время для испытаний — весна и лето (теплое время года). В этот период грунт влажный, и влага активнее проникает в трещины оболочки, делая дефекты «видимыми» для приборов. Зимой замерзший грунт может маскировать дефекты.
- Стандарт: 1 раз в год для кабелей 20-35 кВ и ответственных линий.
- Облегченный режим: 1 раз в 3 года для кабелей в туннелях/коллекторах (меньше риск механики) или для линий, не имевших аварий более 5 лет.
- Внеочередные: После любых земляных работ в охранной зоне или капитального ремонта.
7. Определение мест повреждения (ОМП): Методы и Приборы
Если кабель не прошел испытание или аварийно отключился, наступает этап поиска места повреждения. Это детективная работа, состоящая из двух этапов:
1. Относительный метод: Определение расстояния до зоны повреждения (с точностью до десятков метров).
2. Абсолютный (топографический) метод: Точное указание места на трассе («копать здесь»).
7.1. Импульсный метод (Рефлектометрия)
Самый универсальный метод для поиска коротких замыканий и обрывов. В кабель посылается зондирующий наносекундный импульс. В месте изменения волнового сопротивления (обрыв или КЗ) импульс отражается и возвращается обратно.
где \( v \) — скорость распространения волны в кабеле (ок. 160 м/мкс), \( t \) — время задержки отраженного сигнала.


7.2. Метод колебательного разряда
Применяется для «заплывающих» пробоев, которые не видны на низком напряжении рефлектометра. Кабель заряжают от высоковольтной установки до пробоя. В момент разряда возникает затухающий колебательный процесс. Период колебаний \( T \) пропорционален расстоянию до места пробоя.
Это основной метод для поиска повреждений после высоковольтных испытаний.
7.3. Петлевой метод (Мостовой)
Классический метод постоянного тока, требующий наличия хотя бы одной целой жилы в том же кабеле или проложенном рядом. Поврежденная и целая жилы закорачиваются на дальнем конце, образуя петлю. На ближнем конце собирается измерительный мост Уитстона.

1 — жилы кабеля; 2 — закоротка на дальнем конце; \( r_1, r_2 \) — регулируемые плечи моста (реохорд).
Условие равновесия моста позволяет вывести формулу расстояния \( l_x \):
Где \( L \) — полная длина трассы. Метод очень точен, но не работает при обрыве жил или трехфазном замыкании.
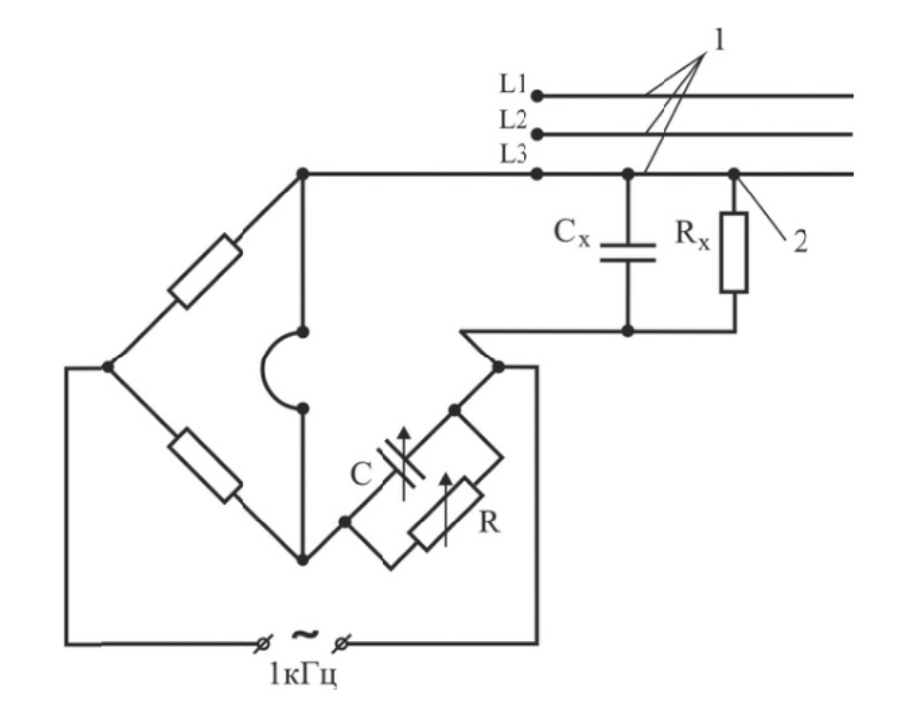
7.4. Емкостный метод
Используется исключительно при обрывах жил. Емкость проводника относительно земли линейно зависит от его длины (\( C = \varepsilon \cdot l \)). Измерив емкость оборванного куска \( C_x \) и зная удельную емкость (или сравнив с целой жилой \( C_{full} \)), можно найти расстояние.
Измерение проводится мостом переменного тока (обычно на частоте 1 кГц), где индикатором нуля служит телефон (наушники).

7.5. Топографические методы (Уточнение на местности)
После того как зона определена (например, «350 метров от подстанции»), туда выезжает лаборатория для точного поиска.
Индукционный метод: В кабель подают ток звуковой частоты (1 кГц). Оператор идет по трассе с рамкой-антенной и наушниками. Над кабелем слышен звук. В месте замыкания жил «твист» (шаг скрутки) меняет характер звучания, а за местом повреждения звук пропадает.
Акустический метод: Самый эффективный для искровых пробоев. На жилу подают мощные высоковольтные импульсы с частотой раз в несколько секунд. В месте дефекта происходит громкий разряд («удар»). Оператор слушает землю с помощью стетоскопа (геофона). Точка максимальной громкости удара — это место раскопок.

8. Эволюция диагностики: От «прожига» к неразрушающему контролю
Описанные выше методы (испытание повышенным напряжением DC) являются разрушающими по своей сути. Их логика: «Если кабель плохой — пусть он взорвется сейчас, пока мы рядом». Однако для современных дорогих кабелей из сшитого полиэтилена (СПЭ/XLPE) такой подход варварский. Он сокращает ресурс исправной изоляции.
В современной энергетике (Smart Grid) применяются методы неразрушающего контроля (NDT), позволяющие предсказать аварию за месяцы до её возникновения.
8.1. Метод измерения тангенса угла диэлектрических потерь (\(\tan \delta\))

Этот метод — интегральная оценка «здоровья» всей кабельной линии. Он показывает, насколько изоляция постарела в целом (увлажнение, рост водных триингов).
Где \( I_R \) — активный ток утечки (потери), \( I_C \) — реактивный ёмкостный ток.
В идеальном конденсаторе (кабеле) ток опережает напряжение на 90°, и потери равны нулю. В реальном — угол сдвига меньше 90° на величину \( \delta \). Чем больше угол \( \delta \), тем хуже изоляция.
Интерпретация:
- Стабильный \(\tan \delta\) при росте напряжения — кабель в норме.
- Резкий рост \(\tan \delta\) (Tip-Up) — признак активного старения или сильного увлажнения.
8.2. Диагностика Частичных Разрядов (ЧР / Partial Discharge)
Если \(\tan \delta\) показывает «среднюю температуру по больнице», то метод ЧР находит «раковую опухоль» — конкретный локальный дефект.

Частичный разряд — это микроскопический электрический пробой внутри газового включения (пузырька воздуха) в изоляции или муфте, который не замыкает электроды полностью.
- ЧР разрушает полимер изнутри, как кариес зуб.
- Современные установки VLF позволяют засечь импульсы ЧР, определить их амплитуду (в пикокулонах, пКл) и с помощью рефлектометрии точно указать место дефекта на карте.
Аналогия:
Испытание повышенным напряжением: Мы давим на трубу прессом. Если она не лопнула — считаем годной (но могли появиться микротрещины).
Измерение ЧР: Мы слушаем трубу стетоскопом. Даже если она держит давление, мы можем услышать характерный «свист» в слабом месте и заменить этот участок до аварии.
9. Практический пример: Как диагностика предотвратила аварию на линии 10 кВ
Рассмотрим реальный случай из отчета электролаборатории, который наглядно демонстрирует разницу между устаревшими методами («прозвонка») и современной диагностикой.
Объект: Кабельная линия (КЛ) 10 кВ, марка АПвПу 3х185/25 (сшитый полиэтилен).
Год ввода: 2014 (возраст на момент проверки — 9 лет).
Длина: 1250 метров.
Причина вызова: Плановая проверка перед осенне-зимним максимумом.
Этап 1. Стандартные измерения (Ложное спокойствие)
Инженеры начали с классического измерения сопротивления изоляции мегаомметром на 2500 В.
Результат: \( R_{iso} > 10 \text{ ГОм} \) на всех трех фазах. Коэффициент абсорбции \( K_{abs} = 1.45 \).
Вывод по старым нормам: Кабель идеален. Можно включать в работу.
Этап 2. СНЧ-диагностика (VLF Tan Delta)
Поскольку кабель питает ответственный насосный узел, было решено провести измерение тангенса угла диэлектрических потерь (\( \tan \delta \)) на частоте 0.1 Гц. Напряжение поднимали ступенями: \( 0.5 U_0 \), \( 1.0 U_0 \), \( 1.5 U_0 \).
Результаты измерений (График зависимости потерь от напряжения):

Рис. 9. График зависимости \( \tan \delta \) от приложенного напряжения.
— Зеленая линия (Фаза А): Горизонтальная прямая. Потери не растут с напряжением. Изоляция сухая и чистая.
— Красная линия (Фаза В): Эффект «Tip-Up». Резкий взлет кривой вверх при достижении напряжения \( 1 U_0 \).
Интерпретация графика:
- Фаза А и С: Значение \( \tan \delta \approx 1.2 \cdot 10^{-3} \). График стабилен. Это норма для СПЭ кабеля данного возраста.
- Фаза В: При низком напряжении значение в норме, но при \( U = 10 \text{ кВ} \) происходит резкий скачок («колено» графика). Это классический признак водных триингов или начала ионизации в полости. Дефект ведет себя как нелинейное сопротивление: пока напряжение низкое — он «молчит», как только напряжение рабочее — начинается активное разрушение.
Этап 3. Локализация дефекта (Метод ЧР)
Чтобы понять, где именно проблема (весь кабель отсырел или это одна муфта), включили режим измерения Частичных Разрядов (PD — Partial Discharge).

Анализ рефлектограммы:
На графике мы видим четкое скопление точек (кластер) на отметке 845 метров. Амплитуда разрядов достигает 4500 пКл, что является критическим уровнем. Остальная часть кабеля «чистая».
Сверившись с паспортом трассы, выяснили, что на отметке 845 м находится соединительная муфта в колодце.
Этап 4. Вскрытие и Результат
Бригада выехала на место. При вскрытии муфты обнаружено нарушение герметичности внешнего кожуха. Внутрь попала грунтовая вода, что привело к образованию треков на поверхности термоусадки.

Финансовый итог:
Стоимость диагностики и планового перемуфчивания: ~50 000 руб.
Потенциальный ущерб от аварии (поиск места зимой, земляные работы, простой насосной станции): > 700 000 руб.
Экономия очевидна.
10. Техника безопасности и «Смертельный конденсатор»
Работа с кабельными линиями — одна из самых опасных в электроэнергетике. Главная угроза — невидимый емкостной заряд.
10.1. Кабель как конденсатор
Любой экранированный кабель — это конденсатор большой ёмкости.
Энергия, запасенная в кабеле:
При испытаниях длинных линий (несколько километров) энергия может достигать значений, смертельных для человека. Особенность кабелей с полиэтиленовой изоляцией в том, что они могут удерживать заряд сутками из-за высокого сопротивления утечки.
10.2. Правило «Золотого треугольника» безопасности
- Отключи: Видимый разрыв цепи со всех сторон.
- Проверь: Убедись в отсутствии напряжения указателем ВН.
- Заземли: Самое важное. Только заземление гарантирует жизнь.
Категорически запрещено разряжать кабель после испытаний «накоротко» (сразу на землю без сопротивления) или просто отключать установку, не накладывая заземление.
Правильная процедура:
1. Отключить высокое напряжение.
2. Коснуться жилы разрядной штангой через токоограничивающий резистор (плавный разряд). Наблюдать за падением напряжения на киловольтметре.
3. Только после падения напряжения до нуля — наложить глухое переносное заземление (ПЗ).
4. Работать с концевыми муфтами можно только при наложенном заземлении!
10.3. Эффект абсорбции (Возвратное напряжение)
Даже если вы разрядили кабель, в диэлектрике (особенно маслонаполненном) происходит процесс «обратной абсорбции». Заряды, ушедшие в глубокие слои изоляции, постепенно возвращаются на электроды.
Пример: Разряженный кабель через 30 минут может самопроизвольно восстановить напряжение до нескольких киловольт. Поэтому заземление должно оставаться на жилах все время, пока не производятся коммутации.
11. Интересные факты о кабельных линиях и электричестве
- Правило 8 градусов.
Для изоляции кабеля существует эмпирический закон Монтзингера: превышение рабочей температуры всего на 8 °C сверх нормы сокращает срок службы изоляции ровно в два раза. Именно поэтому так важен тепловой расчет. - Опасная память.
Кабель из сшитого полиэтилена (СПЭ) после испытаний постоянным током может удерживать смертельный заряд в течение нескольких суток. Это происходит из-за эффекта диэлектрической абсорбции. Без правильного заземления он может убить монтера даже через 24 часа после отключения установки. - Водные деревья.
В толще полиэтиленовой изоляции под действием влаги и электрического поля растут микроскопические структуры, похожие на кусты или деревья (вентинг). Они растут годами, пока не прорастут сквозь изоляцию, вызывая внезапный пробой кабеля, который служил верой и правдой 15 лет. - Гуттаперчевый старт.
Первые подземные и подводные кабели в середине XIX века изолировались не резиной и не пластиком, а гуттаперчей — затвердевшим соком малайского дерева. Этот материал был единственным, который выдерживал воздействие морской воды. - Подземные «вампиры».
Самый страшный враг металлической оболочки кабеля в городе — это трамвай. Блуждающие токи, стекающие с рельсов, могут проделать дыры в свинцовой броне кабеля всего за один год, если не применять станции катодной защиты. - Гусиный шаг.
При падении провода высоковольтной линии на землю вокруг образуется зона шагового напряжения радиусом до 8–10 метров. Выходить из неё можно только «гусиным шагом» (пятка к носку), не отрывая ног друг от друга, чтобы разность потенциалов между ногами была минимальной.
12. Часто задаваемые вопросы (FAQ)
Почему кабели переменного тока часто испытывают постоянным током?
Можно ли построить гараж или посадить дерево над кабельной трассой?
Что такое «фазировка» и зачем она нужна?
Чем кабель из сшитого полиэтилена лучше бумажного?
Почему при осмотре муфт слышен треск, хотя пробоя нет?
Заключение
Эксплуатация кабельного хозяйства — это непрерывная борьба с энтропией. Сочетание грамотной паспортизации, регулярного контроля коррозионной обстановки и своевременных профилактических испытаний позволяет минимизировать аварийность.
В случае же возникновения дефекта, современный арсенал методов ОМП — от классических мостовых схем до цифровой рефлектометрии — позволяет локализовать проблему с точностью до сантиметров, экономя колоссальные средства на земляных работах. Важно помнить, что каждый метод имеет свою нишу: рефлектометр «слеп» к заплывающим пробоям, а акустика бесполезна при глухих металлических замыканиях. Только комплексный подход гарантирует результат.
Нормативная база и Литература
- ПУЭ (Правила устройства электроустановок), изд. 7. Гл. 1.8 «Нормы приемо-сдаточных испытаний».
- ПТЭЭП (Правила технической эксплуатации электроустановок потребителей).
- ГОСТ 18410-73 «Кабели силовые с пропитанной бумажной изоляцией».
- ГОСТ Р 55025-2012 «Кабели силовые с пластмассовой изоляцией на напряжение 6-35 кВ».
- ГОСТ 9.602-2016 «Защита от коррозии подземных сооружений».
- IEC 60502-2 Power cables with extruded insulation and their accessories for rated voltages from 6 kV up to 30 kV
- IEC 60270 High-voltage test techniques – Partial discharge measurements
- IEEE Std 400 Guide for Field Testing and Evaluation of the Insulation of Shielded Power Cable Systems
- Бачинский В.Т. «Техника высоких напряжений и диагностика изоляции».
- Инструкция по эксплуатации силовых кабельных линий. Часть 1. Напряжение до 35 кВ.
